ADI的智能工廠專業知識助您選擇合適的IO-Link從站收發器
發布時間:2024-09-03 來源:ADI公司 責任編輯:lina
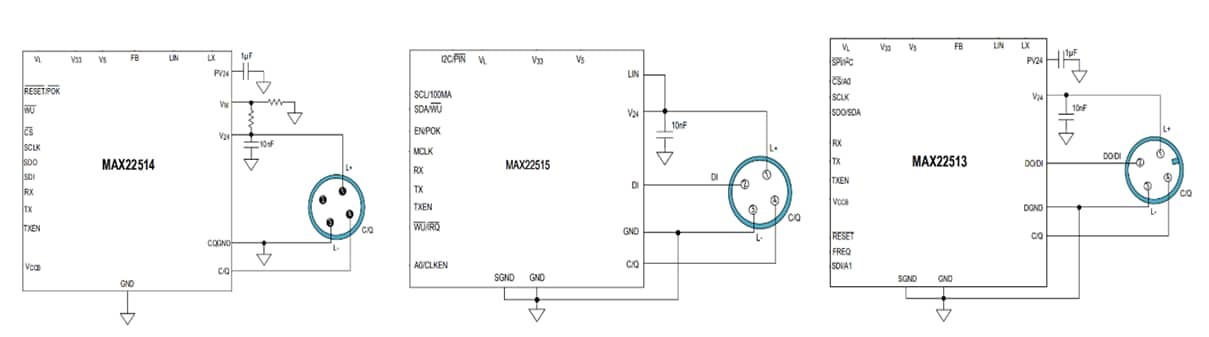
【導讀】選擇IO-Link從站收發器時,我們先要考慮該器件支持的連接器引腳功能的數量和類型。有些智能工廠器件可能隻需要一個C/Q引腳來進行數據傳輸/切換,MAX22514非常適合此類任務。有些器件可能需要IO-Link連接,其中包括額外的數字輸入(DIN),以傳輸來自基本傳感器或按鈕開關的信號。在這種情況下,MAX22515是更好的選擇。還有些器件可能還需要將DIN配置為數字輸出(DO),而MAX22513提供了這種額外的自由度。
出色的IO-Link從站收發器應能夠全方麵滿足應用要求。這是智能工廠係列的最後一篇博文,討論了選擇IO-Link從站收發器時需要考慮的因素,並說明了ADI公司IO-Link收發器產品係列的特性如何幫助盡可能簡化這一過程。請點擊此處查看之前的博文。
連接器引腳功能
選擇IO-Link從站收發器時,我們先要考慮該器件支持的連接器引腳功能的數量和類型。有些智能工廠器件可能隻需要一個C/Q引腳來進行數據傳輸/切換,MAX22514非常適合此類任務。有些器件可能需要IO-Link連接,其中包括額外的數字輸入(DIN),以傳輸來自基本傳感器或按鈕開關的信號。在這種情況下,MAX22515是更好的選擇。還有些器件可能還需要將DIN配置為數字輸出(DO),而MAX22513提供了這種額外的自由度。
圖1.IO-Link從站收發器上的端口引腳功能
小尺寸
隨著工業運營自動化程度不斷提高,工廠車間的設備密度也在迅速增加。這迫使IO-Link傳感器和執行器不斷縮小,使收發器封裝尺寸成為關鍵特性。設計可放入超小型外殼的IO-Link器件並非易事,而采用2.5 x 2mm WLCSP(晶圓級芯片規模封裝)的MAX22515可以幫助應對這一挑戰。
集成度高、熱耗散低
傳感器和執行器外殼不斷縮小會導致一個意外後果,即表現為熱量形式的功耗成為更大的問題。IO-Link從站通常從IO-Link主站(24V電源)獲取電源,但僅需要低數字電平電壓(3-5V)即可運行。電壓大幅下降會導致相當大的功率浪費。傳統方法是使用外部DC-DC降壓轉換器,但額外的元件會導致增加電路板尺寸。具有高效率全集成式DC-DC轉換器的IO-Link收發器可以順利解決此問題,例如MAX22513或者MAX22514,前者可通過低輸出電阻驅動器(典型值2Ω)提供高達300mA的電流,後者則通過2.4 Ω驅動器提供高達200mA的電流。
圖2.外殼橫截麵,可見采用集成有DC-DC轉換器的MAX22513可節省大量空間
同樣,帶有集成振蕩器(充當管理通信鏈路的從站微控製器的時鍾源)的IO-Link收發器可以節省空間並簡化物料清單(BOM)。MAX22513和MAX22514均具有集成振蕩器。
穩健性
工廠車間條件嚴苛、不容怠慢,若沒有充分的保護措施抵禦瞬時浪湧和靜電放電(ESD),敏感的半導體電路將很快遭到破壞。ADI公司的IO-Link收發器集成了±60V電dian纜lan接jie口kou保bao護hu功gong能neng,具ju備bei應ying對dui工gong業ye環huan境jing嚴yan苛ke條tiao件jian所suo需xu的de堅jian固gu耐nai用yong性xing能neng。此ci外wai,這zhe些xie收shou發fa器qi具ju有you可ke調tiao限xian流liu值zhi和he擺bai率lv的de發fa送song器qi,以yi實shi現xian更geng優you越yue的de電dian磁ci兼jian容rong性xing(EMC)。
LED驅動器
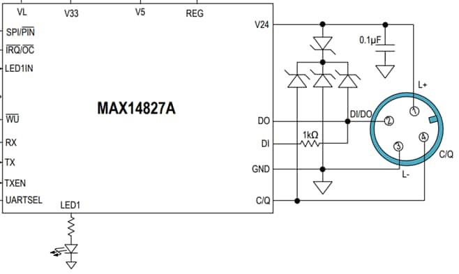
某些應用需要IO-Link收發器來驅動外部狀態LED,而MAX14827A和MAX14828可提供此功能。
圖3.配置為驅動LED的MAX14827A IO-Link從站收發器
通信和控製接口
從站微控製器帶有各種通信和控製接口,為了實現更優異的靈活性,ADI公司的IO-Link收發器支持不同的接口選項,包括:
SPI - MAX22514或MAX22513
I2C - MAX22513或MAX22515
引腳模式 - MAX22515
總結
本係列博客文章介紹了IO-Link如何充分體現“智能工廠”gainian。zhezhongduogongnengjiekoujianhualeyuzhinengchuanganqihezhixingqidetongxin,jiangxinhaochuanshuyudianlangongdianjishuxiangjiehe。suizhegongyezidonghuaxitongriyihulianhezhinenghuayishiyingjizhongkongzhiheyouhuashengchandexuqiu,tayichengweiguanjianfunengyinsuzhiyi。xiabiaozongjieleADI公司IO-Link產品係列中從站收發器的特性。
圖4.ADI公司IO-Link從站收發器產品係列及特性表格
關於ADI
Analog Devices, Inc. (NASDAQ: ADI)是全球領先的半導體公司,致力於在現實世界與數字世界之間架起橋梁,以實現智能邊緣領域的突破性創新。ADI提供結合模擬、數字和軟件技術的解決方案,推動數字化工廠、汽車和數字醫療等領域的持續發展,應對氣候變化挑戰,並建立人與世界萬物的可靠互聯。ADI公司2023財年收入超過120億美元,全球員工約2.6萬人。攜手全球12.5萬家客戶,ADI助力創新者不斷超越一切可能。
(來源:ADI公司,作者:Michael Jackson和Brian Condell)
免責聲明:本文為轉載文章,轉載此文目的在於傳遞更多信息,版權歸原作者所有。本文所用視頻、圖片、文字如涉及作品版權問題,請聯係小編進行處理。
推薦閱讀:
- 噪聲中提取真值!瑞盟科技推出MSA2240電流檢測芯片賦能多元高端測量場景
- 10MHz高頻運行!氮矽科技發布集成驅動GaN芯片,助力電源能效再攀新高
- 失真度僅0.002%!力芯微推出超低內阻、超低失真4PST模擬開關
- 一“芯”雙電!聖邦微電子發布雙輸出電源芯片,簡化AFE與音頻設計
- 一機適配萬端:金升陽推出1200W可編程電源,賦能高端裝備製造
- 具身智能成最大亮點!CITE 2026開幕峰會釋放產業強信號
- 助力醫療器械產業高質量發展 派克漢尼汾閃耀2026 ICMD
- 比異步時鍾更隱蔽的“芯片殺手”——跨複位域(RDC)問題
- 數據之外:液冷技術背後的連接器創新
- “眼在手上”的嵌入式實踐:基於ROS2與RK3576的機械臂跟隨抓取方案
- 車規與基於V2X的車輛協同主動避撞技術展望
- 數字隔離助力新能源汽車安全隔離的新挑戰
- 汽車模塊拋負載的解決方案
- 車用連接器的安全創新應用
- Melexis Actuators Business Unit
- Position / Current Sensors - Triaxis Hall



