技術詳解:三種實用的UC3842/3的外圍電路
發布時間:2015-04-24 責任編輯:echolady
【導讀】UC3842/3的電路設計構造簡單、性能極佳,但是仍在UC3842/3的電路設計中需要外圍電路實現。這些小功能不難實現,種類繁多,本文對常見的三種UC3842/3外圍電路設計進行了詳細的分析和講解。
軟起電路

圖1 軟起電路
這個電路很簡單。如圖1所示,上電UC3843的8腳有5V電壓,通過R22給C11充電,起到軟起作用。斷電時通過Q4給C11放電。
短路保護電路
在用384X做電源時,輸出短路後前級的電流比較大,時間一長會損壞MOS,甚至突然短路導致MOS直接損壞,想要避免這種情況就需要用到利用運放來做的短路保護電路。

圖2 短路保護電路
[page] 如圖2所示,當輸出短路後,電壓降低,反饋到前級,前級384X會增大占空比來實現輸出的穩定,這時1腳COMP的電壓會升高,基本能達到5V左右。
384X的8腳為5V,用電阻分壓後用運放的同相輸入端做基準,當短路後運放的反向輸入端比同相輸入端高,然後拉低384X的1腳COMP,關斷PWM。C10是個延時電容,R31給C10放電,通過調整C10來改變自啟時間。
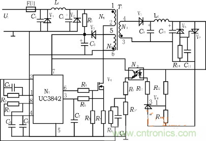
過流與過壓保護

圖3 UC3842組成的過流與過壓保護原理圖
如圖3所示,這個電路主要李使寬度變窄,從而達到穩壓目的。
過流保護原理
當負載電流超過額定值或輸出短路,引起開關管V4電流增加,R7上的電壓反饋至3腳,當R7上的電壓大於1V時,通過內部電流放大器使導通寬度變窄,輸出電壓下降,同時也使UC3842工作電壓下降。當下降至整定電壓以下時,過流保護電路工作,達到保護功率管的目的。短路現象消失後,電源自動恢複正常工作。
過壓保護
當因某種原因使輸出電壓過高時,穩壓管V6導通,從而觸發晶閘管V7導通,使輸出端短路,可見過壓保護是以過流保護的形式出現的。
本篇文章從實用的角度給出了三種UC3842/3常用的外圍電路,在給出這三種電路的原理圖的同時還進行了較為詳細的講解,希望大家在閱讀過本篇文章之後,能對UC3842/3外圍電路的運用有進一步的了解。
相關閱讀:
掌握五大要點,輕鬆解決UC3842不工作問題
純幹貨分享:UC3842的過載保護及設計技巧
實例解析:反激電源中諸多UC3842的錯誤應用
特別推薦
- 噪聲中提取真值!瑞盟科技推出MSA2240電流檢測芯片賦能多元高端測量場景
- 10MHz高頻運行!氮矽科技發布集成驅動GaN芯片,助力電源能效再攀新高
- 失真度僅0.002%!力芯微推出超低內阻、超低失真4PST模擬開關
- 一“芯”雙電!聖邦微電子發布雙輸出電源芯片,簡化AFE與音頻設計
- 一機適配萬端:金升陽推出1200W可編程電源,賦能高端裝備製造
技術文章更多>>
- 三星上演罕見對峙:工會集會討薪,股東隔街抗議
- 摩爾線程實現DeepSeek-V4“Day-0”支持,國產GPU適配再提速
- 築牢安全防線:智能駕駛邁向規模化應用的關鍵挑戰與破局之道
- GPT-Image 2:99%文字準確率,AI生圖告別“鬼畫符”
- 機器人馬拉鬆的勝負手:藏在主板角落裏的“時鍾戰爭”
技術白皮書下載更多>>
- 車規與基於V2X的車輛協同主動避撞技術展望
- 數字隔離助力新能源汽車安全隔離的新挑戰
- 汽車模塊拋負載的解決方案
- 車用連接器的安全創新應用
- Melexis Actuators Business Unit
- Position / Current Sensors - Triaxis Hall
熱門搜索
NFC
NFC芯片
NOR
ntc熱敏電阻
OGS
OLED
OLED麵板
OmniVision
Omron
OnSemi
PI
PLC
Premier Farnell
Recom
RF
RF/微波IC
RFID
rfid
RF連接器
RF模塊
RS
Rubycon
SATA連接器
SD連接器
SII
SIM卡連接器
SMT設備
SMU
SOC
SPANSION

