分析電容傳感器取代機械開關的好處
發布時間:2011-10-09 來源:ADI公司
中心議題:
- 電容傳感器在便攜產品中的應用
- 電容傳感器取代機械開關的好處
電容傳感器滾輪在iPod等(deng)產(chan)品(pin)中(zhong)獲(huo)得(de)的(de)成(cheng)功(gong),正(zheng)在(zai)促(cu)使(shi)其(qi)他(ta)消(xiao)費(fei)電(dian)子(zi)產(chan)品(pin)開(kai)發(fa)商(shang)考(kao)慮(lv)使(shi)用(yong)電(dian)容(rong)傳(chuan)感(gan)器(qi)來(lai)改(gai)善(shan)產(chan)品(pin)的(de)用(yong)戶(hu)界(jie)麵(mian),並(bing)使(shi)產(chan)品(pin)看(kan)起(qi)來(lai)更(geng)加(jia)美(mei)觀(guan)。事(shi)實(shi)上(shang),電(dian)容(rong)觸(chu)摸(mo)傳(chuan)感(gan)器(qi)接(jie)口(kou)的(de)應(ying)用(yong)並(bing)不(bu)僅(jin)限(xian)於(yu)MP3播放器,而是可以用於目前采用傳統機械開關的任何產品之中,如新款手機的菜單控製按鈕。利用可靠性高、引人注目並具有成本效益的電容觸摸傳感器,可以輕鬆地改變這些高級功能菜單控製開關的式樣。
電容傳感器在便攜產品中的應用
電容觸摸傳感器接口通常由一個電容傳感器、一個電容數字轉換器(CDC)和一個主處理器組成(圖1)。傳感器利用標準兩層或四層PCB上的走線(trace)或柔性電路製造,因此不需要任何外部元件或材料。

圖1 典型電容觸摸傳感器接口
可靠的傳感器必須不受外界環境變化的影響,能夠在任何工作條件下保持精確的靈敏度水平。溫度或濕度的變化會導致PCBcailiaodetexingfashengbianhua,yinci,yinshuadianludianrongchuanganqideshuchudianpingjiangfashengpiaoyi。liru,dangyonghucongkaiqikongtiaodeqichedaoyigeshirehuanjingshi,jiukenengchuxianshangshuqingkuang。weilebimianfashengduanxujiechucuowu,CDC必須包括實時的漂移補償功能(圖2)。

圖2 兩個傳感器在環境條件改變時的特性,漂移補償功能已使能
隨著環境條件的變化(例如,溫度或濕度上升),傳感器的環境參數(在用戶沒有與傳感器接觸期間,由CDC進行測量)會發生漂移。為了進行補償,需要動態改變高端和低端閾值電平,以確定有效的傳感器接觸。位置2、3、5、6處的參考電平進行重新調整,以保持最佳的閾值參考電平,從而自動跟蹤和補償漂移誤差。
[page]
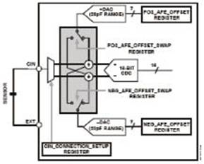
PCB還可能受到寄生電容的影響,這種電容最大可達20 pF,它會在電容觸摸傳感器視為受到按壓時,使閾值發生偏移,從而改變其靈敏度。為了對寄生電容進行補償,可以采用對DAC編程的方法,以抵消CDC的輸入。對於各PCB來說,這種寄生電容是一致的,因此可以在製造PCB的時候進行簡單的調整,這樣就不需要外部RC調諧元件,從而使材料、裝配和測試相關的成本最低。單獨調整每個傳感器的偏移,使設計者可以充分利用轉換器的分辨率(圖3)。

圖3 模擬前端,其中DAC幫助消除寄生電容的影響
電容傳感器取代機械開關的好處
傳chuan統tong的de機ji械xie開kai關guan具ju有you用yong戶hu熟shu悉xi的de靈ling敏min度du和he觸chu覺jiao反fan饋kui,對dui於yu電dian容rong傳chuan感gan器qi來lai說shuo,這zhe些xie參can數shu也ye必bi須xu加jia以yi考kao慮lv和he優you化hua。不bu同tong的de傳chuan感gan器qi可ke能neng需xu要yao獨du特te的de靈ling敏min度du,這zhe取qu決jue於yu開kai關guan功gong能neng或huo開kai關guan在zai產chan品pin中zhong的de物wu理li位wei置zhi。而er且qie,一yi套tao靈ling敏min度du設she置zhi不bu可ke能neng適shi合he所suo有you的de用yong戶hu,因yin此ci應ying該gai允yun許xu用yong戶hu設she置zhi不bu同tong的de靈ling敏min度du水shui平ping,若ruo能neng通tong過guo靈ling敏min度du控kong製zhi菜cai單dan進jin行xing選xuan擇ze將jiang是shi最zui理li想xiang的de。例li如ru,AD7142支持這些靈敏性要求,允許一個單獨的16位(wei)靈(ling)敏(min)度(du)控(kong)製(zhi)寄(ji)存(cun)器(qi)為(wei)每(mei)個(ge)傳(chuan)感(gan)器(qi)編(bian)程(cheng)。這(zhe)些(xie)寄(ji)存(cun)器(qi)也(ye)可(ke)以(yi)嵌(qian)入(ru)到(dao)主(zhu)機(ji)固(gu)件(jian)中(zhong),並(bing)在(zai)菜(cai)單(dan)顯(xian)示(shi)中(zhong)提(ti)供(gong),允(yun)許(xu)用(yong)戶(hu)選(xuan)擇(ze)不(bu)同(tong)的(de)靈(ling)敏(min)度(du)水(shui)平(ping),以(yi)滿(man)足(zu)其(qi)特(te)殊(shu)需(xu)求(qiu)。
在用戶沒有與傳感器接觸期間,如果對每個傳感器輸入取樣,則會白白浪費電池電量。為使電池效率最大化,CDC應能夠檢測到用戶停止觸碰傳感器,並自動切換到低功耗模式。當傳感器被再度觸碰時,IC將自動重新進入正常工作模式。
為了節省更多的功率,還應該包括一個完全關斷模式。這種情況下,隻要禁用傳感器,就會關斷整個IC。在便攜產品中,禁用傳感器開關通常是通過設置一個機械開關或從控製菜單中選擇阻塞模式來完成的。
liyongdianrongchuanganqiqudaichuantongdejixiekaiguanhaiyouyigehaochu,jiushizhizaoyuzhuangpeigongyigengjiajiandan。chuantongdejixiekaiguanxuyaoshougongbameigekaiguancharudaosuliaoketishangdezhuanyongkongdongzhong,eryigebaohansuoyouzhexiekaiguandedanyidianrongchuanganqibankeyiyibudaowei,fangzhizaizhegesuliaoketixiamian。hanyouyigedingweicaokoudechuanganqibananzhuangkongheyixiejiaoshuijiuzuyiwanchengchuanganqibandeanzhuangyuweizhixiaozhun。
主(zhu)處(chu)理(li)器(qi)板(ban)發(fa)射(she)的(de)電(dian)磁(ci)噪(zao)聲(sheng)可(ke)能(neng)會(hui)耦(ou)合(he)進(jin)入(ru)電(dian)容(rong)傳(chuan)感(gan)器(qi)和(he)傳(chuan)感(gan)器(qi)走(zou)線(xian)中(zhong),導(dao)致(zhi)不(bu)可(ke)預(yu)知(zhi)的(de)傳(chuan)感(gan)器(qi)動(dong)作(zuo),使(shi)性(xing)能(neng)下(xia)降(jiang),但(dan)通(tong)過(guo)簡(jian)單(dan)的(de)方(fang)法(fa)也(ye)可(ke)幫(bang)助(zhu)將(jiang)電(dian)磁(ci)幹(gan)擾(rao)(EMI)對傳感器的影響降至最低。首先,CDC應安裝在傳感器板上,這會使傳感器走線長度最短,從而降低EMI被耦合到走線中的機會。其次,利用一個具有結實接地層的四層傳感器板,可以為傳感器提供額外的EMI屏蔽。如果這兩個方法不能有效地將EMI噪聲與傳感器隔離,還可以把一個接地金屬屏蔽體放置在傳感器板腔的上方(圖4)。

圖4 模擬前端,其中DAC幫助消除寄生電容的影響
電dian容rong傳chuan感gan器qi電dian場chang也ye會hui耦ou合he到dao產chan品pin的de金jin屬shu殼ke或huo導dao電dian性xing金jin屬shu塗tu層ceng等deng導dao電dian表biao麵mian,導dao致zhi不bu可ke預yu知zhi的de傳chuan感gan器qi動dong作zuo,這zhe樣yang就jiu造zao成cheng機ji械xie限xian製zhi,要yao求qiu電dian容rong傳chuan感gan器qi的de邊bian緣yuan與yu金jin屬shu表biao麵mian的de邊bian緣yuan保bao持chi一yi定ding的de距ju離li。而er且qie,電dian容rong傳chuan感gan器qi的de靈ling敏min度du也ye與yu傳chuan感gan器qi正zheng上shang方fang的de塑su料liao厚hou度du有you關guan。如ru果guo塑su料liao過guo厚hou,通tong量liang電dian力li線xian將jiang不bu能neng有you效xiao地di穿chuan過guo塑su料liao,使shi傳chuan感gan器qi性xing能neng變bian得de不bu可ke靠kao。通tong常chang,外wai殼ke與yu傳chuan感gan器qi之zhi間jian的de距ju離li應ying該gai大da於yu1.0mm,塑料厚度應該小於4.0mm,使靈敏度保持在適當的範圍內。
- 噪聲中提取真值!瑞盟科技推出MSA2240電流檢測芯片賦能多元高端測量場景
- 10MHz高頻運行!氮矽科技發布集成驅動GaN芯片,助力電源能效再攀新高
- 失真度僅0.002%!力芯微推出超低內阻、超低失真4PST模擬開關
- 一“芯”雙電!聖邦微電子發布雙輸出電源芯片,簡化AFE與音頻設計
- 一機適配萬端:金升陽推出1200W可編程電源,賦能高端裝備製造
- 築基AI4S:摩爾線程全功能GPU加速中國生命科學自主生態
- 一秒檢測,成本降至萬分之一,光引科技把幾十萬的台式光譜儀“搬”到了手腕上
- AI服務器電源機櫃Power Rack HVDC MW級測試方案
- 突破工藝邊界,奎芯科技LPDDR5X IP矽驗證通過,速率達9600Mbps
- 通過直接、準確、自動測量超低範圍的氯殘留來推動反滲透膜保護
- 車規與基於V2X的車輛協同主動避撞技術展望
- 數字隔離助力新能源汽車安全隔離的新挑戰
- 汽車模塊拋負載的解決方案
- 車用連接器的安全創新應用
- Melexis Actuators Business Unit
- Position / Current Sensors - Triaxis Hall



