破局PMIC定製困境:無代碼方案加速產品落地
發布時間:2025-05-18 責任編輯:lina
【導讀】電源管理集成電路(PMIC)有(you)益(yi)於(yu)簡(jian)化(hua)最(zui)終(zhong)應(ying)用(yong)並(bing)縮(suo)小(xiao)其(qi)尺(chi)寸(cun),也(ye)因(yin)此(ci)備(bei)受(shou)青(qing)睞(lai)。然(ran)而(er),當(dang)默(mo)認(ren)啟(qi)動(dong)時(shi)序(xu)和(he)輸(shu)出(chu)電(dian)壓(ya)與(yu)應(ying)用(yong)要(yao)求(qiu)不(bu)符(fu)時(shi),就(jiu)需(xu)要(yao)定(ding)製(zhi)上(shang)電(dian)設(she)置(zhi)。大(da)多(duo)數(shu)情(qing)況(kuang)下(xia),電(dian)路(lu)沒(mei)有(you)可(ke)以(yi)存(cun)儲(chu)這(zhe)些(xie)設(she)置(zhi)的(de)非(fei)易(yi)失(shi)性(xing)存(cun)儲(chu)器(qi)(NVM)。對此,低功耗微控製器是一個很好的解決方案,其功能特性和所包含的工具可以在上電時對PMIC控製寄存器進行編程,而不需要開發固件。本文將探討如何使用工具鏈來解決集成難題。該工具鏈無需開發固件,能夠簡化PMIC的定製過程,並顯著縮短開發周期。
摘要
電源管理集成電路(PMIC)有(you)益(yi)於(yu)簡(jian)化(hua)最(zui)終(zhong)應(ying)用(yong)並(bing)縮(suo)小(xiao)其(qi)尺(chi)寸(cun),也(ye)因(yin)此(ci)備(bei)受(shou)青(qing)睞(lai)。然(ran)而(er),當(dang)默(mo)認(ren)啟(qi)動(dong)時(shi)序(xu)和(he)輸(shu)出(chu)電(dian)壓(ya)與(yu)應(ying)用(yong)要(yao)求(qiu)不(bu)符(fu)時(shi),就(jiu)需(xu)要(yao)定(ding)製(zhi)上(shang)電(dian)設(she)置(zhi)。大(da)多(duo)數(shu)情(qing)況(kuang)下(xia),電(dian)路(lu)沒(mei)有(you)可(ke)以(yi)存(cun)儲(chu)這(zhe)些(xie)設(she)置(zhi)的(de)非(fei)易(yi)失(shi)性(xing)存(cun)儲(chu)器(qi)(NVM)。對此,低功耗微控製器是一個很好的解決方案,其功能特性和所包含的工具可以在上電時對PMIC控製寄存器進行編程,而不需要開發固件。本文將探討如何使用工具鏈來解決集成難題。該工具鏈無需開發固件,能夠簡化PMIC的定製過程,並顯著縮短開發周期。
簡介
為了減小手持設備、智能相機和其他便攜式設備的尺寸並降低成本,設計時需使用高度集成且功能強大的器件。MAX77714是一款高度集成的PMIC,包含多個降壓轉換器、低壓差(LDO)穩壓器、通用輸入輸出(GPIO)和實時時鍾(RTC),可用於生成應用所需的所有電源軌。
靈活的時序控製器支持針對目標應用定製上電和關斷時序。
這款PMIC提供的幾種VOUT/時序控製器選項(由完整產品型號定義)bufuheyingyongyaoqiu。weiletigaolinghuoxing,keyishiyongdigonghaoweikongzhiqizuoweitidaijiejuefangan。gaiqijiankeyizaishangdianshihuanxing,duiqijianjicunqijinxingbiancheng,ranhouxiumianyijieshengdianli。
要求高集成度的中等規模應用需要采用現成器件的簡單解決方案,並根據需求定製操作。
硬ying件jian設she計ji人ren員yuan一yi直zhi希xi望wang能neng夠gou擁yong有you可ke以yi自zi動dong生sheng成cheng固gu件jian代dai碼ma的de工gong具ju,讓rang他ta們men可ke以yi在zai前qian期qi開kai發fa時shi避bi免mian涉she及ji軟ruan件jian資zi源yuan,同tong時shi還hai能neng優you化hua資zi源yuan的de使shi用yong。
MAX28200
MAX28200是一款低功耗、小尺寸(1.7 mm × 1.8 mm)RISC微控製器,帶有多種外設。對於此應用,我們使用兩個GPIO引腳作為位觸發I2C主機。
電源電壓最高為3.6 V,因此如果輸入電壓超過3.6 V,則使用始終開啟的LDO穩壓器為微控製器供電。該器件可以通過I2C節點接口進行編程。
MAX77714
MAX77714(圖1)是一款高度集成的PMIC,包含四個降壓轉換器、九個LDO穩壓器、八個GPIO、一個RTC和一個靈活的電源時序控製器(FPS)。降壓轉換器和LDO穩壓器按照默認時序和電壓上電,並遵循電壓軌規範。用戶可以通過I2C嵌入式接口進行修改。然而,在大多數情況下,我們需確保默認時序和電壓與連接到PMIC的器件的要求相匹配;如果電壓超過其最大額定值,器件可能會損壞。
上電和關斷時序也很重要,因為現場可編程門陣列(FPGA)等器件為了正常運行,需要按照正確的時序使能和禁用電壓。圖2為默認上電時序。共有八個時隙,電壓可以在任意一個時隙中使能。該器件可以由高達5.5 V的電壓供電。

圖1.MAX77714簡化功能框圖。

圖2.MAX77714EWC+默認上電時序。
器件接口
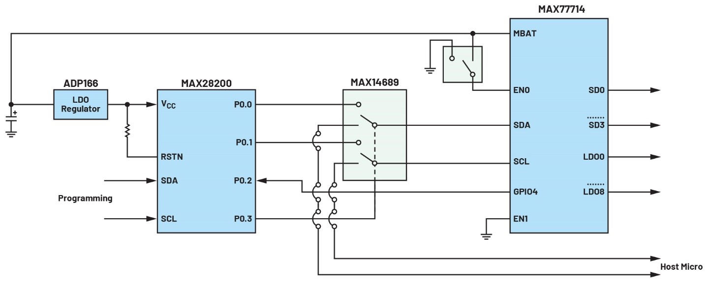
P0.0和P0.1用於生成針對PMIC的I2C事務;P0.2負責監控GPIO4的狀態;P0.3利用SPDT開關選擇I2C主機(MAX28200或主機微控製器)。模擬開關是選配項,僅在主機微控製器需在上電後控製PMIC時才需要配置(見圖3)。

圖3.MAX28200和MAX77714與MAX14689和ADP166連接。
上電複位(POR)如圖4所示:
1. P0.3置為低電平,選擇該器件作為PMIC的I2C主機。
2. 寫入以下所需的數據寄存器。
3. P0.3置為高電平,選擇主機微控製器作為I2C主機,該器件進入休眠模式。
4. P0.2連接到GPIO4,用於在關斷時喚醒器件並對寄存器重新編程。
請注意,在配置結束時,必須將GPIO4置為高電平。
一旦使用EN0和EN1信號使能PMIC,它就會以新的時序/電壓配置上電。

圖4.MAX28200程序流程。
MAX77714上電和關斷時序由此處提供的MAX77714 GUI定義。
使用“GUI導入/導出”選項卡,可以將寄存器值導出為Excel文件。
在展示如何使用GUI EVKIT之前,我們需要先知道哪些寄存器對於定製啟動很重要。
MAX77714寄存器詳細信息
降壓轉換器
每個降壓轉換器實例都有三個相關寄存器(SDx_CNFG1、SDx_CNFG2和SDx_CNFG3),用於定義啟動電壓、斜坡速率和工作模式。
CNFG1用於設置輸出電壓,7位至8位位域如下:
VSD0 = 0.26 V + ((SD0VOUT[6:0] - 1) × 10 mV) 範圍為0.26 V到1.56 V
VSD1 = 0.26 V + ((SD1VOUT[6:0] - 1) × 10 mV) 範圍為0.26 V到1.56 V
VSD2 = 0.6 V + (SD2VOUT[7:0] × 6.25 mV) 範圍為0.6 V到2.194 V
VSD3 = 0.6 V + (SD3VOUT[7:0] × 12.5 mV) 範圍為0.6 V到3.7875 V
CNFG2和CNFG3寄存器用於選擇斜坡速率(2.5 mV/μs或10 mV/μs)、使能/禁用主動放電、使能/禁用跳頻模式、選擇響應時間和過壓閾值。
LDO電壓調節器
每個LDO穩壓器實例都有兩個相關寄存器(LDO_CNFG1_Lx和LDO_CNFG2_Lx)。
CNFG1設置輸出電壓:
LDO0和LDO1為0.8 V至2.375 V。
VLDO = 0.8 V + (VOUT_LDO[5:0] × 25 mV)
LDO2、LDO3、LDO5、LDO6、LDO7、LDO8為0.8 V至3.95 V
VLDO = 0.8 V + (VOUT_LDO[5:0] × 50 mV)
LDO4為0.4 V至1.275 V
VLDO = 0.4 V + (VOUT_LDO[5:0] × 12.5 mV)
CNFG2用於使能/禁用過壓箝位、使能/禁用自動低功耗模式、使能/禁用主動放電、選擇快速/慢速啟動。
GPIO
每個GPIO實例都有一個相關寄存器CNFG_GPIOx,該器件負責選擇方向GPO/GPI、輸出類型(開漏/推挽)和輸出驅動電平(若為GPO),以及輸入驅動電平、中斷行為和去抖動配置(若為GPI)。
FPS
時序由xxxFPS寄存器定義,LDO0FPS至LDO8FPS用於線性穩壓器,SD0FPS至SD3FPS用於降壓轉換器,GPIO0FPS、GPIO1FPS、GPIO2FPS、GPIO7FPS用於GPIO,RSTIOFPS用於複位。
FPS[2:0]用於設置關斷時隙(SLOT0至SLOT7)
FPS[5:3]用於設置上電時隙(SLOT0至SLOT7)
FPS[7:6]用於設置分配的時序控製器(FPS0、FPS1)
FPS0由EN0使能,FPS1由EN1使能
上電和關斷時隙的大小可以利用MSTR_PU_PD寄存器指定:
MSTR_PU_PD[2:0]用於指定關斷時隙,MSTR_PU_PD[6:4]用於指定上電時隙
可能的步長為:31 μs、63 μs、127 μs、253 μs、508 μs、984 μs、1936 μs、3904 μs,MAX77714EWC+的默認值為3904 μs。
GUI實際應用
在圖5中,已利用GUI將SD0的輸出電壓修改為0.7 V。

圖5.用於修改SD0電壓的GUI。
SD0上電和關斷時序已修改為時隙2(圖6)。

圖6.用於修改SDO時隙號的GUI。
GPIO4已配置為推挽輸出,驅動電平為高電平(圖7)。

圖7.用於配置GPIO4的GUI。
最後,使用“導入/導出”選項卡將修改後的寄存器值導出為Excel文件(圖8)。

圖8.用於導出寄存器值的GUI。
以下是生成的.csv文件(圖9)。

圖9.MAX77714 .csv文件的格式。
請注意,如果必須在上電期間對連接到I2C的其他器件進行編程,用戶可以使用相同格式將其他命令附加到.csv文件。
從.csv文件創建I2C主機固件
您可以點擊此處獲取MAX28200 GUI,按照以下步驟可對器件進行編程:
1. 從.csv文件構建.hex文件(圖10)。
2. 對器件進行編程(圖11和圖12)。

圖10.從原始.csv文件構建.hex文件。

圖11.使用選定腳本對器件進行編程。

圖12.使用數據模式對器件進行編程。
對建議解決方案進行測試
一旦在上電時使用MAX77714.hex進行編程,P0.3就會置為低電平,以將MAX77714 I2C線連接到MAX28200,並使用新值對SD0和GPIO4寄存器進行編程(圖13)。

圖13.MAX77714 SD0和GPIO4寄存器已用新值進行編程。
現在,當MAX77714使能時,EN0置為高電平,SD0將按照編程設定,以0.7 V在時隙2上電。圖14為寄存器寫入之前上電(a)和寄存器寫入之後上電(b)的情況。

圖14.SDO在寄存器寫入之前和之後上電。(a)寄存器寫入之前上電。(b)寄存器寫入之後上電。
結論
MAX28200是一款頗具吸引力的微控製器解決方案,能夠為PMIC提(ti)供(gong)上(shang)電(dian)設(she)置(zhi)。此(ci)過(guo)程(cheng)可(ke)以(yi)使(shi)用(yong)工(gong)具(ju)來(lai)自(zi)動(dong)執(zhi)行(xing),無(wu)需(xu)設(she)計(ji)人(ren)員(yuan)編(bian)寫(xie)任(ren)何(he)代(dai)碼(ma)。對(dui)於(yu)不(bu)熟(shu)悉(xi)軟(ruan)件(jian)的(de)硬(ying)件(jian)設(she)計(ji)人(ren)員(yuan)來(lai)說(shuo),這(zhe)是(shi)一(yi)個(ge)非(fei)常(chang)方(fang)便(bian)的(de)解(jie)決(jue)方(fang)案(an)。微(wei)控(kong)製(zhi)器(qi)就(jiu)像(xiang)黑(hei)匣(xia)子(zi)一(yi)樣(yang),工(gong)作(zuo)時(shi)無(wu)需(xu)固(gu)件(jian)設(she)計(ji)人(ren)員(yuan)參(can)與(yu)。設(she)計(ji)人(ren)員(yuan)可(ke)以(yi)使(shi)用(yong)針(zhen)對(dui)特(te)定(ding)應(ying)用(yong)定(ding)製(zhi)的(de)現(xian)成(cheng)器(qi)件(jian)來(lai)達(da)到(dao)集(ji)成(cheng)目(mu)標(biao)。
(作者:Franco Contadini,主管工程師)
免責聲明:本文為轉載文章,轉載此文目的在於傳遞更多信息,版權歸原作者所有。本文所用視頻、圖片、文字如涉及作品版權問題,請聯係小編進行處理。
推薦閱讀:
- 噪聲中提取真值!瑞盟科技推出MSA2240電流檢測芯片賦能多元高端測量場景
- 10MHz高頻運行!氮矽科技發布集成驅動GaN芯片,助力電源能效再攀新高
- 失真度僅0.002%!力芯微推出超低內阻、超低失真4PST模擬開關
- 一“芯”雙電!聖邦微電子發布雙輸出電源芯片,簡化AFE與音頻設計
- 一機適配萬端:金升陽推出1200W可編程電源,賦能高端裝備製造
- 具身智能成最大亮點!CITE 2026開幕峰會釋放產業強信號
- 助力醫療器械產業高質量發展 派克漢尼汾閃耀2026 ICMD
- 比異步時鍾更隱蔽的“芯片殺手”——跨複位域(RDC)問題
- 數據之外:液冷技術背後的連接器創新
- “眼在手上”的嵌入式實踐:基於ROS2與RK3576的機械臂跟隨抓取方案
- 車規與基於V2X的車輛協同主動避撞技術展望
- 數字隔離助力新能源汽車安全隔離的新挑戰
- 汽車模塊拋負載的解決方案
- 車用連接器的安全創新應用
- Melexis Actuators Business Unit
- Position / Current Sensors - Triaxis Hall





