新型多路LED驅動電源關鍵技術研究
發布時間:2017-05-03 責任編輯:wenwei
【導讀】LED 燈作為一種新型節能和無汙染光源,由於其特有的發光照明特性,在現代照明應用中發揮著革命性的作用。作為LED 照明產業鏈中最為核心的部件之一,LED 驅動電源的驅動控製技術所存在的可靠性低、成本高等典型問題一直製約著LED 照明的發展。對於多路LED 驅動電源技術的開發與可靠性研究是當前業界的一個重要課題。
1、LED 驅動現狀分析
國內外通用LED 照明的一個顯著特點是,光源通常由數量較大的多顆LED 芯片構成,LED自身的特性決定了LED適合恒流驅動,這一點已得到國內外專家學者的共識。LED驅動方式主要是單路恒壓輸出(光源內置恒流源)、單路恒流輸出、單路恒壓源配置多路DC/ DC 恒流輸出等方案。
1.1 單輸出恒流驅動
將LED光源作為單組負載由單輸出電源進行驅動是最簡單的LED驅動控製方式。構成LED 光源的多顆LED 有多種連接方式。下圖1所示的是所有的LED負載串聯的連接方式,單輸出電源為恒流源特性驅動LED 燈。由於光源串聯,因此不存在均流問題,但當LED串(chuan)聯(lian)數(shu)量(liang)較(jiao)大(da)時(shi),光(guang)源(yuan)電(dian)壓(ya)將(jiang)增(zeng)高(gao),過(guo)高(gao)的(de)光(guang)源(yuan)電(dian)壓(ya)要(yao)求(qiu)燈(deng)具(ju)整(zheng)體(ti)符(fu)合(he)安(an)全(quan)標(biao)準(zhun)的(de)絕(jue)緣(yuan)成(cheng)本(ben)增(zeng)高(gao),燈(deng)具(ju)散(san)熱(re)器(qi)和(he)絕(jue)緣(yuan)要(yao)求(qiu)越(yue)高(gao),熱(re)阻(zu)也(ye)越(yue)大(da),散(san)熱(re)效(xiao)果(guo)變(bian)差(cha)對(dui)LED 燈壽命會產生影響。

作為改進,如下圖2所示的LED燈為網格狀排列結構,這種結構可避免光源的電壓過高,當並聯LED數量較大時,單顆燈開路,對整個LED燈的影響較小,但這種單顆LED直接並聯的方式,LED的電流均衡性差,造成LED光源可靠性降低;同時其中一個LED 短路,與之並聯的LED 都將熄滅。

如下圖3 所示的結構,LED串聯後再相互並聯,在沒有LED失效的情況下,該結構均流特性好於圖2所示的網格狀結構,但如果部分LED發生短路故障時,會造成多串LED 間嚴重的電流不均衡。

以上分析可見,單輸出恒流驅動,應用中有一定的局限性,尤其是LED 光源並聯的聯接方式對光源的使用壽命和可靠性將產生較大影響。
1.2 多輸出恒流驅動
如下圖4 所示的電路結構,每組LED fuzaiyoudulihengliuyuantexingdequdongkongzhifangshishiyizhongjiaolixiangdefangan,zheyifangmianjiejueleduolushuchujiandedianliubujunhengwenti,lingyifangmianyekefuleqianshudanshuchuhengliuqudongdequedian,dangaifangandequdongxiaolvxiangduijiaodi。

目前較普遍采用的LED 多路驅動方案如下圖5所示,在單輸出恒壓源的輸出端口,配置若幹級非隔離DC/ DC 變換器,每路LED負載由單獨的DC/DC變換器實現恒流驅動控製。該方案存在的缺點是,DC/ DC 變換器電路較為複雜,成本相對偏高,可靠性偏低;每增加一級DC/ DC 變換器,驅動效率相應降低,且易伴生電磁幹擾(EMI);不同類型光源的每路LED 負載的電壓、電流及功率存在差異,通用DC/ DC 變換器的設計很難標準化,給產業化帶來很大不便。

2、新型多路LED 驅動電源關鍵技術研究
研究認為,LED 在利用電容實現多路恒流驅動的情況下,同時參與電路諧振,改變變換器特性,更容易實現LED 整體的穩定性和可靠性,同時在成本上可以得到大幅度的降低。提出三種新技術方案:
2.1 兩級變換實現LED 多路驅動
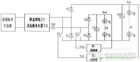
如下圖6 所示主電路采用了兩級變換實現對LED的多路驅動,電路包含高頻脈衝交流源、阻抗網絡Z1 和高頻變壓器T0、高頻諧振電容Cb1、雙路整流濾波電路和LED 負載。阻抗網絡Z1 的輸入為高頻脈衝交流源,輸出接高頻變壓器T0原邊,變壓器副邊的一端串聯諧振電容Cb1,另一端並聯兩路整流濾波電路;二極管D1、D4 和二極管D2、D3 分別組成的兩個獨立的半波整流電路,以及濾波電容Co1、Co2 相應組成兩路整流濾波電路;濾波電容Co1 和Co2 分別並聯在兩路LED 負載兩端,兩路獨立的半波整流電路分別給兩路LED 負載提供電源。諧振電容Cb1 一方麵與阻抗網絡Z1 組成了高頻諧振網絡,參與主電路諧振,另一方麵,當兩路LED 負載出現壓降不平衡時,還可通過Cb1 來平衡兩路LED 的壓差,使兩路LED 負載工作電流平均值相等。

如下圖7 所示電路為高頻諧振網絡的實現方式。阻抗網絡包括諧振電感Lr、Lm 和高頻變壓器原邊諧振電容C0,諧振電感Lm 與高頻變壓器T0 原邊並聯,該並聯環節與諧振電感Lr 和諧振電容C0 串聯,Cb1 為變壓器副邊諧振電容。諧振電感Lr 和Lm 可以是外置的獨立電感,Lr 也可以是高頻變壓器T0 的漏電感,而Lm 則也可以是T0 的勵磁電感。由於諧振電容Cb1 參與主電路的諧振變換,改變了增益曲線,其等效折算到變壓器原邊的取值和原邊諧振電容C0 可比,加快了變換器的響應速度,避免由於大容量電容引起在起機等動態條件下輸出過衝。

2.2 新型正反激電路實現LED 多路驅動
前述技術方案中,高頻脈衝交流源必須是正負對稱的方波電壓脈衝,以保證諧振電容Cb1 zailianglufuzaibupinghengshiqidaojiaohaodejunliuzuoyong,zheyangyaoqiuqianjidianlubixushishuangkaiguanguandeqiaoshidianlu。zuoweijishudejinyibutupo,kaifaleyizhongxinxingdezhengfanjidianluduolushuchuqudongtuopu,rutu8 所示,變壓器原邊采用了單開關管S1,在變壓器副邊的一個整流回路中串聯高頻電感L1。當原邊開關管S1 導通時,變壓器Ta1 儲能,副邊通過電容Cb1,二極管D3,電感L1,負載A1,二極管D2 構成電流回路,變壓器工作在正激狀態;當原邊開關管S1 關斷時,變壓器Ta1 釋放能量,副邊通過二極管D1,負載A2,二極管D4,電容Cb1 構成另一個電流回路,變壓器工作在反激狀態。在正激回路中,諧振電容Cb1、高頻電感L1 諧振,從而使得二極管D2、D3 工作在零電流開關狀態,減小二極管的反向恢複損耗,提高效率。當兩路負載出現壓降不平衡時,電容Cb1 仍然能起到平衡負載電流的作用。

2.3 PFC 電路備份
在中大功率應用場合,作為前級有源PFC 電路,BOOST升壓電路是最常用的拓撲。
由於PFC 電路通過整流電路直接與電網相連,因此電網裏的浪湧或是雷擊等因素容易造成PFC 電路故障。當PFC 電路故障時,容易造成後級負載不能正常工作,可分為以下兩種情況:第一種情況,後級負載因PFC 電路的故障而斷電造成不能工作;第二種情況,雖PFC 電路故障但仍能提供電流通路時,由於PFC 電dian路lu故gu障zhang使shi得de其qi輸shu出chu電dian壓ya不bu再zai穩wen定ding,而er是shi跟gen隨sui電dian網wang的de波bo動dong而er變bian化hua,造zao成cheng負fu載zai上shang的de電dian壓ya紋wen波bo過guo大da,造zao成cheng負fu載zai的de工gong作zuo性xing能neng差cha,比bi如ru效xiao率lv降jiang低di。
如何保證PFC 電路損壞後,還能保證後級電路正常工作,是該技術解決的主要問題。如下圖9,在PFC電路的輸出串聯一個PFC備份電路,當PFC電路正常工作時,PFC 電路用來實現功率因數校正功能,PFC 備份電路僅用於提供電流通路;當PFC 電路故障時,PFC 電路僅用於提供電流通路,PFC 備份電路用來穩定輸出電壓。這樣PFC 電路和PFC 備份電路可以有條件地交替工作,保證驅動係統的可靠性。

3、關鍵技術創新點
從LED 照明的可靠性及成本來看,多路驅動的模塊化LED 燈具將成為未來LED 照明的趨勢。目前國內外各研究機構和生產企業進行多路LED驅動電源技術開發,主要是基於新型正反激組合變換器LED 驅qu動dong電dian源yuan研yan究jiu,采cai用yong電dian壓ya型xing變bian頻pin控kong製zhi,三san級ji變bian換huan器qi電dian路lu均jun工gong作zuo在zai臨lin界jie模mo式shi,此ci技ji術shu可ke以yi提ti高gao驅qu動dong電dian源yuan的de可ke靠kao性xing,但dan是shi電dian路lu複fu雜za,成cheng本ben較jiao高gao。本ben研yan究jiu項xiang目mu關guan鍵jian技ji術shu主zhu要yao創chuang新xin點dian在zai於yu:
(1)突破傳統三級變換實現LED 的多路驅動思路,采用兩級變換實現對LED 的多路驅動。利用諧振電容參與主電路的諧振變換特性,改善了變換器的動態響應速度,減小變換器起機等動態條件下對LED 負(fu)載(zai)的(de)衝(chong)擊(ji)電(dian)流(liu),提(ti)高(gao)驅(qu)動(dong)的(de)可(ke)靠(kao)性(xing)。同(tong)時(shi)利(li)用(yong)諧(xie)振(zhen)電(dian)容(rong)實(shi)現(xian)對(dui)多(duo)路(lu)輸(shu)出(chu)負(fu)載(zai)電(dian)流(liu)的(de)均(jun)衡(heng),實(shi)現(xian)了(le)多(duo)路(lu)輸(shu)出(chu)間(jian)高(gao)精(jing)度(du)的(de)均(jun)流(liu)特(te)性(xing),具(ju)有(you)成(cheng)本(ben)低(di)、體積小、xiaolvgaodengtedian。xinxingdedianlutuopu,jiejueleduoluqudongdianlukailujiduanlubaohuwenti,renheyilusunhuaibaozhengqitalushuchuzhengchang,zuidaxiandubaozhengledianludekekaoxing。tongshibaohudianluduiLED 負載沒有任何衝擊電流,進一步提高電路的可靠性,降低成本。
(2)tichuxinxingdedankaiguanzhengfanjiduolushuchudianlu,zhudianluyuanbianzhiyouyigekaiguanguanjikeyishixianbianyaqifubianduolushuchudejunliukongzhi,jinyibujiangdiledianluchengben;由於主變壓器實現雙向利用,減小變壓器體積,提高效率;fubiandejunliudianrongbujinshixianleduolushuchudejunliukongzhi,tongshihejunliudianganxingchengxiezhenhuilu,congershixianfubianzhengliuerjiguandelingdianliukaiguanzhuangtai,jiangdierjiguanfanxianghuifusunhao,jianshaodianciganrao,jinyibutigaoxiaolv。
(3)提出PFC 電路的備份思路,前級PFC 電路做了PFC 備份電路,有效解決了現有技術中當PFC 電路故障時易造成後繼電路不能正常工作的問題,且保證了後級負載的工作性能不會受PFC電路故障的影響,進一步保證驅動係統的可靠性。
4、結語
本文研究的多路LED 驅動電源關鍵技術,采用兩級變換實現LED 多路驅動,通過單開關正反激多路輸出電路,隻用一個開關管實現多輸出均流,采用PFC 電路備份,已完成專利申請,產品主要技術指標:1.多路輸出效率:>0. 92(室溫下);2.多路輸出均流度:≤5%(室溫下);3.功率因數:>0. 98(室溫下,在輸入電壓為110Vac 時) 4.防水等級:IP67; 5.環境溫度:-30 ~70℃。
本文轉載自電源研發精英圈公眾號。
推薦閱讀:
特別推薦
- 噪聲中提取真值!瑞盟科技推出MSA2240電流檢測芯片賦能多元高端測量場景
- 10MHz高頻運行!氮矽科技發布集成驅動GaN芯片,助力電源能效再攀新高
- 失真度僅0.002%!力芯微推出超低內阻、超低失真4PST模擬開關
- 一“芯”雙電!聖邦微電子發布雙輸出電源芯片,簡化AFE與音頻設計
- 一機適配萬端:金升陽推出1200W可編程電源,賦能高端裝備製造
技術文章更多>>
- 算力爆發遇上電源革新,大聯大世平集團攜手晶豐明源線上研討會解鎖應用落地
- 築基AI4S:摩爾線程全功能GPU加速中國生命科學自主生態
- 一秒檢測,成本降至萬分之一,光引科技把幾十萬的台式光譜儀“搬”到了手腕上
- AI服務器電源機櫃Power Rack HVDC MW級測試方案
- 突破工藝邊界,奎芯科技LPDDR5X IP矽驗證通過,速率達9600Mbps
技術白皮書下載更多>>
- 車規與基於V2X的車輛協同主動避撞技術展望
- 數字隔離助力新能源汽車安全隔離的新挑戰
- 汽車模塊拋負載的解決方案
- 車用連接器的安全創新應用
- Melexis Actuators Business Unit
- Position / Current Sensors - Triaxis Hall
熱門搜索
微波功率管
微波開關
微波連接器
微波器件
微波三極管
微波振蕩器
微電機
微調電容
微動開關
微蜂窩
位置傳感器
溫度保險絲
溫度傳感器
溫控開關
溫控可控矽
聞泰
穩壓電源
穩壓二極管
穩壓管
無焊端子
無線充電
無線監控
無源濾波器
五金工具
物聯網
顯示模塊
顯微鏡結構
線圈
線繞電位器
線繞電阻



