CAN總線抗幹擾的6條“軍規”
發布時間:2017-05-03 責任編輯:susan
【導讀】隨著CAN總線在電動汽車、充電樁、電力電子、軌道交通等電磁環境比較惡劣的場合應用越來越多,信號幹擾的問題已經嚴重影響到使用者對CAN總線的信任。究竟如何才能抗幹擾?
在汽油車時代,CAN總線遇到的幹擾少之又少,即使有一些繼電器和電磁閥的脈衝, 也不會有很大影響,稍微進行雙絞處理,完全可以實現零錯誤幀。
可是到了電動汽車年代,逆變器、電動機、充電機等大功率設備對CAN的影響足以中斷通訊,或者損壞CAN節點,如圖1圖2所示,就是被逆變器幹擾的CAN波形。
麵對幹擾,各個汽車廠、零部件廠,測試診斷設備的廠商都紛紛研究抗幹擾之“妙方”,以保證CAN穩定運行。本文就以廣州致遠電子有限公司15年的CAN現場故障排查經驗,介紹抗幹擾6條“軍規”。
1.CAN接口增加隔離與保護
幹擾不但影響信號,更嚴重的會導致板子死機或者燒毀,所以接口和電源的隔離是抗幹擾的第一條“軍規”.隔離的主要目的是:避免地回流燒毀電路板和限製幹擾的幅度,保護控製器不死機。如圖3所示,為未隔離時,兩個節點的地電位不一致,導致有回流電流,產生共模信號,CAN的抗共模幹擾能力是-12~7V,超過這個差值則出現錯誤,如果共模差超過±36V,燒毀收發器或者電路板。

圖3.未隔離時的地回流
而增加CTM1051KAT隔離模塊後,如圖4和圖5所示。隔絕了地回流,限製了幹擾幅度。

圖4.CTM1051KAT隔離模塊

圖5.隔離地回流
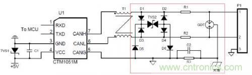
增加隔離後,是否萬事大吉了?肯定不是,隔離隻是阻擋,如果幹擾強度很高,比如達到2KV浪湧,隔離也會被破壞。所以要想達到更高的防護等級,必須增加防浪湧電路。如圖6所示,為致遠電子高速總線標準防浪湧保護電路。

圖6.信號保護電路
此保護電路可達4KV浪湧而不損壞,不過注意如果要通過2500VDC耐壓測試時,需要將GDT和R3拆除,防止高壓擊穿導致測試不通過。
2. CAN線提高雙絞程度
CAN總線為了提高抗幹擾能力,采用CANH和CANL差分傳輸,達到效果就是遇到幹擾後,可以“同上同下”,最後CANH-CANL的差分值保持不變。如圖7所示。

圖7.差分抗幹擾示意圖
可是,這種抗幹擾能力,必須的條件是,CANH和CANL要很緊密地靠在一起,否則受到的幹擾強度就不一樣,就會導致差分信號受到幹擾。所以CANH和CANL要緊密地絞在一起,通常雙絞線隻有33絞/米,而在強幹擾場合,雙絞程度要超過55絞/米才能達到較好的抗幹擾效果。另外線纜的芯截麵積要大於0.35~0.5 mm2 ,CAN_H對CAN_L的線間電容小於75 pF/m,如果采用屏蔽雙絞線,CAN_H (或CAN_L) 對屏蔽層的電容小於110 pF/m。可以更好地降低線纜阻抗,從而降低幹擾時抖動電壓的幅度。

圖8.雙絞線
3. CAN線保證屏蔽效果與正確接地
帶屏蔽層的CAN線,可以良好地抵禦電場的幹擾,等於整個屏蔽層是一個等勢體,避免CAN導線受到幹擾。如圖9所示,為一個標準的屏蔽雙絞線,CANH和CANL通過鋁箔和無氧銅絲屏蔽網包裹,如圖9所示。需要注意的是和與接插件的連接,在連接部分允許有短於25 mm 的電纜不用雙絞。

圖9.屏蔽雙絞線
較好的CAN屏蔽線帶有2層屏蔽層,稱為雙層屏蔽線,其中內層的CAN_GND是與CAN收發器的地連接,外層的Shield是與外殼大地相連。內層可以平衡信號的地電位,抑製共模幹擾,減少錯誤幀,但強幹擾時收發器損壞率會提高;外層可以泄放電荷到大地,如圖10所示。

圖10.雙層屏蔽線
使(shi)用(yong)屏(ping)蔽(bi)線(xian)後(hou),在(zai)屏(ping)蔽(bi)層(ceng)沒(mei)有(you)良(liang)好(hao)接(jie)大(da)地(di)前(qian),屏(ping)蔽(bi)線(xian)是(shi)不(bu)起(qi)作(zuo)用(yong)的(de)。所(suo)以(yi)我(wo)們(men)要(yao)選(xuan)擇(ze)一(yi)種(zhong)接(jie)地(di)方(fang)式(shi)。通(tong)常(chang)來(lai)說(shuo),屏(ping)蔽(bi)層(ceng)單(dan)點(dian)接(jie)地(di)可(ke)以(yi)避(bi)免(mian)地(di)回(hui)流(liu)(不同位置的地電位不同而導致的產生電流)、多點接地可以加快高頻幹擾信號的泄放。所以要根據實際情況選擇合適的接地方式。如圖11所示。

圖11.屏蔽層接地方法
在CANdeyingyongchanghe,youyujuliyibandoujiaoyuan,suoyidabufencaiyongpingbicengdandianjiedideyuanze,zaiganxianshangzhaoyidianjiangpingbicengyongdaoxianzhijiejiedi,gaidianyingshisuoshouganraozuixiaodedian,tongshigaidianweiyuwangluozhongxinfujin。
4. CAN線遠離幹擾源
遠離幹擾源是最簡單的抗幹擾方法,如果CAN線與強電幹擾源遠離0.5米,幹擾就基本影響不到了。可是在實際布線中,經常遇到空間太小而不得不和強電混在一起,如圖12所示,為某新能源汽車的驅動係統,CAN線與驅動線混在一起,結果導致幹擾很大。隻要與CAN並行的驅動線,具備2A/秒的電流變化,就會耦合出強磁場而導致CAN線上出現幹擾脈衝。所以CAN線必須要和電流會劇烈變化的線纜遠離。比如繼電器、電磁閥、逆變器、電機驅動線等。

圖12.布線亂問題
而解決這個問題,隻能盡量保證強電與弱電分開捆紮,距離上盡量遠離。實在避不開,也要垂直交叉,也不能平行布線。
5. 增加磁環或者共模電感
使用抗幹擾的磁環,目的就是削弱特定頻率的幹擾的影響。如圖13所示,為增加磁環的效果。CAN差分線纜可以兩線一起加,或者單端單獨加。

圖13.增加磁環
磁環的效果可以大大削減特定頻率的幹擾強度,在增加磁環前,需要用CANScope或者示波器FFT快速傅裏葉變化功能,測試出最高幹擾的頻率,然後向磁環廠家定製對應頻率的磁環。如圖14所示。為增加磁環前和增加磁環後的FFT的結果。可以看出幹擾強度明顯減小。

圖14.增加磁環後的效果
需要注意的是增加磁環或者共模電感時,不可隨意添加,如果適應頻率不對,則會影響正常信號通訊。
6. CAN轉為光纖傳輸
抗幹擾的終極手段就是把CAN轉化為光纖傳輸,光纖是一種無法被電磁幹擾的傳輸介質。如果前5種抗幹擾手段均無法解決幹擾問題,可以把CAN轉化為光纖,實現“無懈可擊”。如圖15所示。為使用致遠電子的CANHub-AF1S1和CANHub-AF2S2組合的光纖主幹網絡。

圖15.使用光纖轉換器實現光纖主幹傳輸
特別推薦
- 噪聲中提取真值!瑞盟科技推出MSA2240電流檢測芯片賦能多元高端測量場景
- 10MHz高頻運行!氮矽科技發布集成驅動GaN芯片,助力電源能效再攀新高
- 失真度僅0.002%!力芯微推出超低內阻、超低失真4PST模擬開關
- 一“芯”雙電!聖邦微電子發布雙輸出電源芯片,簡化AFE與音頻設計
- 一機適配萬端:金升陽推出1200W可編程電源,賦能高端裝備製造
技術文章更多>>
- 算力爆發遇上電源革新,大聯大世平集團攜手晶豐明源線上研討會解鎖應用落地
- 築基AI4S:摩爾線程全功能GPU加速中國生命科學自主生態
- 一秒檢測,成本降至萬分之一,光引科技把幾十萬的台式光譜儀“搬”到了手腕上
- AI服務器電源機櫃Power Rack HVDC MW級測試方案
- 突破工藝邊界,奎芯科技LPDDR5X IP矽驗證通過,速率達9600Mbps
技術白皮書下載更多>>
- 車規與基於V2X的車輛協同主動避撞技術展望
- 數字隔離助力新能源汽車安全隔離的新挑戰
- 汽車模塊拋負載的解決方案
- 車用連接器的安全創新應用
- Melexis Actuators Business Unit
- Position / Current Sensors - Triaxis Hall
熱門搜索




