西藏地區的福音:太陽能多功能移動電源箱的設計
發布時間:2014-11-28 責任編輯:echolady
【導讀】眼yan下xia,太tai陽yang能neng的de作zuo用yong越yue來lai越yue重zhong要yao,關guan於yu太tai陽yang能neng的de設she計ji和he應ying用yong也ye非fei常chang廣guang泛fan。從cong保bao護hu環huan境jing的de角jiao度du出chu發fa,結jie合he西xi藏zang居ju民min華hua寧ning和he生sheng活huo習xi慣guan二er設she計ji了le一yi款kuan環huan保bao可ke靠kao的de太tai陽yang能neng多duo功gong能neng移yi動dong電dian源yuan箱xiang,解jie決jue了le當dang地di居ju民min用yong電dian困kun難nan的de窘jiong境jing。
1 方案設計
太陽能是天然可再生能源。它資源豐富,既可無限製的免費使用,又無需運輸,對環境無任何汙染。目前 雪域高原是我國汙染最輕、環huan境jing保bao護hu最zui好hao的de地di區qu,西xi藏zang作zuo為wei我wo國guo乃nai至zhi亞ya洲zhou重zhong要yao的de生sheng態tai安an全quan屏ping障zhang,生sheng態tai環huan境jing的de保bao障zhang至zhi關guan重zhong要yao。本ben設she計ji基ji於yu西xi藏zang地di區qu豐feng富fu的de太tai陽yang能neng資zi源yuan和he zangqurenmendeshenghuoxianzhuangdedekaolv,liyongtaiyangnenggongdianbingjieherenmenrichangshenghuosuoxuersheji。jifuhehuanbaoyaoqiuyoufangbianxiedai,jiejuelexizangdiqurenminjibenderichangyongdianxuyao,kezuoweilv 色環保產品推廣,具有一定的市場價值。
2 硬件電路設計
2.1 硬件框圖結構設計
本文整體設計硬件框圖結構如圖1所示,電源箱有太陽光和常規市電兩路能量來源。當蓄電池饋電時,在 陽光充足的情況下首先利用太陽能充電,其次通過220 V電dian源yuan給gei蓄xu電dian池chi充chong電dian。兩liang種zhong輸shu入ru方fang式shi相xiang結jie合he,方fang便bian而er且qie環huan保bao。將jiang兩liang種zhong輸shu入ru能neng量liang通tong過guo濾lv波bo穩wen壓ya電dian路lu,然ran後hou給gei蓄xu電dian池chi進jin行xing充chong電dian。其qi中zhong的de過guo充chong過guo放fang保bao護hu電dian路lu主zhu要yao是shi利li用yong繼ji電dian 器電路模塊檢測蓄電池的電量;當過充的時候斷開充電主回路;當蓄電池電壓降到一定範圍的時候接通充電回路;當檢測到過放的時候斷開用電器電路,防止過充過 放,起到對蓄電池保護的作用,整個電路都是由蓄電池供電。該係統有多路輸出端口,既可供LED 照明和為手機、MP3、收音機等多種數碼產品充電還可輸出220 V交流電壓供小功率家用電器工作。

圖1:電路整體結構
2.2 市電供電模塊
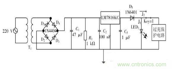
本設計所有電路均基於Multisim仿真軟件的應用。圖2 為市電充電模塊電路,當電源接通後紅色指示燈LED1 點亮,否則熄滅。此電路通過變壓器和電橋電路將220 V 市電轉為28.4 V 直流電壓,再經過RC 振蕩電路進行濾波穩壓後送入LM7815三端穩壓模塊,輸出穩定的直流15 V 電壓,然後通過過衝保護電路給蓄電池充電。開關Key1為供電模式手動選擇開關,當開關J1連接時為選擇市電充電,則紅色LED1 亮。開關J2 連接時為選擇太陽能充電,則紅色LED2亮,如1、2所示。

圖2:市電供電模塊
2.3 太陽能供電模塊
在圖3所示的太陽能供電模塊電路中。當Key1接J2時,選擇太陽能係統供電,此時紅色LED2點亮。電路首先通過整流二極管1N5404整流,然後經RC濾波電路濾波,最後通過穩壓二極管1N47744 將電壓穩定為直流15 V,再通過過充保護電路為蓄電池充電。其中1N5404矽整流二極管,其最大反向峰值電壓為400 V,最大半波整流電流為3 A。穩壓二極管1N4744最大功耗為1 mW,穩定電壓為15 V,最大電流是57 mA。

圖3:太陽能供電模塊
2.4 過充過放電路
如圖所示為過充過放保護電路,本設計主要基於三端可調分流基準源TL431和繼電器的應用,實現對鉛蓄電池充放電保護。如圖4所示,為過充保護電路,供電模塊通過繼電器為蓄電池充電,當電路檢測到蓄電池電壓大於13 V 時,綠色LED4 亮,繼電器將開關向下吸合,斷開充電回路,實現過充保護。

圖4:過充保護電路圖
如圖5所示,為過放保護電路,蓄電池電壓大於12 V時LED6燈亮,繼電器向下吸合為負載提供能量,當蓄電池電壓低於10.5 V時繼電器向上斷開放電回路,實現過放保護。

圖5:過放保護電路圖
2.5 輸出端口
圖6所示為電源箱的輸出端口部分設計圖,其主要采用LM78XX 係列三端集成穩壓器來得到穩定電壓的輸出。當LM78XX 係列三端集成穩壓器輸出電流較大或工作時間較長,LM78XX 散熱較大,應加散熱器。

圖6:輸出端口設計圖
圖6(a)是輸出穩定9 V供收音機工作。圖6(b)為USB接口電路,實際電源箱將輸出多個不同類型的接口供數碼產品充電,例如圖6(b)手機USB充電部分,三端集成穩壓器 LM7805得到穩定直流5 V 輸出,由於手機充電需要的電壓為(5±0.5) V,此時剛好適合手機進行充電,當紅色LED3 亮起時說明此時可以為手機充電了。圖6(c)和(d)均接照明負載,當開關Key2和Key3接通時,通過調節滑動變阻器R2,R3可改變光照強弱,進而 達到使用者所需的光照強度,增加了設計的人性化。相關閱讀:
DIY:教你5步製作太陽能無線充電器
利用太陽能應用係統實現DC-DC優化設計
可利用氧氣“充電”的太陽能電池
特別推薦
- 噪聲中提取真值!瑞盟科技推出MSA2240電流檢測芯片賦能多元高端測量場景
- 10MHz高頻運行!氮矽科技發布集成驅動GaN芯片,助力電源能效再攀新高
- 失真度僅0.002%!力芯微推出超低內阻、超低失真4PST模擬開關
- 一“芯”雙電!聖邦微電子發布雙輸出電源芯片,簡化AFE與音頻設計
- 一機適配萬端:金升陽推出1200W可編程電源,賦能高端裝備製造
技術文章更多>>
- 三星上演罕見對峙:工會集會討薪,股東隔街抗議
- 摩爾線程實現DeepSeek-V4“Day-0”支持,國產GPU適配再提速
- 築牢安全防線:智能駕駛邁向規模化應用的關鍵挑戰與破局之道
- GPT-Image 2:99%文字準確率,AI生圖告別“鬼畫符”
- 機器人馬拉鬆的勝負手:藏在主板角落裏的“時鍾戰爭”
技術白皮書下載更多>>
- 車規與基於V2X的車輛協同主動避撞技術展望
- 數字隔離助力新能源汽車安全隔離的新挑戰
- 汽車模塊拋負載的解決方案
- 車用連接器的安全創新應用
- Melexis Actuators Business Unit
- Position / Current Sensors - Triaxis Hall
熱門搜索
NFC
NFC芯片
NOR
ntc熱敏電阻
OGS
OLED
OLED麵板
OmniVision
Omron
OnSemi
PI
PLC
Premier Farnell
Recom
RF
RF/微波IC
RFID
rfid
RF連接器
RF模塊
RS
Rubycon
SATA連接器
SD連接器
SII
SIM卡連接器
SMT設備
SMU
SOC
SPANSION

