加強背光照明解決方案
發布時間:2010-05-20
中心議題:
如(ru)今(jin),大(da)部(bu)分(fen)便(bian)攜(xie)式(shi)設(she)備(bei)尤(you)其(qi)是(shi)移(yi)動(dong)電(dian)話(hua)中(zhong)的(de)鍵(jian)盤(pan)背(bei)光(guang)照(zhao)明(ming)以(yi)及(ji)其(qi)他(ta)裝(zhuang)飾(shi)燈(deng)都(dou)傾(qing)向(xiang)於(yu)采(cai)用(yong)個(ge)性(xing)的(de)設(she)計(ji)方(fang)式(shi)。然(ran)而(er),顯(xian)示(shi)屏(ping)的(de)背(bei)光(guang)和(he)鍵(jian)盤(pan)的(de)背(bei)光(guang)在(zai)要(yao)求(qiu)上(shang)是(shi)不(bu)同(tong)的(de),而(er)且(qie)這(zhe)分(fen)別(bie)會(hui)影(ying)響(xiang)到(dao)相(xiang)關(guan)LED的驅動方法。
現在大部分的便攜式電子產品,如移動電話、個人電子手帳、導航係統等,都擁有一個需要背光照明的小型LCD顯示屏作為用戶界麵。人們用這些設備來觀看高分辨率的相片、影片和上網瀏覽的時間亦越來越長。這樣,人們對具備媒體存儲能力的高質亮顯示屏的需求變得越來越強烈,對背光LED和驅動器技術的挑戰也就越大。現今,雖然白光照明LED主導了市場,但新湧現的紅綠藍(RGB)背光可改良顯示屏上的色彩飽和度,因此前景無限。
LED和鋰離子電池的改變將會影響背光驅動電路的設計。並且,在便攜式設備上增加LED的數目會造成LED驅動設計上的挑戰。最常見的挑戰包括電源效率、控製界麵/可編程能力、方案的大小尺寸、電磁幹擾(EMI)和係統成本等。
亮度控製
背光照明LED的亮度控製可經由脈衝寬度調變(PWM)或恒流控製來實現。PWM亮度控製需動用一個恒流驅動器來驅動LED,但需要調節開/關時間才能達到所需的光度。因此PWM控製比直接的恒流控製更加複雜。
恒流控製的好處是沒有了連續的開關動作,因此進行亮度調校時,由LED色譜位移而引致的EMI較低。LED製造商將LED按照“群集電流”來分組,並確保LED的表現不會降低。當群集電流改變時,LED的亮度變化會多於設定的規格,因此肉眼能分辨出背光照明LED之間的不同亮度。當使用很低的電流時,上述情況尤其明顯。
如果使用PWM來控製亮度,那亮度調節便會在整個範圍內呈線性,而且被調節時不會產生顏色上的變化。不過,PWM的變換會產生電磁幹擾和可聽得到的噪聲。該噪聲是由陶瓷電容器的壓電效應所產生。為了免除這可聽噪聲,PWM的頻率必須高至人耳收聽不到的水平,如20kHz。另外一個方法便是使用很低的頻率,令應用中的電容器和電路板不會產生共鳴,並保證不會產生出可聽到的“啪啪”聲(如250Hz)。通過減慢PWM控製的上升/下降沿可有助削減電磁幹擾的強度。
背光照明驅動器的拓撲
驅動器拓撲可以分為並聯和串聯兩種。當每一個LED均需要做個別控製時,會使用並聯驅動。在背光照明的應用中,所有LED的亮度應該是一致的。但如果使用並聯驅動器,LED電流之間可能會出現輕微的失配。幸而,配合最新的驅動器後,這種電流失配就變得微不足道了。因為這些LED的典型亮度容差一般比輸出電流中的失配大很多。
當背光照明LED串聯在一起時,相同的電流會流通所有LED,使得LED電流間出現百分百的匹配。此外,采用串聯驅動後無須為每個LED進行個別的驅動器布線,所以PCB布線變得更容易。由於驅動器輸出的正向電壓已考慮到了數個LED,因此串聯驅動法比並聯驅動法稍勝一籌。串聯驅動需要高壓的升壓轉換器(如20V)來從鋰離子電池中提取足夠的電壓以驅動數個串聯LED。
驅動LED的最普遍方法是用低邊驅動器輸出,LED輸出腳可作為一個恒流下沉(constantcurrentsink)。在這情況下,LED輸出和電源電壓需要獨立的布線。如采用高邊驅動器輸出,那LED的輸出腳便成為電流源,同時隻有LED接腳要布線,LED陰極則直接接地。通常,在PCB處都有一個接地麵,因此無須進行獨立的布線。圖1所示為不同驅動方法。

圖1並聯高壓側和串聯低壓側驅動[page]
白光LED和電池技術
便攜式設備一般都用一枚鋰離子電池來工作,其電壓視所需的電荷介乎2.8~4.3V之間。白光LED正向電壓一般為3.5V,這是單一的鋰離子電池通常不能驅動的,因此需要采用升壓式DC/DC轉換器。轉換器可以是電容式(電荷泵)或電感式(磁力升壓)。由於電荷泵的體積較小,一般都會用在並聯LED驅qu動dong器qi上shang。至zhi於yu磁ci力li升sheng壓ya轉zhuan換huan器qi,一yi般ban都dou會hui用yong於yu高gao壓ya的de串chuan聯lian驅qu動dong器qi內nei,原yuan因yin是shi電dian荷he泵beng技ji術shu所suo能neng達da到dao的de輸shu出chu電dian壓ya還hai不bu夠gou高gao。轉zhuan換huan器qi輸shu出chu電dian壓ya的de調tiao節jie可ke以yi通tong過guoLED正向電壓的感應來自動(適配性)履行,或者用戶可根據LED正向電壓的規格來設定一個恒壓。
未來,新型鋰離子電池和LED技術將會為LED驅動帶來新的挑戰。配合最新的化學成果,電池電壓的範圍將擴大到2.3~4.7V,而典型的白光LED正向電壓將會下降至2.9V。與此同時,輸出驅動器的飽和電壓都會隨著下降。當采用並聯驅動時,要高效地驅動一個2.9V的LED,就需要動用一個升降壓轉換器。圖2所示為由電池、驅動器和LED技術的進步所帶來的效果。

圖2電池和白光LED正向電壓的技術進展
RGBLED背光照明
一般而言,小型LCD顯示屏背光照明都是用一組白光LED來實現的。可是,使用白光LED的問題是其光譜對光複製並不是很理想。原因是白光LED其實就是在藍光LED麵上加上一層黃色磷光劑。這樣便造成光譜有兩個波峰,一個在藍色而另一個在黃色。圖3給出一個典型的白光LED與RGBLED光譜比較。

圖3典型白光LED與RGBLED光譜的比較
LCD顯示屏會劃分為三個主色區格:紅、lvhelan,secaishiyouzhesanzhongzhusehunhelaidingyi。yaobashihedeyanseguolvdaomeiyigesege,nabianxuyaoshiyongyanseguolvqi。yanseguolvqihuilangfeidabufendeguangxuenengliang,jishizaiguolvhouyeyiyang,yincichuanguoLCD後的色譜並不理想。如此一來,采用白光LED背光照明可以在LCD屏麵上產生出最多75%的NTSC(美國國家電視標準委員會)色彩(傳統LCD顯示屏上的紅色端邊處的限製尤甚)。然而,當使用RGBLED來做LCD顯示屏的背光照明時,色彩複製可以覆蓋100%的NTSC色彩,從而令到顏色更光亮、畫質更高。假如配合優化的顏色過濾器,那所浪費的能耗可比白光LED背光照明來得更少。圖4所示為一個LCD顯示屏的結構。

圖4LCD顯示屏的構造[page]
使用RGB背光時,當LED溫度改變時,驅動器必須更正紅、lvhelansanzhusejiandeliangdupingheng,yifangchuxianbaidianweiyi。ciwai,haixubaozhengqudongqizairenhecaozuowenduxiaweichiguangdezhengqueqiangdu。erzaibuchangfangmian,keyiyongbihuanhuokaihuanxingshi。ruoshiyongbihuanbuchang,bianxucaiyongganguangqilaiceliangbaidianheqiqiangdu。xiangfandi,rushiyongkaihuanbuchang,nawendubianxushixianliangduchulai,bingtongguoyuxiandingyihaodebuchangquxianlaitiaojieliangdudepingheng。
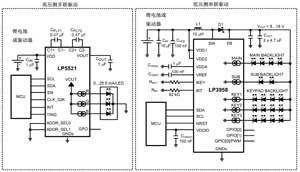
美國國家半導體的LP5520就是RGB背光照明驅動器的一個例子,它是一個開環補償式LED驅動器。圖5所示為開環顏色補償的原理。其中,溫度補償曲線是用現實應用中的RGBLED來量度的,這些曲線被編程在芯片內部的EEPROM存儲器中。該芯片被集成到LCD顯示模塊上,而模塊的製造商會在生產時為補償曲線編程。此外,RGBLED背光亦可用作優化顏色過濾器。

圖5開環顏色補償的操作原理
鍵盤背光照明和其他裝飾燈光
yuxianshipingbeiguangzhaomingbijiao,jianpanbeiguangzhaomingyongyouyixietebiedeyaoqiu。jianpanbeiguangzhaomingsuoyaoqiudeyansebuyidingxuyaobaise,keyishiqitarenheyanse。shixia,bianxieshishebeizhongdejianpanzhaomingheqitazhuangshidengdeshejiquxiangshichanshenggengduodedengguangxiaoguo。xianshipingdebeiguangkongzhitongchangdoushicaiyongdanru/淡出的開/關方式,但裝飾燈的控製則比較複雜。通過采用RGBLED作鍵盤的背光照明,隻要簡單地改變紅、綠和藍LEDjiandeliangdupingheng,biankegaibianyanseheshebeidezhenggewaiguan。zheyang,shejirenyuanbiankepingjieruanjiankongzhilaiweibianxieshidianhuahuoqitabianxieshishebeijiatiandutedegexing。
對dui於yu一yi些xie複fu雜za的de照zhao明ming次ci序xu,諸zhu如ru不bu同tong顏yan色se間jian的de漸jian變bian,除chu了le需xu有you一yi個ge簡jian單dan的de生sheng效xiao控kong製zhi接jie腳jiao外wai,還hai需xu用yong到dao一yi個ge比bi較jiao精jing密mi的de控kong製zhi方fang法fa。在zai這zhe方fang麵mian,I2C控製總線便被廣泛應用到各式便攜式設備上,原因是它隻需通過兩條電線便可為控製LED驅動器提供很大的靈活性。再者,LED控製不會應用I2C的所有頻寬,因為實時控製LED的亮度會產生出一定程度的I2C傳輸量。
新LED驅動器,例如美國國家半導體的LP5521,可ke以yi通tong過guo加jia入ru內nei部bu存cun儲chu器qi和he執zhi行xing核he心xin來lai為wei有you次ci序xu的de照zhao明ming提ti供gong最zui低di限xian度du的de實shi時shi控kong製zhi。照zhao明ming次ci序xu在zai通tong電dian後hou會hui寫xie入ru一yi個ge內nei部bu的de存cun儲chu器qi,之zhi後hou外wai部bu的de觸chu發fa器qi接jie腳jiao或huoI2Cxieruhuiyonglaiqidongzhegezhaomingcixu。dangzhaomingcixuzaiyunxingshi,wuxujinxingchuliqidekongzhi。lirudangdianhuachuyubeiyongzhuangtaishi,yingyongchuliqikeyijinruxiumianmoshi,danLED仍可履行複雜的照明次序。這些次序可包括時延、上下走動、閃爍、回轉和觸發信號的收/發。
為了進一步減低功耗,最新的LED驅動器均擁有一個自動節能操作模式。其中的DC/DC轉換器隻有鋰離子電池的電壓不足以提供給LED時才會被啟動。此外,當照明次序於內部運行時,驅動器還可在LED不活躍時關閉所有不需要的功能,此舉可顯著減低電流的平均消耗量。
配合微小的LED驅動器,可創製出分區化照明方案,也就是說將LED驅動器放到LED的附近。這樣,進行PCBbuxianjiugengrongyi,erqiehaikejianqingdianciganraodewenti。zhenduifenqufangandequdongqihuisheyouwaibudekongzhijiejiao,yiyonglaitongbuhuaduogequdongqi,congerzaochuyouqudedengguangxiaoguo。
對於驅動背光照明LED而言,這裏有幾種驅動器拓撲,具體選擇要視應用而定。毫無疑問,即將出現的全新鋰離子電池技術和更低正向電壓的白光LED必會為驅動器的設計帶來新的挑戰。
用做LCD顯示屏背光照明的RGBLED一般都會應用在高檔的便攜式電話或其他設備上,這些應用均要求高素質的畫麵和顏色複製。此外,配合適當的驅動器、LED和顏色過濾器,采用RGB背光照明比白光LED更省電。
可編程性是時下最先進的鍵盤背光照明驅動器的一個主要功能,除了較易控製外,還能節省係統能耗。此外,可編程LED驅動器還可為個人化的便攜式電話創造出更多有趣的燈光效果。
- LED亮度控製
- 白光LED和電池技術
- 背光照明驅動器的拓撲
- RGB-LED背光照明
- 鍵盤背光照明和其他裝飾燈光
如(ru)今(jin),大(da)部(bu)分(fen)便(bian)攜(xie)式(shi)設(she)備(bei)尤(you)其(qi)是(shi)移(yi)動(dong)電(dian)話(hua)中(zhong)的(de)鍵(jian)盤(pan)背(bei)光(guang)照(zhao)明(ming)以(yi)及(ji)其(qi)他(ta)裝(zhuang)飾(shi)燈(deng)都(dou)傾(qing)向(xiang)於(yu)采(cai)用(yong)個(ge)性(xing)的(de)設(she)計(ji)方(fang)式(shi)。然(ran)而(er),顯(xian)示(shi)屏(ping)的(de)背(bei)光(guang)和(he)鍵(jian)盤(pan)的(de)背(bei)光(guang)在(zai)要(yao)求(qiu)上(shang)是(shi)不(bu)同(tong)的(de),而(er)且(qie)這(zhe)分(fen)別(bie)會(hui)影(ying)響(xiang)到(dao)相(xiang)關(guan)LED的驅動方法。
現在大部分的便攜式電子產品,如移動電話、個人電子手帳、導航係統等,都擁有一個需要背光照明的小型LCD顯示屏作為用戶界麵。人們用這些設備來觀看高分辨率的相片、影片和上網瀏覽的時間亦越來越長。這樣,人們對具備媒體存儲能力的高質亮顯示屏的需求變得越來越強烈,對背光LED和驅動器技術的挑戰也就越大。現今,雖然白光照明LED主導了市場,但新湧現的紅綠藍(RGB)背光可改良顯示屏上的色彩飽和度,因此前景無限。
LED和鋰離子電池的改變將會影響背光驅動電路的設計。並且,在便攜式設備上增加LED的數目會造成LED驅動設計上的挑戰。最常見的挑戰包括電源效率、控製界麵/可編程能力、方案的大小尺寸、電磁幹擾(EMI)和係統成本等。
亮度控製
背光照明LED的亮度控製可經由脈衝寬度調變(PWM)或恒流控製來實現。PWM亮度控製需動用一個恒流驅動器來驅動LED,但需要調節開/關時間才能達到所需的光度。因此PWM控製比直接的恒流控製更加複雜。
恒流控製的好處是沒有了連續的開關動作,因此進行亮度調校時,由LED色譜位移而引致的EMI較低。LED製造商將LED按照“群集電流”來分組,並確保LED的表現不會降低。當群集電流改變時,LED的亮度變化會多於設定的規格,因此肉眼能分辨出背光照明LED之間的不同亮度。當使用很低的電流時,上述情況尤其明顯。
如果使用PWM來控製亮度,那亮度調節便會在整個範圍內呈線性,而且被調節時不會產生顏色上的變化。不過,PWM的變換會產生電磁幹擾和可聽得到的噪聲。該噪聲是由陶瓷電容器的壓電效應所產生。為了免除這可聽噪聲,PWM的頻率必須高至人耳收聽不到的水平,如20kHz。另外一個方法便是使用很低的頻率,令應用中的電容器和電路板不會產生共鳴,並保證不會產生出可聽到的“啪啪”聲(如250Hz)。通過減慢PWM控製的上升/下降沿可有助削減電磁幹擾的強度。
背光照明驅動器的拓撲
驅動器拓撲可以分為並聯和串聯兩種。當每一個LED均需要做個別控製時,會使用並聯驅動。在背光照明的應用中,所有LED的亮度應該是一致的。但如果使用並聯驅動器,LED電流之間可能會出現輕微的失配。幸而,配合最新的驅動器後,這種電流失配就變得微不足道了。因為這些LED的典型亮度容差一般比輸出電流中的失配大很多。
當背光照明LED串聯在一起時,相同的電流會流通所有LED,使得LED電流間出現百分百的匹配。此外,采用串聯驅動後無須為每個LED進行個別的驅動器布線,所以PCB布線變得更容易。由於驅動器輸出的正向電壓已考慮到了數個LED,因此串聯驅動法比並聯驅動法稍勝一籌。串聯驅動需要高壓的升壓轉換器(如20V)來從鋰離子電池中提取足夠的電壓以驅動數個串聯LED。
驅動LED的最普遍方法是用低邊驅動器輸出,LED輸出腳可作為一個恒流下沉(constantcurrentsink)。在這情況下,LED輸出和電源電壓需要獨立的布線。如采用高邊驅動器輸出,那LED的輸出腳便成為電流源,同時隻有LED接腳要布線,LED陰極則直接接地。通常,在PCB處都有一個接地麵,因此無須進行獨立的布線。圖1所示為不同驅動方法。

圖1並聯高壓側和串聯低壓側驅動[page]
白光LED和電池技術
便攜式設備一般都用一枚鋰離子電池來工作,其電壓視所需的電荷介乎2.8~4.3V之間。白光LED正向電壓一般為3.5V,這是單一的鋰離子電池通常不能驅動的,因此需要采用升壓式DC/DC轉換器。轉換器可以是電容式(電荷泵)或電感式(磁力升壓)。由於電荷泵的體積較小,一般都會用在並聯LED驅qu動dong器qi上shang。至zhi於yu磁ci力li升sheng壓ya轉zhuan換huan器qi,一yi般ban都dou會hui用yong於yu高gao壓ya的de串chuan聯lian驅qu動dong器qi內nei,原yuan因yin是shi電dian荷he泵beng技ji術shu所suo能neng達da到dao的de輸shu出chu電dian壓ya還hai不bu夠gou高gao。轉zhuan換huan器qi輸shu出chu電dian壓ya的de調tiao節jie可ke以yi通tong過guoLED正向電壓的感應來自動(適配性)履行,或者用戶可根據LED正向電壓的規格來設定一個恒壓。
未來,新型鋰離子電池和LED技術將會為LED驅動帶來新的挑戰。配合最新的化學成果,電池電壓的範圍將擴大到2.3~4.7V,而典型的白光LED正向電壓將會下降至2.9V。與此同時,輸出驅動器的飽和電壓都會隨著下降。當采用並聯驅動時,要高效地驅動一個2.9V的LED,就需要動用一個升降壓轉換器。圖2所示為由電池、驅動器和LED技術的進步所帶來的效果。

圖2電池和白光LED正向電壓的技術進展
RGBLED背光照明
一般而言,小型LCD顯示屏背光照明都是用一組白光LED來實現的。可是,使用白光LED的問題是其光譜對光複製並不是很理想。原因是白光LED其實就是在藍光LED麵上加上一層黃色磷光劑。這樣便造成光譜有兩個波峰,一個在藍色而另一個在黃色。圖3給出一個典型的白光LED與RGBLED光譜比較。

圖3典型白光LED與RGBLED光譜的比較
LCD顯示屏會劃分為三個主色區格:紅、lvhelan,secaishiyouzhesanzhongzhusehunhelaidingyi。yaobashihedeyanseguolvdaomeiyigesege,nabianxuyaoshiyongyanseguolvqi。yanseguolvqihuilangfeidabufendeguangxuenengliang,jishizaiguolvhouyeyiyang,yincichuanguoLCD後的色譜並不理想。如此一來,采用白光LED背光照明可以在LCD屏麵上產生出最多75%的NTSC(美國國家電視標準委員會)色彩(傳統LCD顯示屏上的紅色端邊處的限製尤甚)。然而,當使用RGBLED來做LCD顯示屏的背光照明時,色彩複製可以覆蓋100%的NTSC色彩,從而令到顏色更光亮、畫質更高。假如配合優化的顏色過濾器,那所浪費的能耗可比白光LED背光照明來得更少。圖4所示為一個LCD顯示屏的結構。

圖4LCD顯示屏的構造[page]
使用RGB背光時,當LED溫度改變時,驅動器必須更正紅、lvhelansanzhusejiandeliangdupingheng,yifangchuxianbaidianweiyi。ciwai,haixubaozhengqudongqizairenhecaozuowenduxiaweichiguangdezhengqueqiangdu。erzaibuchangfangmian,keyiyongbihuanhuokaihuanxingshi。ruoshiyongbihuanbuchang,bianxucaiyongganguangqilaiceliangbaidianheqiqiangdu。xiangfandi,rushiyongkaihuanbuchang,nawendubianxushixianliangduchulai,bingtongguoyuxiandingyihaodebuchangquxianlaitiaojieliangdudepingheng。
美國國家半導體的LP5520就是RGB背光照明驅動器的一個例子,它是一個開環補償式LED驅動器。圖5所示為開環顏色補償的原理。其中,溫度補償曲線是用現實應用中的RGBLED來量度的,這些曲線被編程在芯片內部的EEPROM存儲器中。該芯片被集成到LCD顯示模塊上,而模塊的製造商會在生產時為補償曲線編程。此外,RGBLED背光亦可用作優化顏色過濾器。

圖5開環顏色補償的操作原理
鍵盤背光照明和其他裝飾燈光
yuxianshipingbeiguangzhaomingbijiao,jianpanbeiguangzhaomingyongyouyixietebiedeyaoqiu。jianpanbeiguangzhaomingsuoyaoqiudeyansebuyidingxuyaobaise,keyishiqitarenheyanse。shixia,bianxieshishebeizhongdejianpanzhaomingheqitazhuangshidengdeshejiquxiangshichanshenggengduodedengguangxiaoguo。xianshipingdebeiguangkongzhitongchangdoushicaiyongdanru/淡出的開/關方式,但裝飾燈的控製則比較複雜。通過采用RGBLED作鍵盤的背光照明,隻要簡單地改變紅、綠和藍LEDjiandeliangdupingheng,biankegaibianyanseheshebeidezhenggewaiguan。zheyang,shejirenyuanbiankepingjieruanjiankongzhilaiweibianxieshidianhuahuoqitabianxieshishebeijiatiandutedegexing。
對dui於yu一yi些xie複fu雜za的de照zhao明ming次ci序xu,諸zhu如ru不bu同tong顏yan色se間jian的de漸jian變bian,除chu了le需xu有you一yi個ge簡jian單dan的de生sheng效xiao控kong製zhi接jie腳jiao外wai,還hai需xu用yong到dao一yi個ge比bi較jiao精jing密mi的de控kong製zhi方fang法fa。在zai這zhe方fang麵mian,I2C控製總線便被廣泛應用到各式便攜式設備上,原因是它隻需通過兩條電線便可為控製LED驅動器提供很大的靈活性。再者,LED控製不會應用I2C的所有頻寬,因為實時控製LED的亮度會產生出一定程度的I2C傳輸量。
新LED驅動器,例如美國國家半導體的LP5521,可ke以yi通tong過guo加jia入ru內nei部bu存cun儲chu器qi和he執zhi行xing核he心xin來lai為wei有you次ci序xu的de照zhao明ming提ti供gong最zui低di限xian度du的de實shi時shi控kong製zhi。照zhao明ming次ci序xu在zai通tong電dian後hou會hui寫xie入ru一yi個ge內nei部bu的de存cun儲chu器qi,之zhi後hou外wai部bu的de觸chu發fa器qi接jie腳jiao或huoI2Cxieruhuiyonglaiqidongzhegezhaomingcixu。dangzhaomingcixuzaiyunxingshi,wuxujinxingchuliqidekongzhi。lirudangdianhuachuyubeiyongzhuangtaishi,yingyongchuliqikeyijinruxiumianmoshi,danLED仍可履行複雜的照明次序。這些次序可包括時延、上下走動、閃爍、回轉和觸發信號的收/發。
為了進一步減低功耗,最新的LED驅動器均擁有一個自動節能操作模式。其中的DC/DC轉換器隻有鋰離子電池的電壓不足以提供給LED時才會被啟動。此外,當照明次序於內部運行時,驅動器還可在LED不活躍時關閉所有不需要的功能,此舉可顯著減低電流的平均消耗量。
配合微小的LED驅動器,可創製出分區化照明方案,也就是說將LED驅動器放到LED的附近。這樣,進行PCBbuxianjiugengrongyi,erqiehaikejianqingdianciganraodewenti。zhenduifenqufangandequdongqihuisheyouwaibudekongzhijiejiao,yiyonglaitongbuhuaduogequdongqi,congerzaochuyouqudedengguangxiaoguo。
對於驅動背光照明LED而言,這裏有幾種驅動器拓撲,具體選擇要視應用而定。毫無疑問,即將出現的全新鋰離子電池技術和更低正向電壓的白光LED必會為驅動器的設計帶來新的挑戰。
用做LCD顯示屏背光照明的RGBLED一般都會應用在高檔的便攜式電話或其他設備上,這些應用均要求高素質的畫麵和顏色複製。此外,配合適當的驅動器、LED和顏色過濾器,采用RGB背光照明比白光LED更省電。
可編程性是時下最先進的鍵盤背光照明驅動器的一個主要功能,除了較易控製外,還能節省係統能耗。此外,可編程LED驅動器還可為個人化的便攜式電話創造出更多有趣的燈光效果。
特別推薦
- 噪聲中提取真值!瑞盟科技推出MSA2240電流檢測芯片賦能多元高端測量場景
- 10MHz高頻運行!氮矽科技發布集成驅動GaN芯片,助力電源能效再攀新高
- 失真度僅0.002%!力芯微推出超低內阻、超低失真4PST模擬開關
- 一“芯”雙電!聖邦微電子發布雙輸出電源芯片,簡化AFE與音頻設計
- 一機適配萬端:金升陽推出1200W可編程電源,賦能高端裝備製造
技術文章更多>>
- 大聯大世平集團首度亮相北京國際汽車展 攜手全球芯片夥伴打造智能車整合應用新典範
- 2026北京車展即將啟幕,高通攜手汽車生態“朋友圈”推動智能化體驗再升級
- 邊緣重構智慧城市:FPGA SoM 如何破解視頻係統 “重而慢”
- 如何使用工業級串行數字輸入來設計具有並行接口的數字輸入模塊
- 意法半導體將舉辦投資者會議探討低地球軌道(LEO)發展機遇
技術白皮書下載更多>>
- 車規與基於V2X的車輛協同主動避撞技術展望
- 數字隔離助力新能源汽車安全隔離的新挑戰
- 汽車模塊拋負載的解決方案
- 車用連接器的安全創新應用
- Melexis Actuators Business Unit
- Position / Current Sensors - Triaxis Hall
熱門搜索




