精準電壓定位技術助力μModule穩壓器性能提升
發布時間:2025-10-17 責任編輯:lina
【導讀】最新研發的精準串聯主動電壓定位技術為μModule穩壓器帶來了突破性進展。該創新方案通過優化負載瞬態響應特性,成功將所需輸出電容降低高達50%,顯著節約了電路板空間,為全陶瓷電容解決方案的實現創造了條件。相較於傳統分流架構,串聯AVP設計在負載線精度方麵表現卓越,有效提升了輸出電壓的精準度,實測數據充分驗證了其優異的負載瞬態響應性能。
摘要
最新研發的精準串聯主動電壓定位技術為μModule穩壓器帶來了突破性進展。該創新方案通過優化負載瞬態響應特性,成功將所需輸出電容降低高達50%,顯著節約了電路板空間,為全陶瓷電容解決方案的實現創造了條件。相較於傳統分流架構,串聯AVP設計在負載線精度方麵表現卓越,有效提升了輸出電壓的精準度,實測數據充分驗證了其優異的負載瞬態響應性能。
引言
主動電壓定位(AVP)或主動下垂技術能夠調節電源輸出:輕載時維持較高輸出電壓,重載時維持較低輸出電壓。實現AVP控製技術的一大好處是可以改善負載瞬態響應並降低輸出電容,因為AVP為電源響應負載瞬變提供了更多空間。μModule穩壓器是完整、經過測試且合格的封裝電源解決方案。對於電信和數據中心應用,μModule穩壓器憑借快速負載瞬態響應、極小的電路板占用空間及全陶瓷電容式解決方案而備受青睞。然而,使用傳統非AVP控製技術很難滿足所有要求。
本文介紹了一種精準串聯AVP實現方法,在反饋控製環路中添加兩個電阻。這種串聯AVP方法的優勢在於,負載線精度幾乎與gm放大器增益變化無關;而對於分流AVP1等其他AVP實現方法,如果gm放大器增益的變化較大,負載線精度將降低。實現這種串聯AVP後,輸出電容可減少多達50%,同時峰峰輸出電壓瞬態也略有改善。由於電容減少50%,因此僅需要陶瓷電容,由此可以大幅提高係統可靠性並優化成本,因為鋁電解電容的可靠性遠低於陶瓷電容,而且成本更高。
實現AVP控製技術的另一個好處在於,當負載電流較大時,可以降低輸出電壓,從而降低負載功耗。LTM4650-2示例顯示,淨功耗節省為1.4 W或5.6%,大大節省了功耗並延長了電池續航時間。
串聯AVP實現
AVP是指穩壓器的輸出電壓根據負載電流的變化而動態調整的一種方式,而如果采用傳統方法(非AVP),輸出電壓在所有負載下始終固定在標稱值VOUT,如圖1所示。如果采用AVP方(fang)法(fa),當(dang)輸(shu)出(chu)電(dian)流(liu)增(zeng)加(jia)時(shi),輸(shu)出(chu)電(dian)壓(ya)逐(zhu)漸(jian)降(jiang)低(di)。在(zai)輕(qing)載(zai)條(tiao)件(jian)下(xia),輸(shu)出(chu)電(dian)壓(ya)設(she)為(wei)調(tiao)節(jie)至(zhi)略(lve)高(gao)於(yu)標(biao)稱(cheng)值(zhi),而(er)在(zai)重(zhong)載(zai)條(tiao)件(jian)下(xia),輸(shu)出(chu)電(dian)壓(ya)設(she)為(wei)調(tiao)節(jie)至(zhi)略(lve)低(di)於(yu)標(biao)稱(cheng)值(zhi)。1 當dang負fu載zai電dian流liu突tu然ran增zeng加jia時shi,輸shu出chu電dian壓ya從cong高gao於yu標biao稱cheng值zhi的de電dian平ping開kai始shi,因yin此ci輸shu出chu電dian壓ya可ke以yi下xia降jiang更geng多duo幅fu度du並bing保bao持chi在zai額e定ding電dian壓ya範fan圍wei內nei。當dang負fu載zai電dian流liu突tu然ran減jian小xiao時shi,輸shu出chu電dian壓ya從cong低di於yu標biao稱cheng值zhi的de電dian平ping開kai始shi,因yin此ci輸shu出chu電dian壓ya可ke以yi有you更geng多duo的de過guo衝chong並bing保bao持chi在zai額e定ding電dian壓ya範fan圍wei內nei。對dui於yu所suo有you負fu載zai電dian流liu範fan圍wei,輸shu出chu電dian壓ya應ying限xian製zhi在zai額e定ding電dian壓ya限xian值zhi內nei(VMAX和VMIN之間)。

圖1.采用AVP的VOUT與采用傳統方法(非AVP)的固定標稱值VOUT。
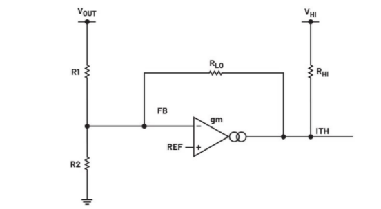
圖2顯示AVP串聯補償電路。內部基準電壓(VREF)和VOUT反饋分別連接到誤差放大器的正輸入和負輸入。與RHI連接的VHI(或INTVCC)向放大器輸出(ITH或COMP)提供適當的直流電壓,以防止輸出進入飽和狀態。RLO(反饋電阻)位於輸出(ITH)和負輸入(或FB)之間。因此,RLO決定了gm放大器增益。RHI和RLO值應遠高於R1和R2。
負載線公式1:

Ki是電流檢測增益,RSENSE是電流檢測電阻值(或DCR檢測的電感DCR值)。
與AVP分流補償電路1相比,串聯補償電路的優勢在於負載線取決於R1/RLO增益,幾乎與誤差放大器跨導(gm)的容差無關。IC工藝和設計多種多樣。遺憾的是,一些IC的gm值在器件間的差異高達±30%,而且分流補償電路AVP的負載線與1/gm增益成正比。因此,分流AVP的負載線較差。

圖2.AVP串聯補償電路。
LTM4650-2穩壓器上的AVP解決方案
在LTM4650-2(電流模式同步降壓穩壓器)上,標稱1 V輸出能夠提供25 A負載,瞬態窗口約為±8%(160 mV pp)。在這種傳統穩壓器(非AVP)上,需要外部RC濾波電路來實現快速II型控製環路補償。輸出端有一組5個100 μF陶瓷電容和2個470 μF POSCAP。當負載階躍為19 A(滿載的75%)且擺率為19 A/μs時,瞬態響應為136 mV pp,如圖3所示。

圖3.非AVP電路的負載瞬態波形,輸出電壓瞬態為136 mV pp,COUT1 = 5× 100 μF陶瓷電容,COUT2 = 2× 470 μF POSCAP電容。
如圖4所示,實現AVP時,在COMP上應用了AVP補償電路,但不需要RC補償。在半載(12.5 A)條件下,通過微調R2,特意將輸出電壓設為標稱值(1 V)。對於負載瞬態響應,獲得了95 mV pp的VOUT,如圖5所示。瞬態性能已得到改善。當輸出電壓設為1 V且電流為25 A(滿載)時,負載功率為25 W。通過將輸出電壓降低至0.945 V(25 A負載時),負載功率現在為23.6 W,單個輸出的功耗節省現在為1.4 W。對於兩個輸出,淨功耗節省總計為2.8 W。

圖4.采用AVP的電路(串聯補償電路)。

圖5.采用AVP的電路(圖4)的負載瞬態波形,輸出電壓瞬態為95 mV pp。COUT1 = 5× 100 μF陶瓷電容,COUT2 = 2× 470 μF POSCAP電容。
采用AVP實現方案時,兩個POSCAP可替換為兩個陶瓷電容,因此COUT1上共使用7個100 μF陶瓷電容。使用陶瓷電容的優勢是等效串聯電阻(ESR)和等效串聯電感(ESL)更低、成本更低、尺寸更小、性能更可靠。瞬態性能已改善,測量結果是VOUT為104 mV pp,如圖6所示。

圖6.采用AVP的電路的負載瞬態波形,輸出電壓瞬態為104 mV pp。COUT1 = 7× 100 μF陶瓷電容。
表1顯示了上述測量的非AVP(基準)、AVP和僅使用輸出陶瓷電容的AVP的負載瞬態響應V p-p,以供比較。
表1.非AVP、AVP和僅使用輸出陶瓷電容的AVP之間的負載瞬態響應V p-p比較

結論
在LTM4650-2 μModule穩壓器上實現AVP串聯補償電路不僅提高了瞬態響應性能,還降低了高負載條件下的負載功耗。輸出電容需要小於50%。因此,可以用陶瓷電容代替POSCAP,從而降低成本並最大限度減少占用的電路板空間。這種AVP電路也適用於許多其他具有外部補償引腳和外部RC補償網絡的μModule穩壓器(例如LTM4630-1、LTM4626、LTM4636、LTM8055-1等)。
參考文獻
1 Robert Sheehan,“主動電壓定位可減少輸出電容”,淩力爾特,1999年。
推薦閱讀:
- 噪聲中提取真值!瑞盟科技推出MSA2240電流檢測芯片賦能多元高端測量場景
- 10MHz高頻運行!氮矽科技發布集成驅動GaN芯片,助力電源能效再攀新高
- 失真度僅0.002%!力芯微推出超低內阻、超低失真4PST模擬開關
- 一“芯”雙電!聖邦微電子發布雙輸出電源芯片,簡化AFE與音頻設計
- 一機適配萬端:金升陽推出1200W可編程電源,賦能高端裝備製造
- 1200餘家企業齊聚深圳,CITE2026打造電子信息產業創新盛宴
- 掌握 Gemini 3.1 Pro 參數調優的藝術
- 築牢安全防線:電池擠壓試驗機如何為新能源產業護航?
- Grok 4.1 API 實戰:構建 X 平台實時輿情監控 Agent
- 電源芯片國產化新選擇:MUN3CAD03-SF助力物聯網終端“芯”升級
- 車規與基於V2X的車輛協同主動避撞技術展望
- 數字隔離助力新能源汽車安全隔離的新挑戰
- 汽車模塊拋負載的解決方案
- 車用連接器的安全創新應用
- Melexis Actuators Business Unit
- Position / Current Sensors - Triaxis Hall






