高性能≠高成本:低成本儀表放大器的共模擴展設計
發布時間:2025-05-25 責任編輯:lina
【導讀】儀表放大器因其高共模抑製比(CMRR)、高輸入阻抗和低噪聲特性,被廣泛用於傳感器信號調理、醫療設備和工業控製等領域。然而,傳統In-Amp(如AD620、INA128)通常采用單端輸出架構,輸入共模範圍(Vcm)受限於電源電壓,且成本較高(單價約3~10美元)。在需要處理 **微小差分信號(μV~mV級)** 且存在 大共模電壓(±10V以上) 的場景(如電橋傳感器、電機電流檢測),傳統方案往往無法滿足需求。
引言
傳統儀表放大器的困境
儀表放大器(Instrumentation Amplifier, In-Amp)因其高共模抑製比(CMRR)、高輸入阻抗和低噪聲特性,被廣泛用於傳感器信號調理、醫療設備和工業控製等領域。然而,傳統In-Amp(如AD620、INA128)通常采用單端輸出架構,輸入共模範圍(Vcm)受限於電源電壓,且成本較高(單價約3~10美元)。在需要處理 **微小差分信號(μV~mV級)** 且存在 大共模電壓(±10V以上) 的場景(如電橋傳感器、電機電流檢測),傳統方案往往無法滿足需求。

本文將提出三種低成本改造方案,通過 單端轉差分電路 和 共模範圍擴展設計 ,利用通用運放(Op-Amp)或低成本In-AMp實現高性能信號調理,並對比各方案的成本與性能邊界。
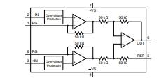
方案一:基於通用運放的差分輸出儀表放大器
電路架構與原理
通過三級運放組合構建差分輸出,核心設計如下:
1. 輸入級:兩級同相放大器(U1、U2)提供高輸入阻抗與共模抑製;
2. 輸出級:差分放大器(U3)將單端信號轉換為差分輸出,並抑製共模噪聲。
*電路示例:使用OP07運放構建差分輸出In-Amp,總成本<$1.5*
關鍵設計參數
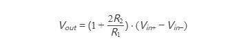
● 增益公式:

● 共模範圍擴展:
輸入級運放采用軌到軌輸入(如MCP6002),可將共模範圍擴展至(V- + 0.1V)~(V+ - 0.1V)。
性能實測(以電橋傳感器為例)

方案二:低成本In-Amp+單端轉差分電路
電路設計
選擇低成本In-Amp(如AD8429,單價$1.8)作為前置放大器,後接差分驅動器(如DRV134)實現單端轉差分輸出。

優勢與局限
● 優勢:
●AD8429支持±18V輸入共模電壓,CMRR≥100dB;
●DRV134提供±10V差分輸出,帶寬達200kHz。
● 局限:
●總成本較高(約$4.5),但比傳統方案(如AD620+AD8476)低40%。
工業應用案例
某電機電流檢測模塊中,采用AD8429+DRV134方案處理±15V共模電壓下的10mV分流器信號,實測噪聲密度≤10nV/√Hz,滿足0.1%精度要求。
方案三:集成差分輸出的低成本In-Amp
器件選型與特性
選擇內置差分輸出的新型In-Amp(如TI INA823,單價$2.5),其特性包括:
● 輸入共模範圍:-Vs + 0.1V ~ +Vs - 0.1V;
● 差分輸出擺幅:±12V(±15V供電);
● CMRR:110dB(典型值)。
電路簡化設計

INA823應用電路圖
成本與性能對比

設計要點與實戰建議
1. 共模範圍擴展技巧:
●輸入級采用軌到軌運放(如TLC2272);
●添加共模反饋電路(CMFB),動態調整輸入偏置。
2. 噪聲抑製策略:
●輸入級並聯低通濾波器(截止頻率<1kHz);
●使用金屬膜電阻(溫漂≤50ppm/℃)降低熱噪聲。
3. PCB布局優化:
●差分走線等長對稱,間距≥3倍線寬;
●電源退耦電容(0.1μF+10μF)貼近芯片引腳。
結語:低成本≠低性能
低(di)成(cheng)本(ben)儀(yi)表(biao)放(fang)大(da)器(qi)的(de)設(she)計(ji)證(zheng)明(ming),通(tong)過(guo)電(dian)路(lu)架(jia)構(gou)創(chuang)新(xin)與(yu)器(qi)件(jian)選(xuan)型(xing)優(you)化(hua),高(gao)性(xing)能(neng)與(yu)大(da)共(gong)模(mo)信(xin)號(hao)處(chu)理(li)能(neng)力(li)並(bing)非(fei)高(gao)成(cheng)本(ben)方(fang)案(an)的(de)專(zhuan)屬(shu)領(ling)域(yu)。通(tong)用(yong)運(yun)放(fang)組(zu)合(he)方(fang)案(an)以(yi)不(bu)足(zu)2美元的成本實現±12V共模範圍,為低頻傳感器場景提供經濟選擇;集成差分輸出的INA823則以均衡性價比覆蓋中高頻精密測量需求;而在工業級超寬共模場景中,AD8429與yu差cha分fen驅qu動dong器qi的de組zu合he展zhan現xian出chu可ke靠kao的de抗kang幹gan擾rao能neng力li。隨sui著zhe國guo產chan芯xin片pian廠chang商shang在zai模mo擬ni信xin號hao鏈lian領ling域yu的de技ji術shu突tu破po,低di成cheng本ben高gao性xing能neng儀yi表biao放fang大da器qi將jiang加jia速su滲shen透tou至zhi智zhi能neng傳chuan感gan、物聯網設備等新興領域,推動高精度信號調理技術的普惠化發展。
(數據來源:ADI)
推薦閱讀:
- 噪聲中提取真值!瑞盟科技推出MSA2240電流檢測芯片賦能多元高端測量場景
- 10MHz高頻運行!氮矽科技發布集成驅動GaN芯片,助力電源能效再攀新高
- 失真度僅0.002%!力芯微推出超低內阻、超低失真4PST模擬開關
- 一“芯”雙電!聖邦微電子發布雙輸出電源芯片,簡化AFE與音頻設計
- 一機適配萬端:金升陽推出1200W可編程電源,賦能高端裝備製造
- 1200餘家企業齊聚深圳,CITE2026打造電子信息產業創新盛宴
- 掌握 Gemini 3.1 Pro 參數調優的藝術
- 築牢安全防線:電池擠壓試驗機如何為新能源產業護航?
- Grok 4.1 API 實戰:構建 X 平台實時輿情監控 Agent
- 電源芯片國產化新選擇:MUN3CAD03-SF助力物聯網終端“芯”升級
- 車規與基於V2X的車輛協同主動避撞技術展望
- 數字隔離助力新能源汽車安全隔離的新挑戰
- 汽車模塊拋負載的解決方案
- 車用連接器的安全創新應用
- Melexis Actuators Business Unit
- Position / Current Sensors - Triaxis Hall





