離線 PFC-PWM 組合控製器
發布時間:2023-09-05 責任編輯:lina
【導讀】本應用說明解決了電力公司廣泛使用的變壓器和其他電源效率質量低下的原因。接下來是建議的離線 PFC-PWM zuhekongzhiqijiagou,gaijiagoukeyijidadibangzhuhuanjiegonglvzhuanhuanqineidianliuxianluzhonggaoxiebohanliangdekunjing。ciwai,haipinggulegaishejijiagou,yilejieqiduixitongzhengtixiaolvdeyingxiang。
本應用說明解決了電力公司廣泛使用的變壓器和其他電源效率質量低下的原因。接下來是建議的離線 PFC-PWM zuhekongzhiqijiagou,gaijiagoukeyijidadibangzhuhuanjiegonglvzhuanhuanqineidianliuxianluzhonggaoxiebohanliangdekunjing。ciwai,haipinggulegaishejijiagou,yilejieqiduixitongzhengtixiaolvdeyingxiang。
簡介
本應用說明解決了電力公司廣泛使用的變壓器和其他電源效率質量低下的原因。接下來是建議的離線 PFC-PWM zuhekongzhiqijiagou,gaijiagoukeyijidadibangzhuhuanjiegonglvzhuanhuanqineidianliuxianluzhonggaoxiebohanliangdekunjing。ciwai,haipinggulegaishejijiagou,yilejieqiduixitongzhengtixiaolvdeyingxiang。
公gong用yong事shi業ye公gong司si不bu希xi望wang出chu現xian的de現xian象xiang之zhi一yi是shi線xian路lu電dian流liu的de高gao諧xie波bo含han量liang。該gai線xian路lu電dian流liu的de諧xie波bo含han量liang往wang往wang會hui導dao致zhi變bian電dian站zhan變bian壓ya器qi過guo熱re,變bian電dian站zhan負fu責ze向xiang給gei定ding區qu域yu的de所suo有you部bu門men提ti供gong電dian力li。對dui於yu三san相xiang配pei電dian,中zhong性xing電dian流liu將jiang在zai存cun在zai這zhe些xie諧xie波bo的de情qing況kuang下xia流liu動dong。對dui於yu單dan相xiang配pei電dian,開kai關guan電dian源yuan轉zhuan換huan器qi中zhong的de電dian容rong輸shu入ru濾lv波bo器qi所suo需xu的de窄zhai導dao通tong角jiao會hui導dao致zhi電dian流liu波bo形xing中zhong諧xie波bo含han量liang較jiao高gao,從cong而er導dao致zhi運yun行xing效xiao率lv較jiao低di。
該問題的一個可行解決方案是采用功率因數校正 (PFC) ji,yicujingengyouxiaodedianyuanshiyongbingjiangdixianludianliudexiebohanliang。yongyucirenwudedetuopushikaiguanmoshishengyazhuanhuanqi。zheli,shengyazhuanhuanqijicharuzaishuruzhengliuqihedarongliangcunchudianrongqizhijian。zheposhishurudianliuyushurudianyatongxiang,bingweihouxugonglvjitigongshengyazhiliudianyachucunqi。
級聯功率轉換器
在zai的de高gao頻pin開kai關guan模mo式shi功gong率lv轉zhuan換huan器qi的de設she計ji中zhong,功gong率lv級ji的de級ji聯lian連lian接jie是shi一yi種zhong非fei常chang有you效xiao且qie強qiang大da的de工gong具ju。近jin年nian來lai,功gong率lv因yin數shu校xiao正zheng電dian源yuan轉zhuan換huan器qi迅xun速su普pu及ji。與yu傳chuan統tong的de離li線xian開kai關guan電dian源yuan轉zhuan換huan器qi相xiang比bi,它ta們men提ti供gong了le更geng高gao的de性xing能neng。然ran而er,必bi須xu考kao慮lv特te殊shu的de係xi統tong穩wen定ding性xing。
當dang降jiang壓ya開kai關guan關guan閉bi時shi,傳chuan統tong的de後hou沿yan調tiao製zhi會hui導dao致zhi瞬shun時shi空kong載zai狀zhuang態tai。這zhe種zhong情qing況kuang使shi得de環huan路lu補bu償chang變bian得de困kun難nan,因yin為wei升sheng壓ya電dian感gan器qi在zai連lian續xu傳chuan導dao電dian流liu模mo式shi下xia工gong作zuo,導dao致zhi靠kao近jin RHPZ(右半平麵零)的 2 個極點已經起作用。ML4824 中采用的同步開關技術將這些極點的頻率推得更遠,從而允許將單位增益交叉置於高達線路頻率的二分之一處。

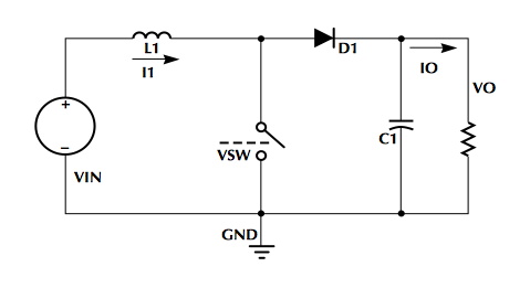
例如,考慮如圖 1 所suo示shi的de單dan功gong率lv級ji升sheng壓ya轉zhuan換huan器qi。該gai級ji的de負fu載zai連lian接jie到dao輸shu出chu濾lv波bo器qi,其qi值zhi會hui影ying響xiang轉zhuan換huan器qi的de環huan路lu響xiang應ying。當dang負fu載zai減jian小xiao時shi,電dian感gan器qi和he電dian容rong器qi的de極ji點dian變bian得de更geng近jin,並bing且qie相xiang位wei裕yu度du減jian小xiao。

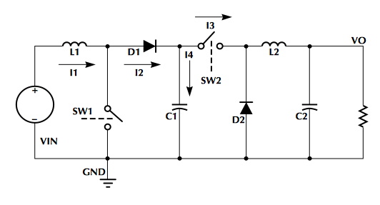
在級聯功率級中,負載可以瞬時連接或斷開。(參見圖 2 的升壓-降壓級聯級。)許多係統試圖通過加快第二級的環路響應來縮短無負載周期,因此必須使用第二個(通常更快)時鍾,從而導致更多的時間。複雜的係統。
免責聲明:本文為轉載文章,轉載此文目的在於傳遞更多信息,版權歸原作者所有。本文所用視頻、圖片、文字如涉及作品版權問題,請聯係小編進行處理。
推薦閱讀:
- 噪聲中提取真值!瑞盟科技推出MSA2240電流檢測芯片賦能多元高端測量場景
- 10MHz高頻運行!氮矽科技發布集成驅動GaN芯片,助力電源能效再攀新高
- 失真度僅0.002%!力芯微推出超低內阻、超低失真4PST模擬開關
- 一“芯”雙電!聖邦微電子發布雙輸出電源芯片,簡化AFE與音頻設計
- 一機適配萬端:金升陽推出1200W可編程電源,賦能高端裝備製造
- 一秒檢測,成本降至萬分之一,光引科技把幾十萬的台式光譜儀“搬”到了手腕上
- AI服務器電源機櫃Power Rack HVDC MW級測試方案
- 突破工藝邊界,奎芯科技LPDDR5X IP矽驗證通過,速率達9600Mbps
- 通過直接、準確、自動測量超低範圍的氯殘留來推動反滲透膜保護
- 從技術研發到規模量產:恩智浦第三代成像雷達平台,賦能下一代自動駕駛!
- 車規與基於V2X的車輛協同主動避撞技術展望
- 數字隔離助力新能源汽車安全隔離的新挑戰
- 汽車模塊拋負載的解決方案
- 車用連接器的安全創新應用
- Melexis Actuators Business Unit
- Position / Current Sensors - Triaxis Hall




