了解數字總線開關係列支持的電壓和頻率
發布時間:2018-05-17 責任編輯:lina
【導讀】當我第一次看到數字總線開關時,我實在想不出這些開關到底有啥用。幸運的是,現在我知道了這些開關的多種使用方法;我(wo)想(xiang)在(zai)這(zhe)裏(li)與(yu)你(ni)分(fen)享(xiang)其(qi)中(zhong)一(yi)種(zhong)方(fang)法(fa)。我(wo)將(jiang)描(miao)述(shu)單(dan)個(ge)控(kong)製(zhi)器(qi)上(shang)複(fu)用(yong)多(duo)個(ge)器(qi)件(jian)的(de)步(bu)驟(zhou)和(he)相(xiang)關(guan)考(kao)慮(lv)。你(ni)可(ke)以(yi)將(jiang)這(zhe)個(ge)技(ji)巧(qiao)用(yong)於(yu)任(ren)意(yi)類(lei)型(xing)的(de)通(tong)信(xin)總(zong)線(xian),不(bu)過(guo)我(wo)還(hai)是(shi)將(jiang)以(yi)USB為例進行說明。
首先,我想稍微談一談“數字總線開關”dedingyi。womenxianjiangzhuyilifangzaizhegemingchengdezuihoubufen。shuodaodi,tazhishiyigekaiguan。tashininenggouyongshuzidefangfa,jiangdianluzhongdeyigelianjiedakaiheguanbi。tu1顯示的是與一個開關等效的電路。

圖1:單通道數字總線開關的簡化示意圖
通過輸出使能引腳 (OE),用電壓來控製這個開關;隻需在高電平關閉開關,在低電平時打開開關。(對於低電平有效OE引腳來說,恰恰相反;這些引腳上通常會有標簽進行標注。)RON 是開關的內部電阻。A和B到開關的兩個連接點。
未在圖1中顯示的是傳播延遲,它是輸入信號到達輸出所需的時間,通常在開關的數據表中用tpd 表示。
通常說來,數字總線開關內部有很多的開關,這些開關使它們能夠控製(你猜到了)數字總線。

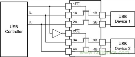
圖2:將2個USB器件複用至單個USB控製器
圖2顯示的是使用一個數字總線開關來將2個USB器件複用至單個USB控製器(USB2.0標準)的基本布局布線。在使用這個拓撲時,你每次隻能與一個器件通信。
在任何的邏輯係統設計中,需要考慮很多重要的值。歸根結底,這些值就是對電壓、電流和定時的要求。表1中列出了針對這一特定係統的要求。
Requirement
Value
Voltage
0V to 3.3V
Continuous current
18mA
Maximum frequency
240MHz (480Mbps)
表1:示例係統要求
如果你想進一步了解數字總線開關的話,請參見使用說明書數字總線開關選型指南。在這份選型指南中,你可以使用圖3來為這個用例輕鬆選擇一個開關。

圖3:數字總線開關係列支持的電壓和頻率
3個係列支持3.3V運行,但隻有其中一款器件能夠處理200MHz以上的頻率:那就是CB3Q。在TI.com內快速搜索可以得到這一係列中可以提供的18款產品的列表,針對你的應用,推薦使用SN74CB3Q3125,這是因為這款器件能夠切換4條數據線路。
圖2的初始電路原理圖和SN74CB3Q3125的(de)唯(wei)一(yi)區(qu)別(bie)就(jiu)是(shi)它(ta)為(wei)每(mei)條(tiao)通(tong)道(dao)單(dan)獨(du)啟(qi)用(yong)一(yi)個(ge)輸(shu)出(chu),而(er)不(bu)是(shi)將(jiang)一(yi)對(dui)輸(shu)出(chu)接(jie)在(zai)一(yi)起(qi)。這(zhe)是(shi)一(yi)個(ge)簡(jian)單(dan)修(xiu)改(gai)考(kao)慮(lv),你(ni)隻(zhi)需(xu)將(jiang)所(suo)需(xu)的(de)使(shi)能(neng)線(xian)路(lu)接(jie)在(zai)一(yi)起(qi)。

圖4:將2個USB器件複用至一個控製器時的SN74CB3Q3125接線
圖4顯xian示shi的de是shi所suo選xuan芯xin片pian上shang能neng夠gou實shi現xian此ci功gong能neng的de連lian接jie。這zhe裏li的de選xuan擇ze線xian路lu有you一yi個ge變bian換huan器qi,不bu過guo其qi它ta安an排pai也ye可ke實shi現xian相xiang似si功gong能neng,隻zhi要yao每mei次ci隻zhi啟qi用yong一yi條tiao通tong道dao即ji可ke。
數字總線開關是多用途器件;這種器件能夠實現隔離,以及多線製通信通道的手工複用。通過擴展這個裝置,你可以將任意數量的外設連接至單個控製器。
推薦閱讀:
特別推薦
- 噪聲中提取真值!瑞盟科技推出MSA2240電流檢測芯片賦能多元高端測量場景
- 10MHz高頻運行!氮矽科技發布集成驅動GaN芯片,助力電源能效再攀新高
- 失真度僅0.002%!力芯微推出超低內阻、超低失真4PST模擬開關
- 一“芯”雙電!聖邦微電子發布雙輸出電源芯片,簡化AFE與音頻設計
- 一機適配萬端:金升陽推出1200W可編程電源,賦能高端裝備製造
技術文章更多>>
- 解鎖算力芯片的“速度密碼”:SmartDV全棧IP方案深度解析
- 1200餘家企業齊聚深圳,CITE2026打造電子信息產業創新盛宴
- 掌握 Gemini 3.1 Pro 參數調優的藝術
- 築牢安全防線:電池擠壓試驗機如何為新能源產業護航?
- Grok 4.1 API 實戰:構建 X 平台實時輿情監控 Agent
技術白皮書下載更多>>
- 車規與基於V2X的車輛協同主動避撞技術展望
- 數字隔離助力新能源汽車安全隔離的新挑戰
- 汽車模塊拋負載的解決方案
- 車用連接器的安全創新應用
- Melexis Actuators Business Unit
- Position / Current Sensors - Triaxis Hall
熱門搜索
光電顯示
光繼電器
光控可控矽
光敏電阻
光敏器件
光敏三極管
光收發器
光通訊器件
光纖連接器
軌道交通
國防航空
過流保護器
過熱保護
過壓保護
焊接設備
焊錫焊膏
恒溫振蕩器
恒壓變壓器
恒壓穩壓器
紅外收發器
紅外線加熱
厚膜電阻
互連技術
滑動分壓器
滑動開關
輝曄
混合保護器
混合動力汽車
混頻器
霍爾傳感器



