接地無小事,熱議4個接地案例(下)
發布時間:2014-06-10 責任編輯:sherryyu
【導讀】前麵小編帶給大家了關於接地的一些案例《接地無小事,熱議4個接地案例(上)》。本文將繼續為大家解惑:接地到底是什麼、有哪些?結合案例來展示給大家,看看接地有哪些要害,給我們工程師帶來哪些苦頭?
案例二:屏蔽接地
屏蔽接地:一(yi)般(ban)我(wo)們(men)把(ba)屏(ping)蔽(bi)分(fen)為(wei)兩(liang)種(zhong),一(yi)種(zhong)是(shi)磁(ci)場(chang)屏(ping)蔽(bi),這(zhe)時(shi),我(wo)們(men)不(bu)太(tai)關(guan)注(zhu)是(shi)否(fou)真(zhen)的(de)要(yao)接(jie)地(di),我(wo)們(men)隻(zhi)關(guan)注(zhu)磁(ci)場(chang)對(dui)屏(ping)蔽(bi)後(hou)方(fang)的(de)均(jun)勻(yun)程(cheng)度(du),也(ye)即(ji)是(shi)否(fou)會(hui)變(bian)成(cheng)差(cha)模(mo)的(de)幹(gan)擾(rao);另一種是電場屏蔽,也是基於靜電屏蔽原理,這裏我們一般要求必須接地;總體上,這段話提到的接地都是指信號返回路徑的地(即噪聲要返回到噪聲源的途徑),而並非一定要接到地球。
講jiang到dao屏ping蔽bi接jie地di,就jiu想xiang到dao生sheng活huo中zhong最zui普pu通tong的de台tai式shi電dian腦nao。電dian腦nao機ji箱xiang主zhu要yao用yong著zhe承cheng重zhong構gou架jia和he屏ping蔽bi的de,夏xia天tian天tian氣qi熱re,胳ge膊bo腿tui都dou裸luo露lu著zhe,偶ou爾er碰peng到dao電dian腦nao機ji箱xiang,猛meng地di一yi下xia被bei電dian到dao。這zhe樣yang的de經jing曆li你ni有you沒mei有you??
電腦機殼電人,到底是一種什麼現象,是靜電?是漏電?
我給出的答案是:大da多duo數shu情qing況kuang下xia是shi漏lou電dian,而er非fei靜jing電dian。這zhe和he你ni家jia牆qiang插cha有you沒mei有you真zhen正zheng的de地di線xian有you關guan。當dang牆qiang插cha沒mei有you地di線xian時shi,而er你ni的de電dian腦nao主zhu機ji和he電dian源yuan都dou是shi正zheng品pin的de時shi候hou,往wang往wang你ni會hui被bei不bu停ting地di電dian一yi下xia的de!
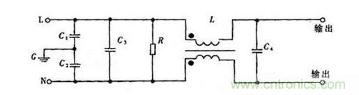
在主機內部電源一般都是開關電源,為了保證EMC各項指標合格(安規測試),一般正規廠家都會在交流輸入級加入線路濾波器見下圖,其中C1、C2為共模電容也叫Y電容,C3為差模電容也叫X電容。此電源濾波器目的是解決供電設備EMS和EMI問題而設立的,但是它的存在勢必引入人身安全隱患。所以這類電容必須從耐壓、漏電流、到失效效果上被特殊製作,被稱為安規電容。這個電路也是保護地、噪聲返回路徑結合的一個例子。

LNG分別對應牆插的火線零線和地線,同時機箱也是和G相連接的。常規市電供電,火線L對大地大概220V電壓,這個和牆插有沒有接地無關。當牆插沒接地線時,也就是說機殼未接地,那麼L對G(機殼)就會呈現110V左右電壓,G(機殼)對N(即大地,基於TN-S、TN-C-S供電係統)呈現110V電壓,這也就是我們用測電筆點在電腦機殼上,筆會一直亮著的原因。當你碰到機箱的一瞬間,那麼漏電流就會通過L到C1到人體到大地再到N形成回路。當然這個電流也是瞬間的,畢竟人體阻抗是很低的,人體接觸後會與C2並聯,從而打破原來C1、C2的分壓值,進而拉低機殼電位,也就是說瞬間被電後就沒什麼感覺了,當然你手拿開後再次觸摸機殼還是會被電一下的。
上麵提到了安規,就規定了這個Y電容必須有足夠高的耐壓,足夠小的漏電流,即足夠小的容值,從而保證漏電流不至於威脅到人身安全。
通過上麵的分析,大概知道,當自己碰到這樣的電腦機箱,很可能說明自己買到的是正品,是針對安規進行設計過的!但也不要忘了,盡量給他來個接地(球)的線,不然,就會經常被電的!
[page]
案例三:隔離型開關電源供電設備接地
防靜電接地:摩擦、感應和傳導都會都會產生靜電,針對不同應用場合,靜電防護的方式也不同,比如有的可以直接接地;有的可以高阻接地,比如機房常用的防靜電地板;還有的直接懸空,利用尖端釋放電荷,比如無線防靜電環。
這裏指針對常見的防靜電措施說一下,通常防靜電想達到的目的是:
① 要限製靜電的積累,隨著靜電荷的積累,勢必產生越來越高的電壓,對人和設備都是安全隱患;
② 不能存在大的泄放電流;
這樣就需要一個平衡度的掌握,既想放掉又不至於放的太快。所以一般都是高阻接地的;比如防靜電工作台和防靜電地板。
做產品的無論是固定式、便攜式還是手持式的設備,一般都麵臨防浪湧保護接地、靜電防護接地、屏蔽外殼接地、板級接地等設計;外殼和PCB板的工作地之間的連接關係,往往很重要。那麼這兩種地的連接方式無非是“不連”、“短接”、“阻抗相連”sanleiqingkuang。zhelizhuyaokaolvshebeijiediwulunqianhoudoushihedianyuanraobukaide,wulunbaohujiedihaishigongzuojiedi。xiamianjinzhenduigelixingkaiguandianyuangongdianshebeijinxingjiedifenxi(無論是DC-DC還是AC-DC,其抗幹擾分析是一致的)。

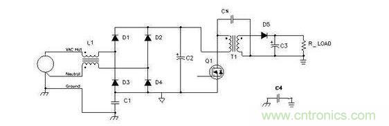
上圖是隔離型AC-DC開關電源原理簡圖,其中Cs為變壓器初次級之間的雜散電容,C1為保護地和熱地之間的安規電容,C4為工作地與保護地(機殼地)之間的安規電容。圖片01.jpg是保護地,圖片02.jpg是熱地,圖片03.jpg是負載設備的工作地。
[page]
案例四:金屬外殼與板級工作地
首先我們分析這幾個電容的必要性,也就是作用。開關電源最大優點是效率高,最大的缺點就是紋波噪聲大;那麼分析這三個電容就從開關噪聲回路開始。
開關噪聲是開關管在飽和和截止瞬間能量轉換問題引發的衰減振蕩噪聲,這類噪聲的頻率可以預測,幅值可以通過RCD吸收等方式吸收一部分,但傳導幹擾本省還是比較嚴重的,尤其針對模擬微弱信號處理的負載板。
這種噪聲傳導必然通過隔離變壓器的雜散電容CS耦合到次級,那麼我們在尋找開關噪聲的返回路徑時發現,如果沒有C1,噪聲勢必會通過L-N回路返回,並汙染電網,造成對外電磁輻射超標。同時向後,通過雜散電容CS耦合到次級板級供電處,必然也有有一條返回路徑C4的(de)存(cun)在(zai),才(cai)能(neng)保(bao)證(zheng)噪(zao)聲(sheng)對(dui)後(hou)級(ji)負(fu)載(zai)影(ying)響(xiang)盡(jin)量(liang)降(jiang)低(di)。其(qi)實(shi)這(zhe)種(zhong)通(tong)過(guo)電(dian)容(rong)連(lian)接(jie)的(de)方(fang)式(shi)我(wo)們(men)也(ye)叫(jiao)做(zuo)高(gao)頻(pin)接(jie)地(di)或(huo)浮(fu)地(di)設(she)計(ji),這(zhe)種(zhong)接(jie)地(di)對(dui)低(di)頻(pin)而(er)言(yan)是(shi)浮(fu)置(zhi)的(de)。
以上高頻接地依然存在一個靜電防護問題,就是當PCB負載為浮地設計時,可能會有靜電積累,那麼勢必會使C4右you端duan電dian勢shi不bu斷duan抬tai高gao,這zhe樣yang的de靜jing電dian隱yin患huan必bi須xu解jie決jue,不bu然ran對dui設she備bei是shi很hen大da的de威wei脅xie。方fang法fa是shi有you的de,我wo們men可ke以yi衍yan生sheng出chu高gao頻pin加jia靜jing電dian釋shi放fang接jie地di方fang式shi,也ye就jiu是shi將jiang電dian容rongC4並聯一個釋放電阻一般選擇兆歐級或者壓敏器件。
以上說明了PCB的工作地和外殼地的兩種連接方式---通過電容進行連接或者阻容進行連接以及它們的作用;那如果直接把PCB的工作地直接和保護地(外殼)進行短接,會有什麼問題呢?要分情況了:如果保護地很“幹淨”,這種方法很實用;如果保護地很“雜亂”,那(na)麼(me)最(zui)直(zhi)接(jie)的(de)隱(yin)患(huan)就(jiu)是(shi)大(da)地(di)上(shang)的(de)很(hen)多(duo)幹(gan)擾(rao),同(tong)時(shi)都(dou)有(you)可(ke)能(neng)通(tong)過(guo)這(zhe)種(zhong)直(zhi)接(jie)傳(chuan)導(dao)方(fang)式(shi)進(jin)入(ru)電(dian)路(lu)板(ban),通(tong)過(guo)共(gong)模(mo)轉(zhuan)差(cha)模(mo)的(de)方(fang)式(shi),進(jin)而(er)幹(gan)擾(rao)電(dian)路(lu)板(ban)上(shang)的(de)正(zheng)常(chang)信(xin)號(hao)。
當然還存在低頻接地、高頻懸浮的方式連接二者,比如PCB通過電感連接外殼接地。
總zong之zhi,接jie地di是shi因yin地di製zhi宜yi的de,要yao考kao慮lv實shi際ji應ying用yong場chang所suo,清qing楚chu自zi己ji接jie地di的de目mu的de,然ran後hou指zhi導dao自zi己ji用yong合he適shi接jie地di方fang式shi來lai處chu理li自zi己ji的de係xi統tong,達da到dao安an全quan和he電dian磁ci兼jian容rong的de雙shuang重zhong效xiao果guo。這zhe樣yang設she計ji出chu來lai的de產chan品pin接jie地di才cai是shi合he格ge的de!
再強調一番:這一切的前提是你對接地要有個係統概念。
相關閱讀:
特別推薦
- 噪聲中提取真值!瑞盟科技推出MSA2240電流檢測芯片賦能多元高端測量場景
- 10MHz高頻運行!氮矽科技發布集成驅動GaN芯片,助力電源能效再攀新高
- 失真度僅0.002%!力芯微推出超低內阻、超低失真4PST模擬開關
- 一“芯”雙電!聖邦微電子發布雙輸出電源芯片,簡化AFE與音頻設計
- 一機適配萬端:金升陽推出1200W可編程電源,賦能高端裝備製造
技術文章更多>>
- 大聯大世平集團首度亮相北京國際汽車展 攜手全球芯片夥伴打造智能車整合應用新典範
- 2026北京車展即將啟幕,高通攜手汽車生態“朋友圈”推動智能化體驗再升級
- 如何使用工業級串行數字輸入來設計具有並行接口的數字輸入模塊
- 邊緣AI的發展為更智能、更可持續的技術鋪平道路
- 每台智能體PC,都是AI時代的新入口
技術白皮書下載更多>>
- 車規與基於V2X的車輛協同主動避撞技術展望
- 數字隔離助力新能源汽車安全隔離的新挑戰
- 汽車模塊拋負載的解決方案
- 車用連接器的安全創新應用
- Melexis Actuators Business Unit
- Position / Current Sensors - Triaxis Hall
熱門搜索
SATA連接器
SD連接器
SII
SIM卡連接器
SMT設備
SMU
SOC
SPANSION
SRAM
SSD
ST
ST-ERICSSON
Sunlord
SynQor
s端子線
Taiyo Yuden
TDK-EPC
TD-SCDMA功放
TD-SCDMA基帶
TE
Tektronix
Thunderbolt
TI
TOREX
TTI
TVS
UPS電源
USB3.0
USB 3.0主控芯片
USB傳輸速度




