新一代多路複用ADC如何簡化複雜係統設計
發布時間:2023-09-06 來源:亞德諾半導體 責任編輯:lina
【導讀】本文介紹新一代多路複用模數轉換器(ADC)如何提供更多通道、更深入的信號鏈集成、靈活性和魯棒性優勢,以簡化複雜係統設計,從而支持在先進工廠和生產設施中實現自動化和過程控製。
在現代生產設施中,適當的模擬前端(AFE)對於實現穩定可靠、精密準確的模數轉換至關重要。由於不同係統和機器之間存在差異,通常情況下,可以使用可編程邏輯控製器(PLC)來控製許多複雜的參數。為此,將通過模擬輸入模塊來利用不同的傳感器和信號。許多傳感器(例如壓力、流量、溫度和稱重量傳感器)zhinenggoutigongsuocecanshuliangdemonishuchu。yinci,xuyaoxuduojingmizhunquedemonixinhaoshurulaishengchengshuzishuchu。raner,moshuzhuanhuanzhishigongzuorenwudeyibufen。shengchansheshizhongdejiedian、傳感器、模擬輸入模塊和PLC之間相互連接,生產環境中也充斥著電氣噪聲和其他幹擾因素(如EMI)。因此,穩定可靠的ADC對於在如此惡劣的條件下有效運行至關重要。
新型多路複用ADC具有高集成度、高精度,高度靈活且穩定可靠
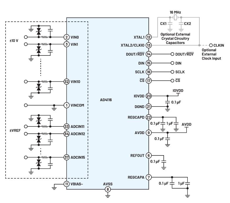
PLC包含許多模擬電壓輸入,用以監控其係統,因此通道數較多。例如,可以使用具有11個單端輸入或6個帶緩衝器的差分輸入的ADC來(lai)實(shi)現(xian)高(gao)通(tong)道(dao)數(shu)。單(dan)端(duan)或(huo)差(cha)分(fen)輸(shu)入(ru)特(te)性(xing)使(shi)其(qi)可(ke)以(yi)與(yu)不(bu)同(tong)傳(chuan)感(gan)器(qi)輕(qing)鬆(song)連(lian)接(jie)。此(ci)外(wai),對(dui)於(yu)使(shi)用(yong)外(wai)部(bu)檢(jian)測(ce)電(dian)阻(zu)進(jin)行(xing)電(dian)流(liu)測(ce)量(liang)的(de)情(qing)況(kuang),將(jiang)其(qi)中(zhong)一(yi)些(xie)通(tong)道(dao)分(fen)配(pei)到(dao)較(jiao)低(di)輸(shu)入(ru)範(fan)圍(wei)非(fei)常(chang)有(you)用(yong)。在(zai)現(xian)代(dai)多(duo)路(lu)複(fu)用(yong)ADC中,例如AD411x係列中的某些器件,此類檢測電阻已集成到器件中。
AFE還集成了關鍵的無源元件,例如采用ADI公司iPassives®技術的高精度、低漂移、匹配的1 MΩ和10 MΩ分壓器,因此無需昂貴的外部元件。這樣,可以充分縮減解決方案的尺寸、重量和電路板空間,在實現更高密度的同時,空間利用也更加優化。

圖1. 新一代多路複用ADC的內部結構
新型多路複用ADC(例如 AD4116 )是一款低功耗、低噪聲、24位Σ-Δ型ADC,其中集成了極高阻抗AFE。圖1顯xian示shi了le該gai器qi件jian的de內nei部bu結jie構gou。為wei實shi現xian更geng高gao靈ling活huo性xing,輸shu入ru可ke以yi獨du立li配pei置zhi。每mei種zhong設she置zhi都dou允yun許xu用yong戶hu使shi能neng或huo禁jin用yong緩huan衝chong器qi,校xiao正zheng增zeng益yi和he失shi調tiao,選xuan擇ze濾lv波bo器qi類lei型xing,選xuan擇ze輸shu出chu數shu據ju速su率lv(ODR),以及選擇基準電壓源。
靈活選擇不同的基準電壓源,有助於輕鬆完成設計任務。這些多路複用ADC具有多種基準電壓源選項,例如:內部低漂移2.5 V電壓源,通過差分Ref+和Ref-引腳提供的外部基準電壓源,或使用模擬電源(AVDD-AVSS)。對於外部基準電壓源,此類ADC的兩個基準輸入端均有真正的軌到軌、集成精密單位增益緩衝器。這些緩衝器具有高輸入阻抗,使外部高阻抗信號源可以直接連接到這些輸入。
同樣,使用該ADC的用戶可以選擇時鍾源,例如內部振蕩器、外部晶振或外部時鍾,這種靈活性可簡化設計過程。
在模擬端,從外設接收外部電壓的輸入端是決定多路複用ADC穩健性的關鍵因素。使用5 V單電源時,AD4116等現代多路複用ADC可以實現高達±20 V的輸入範圍。該ADC甚至可以接受超出這些範圍的輸入電壓而不會損壞器件,因為其絕對最大額定值為±65 V。然而,在該輸入範圍內,精度上可能會有所損失。TVS等外部保護器件(如圖2所示)可以在超出絕對最大額定值時保護ADC。在數字端,CRC校驗增強了接口的穩健性。
ADC輸入端的RC低通濾波器(如圖2所示)有助於抗混疊和噪聲濾波。重要的一點是,濾波電阻與ADC的輸入阻抗串聯放置。此電阻會影響內部分壓比,導致增益誤差。不過,當ADC的輸入阻抗非常高(例如10 MΩ)時,分壓誤差將非常小。例如,如果使用180 Ω,誤差僅為0.0018%左右。此外,該誤差可以通過係統校準或調整增益設置來消除。前者可利用新型多路複用ADC提供的校準模式來完成。這些現代ADC具有四種子校準模式:內部零電平、內部滿量程、係統零電平和係統滿量程。
除校準模式外,對於正常操作,還提供其他選項,包括連續轉換模式、連續讀取模式或單次轉換模式。為了在功耗預算有限的係統中節省功耗,用戶還可以激活待機或關斷模式。
額外的集成功能
新型多路複用ADC的高集成度帶來了更大的靈活性,尤其是在典型的自動化應用中。例如,有四個集成通用輸入輸出(GPIO)引腳,其中兩個可配置為數字輸入或輸出,而另外兩個可以單獨配置為數字輸出(GPO)。這些GPIO或GPO引腳可用於控製額外的外部多路複用器。利用外部多路複用器可以進一步增加通道數。另一個集成特性是可編程延遲模塊,它可以在ADC開始采樣之前使能。此延遲可以使外部多路複用器或放大器穩定下來。默認情況下,新型ADC生成24位轉換結果。但是,轉換結果的寬度可以通過一個控製位減少到16位,以便簡化某些微控製器的數據處理。
集ji成cheng式shi溫wen度du傳chuan感gan器qi可ke以yi幫bang助zhu監jian控kong器qi件jian工gong作zuo的de環huan境jing溫wen度du。它ta還hai可ke用yong於yu診zhen斷duan目mu的de,或huo者zhe作zuo為wei一yi個ge指zhi標biao來lai判pan斷duan應ying用yong電dian路lu是shi否fou必bi須xu運yun行xing校xiao準zhun例li程cheng以yi補bu償chang工gong作zuo溫wen度du的de可ke能neng變bian化hua。

圖2. 典型連接圖。
結論
新型多路複用ADC精jing度du高gao且qie易yi於yu集ji成cheng,可ke滿man足zu現xian代dai生sheng產chan設she施shi和he工gong業ye應ying用yong對dui高gao性xing能neng和he魯lu棒bang性xing日ri益yi增zeng長chang的de需xu求qiu。與yu此ci同tong時shi,設she計ji人ren員yuan獲huo得de了le更geng大da的de靈ling活huo性xing,可ke以yi更geng快kuai速su輕qing鬆song地di滿man足zu係xi統tong性xing能neng要yao求qiu。
免責聲明:本文為轉載文章,轉載此文目的在於傳遞更多信息,版權歸原作者所有。本文所用視頻、圖片、文字如涉及作品版權問題,請聯係小編進行處理。
推薦閱讀:
- 噪聲中提取真值!瑞盟科技推出MSA2240電流檢測芯片賦能多元高端測量場景
- 10MHz高頻運行!氮矽科技發布集成驅動GaN芯片,助力電源能效再攀新高
- 失真度僅0.002%!力芯微推出超低內阻、超低失真4PST模擬開關
- 一“芯”雙電!聖邦微電子發布雙輸出電源芯片,簡化AFE與音頻設計
- 一機適配萬端:金升陽推出1200W可編程電源,賦能高端裝備製造
- 2026藍牙亞洲大會暨展覽在深啟幕
- H橋降壓-升壓電路中的交替控製與帶寬優化
- Tektronix 助力二維材料器件與芯片研究與創新
- 800V AI算力時代,GaN從“備選”變“剛需”?
- 大聯大世平集團首度亮相北京國際汽車展 攜手全球芯片夥伴打造智能車整合應用新典範
- 車規與基於V2X的車輛協同主動避撞技術展望
- 數字隔離助力新能源汽車安全隔離的新挑戰
- 汽車模塊拋負載的解決方案
- 車用連接器的安全創新應用
- Melexis Actuators Business Unit
- Position / Current Sensors - Triaxis Hall


