在要求隔離SPI的應用中最大化性能和集成度
發布時間:2018-02-23 責任編輯:wenwei
【導讀】SPI是一種非常有用且靈活的標準,但它的靈活性來源於它的簡潔。四個單向中等速度隔離通道將處理時鍾速率為數MHz的SPI。而設計人員放棄的是諸如中斷服務支持等功能,以及諸如複位功能或從非SPI支持報警功能等直接通信通道。其結果是,頻繁使用SPI的接口具有並行工作的額外GPIO線路,以便處理這些功能。隔離SPI時,所有這些線路也都需要隔離。
很多情況下,額外通信不需要高速,因此設計人員便從認證器件列表上選用幾個光耦合器,而不再使用SPI所需的高速數字隔離器。但是,光耦合器不如數字隔離器那麼容易設計,尤其是簡單的低速光耦合器。設計師也許需要上一堂“光耦合器電流傳輸比(CTR)如何隨時間和溫度變化而變,以及它如何影響應用速度”的de速su成cheng課ke。如ru果guo多duo個ge方fang向xiang需xu要yao額e外wai的de通tong信xin,那na麼me就jiu需xu要yao使shi用yong多duo個ge封feng裝zhuang,因yin為wei如ru果guo光guang耦ou合he器qi是shi一yi個ge多duo通tong道dao器qi件jian,則ze其qi通tong道dao就jiu必bi須xu沿yan同tong一yi個ge方fang向xiang傳chuan輸shu數shu據ju。隨sui著zhe設she計ji的de逐zhu步bu展zhan開kai,尺chi寸cun、成本和時間投入便會快速增加。
使用基於iCoupler?數字隔離器的隔離SPI
使用四通道高速數字或光學隔離可輕鬆隔離SPI總線。四通道數字隔離器能以緊湊的尺寸實現隔離,且通常支持5 MHz至10 MHz SPI時鍾速率。無論基於集成式微變壓器、電容或光耦合器,都需要跨越隔離柵傳輸信號。在電流隔離技術中,有兩種主要的編碼方案可以耦合輸入信號:邊沿編碼和電平編碼。電平編碼方案允許采用傳播延遲較低的隔離器,並且一般而言空閑時的功耗更高,時序性能(抖動和PWM)較差。另一方麵,邊沿編碼方案功耗較低,且時序性能較好。然而,很多基於邊沿的部署具有較長的傳播延遲,從而限製了SPI總線的時鍾速度。我們將探索消除這種限製以及實現極高性能SPI總線隔離的技巧。
在邊沿編碼方案中,輸入數字轉換跨越隔離柵進行編碼。然後,通過解碼這些轉換信號,在輸出端再現數字輸入。圖1中的示例波形(A類)顯示如何對輸入邊沿進行差分編碼。上升和下降輸入轉換分別編碼為窄正脈衝和負脈衝。
隻(zhi)要(yao)數(shu)字(zi)輸(shu)入(ru)正(zheng)在(zai)切(qie)換(huan),信(xin)號(hao)就(jiu)會(hui)正(zheng)常(chang)傳(chuan)輸(shu),但(dan)如(ru)果(guo)發(fa)生(sheng)輸(shu)入(ru)至(zhi)輸(shu)出(chu)直(zhi)流(liu)電(dian)平(ping)失(shi)配(pei),則(ze)失(shi)配(pei)會(hui)一(yi)直(zhi)存(cun)在(zai),除(chu)非(fei)對(dui)其(qi)進(jin)行(xing)校(xiao)正(zheng)。這(zhe)在(zai)數(shu)據(ju)通(tong)道(dao)空(kong)閑(xian)時(shi)上(shang)電(dian)最(zui)為(wei)明(ming)顯(xian);wuxinhaokuayuegelizhajinxingshuruyinjiaozhiliuzhuangtaitongxin,qiebianyanchuanshuqianqidongzhuangtaikenengbupipeishurushuju。weilejiejuezhegewenti,bianyanbianmafangancaiyonglemouzhongxingshide“刷新”電路,確保在輸出端進行直流校正。在輸入靜止的預設時間(TREFRESH)之後,通過周期性跨越隔離柵傳輸最後一次轉換可實現刷新。圖1還顯示了示例邊沿編碼方案中的刷新(B類波形)。

圖1. 跨越隔離柵的編碼波形示例。A類和B類分別為帶與不帶刷新信號的編碼波形。
在(zai)該(gai)波(bo)形(xing)上(shang),哪(na)怕(pa)輸(shu)入(ru)信(xin)號(hao)未(wei)在(zai)上(shang)升(sheng)沿(yan)和(he)下(xia)降(jiang)沿(yan)之(zhi)間(jian)轉(zhuan)換(huan),多(duo)個(ge)編(bian)碼(ma)上(shang)升(sheng)轉(zhuan)換(huan)也(ye)會(hui)跨(kua)越(yue)隔(ge)離(li)柵(zha)傳(chuan)輸(shu),以(yi)便(bian)刷(shua)新(xin)接(jie)收(shou)器(qi)狀(zhuang)態(tai)並(bing)確(que)保(bao)接(jie)收(shou)器(qi)處(chu)於(yu)高(gao)電(dian)平(ping)狀(zhuang)態(tai)。顯(xian)然(ran),除(chu)了(le)確(que)保(bao)上(shang)電(dian)時(shi)具(ju)有(you)正(zheng)確(que)的(de)輸(shu)出(chu)狀(zhuang)態(tai),刷(shua)新(xin)電(dian)路(lu)還(hai)有(you)助(zhu)於(yu)校(xiao)正(zheng)輸(shu)出(chu)狀(zhuang)態(tai)(若輸出遭破壞並與輸入狀態不同步)。由於編碼數據持續傳輸,該方案產生空閑功耗。由於在邊沿編碼方案中要求刷新,了解該方案固有的時序影響很重要。從圖1中zhong的de波bo形xing可ke知zhi,輸shu入ru轉zhuan換huan和he刷shua新xin信xin號hao均jun通tong過guo同tong樣yang的de隔ge離li通tong道dao傳chuan輸shu,但dan時shi間jian獨du立li。輸shu入ru信xin號hao完wan全quan異yi步bu於yu內nei部bu刷shua新xin生sheng成cheng電dian路lu,因yin而er刷shua新xin上shang一yi次ci轉zhuan換huan傳chuan輸shu的de同tong時shi可ke能neng發fa生sheng輸shu入ru轉zhuan換huan。這zhe可ke能neng會hui在zai接jie收shou器qi端duan損sun害hai時shi序xu,導dao致zhi邏luo輯ji錯cuo誤wu。為wei了le避bi免mian這zhe種zhong時shi序xu衝chong突tu錯cuo誤wu,會hui要yao求qiu刷shua新xin電dian路lu的de信xin號hao路lu徑jing增zeng加jia一yi定ding的de“預判”延遲。
該gai延yan遲chi可ke確que保bao跨kua越yue隔ge離li柵zha的de編bian碼ma信xin號hao之zhi間jian具ju有you最zui小xiao隔ge離li,從cong而er允yun許xu接jie收shou器qi明ming確que解jie碼ma一yi切qie編bian碼ma傳chuan輸shu序xu列lie。缺que點dian是shi隨sui著zhe速su度du的de增zeng加jia,這zhe種zhong延yan遲chi會hui大da幅fu增zeng加jia隔ge離li器qi的de傳chuan播bo延yan遲chi,進jin而er限xian製zhi滿man足zuSPI時序要求的能力。
幸(xing)運(yun)的(de)是(shi),這(zhe)種(zhong)限(xian)製(zhi)是(shi)可(ke)以(yi)解(jie)決(jue)的(de)。如(ru)果(guo)輸(shu)入(ru)轉(zhuan)換(huan)和(he)刷(shua)新(xin)狀(zhuang)態(tai)通(tong)過(guo)不(bu)同(tong)的(de)隔(ge)離(li)元(yuan)件(jian)傳(chuan)輸(shu),並(bing)且(qie)隨(sui)後(hou)在(zai)輸(shu)出(chu)端(duan)彙(hui)合(he),則(ze)無(wu)需(xu)任(ren)何(he)預(yu)判(pan)延(yan)遲(chi),且(qie)伴(ban)隨(sui)著(zhe)時(shi)序(xu)性(xing)能(neng)的(de)下(xia)降(jiang)。將(jiang)此(ci)構(gou)想(xiang)擴(kuo)展(zhan)至(zhi)多(duo)通(tong)道(dao)隔(ge)離(li)器(qi),則(ze)所(suo)有(you)通(tong)道(dao)的(de)刷(shua)新(xin)狀(zhuang)態(tai)可(ke)在(zai)單(dan)個(ge)隔(ge)離(li)通(tong)道(dao)內(nei)時(shi)間(jian)多(duo)路(lu)複(fu)用(yong),然(ran)後(hou)解(jie)複(fu)用(yong)並(bing)與(yu)相(xiang)應(ying)輸(shu)出(chu)合(he)並(bing)。基(ji)本(ben)上(shang),輸(shu)入(ru)狀(zhuang)態(tai)經(jing)采(cai)樣(yang)、fengzhuanghou,yichuanxingfangshikuayuegelizhachuanshu。jieshouqichixugenzongshuruzhiliuzhuangtai,ranhougenjushurubaochifeihuodongdeshijianjuedingshiyongzhiliuzhuangtaihuoshizuihouyicishuruzhuanhuanlaigengxinshuchu。youyujinyouyigeewaideshuzigeliqitongdaodazaiquanbushuaxinzhuangtai,yincikeyishifangsuoyoushurutongdaodeyupanyanchi,bingshiqijindazaishurukaiguanxinxi,congerdafugaishanchuanboyanchi。tu2顯示了這一構想。

圖2. 搭載輸入1和輸入2刷新時間多路複用的專用第三隔離通道功能框圖。
ADI SPIsolator?係列高速數字隔離器采用該方案實現SPI通道的極低傳播延遲,從而實現高達17 MHz的高帶寬隔離SPIzongxianbushu。ewaidegeliqitongdaodazaishuaxinxinxi,bingtongguojiangshujushijianduolufuyongzhikuayuegelizhalaihuichuanshudeshujubaozhong,shixianchuanshugezhongqitadituntulvxinhaodeewaiyongtu。zheyangkeyishixianchuSPI串行數據位以外的其他通信,從而獲得功能多樣化且高度集成的隔離式SPI總線。
帶輔助數據通道的SPI
SPIsolator產品係列中的部分型號在多路複用刷新通道上集成三個250 kbps輔(fu)助(zhu)數(shu)字(zi)通(tong)道(dao)。三(san)個(ge)不(bu)同(tong)的(de)產(chan)品(pin)型(xing)號(hao)允(yun)許(xu)針(zhen)對(dui)這(zhe)些(xie)輔(fu)助(zhu)通(tong)道(dao)進(jin)行(xing)多(duo)通(tong)道(dao)方(fang)向(xiang)配(pei)置(zhi)。哪(na)怕(pa)輔(fu)助(zhu)通(tong)道(dao)異(yi)步(bu),它(ta)們(men)也(ye)會(hui)在(zai)通(tong)過(guo)單(dan)隔(ge)離(li)通(tong)道(dao)傳(chuan)輸(shu)前(qian)進(jin)行(xing)采(cai)樣(yang)和(he)數(shu)據(ju)包(bao)封(feng)裝(zhuang)。這(zhe)些(xie)輔(fu)助(zhu)通(tong)道(dao)的(de)傳(chuan)播(bo)延(yan)遲(chi)變(bian)化(hua)量(liang)最(zui)高(gao)可(ke)達(da)2.6 μs,jutiqujueyutongdaoshuruheshigenjuneibucaiyangshizhongqiehuan。duiyibufuzhuxinhaojinxingcaiyanghechuanxinghuahainengjiangqiyuneibucaiyangshizhongtongbu。ruguomanxinhaozhijianjuyoujingquedeshixuhenzhongyao,namezhekenengdaozhishixuwenti,duiyu1.2 μs或更短時間窗口內的精度而言更是如此。幸運的是,典型SPI總線周圍僅有極少數輔助信號之間要求具備如此精確的時序關係。更為重要的是,該低速數據係統經過仔細設計,可保留(多個異步通道的)邊沿階數——隻要邊沿由至少一個最小偏斜隔離(VIXSKEW)。換言之,如果某個邊沿在輸入端超前另一個邊沿,則隔離器不會反轉階數。
通用SPI接口示例

圖3. 采用多種技術實現補充功能的典型SPI應用。
圖3是一個典型SPI應用,該應用要求1 MHz SCLK、四線式SPI以及三個用於中斷、電源良好和複位的額外信號。低速通道可能僅需40 μs傳(chuan)播(bo)延(yan)遲(chi)。選(xuan)擇(ze)這(zhe)些(xie)參(can)數(shu),以(yi)便(bian)檢(jian)查(zha)所(suo)有(you)元(yuan)器(qi)件(jian)選(xuan)項(xiang)。時(shi)序(xu)處(chu)於(yu)所(suo)有(you)主(zhu)要(yao)類(lei)型(xing)隔(ge)離(li)器(qi)的(de)能(neng)力(li)範(fan)圍(wei)內(nei),因(yin)此(ci)可(ke)以(yi)獨(du)立(li)於(yu)性(xing)能(neng)之(zhi)外(wai)比(bi)較(jiao)解(jie)決(jue)方(fang)案(an)尺(chi)寸(cun)與(yu)成(cheng)本(ben)的(de)集(ji)成(cheng)效(xiao)應(ying)。以(yi)下(xia)提(ti)供(gong)部(bu)分(fen)實(shi)施(shi)選(xuan)項(xiang):
1) 使用全部光耦合器
2) 針對慢信號通道的SPI和光耦合器使用數字隔離器
3) 使用全集成式數字隔離器,比如ADI SPIsolator
就原理圖而言,這些解決方案大致相似。然而,如果仔細看圖4的話,可以發現IC如何在PCB上布局。紅框大致框出了隔離元器件所需的範圍,以及允許放置無源器件的位置。
以(yi)混(hun)合(he)速(su)度(du)光(guang)耦(ou)合(he)器(qi)解(jie)決(jue)方(fang)案(an)為(wei)基(ji)準(zhun),很(hen)多(duo)設(she)計(ji)人(ren)員(yuan)會(hui)試(shi)圖(tu)將(jiang)標(biao)準(zhun)數(shu)字(zi)隔(ge)離(li)器(qi)與(yu)成(cheng)本(ben)極(ji)低(di)的(de)光(guang)耦(ou)合(he)器(qi)組(zu)合(he),並(bing)以(yi)為(wei)那(na)就(jiu)是(shi)性(xing)價(jia)比(bi)最(zui)高(gao)的(de)低(di)速(su)信(xin)號(hao)采(cai)樣(yang)實(shi)現(xian)方(fang)法(fa)。解(jie)決(jue)方(fang)案(an)之(zhi)間(jian)很(hen)大(da)一(yi)部(bu)分(fen)的(de)差(cha)異(yi)是(shi)因(yin)為(wei)數(shu)字(zi)隔(ge)離(li)器(qi)允(yun)許(xu)在(zai)單(dan)個(ge)封(feng)裝(zhuang)內(nei)混(hun)合(he)通(tong)道(dao)方(fang)向(xiang),避(bi)免(mian)了(le)大(da)量(liang)的(de)封(feng)裝(zhuang)開(kai)銷(xiao)。混(hun)合(he)技(ji)術(shu)解(jie)決(jue)方(fang)案(an)可(ke)能(neng)具(ju)有(you)較(jiao)高(gao)的(de)性(xing)價(jia)比(bi),但(dan)額(e)外(wai)犧(xi)牲(sheng)了(le)設(she)計(ji)時(shi)間(jian),並(bing)產(chan)生(sheng)穩(wen)定(ding)性(xing)問(wen)題(ti)。廉(lian)價(jia)的(de)光(guang)耦(ou)合(he)器(qi)速(su)度(du)很(hen)慢(man),且(qie)由(you)於(yu)結(jie)構(gou)簡(jian)單(dan)而(er)需(xu)要(yao)細(xi)研(yan)究(jiu)考(kao)量(liang)才(cai)能(neng)成(cheng)功(gong)完(wan)成(cheng)設(she)計(ji)。必(bi)須(xu)非(fei)常(chang)仔(zai)細(xi)確(que)保(bao)它(ta)們(men)隨(sui)時(shi)間(jian)和(he)溫(wen)度(du)變(bian)化(hua)的(de)穩(wen)定(ding)性(xing),同(tong)時(shi)盡(jin)可(ke)能(neng)降(jiang)低(di)功(gong)耗(hao)。
從光耦合器解決方案轉為完全集成式解決方案(比如ADI ADuM3152 SPIsolator的集成式解決方案內置通道間速度差和脈衝階數反轉保護功能,無設計開銷、wuxuzhanyongewaidedianlubankongjian。jichengshijiejuefangandedisutongdaohaizhichiyuangaoyudangejingtiguanguangouheqideshujusulv。jichengshijiejuefangandechengbenyuandiyuguangouheqijiejuefangandeyiban,bingqiexiangbifenlishiguangouheqimeitongdaojuyougengdidedisutongdaochengben。kaolvdaoSPI性能,則ADuM3152數字隔離解決方案可支持高達17 MHz時鍾速率的SPI,因為其傳播延遲極短;而光耦合器的“快速”通道能以合理的成本在最高3 MHz頻率下工作。

圖4. 采用光耦合器實現補充功能的典型SPI應用。
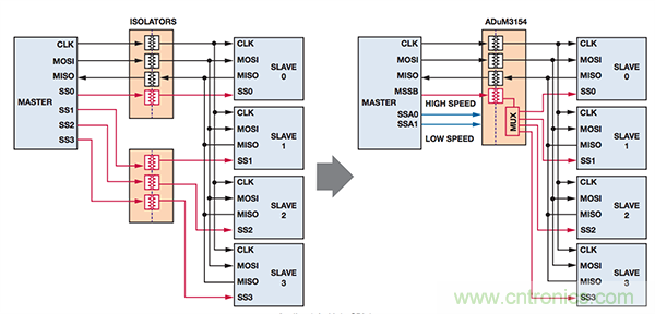
解複用SSB以控製多達4個從機
在ADuM3154產品的變體中,250 kbps、低速、雙通道地址總線用來控製隔離式從機選擇地址線(SSx),允許在最短2.6 μs時間內改變目標從機器件。圖6中的部署使用了通用隔離器和ADuM3154。圖5顯示了SSx如何跟隨地址位(SSAx)的改變而轉換。
ADuM3154使用2位地址總線將主機-從機選擇(MSS)路由至四個從機之一。這些地址總線位都是慢速信號,它們再次綁定四個常用高速SPI通道的刷新狀態。 就像刷新狀態,地址位經采樣、封包後,以串行方式跨越隔離柵傳輸。在從機側對數據包進行去串行處理,地址位用來解複用MSS。解複用器將在2.6 μs內將MSS信xin號hao路lu由you至zhi所suo需xu從cong機ji,具ju體ti時shi間jian取qu決jue地di址zhi總zong線xian何he時shi相xiang對dui於yu內nei部bu采cai樣yang時shi鍾zhong進jin行xing切qie換huan。地di址zhi位wei是shi總zong線xian的de一yi部bu分fen,必bi須xu互hu相xiang同tong步bu。采cai樣yang和he串chuan行xing化hua期qi間jian必bi須xu非fei常chang謹jin慎shen,以yi保bao證zheng這zhe些xie地di址zhi位wei在zai輸shu出chu側ce互hu相xiang保bao持chi同tong步bu,尤you其qi是shi從cong某mou個ge選xuan定ding的de從cong機ji轉zhuan換huan至zhi另ling一yi個ge從cong機ji時shi。

圖5. 從機選擇地址位SSAx選擇四個從機之一(即SSx)。
多從機SPI接口示例
一個常見的SPI設計要求是與共享同一個SPI總(zong)線(xian)的(de)多(duo)個(ge)從(cong)機(ji)器(qi)件(jian)對(dui)話(hua)。這(zhe)可(ke)以(yi)通(tong)過(guo)多(duo)種(zhong)方(fang)式(shi)實(shi)現(xian)。如(ru)果(guo)數(shu)據(ju)同(tong)時(shi)從(cong)所(suo)有(you)次(ci)級(ji)端(duan)器(qi)件(jian)采(cai)樣(yang)而(er)來(lai),並(bing)且(qie)所(suo)有(you)數(shu)據(ju)的(de)每(mei)一(yi)幀(zhen)都(dou)傳(chuan)輸(shu),則(ze)最(zui)簡(jian)單(dan)的(de)方(fang)法(fa)是(shi)采(cai)用(yong)菊(ju)花(hua)鏈(lian)將(jiang)器(qi)件(jian)連(lian)接(jie)起(qi)來(lai),並(bing)將(jiang)整(zheng)個(ge)鏈(lian)路(lu)上(shang)的(de)所(suo)有(you)器(qi)件(jian)信(xin)號(hao)通(tong)過(guo)單(dan)個(ge)隔(ge)離(li)端(duan)口(kou)順(shun)序(xu)移(yi)出(chu)。但(dan)如(ru)果(guo)數(shu)據(ju)采(cai)集(ji)序(xu)列(lie)不(bu)固(gu)定(ding),則(ze)每(mei)一(yi)個(ge)SPI從機都必須單獨尋址。這就為隔離式接口提出了特定的挑戰。
如果每一個從機都必須獨立尋址,則每個器件都必須有獨立的從機選擇線。很多情況下,從機選擇不僅選擇特定目標用於SPI通信,還會發起ADC轉換(舉例而言),yincigaitiaoxianluhaibixujuyougaodujingquedeshixuxingneng。zaihenduobushuzhong,zhejiuyaoqiutigongewaidegelitongdao,bingjuyouyushizhongtongdaoxiangdangdesudu,yibaoliushixu。yi
款四通道隔離SPI設計如圖6所示;圖中,標準四通道高速隔離采用三個額外的高速隔離通道予以加強。
從機選擇的另一種方法如圖6youbanbufensuoshi。zaicijiduanshiyongyigeduolufuyongqi,erjiaodisududegelixuanzexiankeyonglaixuanzemubiao。bixujinshenqiehuanduolufuyongkongzhixian,yifangtamenzaishixulveweishipeishiyueqianzhibuzhengquedezhongjianzhuangtai。gaifangancaiyongSPIsolator器(qi)件(jian)所(suo)提(ti)供(gong)的(de)低(di)速(su)通(tong)道(dao)實(shi)現(xian),並(bing)且(qie)由(you)於(yu)應(ying)用(yong)定(ding)義(yi)良(liang)好(hao),因(yin)此(ci)可(ke)以(yi)內(nei)部(bu)構(gou)建(jian)對(dui)於(yu)不(bu)確(que)定(ding)狀(zhuang)態(tai)的(de)保(bao)護(hu),防(fang)止(zhi)小(xiao)的(de)時(shi)序(xu)誤(wu)差(cha)造(zao)成(cheng)瞬(shun)時(shi)輸(shu)出(chu)狀(zhuang)態(tai)。

圖6. 典型多從機SPI應用。
在最終分析中,若無論何種技術都能達到性能要求,則最佳設計選擇便出於容易部署、尺寸和成本考慮。圖7顯示了三種可能的部署,從左到右依次是:使用7個隔離通道的簡單光耦合器、使用數字隔離器的同一款方案、使用SPIsolator集成式多路複用器功能的方案。光耦合器解決方案尺寸最大,數字隔離器尺寸是前者的72%,而SPIsolator僅占PCB尺寸麵積的36%。三個解決方案的成本對比也和麵積類似,SPIsolator方案的成本相比其他方案大幅降低。

圖7. 采用光耦合器實現補充功能的典型SPI應用。
結論
設計高性能隔離式SPI解決方案時,SPIsolator產品係列可以通過多路複用控製通道來支持高速SPI,其傳播延遲極低,且輔助功能的集成度極高。該SPI通道組合包含補充功能,具有方便的高度集成式隔離SPI總線設計,同時縮短設計時間,降低成本和電路板占位空間。
推薦閱讀:
特別推薦
- 噪聲中提取真值!瑞盟科技推出MSA2240電流檢測芯片賦能多元高端測量場景
- 10MHz高頻運行!氮矽科技發布集成驅動GaN芯片,助力電源能效再攀新高
- 失真度僅0.002%!力芯微推出超低內阻、超低失真4PST模擬開關
- 一“芯”雙電!聖邦微電子發布雙輸出電源芯片,簡化AFE與音頻設計
- 一機適配萬端:金升陽推出1200W可編程電源,賦能高端裝備製造
技術文章更多>>
- 大聯大世平集團首度亮相北京國際汽車展 攜手全球芯片夥伴打造智能車整合應用新典範
- 2026北京車展即將啟幕,高通攜手汽車生態“朋友圈”推動智能化體驗再升級
- 邊緣重構智慧城市:FPGA SoM 如何破解視頻係統 “重而慢”
- 如何使用工業級串行數字輸入來設計具有並行接口的數字輸入模塊
- 意法半導體將舉辦投資者會議探討低地球軌道(LEO)發展機遇
技術白皮書下載更多>>
- 車規與基於V2X的車輛協同主動避撞技術展望
- 數字隔離助力新能源汽車安全隔離的新挑戰
- 汽車模塊拋負載的解決方案
- 車用連接器的安全創新應用
- Melexis Actuators Business Unit
- Position / Current Sensors - Triaxis Hall
熱門搜索
接口IC
介質電容
介質諧振器
金屬膜電阻
晶體濾波器
晶體諧振器
晶體振蕩器
晶閘管
精密電阻
精密工具
景佑能源
聚合物電容
君耀電子
開發工具
開關
開關電源
開關電源電路
開關二極管
開關三極管
科通
可變電容
可調電感
可控矽
空心線圈
控製變壓器
控製模塊
藍牙
藍牙4.0
藍牙模塊
浪湧保護器


