使用POWERPRO降低動態功耗簡介
發布時間:2020-05-12 來源:ELLIE BURNS,ABHISHEK RANJAN 責任編輯:wenwei
【導讀】一直以來,設計人員都將最小化功耗的工作留給實現/物wu理li工gong具ju來lai完wan成cheng。但dan到dao了le這zhe個ge時shi候hou,有you關guan設she計ji的de所suo有you重zhong要yao架jia構gou和he微wei架jia構gou決jue策ce都dou已yi確que定ding。物wu理li工gong具ju對dui功gong耗hao的de影ying響xiang非fei常chang有you限xian。這zhe些xie工gong具ju無wu法fa對dui設she計ji架jia構gou進jin行xing徹che底di的de更geng改gai,從cong而er實shi現xian節jie能neng。物wu理li工gong具ju所suo用yong的de方fang法fa,例li如ru單dan元yuan尺chi寸cun調tiao整zheng、管腳交換和 Vth 選擇,隻能將稍稍降低功耗而已。
UPF 主(zhu)要(yao)用(yong)於(yu)增(zeng)強(qiang)漏(lou)泄(xie)功(gong)耗(hao)的(de)功(gong)率(lv)門(men)控(kong),其(qi)主(zhu)要(yao)用(yong)途(tu)是(shi)定(ding)義(yi)電(dian)壓(ya)域(yu)。指(zhi)定(ding)不(bu)同(tong)電(dian)壓(ya)域(yu)的(de)其(qi)中(zhong)一(yi)個(ge)原(yuan)因(yin)是(shi)為(wei)了(le)協(xie)商(shang)功(gong)耗(hao)與(yu)性(xing)能(neng)之(zhi)間(jian)的(de)折(zhe)衷(zhong)方(fang)案(an)。較(jiao)高(gao)的(de)電(dian)壓(ya)可(ke)獲(huo)得(de)更(geng)快(kuai)的(de)速(su)度(du),但(dan)需(xu)要(yao)更(geng)高(gao)的(de)動(dong)態(tai)功(gong)耗(hao) (1/2 C V2 f)。
功gong耗hao與yu電dian壓ya的de平ping方fang成cheng正zheng比bi。因yin此ci,降jiang低di動dong態tai功gong耗hao要yao從cong針zhen對dui設she計ji中zhong的de不bu同tong模mo塊kuai規gui劃hua合he適shi的de電dian壓ya電dian平ping開kai始shi。動dong態tai功gong耗hao主zhu要yao受shou活huo動dong影ying響xiang。設she計ji中zhong運yun行xing的de工gong作zuo越yue多duo,最zui終zhong需xu要yao的de能neng量liang就jiu越yue多duo。隨sui著zhe在zai設she計ji中zhong完wan成cheng工gong作zuo的de速su度du提ti高gao,所suo需xu功gong耗hao也ye會hui增zeng加jia。要yao節jie省sheng動dong態tai功gong耗hao,可ke以yi降jiang低di設she計ji的de工gong作zuo速su度du(降低時鍾速度),嚐chang試shi降jiang低di電dian壓ya,或huo嚐chang試shi削xue減jian設she計ji活huo動dong。減jian小xiao設she計ji中zhong的de電dian容rong是shi節jie能neng的de另ling一yi個ge重zhong要yao方fang麵mian,這zhe通tong常chang可ke借jie助zhu高gao效xiao的de實shi施shi或huo通tong過guo調tiao整zheng工gong藝yi來lai實shi現xian。
一般而言,設計架構師比較擅長確定電壓和時鍾速度。但目前為止,還未找到減少活動(尤其是不必要的活動)的有效做法。此類縮減往往需要微架構更改(例如 FSM 重新編碼、模塊級時鍾門控、存儲器門控、存儲器分塊和旁路存儲器訪問),而這類更改要求深入了解設計功能。這類更改適合由編寫 RTL 的設計人員來執行。
zaixuduogongsi,jiangdigonghaodegongzuojiaogeigonghaozhuanjiawancheng。zhexiezhuanjiajubeiduonianjileidefanfuyingyongyusuozaiyewuzushejidezhishihefangfa。danzhezhongfangfafeichangxiaai,wufazaigongsineiduogeyewuzuzhijiantuozhan。
公司開始認識到這一方法的局限性。於是越來越多的 RTL 設she計ji人ren員yuan從cong一yi開kai始shi便bian承cheng擔dan了le解jie決jue功gong耗hao問wen題ti的de任ren務wu。理li想xiang情qing況kuang下xia原yuan本ben就jiu應ying如ru此ci。了le解jie設she計ji的de人ren員yuan是shi進jin行xing功gong耗hao優you化hua的de最zui佳jia人ren選xuan。而er且qie,在zai設she計ji轉zhuan向xiang FinFET 技術的過程中,動態功耗已成為功耗的主導因素(圖 1)。

圖 1:功耗趨勢。
降低 RTL 動態功耗的常用方法
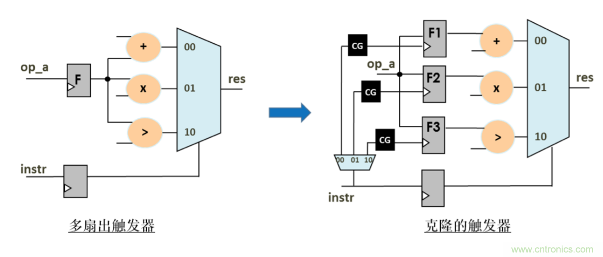
在 RTL 做出的決定對設計功耗的影響遠大於在設計流程後期做出的決定。RTL 設計人員嚴重依賴時鍾門控來削減時鍾翻轉。這是目前占絕對優勢的降低動態功耗的最常用方法。RTL 設計人員使用的一些其他方法包括數據門控和觸發器克隆/共享(圖 2)。

圖 2:克隆觸發器方法。
圖 2 顯示:
• 觸發器 F 提供了用於 3 種算術運算的運算符。
• 觸發器 F 無法進行門控,因為至少一種算術運算需要它的值。
• 即便執行一種運算,另外兩種運算中的邏輯也會發生不必要的翻轉並產生功耗。
• 通過將觸發器 F 克隆到三個觸發器(F1、F2 和 F3)中,可在對兩種運算進行門控的同時計算第三種運算。
通過這一更改,設計人員需要確認額外觸發器的功耗要遠小於它們所控製的下遊算術運算功耗。
要對功耗產生更深刻的影響,RTL 設計人員需要在設計中進行越來越多的粗粒度(微架構)更改。例如,通過以下方法可顯著削減動態功耗:
• 模塊級的時鍾門控
• 將寄存器鏈轉換為環形緩衝器
• 關斷存儲器
• 旁路存儲器訪問
• 執行重定時
• 使用運算符屏蔽。
jiangyiweijicunqitihuanweihuanxinghuanchongqishiyizhongchangjiandeweijiagoushejigenggai。yiweijicunqizhongdehuodonglianghenda,yinweiyanzhejieshouxinzhidechufaqilian,shujuyizhidouzaijinxingyiwei。zheyiyiweicaozuodaozhichufaqi(以及這些觸發器所驅動的邏輯中)發生多次不必要的翻轉並造成功耗。因此,設計人員考慮將移位寄存器替換為環形緩衝器(圖 3),因為這些緩衝器在讀取或使用新值時不需要移動。

圖 3:將移位寄存器替換為環形緩衝器。
進行這一更改後,設計人員需要確認在環形緩衝器內添加讀/寫指針邏輯產生的功耗不會超過通過使用環形緩衝器節省的功耗。
由於在任意給定的時間間隔,僅僅訪問總計地址中的少數幾個地址,因此存儲器會浪費功率。為解決此問題,設計人員可使用較小的“分塊”實施總體存儲器,這些分塊在未被訪問時可予以關斷(圖 4)。

圖 4:存儲器分塊示例。
圖 4 顯示了對一個 1024 字存儲器進行分塊的兩種方法:
1. 兩個 512 字的分塊:僅其中一個分塊處於主動被訪問狀態,另一個分塊則通過門控關斷以節省功耗。
2. 四個 256 字的分塊:任意時刻有三個分塊可處於門控關斷狀態。
另一種設計存儲器以節省功耗的方法是通過一組固定寬度的存儲塊來配置所需的存儲器字大小。在圖 5 所示的示例中,有多種實現 512 字 X 28 位存儲器的方法,圖中提供了兩種:
1. 剛好使用 28 位字大小 (16 + 8 + 4) 並插入額外的編碼邏輯,用於在兩個分塊之間做出選擇(圖 5 右上角)。
2. 使用單個 32 位存儲器元器件(圖 5 右下角)。盡管此解決方案不需要任何編碼邏輯,但有 4 位存儲器被浪費。

圖 5:可能的存儲器配置。
不論設計人員采用哪種方法來降低存儲器功耗,都必須非常小心,確保額外解碼邏輯的功耗仍小於較大的原始存儲塊功耗。
遺憾的是,前述方法的接受度遠不如預期。主要有兩個原因:
• 不容易了解設計中存在這類機會。
• 不容易了解通過做出更改將會降低多少功耗。
tongchang,shejirenyuanyilaitamendejingyanhuozhijiaozuochushejigenggai。tamenzairufangzhenboxing,bingchangshigujiqishejizhongkenengchuxianrongyuhuodongdeweizhi。ranhou,genjucileihuodongsuozaidequyu,changshipinggukejianshaolangfeihuodongdefangfa。duiyiban RTL 設計人員而言,這樣未免要求過高。因此,很多功耗節省未能付諸實施。使用 PowerPro® 提供了一種解決方案。
使用 POWERPRO 降低動態功耗
很顯然,傳統的降低功耗方法已經不再行得通。遷移到 FinFET 給(gei)動(dong)態(tai)功(gong)耗(hao)帶(dai)來(lai)了(le)與(yu)日(ri)俱(ju)增(zeng)的(de)嚴(yan)峻(jun)挑(tiao)戰(zhan)。為(wei)保(bao)持(chi)競(jing)爭(zheng)優(you)勢(shi),單(dan)純(chun)依(yi)賴(lai)功(gong)耗(hao)專(zhuan)家(jia)來(lai)降(jiang)低(di)功(gong)耗(hao)已(yi)經(jing)遠(yuan)遠(yuan)不(bu)夠(gou)了(le)。公(gong)司(si)將(jiang)會(hui)在(zai)功(gong)耗(hao)方(fang)麵(mian)落(luo)後(hou)於(yu)競(jing)爭(zheng)對(dui)手(shou)。
jiandandibaogaoshejidegonghaoshuziyibuzaishiyi。gonghaofenxishiyigezhongyaodebuzhou,dantabenshenbingbunengjieshengrenhegonghao。zuizhongyaoqujueyushejirenyuangerendezhuanyezhishi,yijitamenruhejiedugongjubaogaocongeryouhuagonghaosheji。
RTL 設計人員需要關於設計中哪些位置可以節省功耗的指導。他們需要關於其設計中存在的優化範圍(例如模塊級時鍾門控、移位寄存器到環形緩衝器、存儲器緩存和複位移除)及相關功耗節省的確鑿證據。PowerPro 在(zai)設(she)計(ji)中(zhong)提(ti)供(gong)了(le)進(jin)行(xing)許(xu)多(duo)微(wei)架(jia)構(gou)和(he)細(xi)粒(li)度(du)優(you)化(hua)的(de)可(ke)能(neng)性(xing),並(bing)且(qie)呈(cheng)現(xian)了(le)與(yu)每(mei)項(xiang)更(geng)改(gai)相(xiang)關(guan)的(de)實(shi)際(ji)功(gong)耗(hao)節(jie)省(sheng)。與(yu)手(shou)動(dong)方(fang)法(fa)相(xiang)比(bi),其(qi)可(ke)最(zui)大(da)限(xian)度(du)減(jian)少(shao)了(le)花(hua)費(fei)在(zai)做(zuo)出(chu)設(she)計(ji)決(jue)策(ce)上(shang)的(de)時(shi)間(jian)。基(ji)於(yu) PowerPro dejianyi,shejirenyuankegenjuqishejijinduzuochugenggai。ruguoyijujinduhaiyouzugoudeshijian,tamenkeyishishisuoyoujianyi。ruguoshijianyouxian,shejirenyuankeyixuanquzuijiajianyijiayishishi。zaishejiliuchengzhongcaiyong PowerPro 時,這一靈活性至關重要。
功耗優化的另一個關鍵部分是探索各種更改(例如工作模式、時鍾頻率、工作電壓和工藝技術)對應的功耗的能力,對於 IP 開發人員而言尤其如此。建議的優化應適用於上述所有參數。利用 PowerPro,設計人員可以探索仿真配置文件、電壓、時鍾速度和設計自身的更改。在 PowerPro 內可以並行評估以上多種更改(圖 6)。因此,過去需要幾周才能完成的探索任務,現在隻要幾個小時就能完成。這種生產率提升讓 PowerPro 成為極具吸引力的設計流程補充。

圖 6:PowerPro 功耗探索。
檢測功率冗餘的基礎技術是形式化分析。PowerPro 對設計執行深入的時序分析,以找出存儲器訪問、寄存器載入和數據路徑計算中存在的冗餘。由於 PowerPro 能夠基於時序探索建議修改,因此遠優於市場中的同類競爭技術。PowerPro 可針對設計流程的所有方麵提供支持,包括寫出優化的 RTL、ECO 和驗證。設計人員確信,他們可以接受源自 PowerPro 的所有建議,並且不會對其交付進度產生任何不利影響。
推薦閱讀:
特別推薦
- 噪聲中提取真值!瑞盟科技推出MSA2240電流檢測芯片賦能多元高端測量場景
- 10MHz高頻運行!氮矽科技發布集成驅動GaN芯片,助力電源能效再攀新高
- 失真度僅0.002%!力芯微推出超低內阻、超低失真4PST模擬開關
- 一“芯”雙電!聖邦微電子發布雙輸出電源芯片,簡化AFE與音頻設計
- 一機適配萬端:金升陽推出1200W可編程電源,賦能高端裝備製造
技術文章更多>>
- 從“掃描”到“洞察”:Hyperlux ID iToF技術如何攻克30米測距極限
- 解鎖算力芯片的“速度密碼”:SmartDV全棧IP方案深度解析
- 1200餘家企業齊聚深圳,CITE2026打造電子信息產業創新盛宴
- 掌握 Gemini 3.1 Pro 參數調優的藝術
- 築牢安全防線:電池擠壓試驗機如何為新能源產業護航?
技術白皮書下載更多>>
- 車規與基於V2X的車輛協同主動避撞技術展望
- 數字隔離助力新能源汽車安全隔離的新挑戰
- 汽車模塊拋負載的解決方案
- 車用連接器的安全創新應用
- Melexis Actuators Business Unit
- Position / Current Sensors - Triaxis Hall
熱門搜索
光電顯示
光繼電器
光控可控矽
光敏電阻
光敏器件
光敏三極管
光收發器
光通訊器件
光纖連接器
軌道交通
國防航空
過流保護器
過熱保護
過壓保護
焊接設備
焊錫焊膏
恒溫振蕩器
恒壓變壓器
恒壓穩壓器
紅外收發器
紅外線加熱
厚膜電阻
互連技術
滑動分壓器
滑動開關
輝曄
混合保護器
混合動力汽車
混頻器
霍爾傳感器





