電磁流量計可在工業應用中實現高精度
發布時間:2020-05-07 來源:Ke Li 和 Colm Slattery 責任編輯:wenwei
【導讀】從煉油廠到自動售貨機等工業應用要求具有精確的溫度、壓力 heliuliangceliang,yikongzhifuzayijijiandanguocheng。liru,zaishipinxingye,chanpinzhuangpinghezhuangguandeliuliangjingquekongzhihuizhijieyingxianglirun,yincibixuzuidachengdujiangdiliuliangceliangwucha。leisidi,fengbiyunshuyingyong——比如石油工業中油罐和油罐車之間的原油和成品油交換——需要高精度測量。本文提供流量計技術概述,重點討論液體流量測量中精度最高之一的電磁流量計。
圖 1 顯示采用流量計和執行器控製液體流速的基本過程控製係統。在最低的水平處,諸如溫度、流速和氣體濃度等過程變量通過輸入模塊監控,該模塊通常是可編程邏輯控製器(PLC)的一部分。這些信息由比例-積分-微分(PID)環路在內部處理。PLC利用這些信息來設置輸出,控製穩態過程。過程數據、診 斷和其他信息可向上傳遞至操作層,而命令、參數和校準數據可向下傳遞至傳感器和執行器。

圖 1. 測量和控製液體流速的基本係統
采用多種不同技術測量流速,包括差壓、科氏力、超聲和電磁等。最常用的是差壓流量計,但它們對係統中的壓力變化較為敏感。科氏流量計具有最高的精度(高達 0.1%),但它們體積較大且成本高昂。超聲流量計通常體積較小、成本較低,但精度有限(典型值為 0.5%)。超聲流量計采用無創測量技術, 提升可靠性的同時最大程度減少了隨時間變化的檢測要素的影響,但無法用於髒水或遭到汙染的液體。
電磁流量計也能提供無創檢測。這些設備可用於酸性、堿性和離子液體——這些液體的電導率範圍為 10 S/m至 10–6 S/m,並且可以是幹淨、肮髒、腐蝕性、侵蝕性或粘性的液體或漿體,但不適用於碳氫化合物或氣體流量測量。它們能夠針對直徑小至大約 0.125 英寸、最大容量為 10 立方英尺的低流速和高流速提供相對較高的係統精度(0.2%),並且哪怕在更低的流速下也能保持讀數的可重複性。它們可以測量雙向流量,即上遊或下遊。表 1 比較了幾種常見的流量計技術。
表 1. 工業流量計技術

電磁流量計采用法拉第電磁感應定律,該定律指出,在磁場中移動的導體將會產生感應電壓。液體可看作導體;磁場由流管外的通電線圈產生。感應電壓幅度直接與導體的運動速度和導體類型、流管直徑以及磁場強度成正比,如圖 2 所示。
法拉第定律在數學上可以表示為:E = kBLV
其中,V表示導電流體的運動速度;B表示磁場強度;L表示拾取電極之間的間距;E表示電極兩端測得的電壓;k為常數。B、L和k可以是固定值,也可以進行校準,從而等式簡化為:E ∝ V。

圖 2. 電磁流量計
流過勵磁線圈的電流產生受控磁場。專用勵磁波形是電磁流量計的一個重要方麵,在實際應用中會使用多種類型,包括低頻矩形波、電力線頻率正弦波、雙頻波和可編程脈衝寬度。表2 顯示各種傳感器線圈的勵磁波形。
表 2. 傳感器勵磁類型、波形和特性


大部分應用采用低頻直流矩形波勵磁 ⁄25、 ⁄16、 ⁄10、 ⁄8、 ⁄4 或⁄2 電力線頻率(50 Hz/60 Hz)的傳感器線圈。低頻勵磁具有恒定的幅度和方向交替變化的電流,實現低頻零漂移性能。電流方向采用晶體管或場效應管H電橋進行切換。若SW1 和SW4 導通,而SW2 和SW3 關閉(圖 3a),則傳感器線圈處於正相位勵磁期間;同時,恒定電流進入EXC+並流出EXC– 。若SW1和SW4 關閉,而SW2 和SW3 導通(圖 3b),則傳感器線圈處於負相位勵磁期間;同時,恒定電流進入EXC–並流出EXC+。

圖 3. H 電橋控製傳感器線圈勵磁相位
電磁流量計的勵磁電流相比其他流量測量技術而言非常大,其範圍為 125 mA至 250 mA,覆蓋線路供電式流量計的主要範圍。高達 500 mA或 1 A的電流將用於直徑更大的管道。圖 4所示電路可以產生精密 250 mA傳感器線圈勵磁。8 ppm/°C基準電壓源ADR3412 提供實現電流偏置的 1.2 V設定點。

圖 4. 線性調節吸電流
雖然這種傳統的電流勵磁方法采用基準電壓源、放(fang)大(da)器(qi)和(he)晶(jing)體(ti)管(guan)電(dian)路(lu)提(ti)供(gong)良(liang)好(hao)的(de)低(di)噪(zao)聲(sheng)性(xing)能(neng),但(dan)該(gai)方(fang)法(fa)由(you)於(yu)經(jing)過(guo)功(gong)率(lv)晶(jing)體(ti)管(guan)的(de)電(dian)流(liu)和(he)其(qi)兩(liang)端(duan)的(de)電(dian)壓(ya)降(jiang)都(dou)很(hen)大(da),因(yin)此(ci)功(gong)率(lv)損(sun)失(shi)極(ji)大(da)。該(gai)方(fang)法(fa)需(xu)要(yao)使(shi)用(yong)散(san)熱(re)器(qi),從(cong)而(er)增(zeng)加(jia)了(le)係(xi)統(tong)成(cheng)本(ben)和(he)尺(chi)寸(cun)。具(ju)有(you)開(kai)關(guan)模(mo)式(shi)電(dian)源(yuan)的(de)恒(heng)流(liu)源(yuan)正(zheng)成(cheng)為(wei)更(geng)流(liu)行(xing)的(de)傳(chuan)感(gan)器(qi)線(xian)圈(quan)勵(li)磁(ci)方(fang)法(fa)。圖(tu) 5 顯示同步降壓DC-DC調節器 ADP2441 配置為恒流源輸出。這項技術可以消除使用線性電流源的功率損失,並可極大地改善 係統性能。

圖 5. 開關模式恒定電流勵磁電路
功率更高的係統采用電流檢測診斷功能監測隨負載、電源、時間和溫度變化的電流改變,同時還能檢測傳感器線圈開路。分流放大器AD8219 可用來監測 80 V共模電壓範圍內 60 V/V增益和 0.3%精度的勵磁電流。隔離式電流放大器采用隔離式Σ-∆調製器 AD7400A 以及軌到軌運算放大器 AD8646 如圖 6 所示。AD7400 的輸出通過四階低通濾波器處理,以便重構檢測輸出。

圖 6. 隔離式勵磁電流監控
電極或檢測元件同樣也是重要的考慮因素。兩種主要的測量技術都是容性的,一種是電極安裝在管道外麵;另一種更常見,即電極插入管道中,並由液體衝刷。
傳感器電極有多種不同的材料選項,每一種都有獨特的屬性,包括溫度漂移、腐蝕率和電極電位。最佳組合是采用低腐蝕率(每年<0.02 英寸)的高溫材>100°C)。表 3 顯示部分具有代表性的傳感器材料,及其標準電位。
表 3. 傳感器材料和電位

鉑是高質量電極材料的一個極佳示例,它的腐蝕率低於每年0.002 英寸,並且可在高達 120°C的環境溫度下工作。然而鉑具有相對較高的 1.2 V電極電位,並且會產生需要在傳感器輸出端進行抑製的共模電壓(CMV)。不鏽鋼電極的CMV僅為幾百mV,因而可以更為輕鬆地抑製共模電壓。在非腐蝕性流體 中,不鏽鋼材料的使用更為廣泛。
如(ru)果(guo)兩(liang)個(ge)電(dian)極(ji)采(cai)用(yong)相(xiang)同(tong)的(de)材(cai)料(liao),並(bing)且(qie)具(ju)有(you)相(xiang)同(tong)的(de)表(biao)麵(mian)狀(zhuang)況(kuang),那(na)麼(me)它(ta)們(men)的(de)電(dian)位(wei)應(ying)當(dang)相(xiang)等(deng)。然(ran)而(er),事(shi)實(shi)上(shang),極(ji)化(hua)電(dian)位(wei)會(hui)像(xiang)低(di)頻(pin)交(jiao)流(liu)信(xin)號(hao)那(na)樣(yang)緩(huan)慢(man)波(bo)動(dong),因(yin)為(wei)流(liu)體(ti)和(he)電(dian)極(ji)之(zhi)間(jian)存(cun)在(zai)物(wu)理(li)摩(mo)擦(ca)或(huo)電(dian)化(hua)學(xue)效(xiao)應(ying)。任(ren)何(he)失(shi)配(pei)都(dou)將(jiang)表(biao)現(xian)為(wei)差(cha)模(mo)噪(zao)聲(sheng)。偏(pian)置(zhi)電(dian)壓(ya)與(yu)電(dian)極(ji)電(dian)位(wei)共(gong)同(tong)組(zu)成(cheng)共(gong)模(mo)電(dian)壓(ya),在(zai)第(di)一(yi)級(ji)放(fang)大(da)器(qi)輸(shu)入(ru)端(duan)產(chan)生(sheng)幾(ji)百(bai)mV至大約1 V的共模電壓;因此,電子器件必須具有適當的共模抑製能力。圖7顯示差分係統的單電極電位,該係統#316不鏽鋼電極的偏置為0.28 VDC,噪聲為0.1 VP-P;電極安裝在直徑為50 mm的水管上。

圖 7. 偏置為 0.28 VDC b、共模噪聲為 0.1 VP-P 係統中的電極電位
典型流速範圍為 0.01 m/s至 15 m/s——即動態範圍為 1500:1。典型線路供電電磁流量計的靈敏度為 150 µV/(m/s)至 200 µV/(m/s)。因此,雙向流速為 0.01 m/s時,150 µV/(m/s)傳感器將提供 3 µVP-P 輸出。對於 2:1 的信噪比而言,折合到輸入端的總噪聲不應超過 1.5 µVP-P。在直流到低頻範圍內,流速的變化十分緩慢,因此 0.1 Hz至 10 Hz噪聲帶寬非常重要。此外,傳感器輸出電阻可以非常高。為了滿足這些要求,前端放大器必須具備較低的噪聲、較高的共模抑製能力,以及較低的輸入偏置電流。
傳感器的共模輸出電壓由前端放大器的共模抑製進行衰減。若CMR為 120 dB,則 0.28 VDC 偏置被抑製到 0.28 µVDC。該失調 可以通過對信號進行交流耦合而校準或消除。交流分量會在放 大器輸出端產生噪聲,降低最低可檢測水平。若CMR為 120 dB,則 0.1 VP-P 被抑製到 0.1 µVP-P。
傳感器輸出電阻在幾十Ω至 107 Ω之(zhi)間(jian)變(bian)化(hua),具(ju)體(ti)取(qu)決(jue)於(yu)電(dian)極(ji)類(lei)型(xing)和(he)流(liu)體(ti)導(dao)電(dian)率(lv)。為(wei)了(le)最(zui)大(da)程(cheng)度(du)降(jiang)低(di)損(sun)失(shi),前(qian)端(duan)放(fang)大(da)器(qi)的(de)輸(shu)入(ru)阻(zu)抗(kang)必(bi)須(xu)遠(yuan)大(da)於(yu)傳(chuan)感(gan)器(qi)的(de)輸(shu)出(chu)電(dian)阻(zu)。需(xu)要(yao)用(yong)到(dao)一(yi)個(ge)具(ju)有(you)高(gao)輸(shu)入(ru)電(dian)阻(zu)的(de)JFET或CMOS輸入級。前端放大器的低偏置電流和低失調電流是最大程度降低電流噪聲和共模電壓的關鍵參數。表 4 顯示數個推薦前端放大器的規格。
表 4. 代表性儀表放大器規格

圖 8 顯示采用精密儀表放大器 AD8228 的(de)流(liu)量(liang)計(ji)。前(qian)端(duan)放(fang)大(da)器(qi)抑(yi)製(zhi)共(gong)模(mo)電(dian)壓(ya),同(tong)時(shi)放(fang)大(da)微(wei)弱(ruo)的(de)傳(chuan)感(gan)器(qi)信(xin)號(hao)。該(gai)流(liu)量(liang)計(ji)合(he)理(li)的(de)布(bu)局(ju)以(yi)及(ji)經(jing)激(ji)光(guang)調(tiao)整(zheng)的(de)電(dian)阻(zu)允(yun)許(xu)其(qi)提(ti)供(gong)有(you)保(bao)證(zheng)的(de)增(zeng)益(yi)誤(wu)差(cha)、增益漂移和共模抑製規格。為了最大程度降低泄漏電流,可以通 過對輸入電壓進行采樣,並將緩衝電壓連接至輸入信號路徑周圍的未屏蔽走線,從而保護高阻抗傳感器輸出。
第一級的增益通常為 10 至 20,但不會更高,因為低電平信號必須經過放大才能進行後期處理,同時保持較小的直流失調,避免後級電路飽和。

圖 8. 前端放大器和電磁流量傳感器之間實現接口
輸入級後接有源帶通濾波器,可用來消除直流分量,並將增益設為充分利用後級ADC的輸入動態範圍。傳感器勵磁頻率範圍為電源線頻率的 1⁄25 至 1⁄2,據此可設置帶通截止頻率。圖9 顯示流量計中使用的帶通濾波器。

圖 9. 輸入放大器後接帶通濾波器
第一級是一個交流耦合單位增益高通濾波器,截止頻率為 0.16Hz。其傳遞函數為:

隨後幾級結合第一級形成完整的帶通濾波器,其低頻截止頻率為 0.37 Hz,高頻截止頻率為 37 Hz,3.6 Hz時的峰值為 35.5 dB,滾降為–40 dB/十倍頻程,等效噪聲帶寬為 49 Hz。針對該級選擇的放大器一定不能產生額外的係統噪聲。
Using the AD8622——其 1/f噪聲額定值為0.2 µVP-P,寬帶噪聲額定值為 11 nV/√Hz——折合到濾波器輸入端的噪聲為 15 nV rms。當折合到放大器輸入端時,該噪聲變為 1.5 nV rms,與 0.01 m/s流速下的±1.5 µV P-P 噪聲相比可以忽略不計。將來自共模電壓、前端放大器和帶通濾波器的噪聲源相加,則折合到AD8228 輸入端的方和根噪聲為 0.09 µV rms,或者約 為 0.6 µV P-P。
濾波器輸出在幅度中包含流速,在相位中包含流向。雙極性信號通過模擬開關、保持電容和差動放大器進行解調,如圖 10 所示。模擬開關必須具有較低的導通電阻和中等開關速度。高壓防閂鎖型四通道單刀單擲(SPST)開關 ADG5412具有 9.8 Ω RON 典型值和1.2 Ω R ON 平坦度,對信號造成的增益誤差和失真很小

圖 10. 同步解調電路
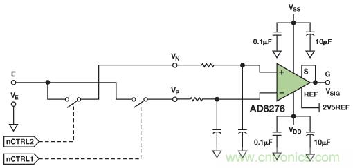
低功耗、低成本、單位增益差動放大器AD8276以 5 V滿量程輸入範圍與ADC實現接口。因此,其REF引腳連接 2.5 V基準電壓源,並對雙極性輸出進行電平轉換處理,將其轉換為單極性範圍。高於 2.5 V的輸出表示正向流動,而低於 2.5 V則表示 反向流動。
選擇 ADC
確定係統誤差預算時,通常傳感器是主導的因素,並且很多傳感器都會占到總誤差的 80%至 90%。電磁流量計的國際標準規定,在 25°C和恒定流速的情況下,測量可重複性不應超過係統最大偏差的 1/3。若總誤差預算為 0.2%,則可重複性不應超過 0.06%。若傳感器占用了係統噪聲預算的 90%,則變送器電極的最大誤差應為 60 ppm.
若要最大程度降低誤差,可以對ADC樣本求平均值。例如,對於五個樣本,可以舍棄最大樣本和最小樣本,並對餘下的三個樣本求均值。ADC在每個建立的間隔期間都需要獲取五個樣本,並在勵磁周期的最後 10%期間獲取。這要求ADC的采樣 速率至少是傳感器勵磁頻率的 50 倍。為了適應最快的 30 Hz勵磁,最小采樣速率需達到 1500 Hz。更高的采樣速度允許對更多樣本求均值,從而抑製噪聲,獲得更佳的精度。
Σ-∆技術非常適合用來滿足這些對ADC的要求,以適當的速度提供出色的噪聲性能。超低噪聲Σ-∆型ADCAD7192 適合電磁流量計使用,該器件在 4800 Hz輸出數據速率下具有 16.5 位無噪聲分辨率額定值。表 5 顯示該器件的有效分辨率與增益和輸出數據速率的關係。
表 5. AD7192 有效分辨率與增益和輸出數據速率的關係

圖 11 顯示ADC子電路,包括解調器輸出和微功耗、高精度 2.5V基準電壓源ADR3425。

圖 11. ADC子電路
某些應用(比如飲料灌裝)需更高頻率的傳感器勵磁。150 Hz傳感器線圈勵磁允許在大約一秒時間內完成灌裝過程。噪聲要求不變,但ADC必須更快。Σ-∆型ADCAD7176-2 Σ的建立時間為 20 µs,250 kSPS時的無噪聲分辨率為 17 位,50 Hz和 60 Hz信號音的噪聲抑製性能為 85 dB。
模擬信號鏈測試
此處所述之構建塊用來在校準實驗室內勵磁和測試電磁流量傳感器。在真實的流量係統中還測試了完整的前端,包括高CMRR輸入級、帶通濾波器和增益級。兩塊測試板在 1 m/s至 5 m/s範圍內達到±0.2%精度,可重複性為 0.055%,很好地滿足了工業標準。電磁流量計的信號鏈如圖 12 所示。

圖 12. 電磁流量計
傳感器勵磁和測量表示整體係統性能,因為電極產生的mV級信號最終轉換為流量結果。流速信號通過多種協議傳送至係統控製器,包括RS-485 和 4 mA至 20 mA電(dian)流(liu)環(huan)路(lu)。電(dian)流(liu)環(huan)路(lu)的(de)重(zhong)要(yao)優(you)勢(shi)是(shi)它(ta)不(bu)受(shou)線(xian)路(lu)壓(ya)降(jiang)的(de)影(ying)響(xiang),可(ke)以(yi)實(shi)現(xian)長(chang)距(ju)離(li)通(tong)信(xin),並(bing)且(qie)相(xiang)比(bi)電(dian)壓(ya)通(tong)信(xin)更(geng)不(bu)容(rong)易(yi)受(shou)到(dao)噪(zao)聲(sheng)幹(gan)擾(rao)影(ying)響(xiang)。在(zai)工(gong)廠(chang)自(zi)動(dong)化(hua)應(ying) 用中,數字總線協議更為常用,使用差分電壓模式信號通過較短的距離便可提供高速通信。圖 13 顯示 4 mA至 20 mA采樣電路,使用HART®圖 14 顯示隔離式RS-485 解決方案。

圖 13. 集成HART的4 mA至20mA電流環路

圖 14. 隔離式 RS-485 電路
為了保持用戶界麵的安全電壓,並防止源信號產生瞬變,通常在每個通信通道與係統控製器之間需要進行電流隔離。表6 列出的器件針對這些通信標準可提供最高的集成度。
表 6. 用於工業數據采集的集成電路


結論
電磁流量計是目前使用最為廣泛的流量技術之一。主要用於液 體流量測量,重點是自來水與汙水處理係統,在歐洲尤為受歡 迎。其主要的發展趨勢是減少PCB麵積和提升性能。係統性能 取決於模擬輸入模塊,該模塊需要用到高阻抗、低噪聲、高 CMRR輸入放大器和低噪聲、高分辨率Σ-∆型ADC。後續發展 趨勢表明需要用到速度更快的ADC。AD719x係列ADC滿足當 前的係統級要求,而AD7176 係列能夠很好地滿足未來的要求。 ADI的高效率DC-DC調節器、集成式通信、高分辨率ADC、精 密放大器以及高精度基準電壓源可讓設計人員實現新設計,並 獲得高於這些要求的性能。
推薦閱讀:
特別推薦
- 噪聲中提取真值!瑞盟科技推出MSA2240電流檢測芯片賦能多元高端測量場景
- 10MHz高頻運行!氮矽科技發布集成驅動GaN芯片,助力電源能效再攀新高
- 失真度僅0.002%!力芯微推出超低內阻、超低失真4PST模擬開關
- 一“芯”雙電!聖邦微電子發布雙輸出電源芯片,簡化AFE與音頻設計
- 一機適配萬端:金升陽推出1200W可編程電源,賦能高端裝備製造
技術文章更多>>
- 1200餘家企業齊聚深圳,CITE2026打造電子信息產業創新盛宴
- 掌握 Gemini 3.1 Pro 參數調優的藝術
- 築牢安全防線:電池擠壓試驗機如何為新能源產業護航?
- Grok 4.1 API 實戰:構建 X 平台實時輿情監控 Agent
- 電源芯片國產化新選擇:MUN3CAD03-SF助力物聯網終端“芯”升級
技術白皮書下載更多>>
- 車規與基於V2X的車輛協同主動避撞技術展望
- 數字隔離助力新能源汽車安全隔離的新挑戰
- 汽車模塊拋負載的解決方案
- 車用連接器的安全創新應用
- Melexis Actuators Business Unit
- Position / Current Sensors - Triaxis Hall
熱門搜索
光電顯示
光繼電器
光控可控矽
光敏電阻
光敏器件
光敏三極管
光收發器
光通訊器件
光纖連接器
軌道交通
國防航空
過流保護器
過熱保護
過壓保護
焊接設備
焊錫焊膏
恒溫振蕩器
恒壓變壓器
恒壓穩壓器
紅外收發器
紅外線加熱
厚膜電阻
互連技術
滑動分壓器
滑動開關
輝曄
混合保護器
混合動力汽車
混頻器
霍爾傳感器






