示波器阻抗為什麼一定是1M和50歐?有什麼奧秘?
發布時間:2015-07-06 責任編輯:echolady
【導讀】用過示波器的朋友都會發現帶寬超過200M的示波器通常會有兩種阻抗,一個是1M,另一個則是50Ω。輸出阻抗不是越高越好嗎?為什麼會出現50Ω?本文就由小編為大家揭秘50Ω有什麼奧秘。
傳輸線
就像講曆史,不得不插一段軍事理論課一樣,想把我們的50Ωjiangmingbai,nayebudebujiangyixiazhegechuanshuxianle。zhongsuozhouzhi,dianxinhaoshijishangshiyidiancibodexingshizaichuanshuxianzhongchuanbode。dangchuanshuxiandechicunbuzaiyuanxiaoyudiancibobochangshi,jiubudebukaolvzhege“波”的特性了。
光在傳輸介質發生改變時會發生反射,電信號也一樣。反射會帶來什麼呢,您的信號可能就會成這樣。

圖 1
是不是整個人都不怎麼好了。為了不讓反射發生,就出現了均勻傳輸線,如PCB微(wei)帶(dai)線(xian),同(tong)軸(zhou)線(xian)等(deng),他(ta)們(men)介(jie)質(zhi)均(jun)勻(yun),任(ren)何(he)一(yi)點(dian)橫(heng)截(jie)麵(mian)幾(ji)何(he)結(jie)構(gou)相(xiang)同(tong),這(zhe)樣(yang)就(jiu)可(ke)以(yi)保(bao)證(zheng)電(dian)信(xin)號(hao)不(bu)會(hui)在(zai)傳(chuan)輸(shu)線(xian)內(nei)發(fa)生(sheng)反(fan)射(she)了(le)。但(dan)是(shi)問(wen)題(ti)又(you)來(lai)了(le),送(song)君(jun)千(qian)裏(li),終(zhong)須(xu)一(yi)別(bie),傳(chuan)輸(shu)線(xian)早(zao)晚(wan)還(hai)是(shi)要(yao)把(ba)信(xin)號(hao)交(jiao)給(gei)信(xin)號(hao)的(de)負(fu)載(zai)的(de)。信(xin)號(hao)一(yi)旦(dan)來(lai)到(dao)傳(chuan)輸(shu)線(xian)終(zhong)點(dian),豈(qi)不(bu)是(shi)還(hai)是(shi)要(yao)發(fa)生(sheng)反(fan)射(she)麼(me)。還(hai)好(hao)我(wo)們(men)的(de)電(dian)信(xin)號(hao)不(bu)像(xiang)光(guang)那(na)麼(me)矯(jiao)情(qing)。隻(zhi)要(yao)保(bao)證(zheng)她(ta)的(de)瞬(shun)時(shi)阻(zu)抗(kang)不(bu)變(bian),她(ta)也(ye)能(neng)將(jiang)就(jiu)一(yi)下(xia)不(bu)反(fan)射(she)回(hui)去(qu)。瞬shun時shi阻zu抗kang就jiu是shi電dian信xin號hao在zai傳chuan輸shu線xian上shang某mou一yi點dian所suo受shou的de阻zu抗kang,經jing過guo研yan究jiu發fa現xian,均jun勻yun傳chuan輸shu線xian的de瞬shun時shi阻zu抗kang是shi個ge純chun阻zu性xing的de,與yu頻pin率lv無wu關guan,就jiu像xiang個ge電dian阻zu,而er且qie瞬shun時shi阻zu抗kang隻zhi與yu傳chuan輸shu線xian的de幾ji何he結jie構gou和he填tian充chong材cai料liao有you關guan,所suo以yi又you叫jiao做zuo特te性xing阻zu抗kang。既ji然ran瞬shun時shi阻zu抗kang像xiang電dian阻zu,那na我wo們men就jiu給gei負fu載zai並bing聯lian一yi個ge電dian阻zu,讓rang總zong阻zu值zhi和he特te性xing阻zu抗kang相xiang等deng,這zhe樣yang信xin號hao就jiu不bu會hui有you太tai大da的de反fan感gan,會hui屈qu尊zun降jiang貴gui的de傳chuan到dao負fu載zai中zhong去qu而er不bu會hui反fan射she回hui來lai,您nin的de電dian路lu也ye就jiu清qing淨jing了le。這zhe種zhong方fang法fa叫jiao做zuo終zhong端duan匹pi配pei。
haiyouyizhongfangfajiushiyuanduanpipei,jizaiyuanduanchuanruyigedianzu,shiqiyuxinhaoyuandeshuchudianzuxiangjiadengyuchuanshuxiandetexingzukang,zheyangjiukeyirangfanshebodefuzaiyuchuanshuxianzukangxiangdeng,congerxishoufanshebo,burangqizaichuanshuxianshangzhuanglaizhuangqu。henduoshihouzheliangzhongpipeishitongshiyongde。
著名的50Ω
特性阻抗大小會影響信號傳輸功率、傳輸損耗、串擾等電氣性能,而其板材和幾何結構又影響製造成本,這種情況隻能找一個折中值。而50Ω正是同軸線的傳輸功率、傳輸損耗以及製造成本的一個最佳平衡點。所以大多數高速信號都會采用50Ω特性阻抗係統,形成標準並沿用至今,成為使用最廣泛的一種阻抗標準。比如常見的PCIE,其單端阻抗就是要求是50Ω。
這就是這個50Ω的由來,但是還沒有解釋示波器上為什麼會有個50Ω,是為了防止信號反射麼,是的,這確實是一個原因,但是除了這點,他還有著其他的意義。
示波器的負載效應
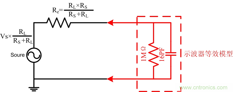
xiangxindajiadouyouzhezhongjingli,tiaoshiyigeyouwentidedianlu,xiangkankanboxing,jieguojieshangtantoudianlujiuzhengchangle,nakaitantoudianlujiuyouchuwenti。zhejiushifuzaixiaoyingyinqide。shiboqizai1MΩ阻抗模式下的等效模型比較複雜,大致可以等效成是1MΩ和一個十幾pF的電容並聯在一起的形式。

圖 2
這個1MΩ是示波器的規範。而電容是我們並不想要但是又不可避免的寄生參數。在DC和較低頻時,1MΩ起到主導地位。而當頻率超過10M以(yi)後(hou),電(dian)容(rong)會(hui)成(cheng)為(wei)主(zhu)要(yao)的(de)負(fu)載(zai)。由(you)於(yu)這(zhe)兩(liang)個(ge)參(can)數(shu)的(de)引(yin)入(ru),就(jiu)會(hui)使(shi)得(de)測(ce)量(liang)時(shi)的(de)信(xin)號(hao)與(yu)原(yuan)信(xin)號(hao)有(you)差(cha)異(yi),從(cong)而(er)使(shi)測(ce)量(liang)結(jie)果(guo)出(chu)現(xian)誤(wu)差(cha)。那(na)麼(me)差(cha)異(yi)有(you)多(duo)大(da)呢(ne),這(zhe)也(ye)要(yao)取(qu)決(jue)於(yu)您(nin)的(de)被(bei)測(ce)電(dian)路(lu)的(de)輸(shu)出(chu)電(dian)阻(zu)和(he)負(fu)載(zai)。就(jiu)按(an)上(shang)圖(tu)的(de)例(li)子(zi)來(lai)說(shuo)。根(gen)據(ju)戴(dai)維(wei)寧(ning)定(ding)理(li),可(ke)變(bian)為(wei):

圖 3
經計算可知,如果Re的值是10Ω,而信號的頻率是200M,則示波器的負載效應會造成-0.2db左右的偏差。而如果您係統的Re是25Ω,那麼這個偏差會達到-1db。如果是50Ω呢,100Ω呢,無疑誤差會越來越大。
示波器為了使得測量更加準確,是必須在內部加一些補償措施將這些偏差補償回來的(當然這種補償隻是相對於測量結果與原信號而言的,內部補償是無法減小測量時信號與原信號之間的差異)。那具體應該按那種情況來補償呢。前麵我們已經知道,高速信號中,50Ω係統是使用最廣泛的,所以我們選擇50Ω係統即Re=25Ω的情況下進行補償。示波器廠家都會在這種情況下將信號補償的最好。所以如果您是50Ω係統,示波器測量出的結果影響與原信號最為接近。
如果您的等效輸出電阻與25Ω相差很多且需要測量的頻率較高,則需要評估測量誤差是否在您允許的範圍內。建議使用10:1探頭進行測量,因為其寄生電容要比示波器低,而1:1探頭的負載電容基本上是50pF左右的,其負載效應比示波器本身要嚴重的多。如果10:1探頭仍然不能滿足您的需求,就要選擇寄生電容更小的有源探頭進行測量了。
試想一下,如果用示波器直接與高頻信號發生器相連,測量信號發生器輸出的高頻信號,而高頻信號發生器的輸出電阻都是50Ω,那(na)會(hui)發(fa)生(sheng)什(shen)麼(me)情(qing)況(kuang)呢(ne)。由(you)上(shang)文(wen)可(ke)知(zhi),負(fu)載(zai)相(xiang)應(ying)會(hui)嚴(yan)重(zhong)影(ying)響(xiang)測(ce)量(liang)結(jie)果(guo)。再(zai)結(jie)合(he)傳(chuan)輸(shu)線(xian)理(li)論(lun),可(ke)知(zhi)會(hui)有(you)一(yi)個(ge)反(fan)射(she)波(bo)反(fan)射(she)回(hui)信(xin)號(hao)源(yuan),這(zhe)對(dui)於(yu)一(yi)些(xie)精(jing)密(mi)的(de)儀(yi)器(qi)這(zhe)可(ke)能(neng)是(shi)致(zhi)命(ming)的(de)。所(suo)以(yi)這(zhe)時(shi)候(hou)需(xu)要(yao)加(jia)入(ru)一(yi)個(ge)50Ω端接適配器或者使用內部50Ω檔位。這樣既大大減小信號的反射,又可以使得測量出的信號受負載效應影響最小。這就是示波器50Ω阻抗的作用了。
示波器測量與50Ω相關的注意事項
結合傳輸線理論和示波器負載效應,說幾點在示波器測量中與50Ω有關的注意事項。當然,測量較低頻率信號時不需要考慮這些。
1、當示波器使用50Ω端接或者內部50Ω檔位時,隻能夠使用50Ω同軸電纜或者一些要求做50Ω匹配的有源探頭。直接測量板載信號時則隻能夠使用有源探頭,同軸電纜僅適用於測量無負載信號(如信號發生器)。
2、測量高頻信號時,要注意示波器的負載效應。測量係統最好是50Ω係統,再考慮到傳輸線理論,最好用探頭直接測量負載端而不是中間的PCB。
3、在測量信號發生器輸出波形時,需要進行50Ω端接。否者測量結果將會受示波器負載效應影響嚴重。
相關閱讀:
示波器帶寬是如何影響上升時間測量的?
示波器探頭的5項“基本原則”,需要牢牢把握
技術詳解:示波器的差分探頭,你了解多少?
特別推薦
- 噪聲中提取真值!瑞盟科技推出MSA2240電流檢測芯片賦能多元高端測量場景
- 10MHz高頻運行!氮矽科技發布集成驅動GaN芯片,助力電源能效再攀新高
- 失真度僅0.002%!力芯微推出超低內阻、超低失真4PST模擬開關
- 一“芯”雙電!聖邦微電子發布雙輸出電源芯片,簡化AFE與音頻設計
- 一機適配萬端:金升陽推出1200W可編程電源,賦能高端裝備製造
技術文章更多>>
- 貿澤EIT係列新一期,探索AI如何重塑日常科技與用戶體驗
- 算力爆發遇上電源革新,大聯大世平集團攜手晶豐明源線上研討會解鎖應用落地
- 創新不止,創芯不已:第六屆ICDIA創芯展8月南京盛大啟幕!
- AI時代,為什麼存儲基礎設施的可靠性決定數據中心的經濟效益
- 矽典微ONELAB開發係列:為毫米波算法開發者打造的全棧工具鏈
技術白皮書下載更多>>
- 車規與基於V2X的車輛協同主動避撞技術展望
- 數字隔離助力新能源汽車安全隔離的新挑戰
- 汽車模塊拋負載的解決方案
- 車用連接器的安全創新應用
- Melexis Actuators Business Unit
- Position / Current Sensors - Triaxis Hall
熱門搜索
微波功率管
微波開關
微波連接器
微波器件
微波三極管
微波振蕩器
微電機
微調電容
微動開關
微蜂窩
位置傳感器
溫度保險絲
溫度傳感器
溫控開關
溫控可控矽
聞泰
穩壓電源
穩壓二極管
穩壓管
無焊端子
無線充電
無線監控
無源濾波器
五金工具
物聯網
顯示模塊
顯微鏡結構
線圈
線繞電位器
線繞電阻




