小功率 DC/DC 模塊性能的快速驗證
發布時間:2019-11-14 責任編輯:wenwei
【導讀】要降低的NB-IoT產品的功耗,需要在產品設計過程中選擇低功耗的器件。電源是整個產品的動力,因此,選擇效率高、性能符合產品功耗特性的DC/DC模塊是非常重要的。
當然,在選擇合適的DC/DCmokuaishi,gongchengshishouyaodexuanzeyijushichanpinshouce。danshouceshangbiaochengdedoushidianxingzhibiao。zaiyushejidedianluxiangpipeishi,kenenghuichuxianyixiepiancha,yingxiangdianludetexing。zaizhezhongqingkuangxia,gongchengshijiuxiwangyoushouduanduiDC/DC模塊的性能進行一些參數的驗證。
但要建立起驗證環境絕對不是簡單的事情。需要包括示波器、萬用表、電子負載、直流源等諸多的測試設備,而且由於功率小,需要的精度比較高,有時甚至還需要軟件控製。這足以讓一名工程師感到崩潰!

如果你手中有N6705C+ N6781A, 再加上一個其它的模塊,恭喜你, 你已經具備了驗證小功率DC/DC模塊的最便捷和有效的手段!

DC/DC的測試框圖


在N6705C + N6781A,再加上一個模塊,就全部搞定
大家肯定很熟悉DC/DC的測試方法框圖。由於在N6705C中,有內置的高分辨率數字化儀、高精度電壓表、電流表、帶有功率的任意波形發生器、再利用一個直流模塊Vin,N6781A充當負載模塊,在14585A軟件的控製下,即可構成了一套小功率DC/DC的高精度測試係統。而且無需編程,分分鍾完成一係列的測試和評估!
讓我們一起看看N6705實測某DC-DC模塊從靜態、空耗、開/關時間、負載效應、源效應、效率分布曲線以及紋波抑製比等參數測試的結果。
1 DC-DC靜態輸出性能
測試描述:輸入12V正常工作電壓,測試輸出電壓大小。


2 DC-DC 空耗
測試描述:輸出端未連接任何負載的情況下,測試輸入端的電壓和功率。


3 DC-DC 開機參數
測試描述:測試輸入電壓上電時的浪湧電流及輸入,輸出電壓上升時間和時延。


4 DC-DC 關機參數
測試描述:測試關機時輸入端浪湧電流及輸入、輸出電壓下降時間和時延


5 DC-DC 負載效應
測試描述:輸出負載變化時,測試輸出電壓波動和穩定性。


6 DC-DC 源效應
測試描述:輸入電壓變化時,測試輸出電壓波動和穩定性。


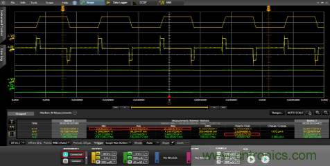
7 DC-DC效率隨輸出功率分布曲線
測試描述:對輸出功率進行調節,測試輸出功率與輸入功率比值,即效率隨輸出功率變化。在以下這張測試截圖中, 我們看到有7條曲線: 輸入的電壓、電流和功率; 輸出的電壓、電流和功率, 以及最上麵這條橘黃色的效率曲線。


8 DC-DC紋波及噪聲抑製比
測試描述:在源端注入特定幅度頻率的紋波噪聲,同時在輸出端測量紋波的幅度值,並計算紋波抑製比。


所以,N6705C不僅是低功耗的神器,它的大名是“直流電源分析儀”,用它來分析一個DC/DC二次電源,手到擒來 !
推薦閱讀:
特別推薦
- 噪聲中提取真值!瑞盟科技推出MSA2240電流檢測芯片賦能多元高端測量場景
- 10MHz高頻運行!氮矽科技發布集成驅動GaN芯片,助力電源能效再攀新高
- 失真度僅0.002%!力芯微推出超低內阻、超低失真4PST模擬開關
- 一“芯”雙電!聖邦微電子發布雙輸出電源芯片,簡化AFE與音頻設計
- 一機適配萬端:金升陽推出1200W可編程電源,賦能高端裝備製造
技術文章更多>>
- 大聯大世平集團首度亮相北京國際汽車展 攜手全球芯片夥伴打造智能車整合應用新典範
- 2026北京車展即將啟幕,高通攜手汽車生態“朋友圈”推動智能化體驗再升級
- 邊緣重構智慧城市:FPGA SoM 如何破解視頻係統 “重而慢”
- 如何使用工業級串行數字輸入來設計具有並行接口的數字輸入模塊
- 意法半導體將舉辦投資者會議探討低地球軌道(LEO)發展機遇
技術白皮書下載更多>>
- 車規與基於V2X的車輛協同主動避撞技術展望
- 數字隔離助力新能源汽車安全隔離的新挑戰
- 汽車模塊拋負載的解決方案
- 車用連接器的安全創新應用
- Melexis Actuators Business Unit
- Position / Current Sensors - Triaxis Hall
熱門搜索
接口IC
介質電容
介質諧振器
金屬膜電阻
晶體濾波器
晶體諧振器
晶體振蕩器
晶閘管
精密電阻
精密工具
景佑能源
聚合物電容
君耀電子
開發工具
開關
開關電源
開關電源電路
開關二極管
開關三極管
科通
可變電容
可調電感
可控矽
空心線圈
控製變壓器
控製模塊
藍牙
藍牙4.0
藍牙模塊
浪湧保護器


