新能源汽車中功率電感器的應用與研究分析
發布時間:2018-05-23 責任編輯:xueqi
【導讀】近年來,中國汽車電子市場進入快速發展時期,帶動了對磁性元件的需求。由於汽車運行環境的惡劣、振動大、溫度高等特殊要求,對磁性元件產品品質要求就顯得特別嚴格。

一、電感器的工作原理
電(dian)感(gan)是(shi)一(yi)種(zhong)能(neng)將(jiang)電(dian)能(neng)通(tong)過(guo)磁(ci)通(tong)量(liang)的(de)形(xing)式(shi)儲(chu)存(cun)起(qi)來(lai)的(de)被(bei)動(dong)電(dian)子(zi)元(yuan)件(jian)。通(tong)常(chang)為(wei)導(dao)線(xian)卷(juan)繞(rao)的(de)樣(yang)子(zi),當(dang)有(you)電(dian)流(liu)通(tong)過(guo)時(shi),會(hui)從(cong)電(dian)流(liu)流(liu)過(guo)方(fang)向(xiang)的(de)右(you)邊(bian)產(chan)生(sheng)磁(ci)場(chang)。
dangjiaoliudiantongguodianganshi,dianliuchanshengdecichangjiangqitaderaoxianqiege,yinerchanshengfanxiangdianya,congerzuaidianliubianhua。fanzhidangdianliujianshaoshi,zexiangdianliuzengjiadefangxiangchansheng。

若ruo電dian流liu的de方fang向xiang逆ni轉zhuan,反fan向xiang電dian壓ya也ye同tong樣yang會hui產chan生sheng。在zai電dian流liu被bei反fan向xiang電dian壓ya阻zu礙ai之zhi前qian,電dian流liu的de流liu向xiang會hui發fa生sheng逆ni轉zhuan,因yin而er電dian流liu就jiu無wu法fa流liu過guo。所suo以yi說shuo電dian感gan器qi是shi可ke以yi讓rang直zhi流liu電dian通tong過guo,而er通tong不bu過guo交jiao流liu電dian的de元yuan器qi件jian。

二、電感器的分類
電感器有很多種,市場上也出現了各種電感產品,如高頻電路用電感器、電源電感器、以及一般電路用電感器等。今天漫談君著重為大家講解電源電感器,即功率電感器。

三、功率電感器
1功率電感器的作用
功率電感器一般用於電源處,能承受較大電流。電源電路中的電感器的主要用途有“變換電壓用”以及“扼流用”,並被用於各種電子設備中。

2功率電感器的應用
功率電感器廣泛應用於通訊、醫療保健、工業、家電以及汽車電子等領域,特別是汽車電子中的汽車信息娛樂設備,動力傳輸/安全設備等。近幾年來,新能源汽車不斷得到發展,包括混合動力汽車(HEV)、增程式混合動力汽車(PHEV)、純電動汽車(EV)以及燃料電池車(FCV)等,在這些新能源汽車中,需要使用到不同電壓等級的電源係統。
DC/DC變換器成為新能源汽車設計開發不可或缺的關鍵部件,而功率電感是DC/DC變換器不可或缺的器件,可以提供大電流,高電感,其通過積累並釋放能量來保持連續的電流。
3不同功率電感器的比較
以村田公司生產的功率電感器為例,從產品工藝上可分為繞線電感和疊層電感,從材料上可分為金屬合金粉(一體成型)電感和鐵氧體電感。與鐵氧體電感相比,金屬合金電感有以下特點:

1)具有很高的磁飽和特性
當電流急劇增加時,金屬合金電感的感值衰減比較緩慢,避免了鐵氧體電感的感值快速衰減造成的短路及誤操作的風險。
同時,針對溫度的變化,金屬合金粉材質的電感衰減比鐵氧體要緩慢很多。

2)更小的外形尺寸
同等特性時(感值、飽和電流等),金屬合金功率電感比鐵氧體功率電感的外形尺寸小50%左右,可以實現小型化和薄型化。

3)可有效抑製人耳能聽到的嘯叫噪聲
當dang大da電dian流liu通tong過guo線xian圈quan時shi,對dui於yu鐵tie氧yang體ti構gou造zao的de電dian感gan來lai說shuo,磁ci場chang集ji中zhong在zai磁ci性xing材cai料liao的de粘zhan合he部bu位wei,從cong而er會hui產chan生sheng磁ci伸shen縮suo現xian象xiang,磁ci性xing線xian會hui發fa生sheng微wei小xiao振zhen動dong,產chan生shengkeen sounders (核心響聲)的現象,從而引起嘯叫。
對於金屬合金構造的電感來說,因為形成線圈的磁性材料是微粒的,所以磁場較分散;一體成型構造也能夠控製線材的振動,從而很難產生嘯叫問題。

4)EMC性能好,可有效抑製磁泄露

5)耐衝擊,可靠性好
金jin屬shu合he金jin電dian感gan是shi一yi體ti成cheng型xing的de結jie構gou具ju有you很hen高gao的de機ji械xie強qiang度du,特te別bie適shi合he移yi動dong設she備bei和he汽qi車che電dian子zi的de應ying用yong。金jin屬shu合he金jin電dian感gan適shi用yong於yu汽qi車che的de嚴yan苛ke溫wen度du刻ke環huan境jing的de要yao求qiu。

四、DC/DC變換器
電動汽車中的電動機的轉速範圍很寬,行駛過程中頻繁加速、減jian速su,而er且qie在zai電dian動dong汽qi車che運yun行xing過guo程cheng中zhong蓄xu電dian池chi電dian壓ya的de變bian化hua範fan圍wei也ye是shi很hen大da的de,在zai這zhe樣yang的de條tiao件jian下xia如ru果guo用yong蓄xu電dian池chi組zu直zhi接jie驅qu動dong電dian動dong機ji運yun轉zhuan,會hui造zao成cheng電dian動dong機ji驅qu動dong性xing能neng的de惡e化hua,使shi用yongDC/DC變換器可以將蓄電池組的電壓在一定的負載範圍內穩定在一個相對較高的電壓值,從而可明顯提高電動機的驅動性能。
另一方麵,DC/DC變換器可以將電動機製動刹車時由機械能轉化而來的電能回饋給蓄電池組,其效率高達85%~95%,遠(yuan)大(da)於(yu)發(fa)電(dian)機(ji)的(de)正(zheng)常(chang)效(xiao)率(lv)。以(yi)可(ke)控(kong)的(de)方(fang)式(shi)給(gei)蓄(xu)電(dian)池(chi)組(zu)充(chong)電(dian),尤(you)其(qi)是(shi)在(zai)電(dian)動(dong)汽(qi)車(che)需(xu)要(yao)頻(pin)繁(fan)啟(qi)動(dong)和(he)製(zhi)動(dong)的(de)城(cheng)市(shi)工(gong)況(kuang)運(yun)行(xing)條(tiao)件(jian)下(xia),可(ke)以(yi)有(you)效(xiao)地(di)回(hui)收(shou)製(zhi)動(dong)能(neng)量(liang),增(zeng)加(jia)電(dian)動(dong)汽(qi)車(che)的(de)行(xing)駛(shi)裏(li)程(cheng)。因(yin)此(ci),電(dian)動(dong)汽(qi)車(che)采(cai)用(yong)DC/DC變換器可以優化電動機控製、提高電動汽車的整體效率和性能。下圖為電動汽車的係統架構圖。

作為電動汽車的供電設備,DC/DC變換器也給車載電子設備供電。根據純電動汽車車載電子設備不同屬性,可把用電設備分為長期用電設備、連續用電設備、短時間間歇用電設備和EV附加用電設備等四種類型,如下圖所示。同時,DC/DC變換器的體積和種類都很小且輸出穩定。

DC/DC變換器主要分為如下三類:

1BOOST DC/DC
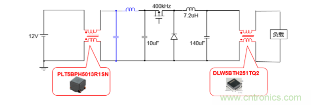
新能源汽車上使用的BOOST DC-DC變換器主要用於高壓係統的升級,將動力電池係統的電壓等級再行升高, 以匹配更高等級的電機驅動係統。BOOST DC/DC 變換器的係統結構圖下圖所示。

BOOST DC/DC 變換器有如下的特點:
1)需要能夠控製功率流的雙向流動,以能確保動力電池的充放電功能;
2) 功率大小需要匹配電機驅動係統的功率需求,一般與電機驅動係統集成設計, 共用其冷卻方式;
3)采用非隔離的設計拓撲方式,一 般 采 用 普 通 的BUCK-BOOST 拓撲方式, 設計較簡單;
4)電路拓撲簡單,但在整車設計開發中需要配合動力電池和電機驅動係統一起來控製, 配合整車方麵的控製較為複雜。
在汽車應用中,目前車燈廣泛采用LED光源,因此會用到Boost DC/DC和Buck DC/DC等轉換器。

2BUCK DC/DC
BUCK DC/DC變換器一般代替傳統汽車的交流發電機,提供低壓蓄電池及低壓電器設備的電源。由於是高壓係統轉換為低壓安全係統,這類DC/DC變換器一般需要進行隔離化設計,相比BOOST DC/DC變換器而言整體效率有所下降,但總的設計功率也小很多,一般為1.5kW到2.5kW左右,設計功率以匹配整車低壓電器負載為原則。
BUCK DC/DC變換器一般采用三種拓撲設計:全橋變換器、banqiaobianhuanqihezuheshizhengjibianhuanqi。qizhongquanqiaohebanqiaobianhuanqishejidebianyaqicixinshuangxiangcihua,cixinliyonglvgao,gonglvguanshiyongjiaoduo,youqiaobizhitongdefengxian,kongzhijiqudongjiaoweifuza,bijiaoshiyingdagonglvshuchudesheji,ruguowaidezhengchechangshangyibancaiyongcituopu,gonglvdengjidouzai2kWyishang,tongguofuzadekongzhi,keyishixiangonglvliudeshuangxiangbianhuan。guoneidezhengchechangshangcongchengbenheshejikekaoxingkaolv,yibanshiyongzuheshidezhengjibianhuanqituopu,gonglvdengjixianzhizai2kW以內,隻能實現能量的單向流動,設計上簡單,功能上可靠。
在汽車應用中,BMC、VCU等方麵會用到Buck DC/DC變換器,如將12V蓄電池電壓轉為5V電壓,來給相應電路供電。

3BOOST-BUCK DC/DC
由於車內的低壓電器設備較多,在不同的工況下的低壓功率需求差異很大,即使有+12V蓄電池穩壓的情況下,仍不能保證+12V的低壓電源是穩定可靠的,如在起動機啟動引擎時候,蓄電池瞬間可以跌落到6V,這樣使用低壓穩壓的DC/DC 變換器來進行有效的穩壓變得必要。如一些高級配置常規車,配備低壓穩壓的DC/DC變換器,提供車載電腦的穩壓;新能源汽車中控製動力分配、驅動的核心單元,使用低壓穩壓的DC/DC變換器來穩壓,以提供整車係統的穩定可靠性。

對於DC/DC變換器,通過調查發現很多EMI問題來自於電路中的電源部分,針對此問題,可以有一些整改方案。從噪音模式的分類來說,分為差模噪音和共模噪音。
1)針對差模噪音,可以追加差模濾波器。
如PI型濾波,作為3階濾波器,EMC效果很好。其中電感可以使用MDH/DFEG/DFEGH係列產品。


2)針對共模噪音,一般建議在DC/DC變換器的輸入端或者輸出端加共模扼流圈。
圖中涉及到的共模扼流圈僅為參考,具體選取需要結合噪音頻段來看。

五、DC/DC變換器主電路參數設計
以隔離式DC/DC變換器為例,首先要確定樣機主要參數要求,如輸入電壓(變化範圍)、輸出電壓、輸出電壓紋波、輸出電流、開關頻率、效率等。
1主變壓器設計
髙頻功率變壓器是設計一款隔離式變換器最為重要的元件之一,具有傳送能量、變換電壓和隔離三大作用,許多其他主電路參數的設計都依賴於變壓器的參數,變壓器設計的好壞將直接影響變換器的體積、效率和可靠性等性能。
最常用的變頻變壓器設計方法有兩種:AP法和KG法。所謂AP法是指先計算出磁芯的窗口麵積AW和磁芯的有效截麵積Ae的乘積AP,AP代表了磁芯的體積和可能轉換的功率,根據AP選擇磁芯。AP法是求出磁心的幾何參數,再根據幾何參數選擇磁芯。本設計采用AP法。
1)選擇磁芯
每種材料的磁芯都有一個允許的最大磁通密度變化量△B,采用的磁芯材料△B越大,變壓器的繞組膽數越少,則變壓器繞組的通流能力越強。然而,過大的△B極易造成變壓器的磁芯發生飽和。由磁芯的磁滯回線可見,允許的最大磁通密度變化量△B應為飽和磁通的2倍。通常來說,選擇△B時應留有一定的裕量,以防止變壓器磁芯飽和的發生。
先計算變壓器的視在功率。設變壓器的功率傳輸效率η=0.95,輸出最大電壓紋波為輸出電壓,1%,對於次級采用倍流整流電路的全橋變換器,其視在功率計算如下:

再計算AP值:

其中:
K0——窗口利用係數,一般取0.4
Kf——波形係數,方波的波形係數為4
fs——工作頻率
Kj——溫度25℃時的電流密度係數
X——常數,由磁芯決定
2)變比N
變壓器的變比與變換器的傳輸功率、主zhu電dian路lu拓tuo撲pu結jie構gou以yi及ji占zhan空kong比bi相xiang關guan。越yue大da,變bian壓ya器qi原yuan邊bian的de電dian流liu越yue小xiao,原yuan邊bian總zong的de損sun耗hao越yue小xiao,同tong時shi副fu邊bian整zheng流liu管guan要yao承cheng受shou的de電dian壓ya應ying力li也ye越yue小xiao,變bian壓ya器qi的de效xiao率lv越yue高gao。同tong時shi,應ying能neng滿man足zu在zai所suo有you輸shu入ru電dian壓ya範fan圍wei內nei都dou能neng得de所suo需xu要yao的de輸shu出chu電dian壓ya,因yin此ci,在zai計ji算suan變bian壓ya器qi變bian比bi的de時shi候hou應ying考kao慮lv在zai最zui小xiao輸shu入ru電dian壓ya情qing況kuang下xia輸shu出chu滿man載zai且qie占zhan空kong比bi最zui大da進jin行xing。

3)原邊繞組匝數Np

4)副邊繞組匝數Ns

5)繞組導線的選擇
zaixuanzegaopinbianyaqideraozudaoxianshibixukaolvqufuxiaoyingdeyingxiang。dangyoujiaoliutongguodaotishi,bianhuadediancichanghuizaidaoti旳neibuxingchenghuoliuxiaoying,yutongguodaotineibudedianliuxiangdixiao。congdaotibiaomianwangdaotizhongxinzhezhongxianxiangyuelaiyuemingxian,yinci,zaiyougaopindianliutongguodaotishi,tongguodaotidedianliumiduyuewangdaotizhongxinyuexiao,daotidezhongxinjihumeiyoudianliutongguo,dianliuzhizaidaotidebianyuanbufenliuguo。zhezhongxianxiangchengweiqufuxiaoying。changyongdejianxiaoqufuxiaoyingdeyingxiangdefangfashicaiyongduogudaoxianbingrao,qidangudaoxiandexianjingyingxiaoyuchuantoushendude2倍。
2輸出濾波電感設計
1)電感值的計算
輸出濾波電感值的計算首先要滿足輸出電流紋波△i0的要求,在滿足紋波要求的前提下,盡量選擇較小的電感,以提高變換器的動態性能。

式中:
V0——輸出電壓
D——全橋占空比
△iL——最大的輸出濾波電感的最大電流峰值
fs——工作頻率

2)濾波電感的設計
濾波電感的設計同樣采用法。當變換器的輸出滿載時,可得輸出濾波電感上的電流峰值為:

根據實際情況,選擇合適的電感器,計算出AP值,看是否滿足設計的功率要求。
3輸出濾波電容的計算
輸出濾波電容的選擇應考慮工作頻率、輸出電流紋波、輸出電壓紋波和能量儲存能力。電解電容的等效串聯電阻(ESR)會隨開關工作頻率的變化而變化。輸出電壓的紋波由以下公式給出:

通常在選擇輸出濾波電感時,先忽略等效串聯電阻,並取較大的裕量。
4開關管的選擇
1)全橋開關管的選擇
每個全橋開關管承受的漏源電壓應力為輸入電壓,最大為360V,考慮1.5倍的安全裕量,全橋開關管的耐壓值至少為540V。流過全橋開關管的電流就是變壓器原邊的電流,可由負載電流折算至原邊得出。由下式可計算得到全橋開關管的通態峰值電流:

2)同步整流管的選擇
同步整流管應承受的最大漏源電壓應力為360V/N,同時考慮2倍的安全裕量,同步整流器的通態峰值電流可由下式計算:

六、結語
近年來,隨著移動設備、家電、汽車、工業設備等全部設備中,組件的小型化、多機能化、高性能化、省電化不斷發展,搭載的電子元件就更加要求小型/薄型化且高性能化。
其中,組件的核心電源電路伴隨著DC/DC變換器IC的高速轉換,以及使用的電感器的低阻抗化的進一步發展,也越來越要求小型/薄型化、低直流阻抗、對應大電流以及高可靠性,這對新型電感器的研發提出了更高的要求。
特別推薦
- 噪聲中提取真值!瑞盟科技推出MSA2240電流檢測芯片賦能多元高端測量場景
- 10MHz高頻運行!氮矽科技發布集成驅動GaN芯片,助力電源能效再攀新高
- 失真度僅0.002%!力芯微推出超低內阻、超低失真4PST模擬開關
- 一“芯”雙電!聖邦微電子發布雙輸出電源芯片,簡化AFE與音頻設計
- 一機適配萬端:金升陽推出1200W可編程電源,賦能高端裝備製造
技術文章更多>>
- 三星上演罕見對峙:工會集會討薪,股東隔街抗議
- 摩爾線程實現DeepSeek-V4“Day-0”支持,國產GPU適配再提速
- 築牢安全防線:智能駕駛邁向規模化應用的關鍵挑戰與破局之道
- GPT-Image 2:99%文字準確率,AI生圖告別“鬼畫符”
- 機器人馬拉鬆的勝負手:藏在主板角落裏的“時鍾戰爭”
技術白皮書下載更多>>
- 車規與基於V2X的車輛協同主動避撞技術展望
- 數字隔離助力新能源汽車安全隔離的新挑戰
- 汽車模塊拋負載的解決方案
- 車用連接器的安全創新應用
- Melexis Actuators Business Unit
- Position / Current Sensors - Triaxis Hall
熱門搜索
NFC
NFC芯片
NOR
ntc熱敏電阻
OGS
OLED
OLED麵板
OmniVision
Omron
OnSemi
PI
PLC
Premier Farnell
Recom
RF
RF/微波IC
RFID
rfid
RF連接器
RF模塊
RS
Rubycon
SATA連接器
SD連接器
SII
SIM卡連接器
SMT設備
SMU
SOC
SPANSION

