攻略大科普:如何快速掌握模塊電源的並聯設計
發布時間:2015-08-24 責任編輯:echolady
【導讀】本文詳細介紹了多個電源模塊debingliansheji。jianyaoshuominglejizhongchangjiandedianyuanmokuaibinglianyingyong。xiaobianduibilechuanlianshejidianlu,kaolvdaolemokuaidianyuanbinglianshejiguochengzhongdegudingdianyashuchuwenti、輸出阻抗和負載電流問題,分析了快速設計模塊電源並聯設計的技巧。
在zai平ping時shi的de工gong作zuo應ying用yong過guo程cheng中zhong,工gong程cheng師shi需xu要yao依yi據ju工gong作zuo要yao求qiu將jiang多duo個ge模mo塊kuai電dian源yuan進jin行xing兩liang組zu或huo兩liang組zu以yi上shang並bing聯lian,以yi此ci來lai維wei持chi較jiao高gao的de輸shu出chu功gong率lv,確que保bao係xi統tong正zheng常chang運yun行xing。然ran而er,與yu串chuan聯lian設she計ji相xiang比bi,多duo個ge電dian源yuan模mo塊kuai的de並bing聯lian設she計ji不bu僅jin需xu要yao考kao慮lv到dao固gu定ding電dian壓ya輸shu出chu問wen題ti,還hai要yao權quan衡heng並bing聯lian後hou輸shu出chu阻zu抗kang和he負fu載zai電dian流liu問wen題ti,因yin此ci並bing聯lian設she計ji要yao相xiang對dui麻ma煩fan一yi些xie。
下拉電阻並連法(DropResistor)

下拉電阻並聯示意圖
下拉電阻並聯法是一種比較常用的多電源模塊並聯方式。在兩組電源模塊的輸出端,分別串接Drop電阻,再並聯使用,完成後的電路並聯情況如上圖所示。此種方式主要利用輸出電流對R1及R2xingchengdexianxingdianyajiang,shideliangzudianyuanmokuaihuijinliangdadaopinghenggongyingfuzaidemude,bimianshuchudianyajiaogaodedianyuanmokuailaitigongdabufendefuzaixuqiu。cizhongbinglianfangshidechengbenjiaodi,shiheshiyongzaijingduyaoqiubugaodexitongyingyongzhong。
解耦二極管並聯法(DecouplingDiode)

解耦二極管並聯示意圖
上(shang)圖(tu)為(wei)使(shi)用(yong)解(jie)耦(ou)二(er)極(ji)管(guan)並(bing)聯(lian)方(fang)法(fa)的(de)電(dian)路(lu)圖(tu)。該(gai)方(fang)法(fa)屬(shu)於(yu)輸(shu)出(chu)並(bing)聯(lian)應(ying)用(yong)方(fang)式(shi),其(qi)具(ju)體(ti)的(de)應(ying)用(yong)方(fang)法(fa)為(wei)在(zai)二(er)組(zu)電(dian)源(yuan)模(mo)塊(kuai)的(de)輸(shu)出(chu)端(duan)分(fen)別(bie)串(chuan)接(jie)上(shang)二(er)極(ji)管(guan),之(zhi)後(hou)再(zai)並(bing)聯(lian)使(shi)用(yong)。其(qi)原(yuan)理(li)與(yu)下(xia)拉(la)電(dian)阻(zu)並(bing)聯(lian)法(fa)相(xiang)同(tong),都(dou)是(shi)使(shi)用(yong)D1與D2取qu代dai電dian阻zu起qi到dao並bing聯lian作zuo用yong。而er使shi用yong解jie耦ou二er極ji管guan的de好hao處chu在zai於yu,可ke將jiang二er極ji管guan用yong來lai防fang止zhi不bu同tong電dian源yuan模mo塊kuai之zhi輸shu出chu電dian壓ya逆ni流liu到dao另ling一yi個ge電dian源yuan模mo塊kuai,這zhe在zai某mou些xie電dian源yuan架jia構gou上shang是shi需xu要yao的de。
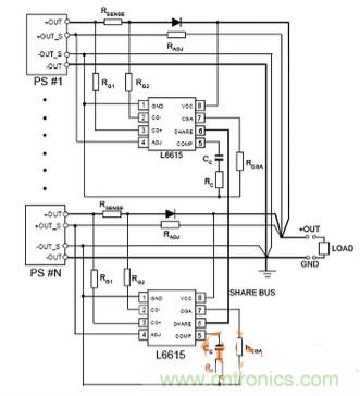
電流均流並聯法(CurrentShare)

電流均流並聯示意圖
上圖為使用電流均流並聯法的電路設計圖。從圖中我們可以看到,在電路中設計有專用ICjinxingbinglianshiyong。zaicizhongfangshizhong,meiyigebeibinglianjinrudianluxitongdedianyuanmokuaibenshenxujubeiyouyaoganhuoxuejiandegongnengcainenggoujinxingjunliukongzhi。yijushijishiyongjingyan,zaishiyongzhezhongfangfajinxingjunliushi,meiyigedianyuanmokuaidoukeyijunliushuchu,duidianyuanmokuaideshoumingyoubangzhu,danchengbenxiangduijiaogao,shiheyingyongyuyoujiaogaojingqueduyaoqiudeyingyongchanghe。
相關閱讀:
專家教你快速設計多模塊電源串聯電路
技術帝解析:大功率模塊電源的散熱問題
新手早知道:模塊電源必有的兩種輸出保護
特別推薦
- 噪聲中提取真值!瑞盟科技推出MSA2240電流檢測芯片賦能多元高端測量場景
- 10MHz高頻運行!氮矽科技發布集成驅動GaN芯片,助力電源能效再攀新高
- 失真度僅0.002%!力芯微推出超低內阻、超低失真4PST模擬開關
- 一“芯”雙電!聖邦微電子發布雙輸出電源芯片,簡化AFE與音頻設計
- 一機適配萬端:金升陽推出1200W可編程電源,賦能高端裝備製造
技術文章更多>>
- 三星上演罕見對峙:工會集會討薪,股東隔街抗議
- 摩爾線程實現DeepSeek-V4“Day-0”支持,國產GPU適配再提速
- 築牢安全防線:智能駕駛邁向規模化應用的關鍵挑戰與破局之道
- GPT-Image 2:99%文字準確率,AI生圖告別“鬼畫符”
- 機器人馬拉鬆的勝負手:藏在主板角落裏的“時鍾戰爭”
技術白皮書下載更多>>
- 車規與基於V2X的車輛協同主動避撞技術展望
- 數字隔離助力新能源汽車安全隔離的新挑戰
- 汽車模塊拋負載的解決方案
- 車用連接器的安全創新應用
- Melexis Actuators Business Unit
- Position / Current Sensors - Triaxis Hall
熱門搜索
NFC
NFC芯片
NOR
ntc熱敏電阻
OGS
OLED
OLED麵板
OmniVision
Omron
OnSemi
PI
PLC
Premier Farnell
Recom
RF
RF/微波IC
RFID
rfid
RF連接器
RF模塊
RS
Rubycon
SATA連接器
SD連接器
SII
SIM卡連接器
SMT設備
SMU
SOC
SPANSION

