一款數控直流穩壓電源電路設計
發布時間:2014-10-09 責任編輯:sherryyu
【導讀】本例介紹的數控直流穩壓電源電路,采用控製按鈕和數字集成電路,采用LED發光二極管來指示輸出電壓值,輸出電壓為 3-+15V共8檔可調。最大輸出電流為1·5A。具體的設計請看下文。
本例介紹的數控直流穩壓電源電路,采用控製按鈕和數字集成電路,采用LED發光二極管來指示輸出電壓值,輸出電壓為 3-+15V共8檔可調。最大輸出電流為1·5A。
電路工作原理
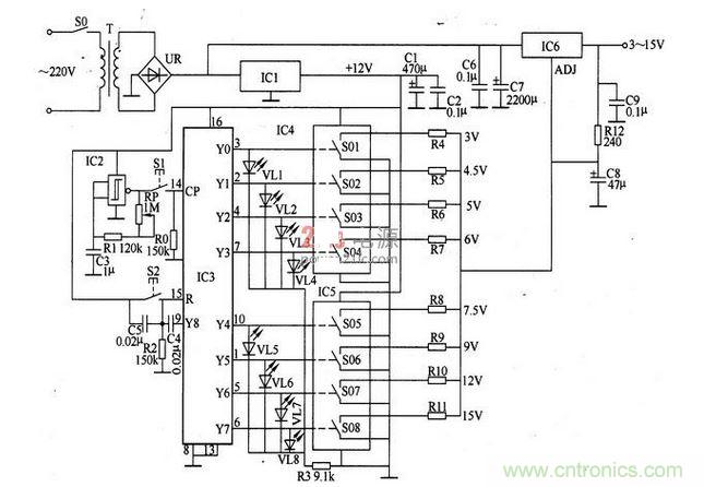
該數控百流穩壓電源電路由+l2V穩壓電路、電壓控製/顯示電路和穩壓輸出電路組成,如圖5-27所示。

+l2V穩壓電路山電源變壓器T、整流橋堆uR、濾波電容器Cl、c2、c6、c7和三端穩壓集成電路ICl組成。
電壓控製/顯示電路由控製按鈕Sl、複位按鈕S2、電阻器RO-Rll、電位器RP、電容器C3-C5、施密特觸發器集成電路IC2、十迸製計數/脈衝分配器集成電路IC3、電子開關集成電路IC4、1C5和發光二極管VLl-VL8組成。
穩壓輸出電路由三端可調穩壓集成電路IC6、電阻器Rl2和電容器C6-C9組成。
接通SO,交流220V電壓經T降壓、UR整流及C6、C7濾波後,一路作為lC6的輸人電壓;另一路經ICl穩壓為+l2V,作為IC2-IC5的工作電源。lC3通電複位後,其YO端輸出高電平 (YI-Y8端輸出低電平),使IC4內部的電子開關SOl接通,使R4接人穩壓電路,此時的輸出電壓為+3V,同時VLl點亮。
按動一下S1後,由IC2和外圍阻容元件組成的振蕩器產生的脈衝信號經S1加至IC3的14腳 (CP端),作為IC3的計數脈衝,IC3的Yl端輸拙高電平 (YO端變為低電平),S02接通,R5接人穩壓電路中,此時的輸出電壓為+4·5V,同時VL1點亮。
連續按動51時,IC3的YO-Y8端將依次輪流輸出高電平,使S01-S08依次輪流接通,電阻器M-Rll被依次輪流接入穩壓電路中,IC6依次輸出從低至高 (+3V、+4·5V、+5V、+6V、+7·5V、+9V、+l2V、+l5V)的8種電壓。VLl-VL8依次輪流點亮。
在+3V以外的任一檔,隻要按一下S2,IC2即清零複位,回到+3V最低電壓檔。
元器件選擇
Rl-Rl2選用1/4W金屬膜電阻器或碳膜電阻器。
RP選用有機實心可變電阻器。
Cl和C8均選用耐壓值為16V的鋁電解電容器;C2-C6和C9均選用獨石電容器;C7選用耐壓值為25V的鋁電解電容器。
VLl-VL8均選用φ3mm的發光二極管。
UR選用2A。5OV的整流橋堆。
ICl選用LM7812或CW7812型三端穩壓集成電路;IC2選用CD4093型施密特觸發器集成電路;IC3選用CD4017或MCl4107型十進製計數/n永衝分配器集成電路;IC4和1C5均選用CD4066型電子開關集成電路;IC6選用LM317型三端可調穩壓集成電路。
S0選用250V、觸頭電流負荷為5A的電源開關;S1和S2均選用微型動合按鈕。
電路調試
將R4-Rll分別換成電位器,調整電位器的阻值,使各檔輸出電壓為標稱值,然後冉將電位器用合適的固定電阻器換下即可。
特別推薦
- 噪聲中提取真值!瑞盟科技推出MSA2240電流檢測芯片賦能多元高端測量場景
- 10MHz高頻運行!氮矽科技發布集成驅動GaN芯片,助力電源能效再攀新高
- 失真度僅0.002%!力芯微推出超低內阻、超低失真4PST模擬開關
- 一“芯”雙電!聖邦微電子發布雙輸出電源芯片,簡化AFE與音頻設計
- 一機適配萬端:金升陽推出1200W可編程電源,賦能高端裝備製造
技術文章更多>>
- 邊緣AI的發展為更智能、更可持續的技術鋪平道路
- 每台智能體PC,都是AI時代的新入口
- IAR作為Qt Group獨立BU攜兩項重磅汽車電子應用開發方案首秀北京車展
- 構建具有網絡彈性的嵌入式係統:來自行業領袖的洞見
- 數字化的線性穩壓器
技術白皮書下載更多>>
- 車規與基於V2X的車輛協同主動避撞技術展望
- 數字隔離助力新能源汽車安全隔離的新挑戰
- 汽車模塊拋負載的解決方案
- 車用連接器的安全創新應用
- Melexis Actuators Business Unit
- Position / Current Sensors - Triaxis Hall
熱門搜索
SATA連接器
SD連接器
SII
SIM卡連接器
SMT設備
SMU
SOC
SPANSION
SRAM
SSD
ST
ST-ERICSSON
Sunlord
SynQor
s端子線
Taiyo Yuden
TDK-EPC
TD-SCDMA功放
TD-SCDMA基帶
TE
Tektronix
Thunderbolt
TI
TOREX
TTI
TVS
UPS電源
USB3.0
USB 3.0主控芯片
USB傳輸速度



