工程師整理的常見電源電路:穩壓、整流、濾波
發布時間:2013-07-29 來源:電子元件技術網 責任編輯:Cynthiali
【導讀】一位工程師整理的常見電源電路學習和查詢資料,整理了常見電源電路,包括各種穩壓電路、各種整流電路、各種濾波電路,非常清楚明了哦!
穩壓電路(穩壓管並聯穩壓電路、串聯型穩壓電路、開關型穩壓電路、集成化穩壓電路)、整流電路(半波整流、全波整流、全波橋式整流、倍壓整流)、濾波電路(電容濾波、電感濾波、L C 濾波、RC 濾波)。
一:穩壓電路
交流電網電壓的波動和負載電流的變化都會使整流電源的輸出電壓和電流隨之變動,因此要求較高的電子電路必須使用穩壓電源。
(1)穩壓管並聯穩壓電路
用一個穩壓管和負載並聯的電路是最簡單的穩壓電路,見下圖 (a)。圖中 R 是限流電阻。這個電路的輸出電流很小,它的輸出電壓等於穩壓管的穩定電壓值 V Z 。

(2)串聯型穩壓電路
有放大和負反饋作用的串聯型穩壓電路是最常用的穩壓電路。它的電路和框圖見上圖 (b)、(c)。它是從取樣電路( R3 、 R4 )中檢測出輸出電壓的變動,與基準電壓( V Z )比較並經放大器( VT2 )放大後加到調整管( VT1 )上,使調整管兩端的電壓隨著變化。如果輸出電壓下降,就使調整管管壓降也降低,於是輸出電壓被提升;如(ru)果(guo)輸(shu)出(chu)電(dian)壓(ya)上(shang)升(sheng),就(jiu)使(shi)調(tiao)整(zheng)管(guan)管(guan)壓(ya)降(jiang)也(ye)上(shang)升(sheng),於(yu)是(shi)輸(shu)出(chu)電(dian)壓(ya)被(bei)壓(ya)低(di),結(jie)果(guo)就(jiu)使(shi)輸(shu)出(chu)電(dian)壓(ya)基(ji)本(ben)不(bu)變(bian)。在(zai)這(zhe)個(ge)電(dian)路(lu)的(de)基(ji)礎(chu)上(shang)發(fa)展(zhan)成(cheng)很(hen)多(duo)變(bian)型(xing)電(dian)路(lu)或(huo)增(zeng)加(jia)一(yi)些(xie)輔(fu)助(zhu)電(dian)路(lu),如(ru)用(yong)複(fu)合(he)管(guan)作(zuo)調(tiao)整(zheng)管(guan),輸(shu)出(chu)電(dian)壓(ya)可(ke)調(tiao)的(de)電(dian)路(lu),用(yong)運(yun)算(suan)放(fang) 大器作比較放大的電路,以及增加輔助電源和過流保護電路等。
(3)開關型穩壓電路
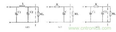
開關穩壓電源從原理上分有很多種。它的基本原理框圖見上圖(d)。圖中電感 L 和電容 C 是儲能和濾波元件,二極管 VD 是調整管在關斷狀態時為 L 、 C 濾波器提供電流通路的續流二極管。開關穩壓電源的開關頻率都很高,一般為幾~幾十千赫,所以電感器的體積不很大,輸出電壓中的高次諧波也不多。
它的基本工作原理是 : 從取樣電路( R3 、 R4 )中檢測出取樣電壓經比較放大後去控製一個矩形波發生器。矩形波發生器的輸出脈衝是控製調整管( VT )的導通和截止時間的。如果輸出電壓 U 0 因為電網電壓或負載電流的變動而降低,就會使矩形波發生器的輸出脈衝變寬,於是調整管導通時間增大,使 L 、 C 儲能電路得到更多的能量,結果是使輸出電壓 U 0 被提升,達到了穩定輸出電壓的目的。
(4)集成化穩壓電路
上圖(e)是一個三端穩壓器電路。圖中 C 是主濾波電容, C1 、 C2 是消除寄生振蕩的電容 ,VD 是為防止輸入短路燒壞集成塊而使用的保護二極管。
二、整流電路
整流電路是利用半導體二極管的單向導電性能把交流電變成單向脈動直流電的電路。
(1)半波整流
半波整流電路隻需一個二極管,見下圖(a)。在交流電正半周時 VD 導通,負半周時 VD 截止,負載 R 上得到的是脈動的直流電

(2)全波整流
全波整流要用兩個二極管,而且要求變壓器有帶中心抽頭的兩個圈數相同的次級線圈,見上圖(b)。負載 R L 上得到的是脈動的全波整流電流,輸出電壓比半波整流電路高。
(3)全波橋式整流
用 4 個二極管組成的橋式整流電路可以使用隻有單個次級線圈的變壓器,見上圖( c )。負載上的電流波形和輸出電壓值與全波整流電路相同。
(4)倍壓整流
用多個二極管和 電容器可以獲得較高的直流電壓。上圖(d)是一個二倍壓整流電路。當 U2 為負半周時 VD1 導通, C1 被充電, C1 上最高電壓可接近 1.4U2 ;當 U2 正半周時 VD2 導通, C1 上的電壓和 U2 疊加在一起對 C2 充電,使 C2 上電壓接近 2.8U2 ,是 C1 上電壓的 2 倍,所以叫倍壓整流電路。
三、濾波電路
整流後得到的是脈動直流電,如果加上濾波電路濾除脈動直流電中的交流成分,就可得到平滑的直流電。
(1)電容濾波
把電容器和負載並聯,如下圖(a),正半周時電容被充電,負半周時電容放電,就可使負載上得到平滑的直流電。

(2)電感濾波
把電感和負載串聯起來,如上圖(b),也能濾除脈動電流中的交流成分。
(3) L 、 C 濾波
用 1 個電感和 1 個電容組成的濾波電路因為象一個倒寫的字母“ L ”,被稱為 L 型,見上圖(c)。用 1 個電感和 2 個電容的濾波電路因為象字母“ π ”,被稱為 π 型,見上圖(d),這是濾波效果較好的電路。
(4) RC 濾波
電感器的成本高、體積大,所以在電流不太大的電子電路中常用電阻器取代電感器而組成 RC 濾波電路。同樣,它也有 L 型,見上圖(e); π 型,見上圖(f)。
特別推薦
- 噪聲中提取真值!瑞盟科技推出MSA2240電流檢測芯片賦能多元高端測量場景
- 10MHz高頻運行!氮矽科技發布集成驅動GaN芯片,助力電源能效再攀新高
- 失真度僅0.002%!力芯微推出超低內阻、超低失真4PST模擬開關
- 一“芯”雙電!聖邦微電子發布雙輸出電源芯片,簡化AFE與音頻設計
- 一機適配萬端:金升陽推出1200W可編程電源,賦能高端裝備製造
技術文章更多>>
- 三星上演罕見對峙:工會集會討薪,股東隔街抗議
- 摩爾線程實現DeepSeek-V4“Day-0”支持,國產GPU適配再提速
- 築牢安全防線:智能駕駛邁向規模化應用的關鍵挑戰與破局之道
- GPT-Image 2:99%文字準確率,AI生圖告別“鬼畫符”
- 機器人馬拉鬆的勝負手:藏在主板角落裏的“時鍾戰爭”
技術白皮書下載更多>>
- 車規與基於V2X的車輛協同主動避撞技術展望
- 數字隔離助力新能源汽車安全隔離的新挑戰
- 汽車模塊拋負載的解決方案
- 車用連接器的安全創新應用
- Melexis Actuators Business Unit
- Position / Current Sensors - Triaxis Hall
熱門搜索
NFC
NFC芯片
NOR
ntc熱敏電阻
OGS
OLED
OLED麵板
OmniVision
Omron
OnSemi
PI
PLC
Premier Farnell
Recom
RF
RF/微波IC
RFID
rfid
RF連接器
RF模塊
RS
Rubycon
SATA連接器
SD連接器
SII
SIM卡連接器
SMT設備
SMU
SOC
SPANSION

