低功耗音頻DAC設計電路,可編程miniDSP音頻處理
發布時間:2012-12-26 責任編輯:easonxu
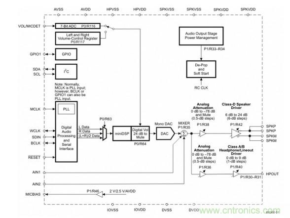
【導讀】TLV320 DAC3120是一種低功耗,高集成度,高性能的單聲道DAC,24位單聲道播放,完全可編程miniDSP音頻處理的數字,適用於便攜式音頻設備、電子書、便攜式導航設備。
該器件集成了模擬功能,如麥克風偏置,耳機驅動器,以及一個單聲道揚聲器驅動器能夠驅動4Ω負載。在該TLV320DAC3120完全可編程miniDSP音頻處理的數字。數字音頻數據格式是可編程的,與流行的音頻標準協議(I2S,左/右對齊),在主,從DSP和TDM模式。重低音,高音,或EQ可以支持可編程的數字信號處理塊。一個片上的PLL提供了所需要的數字信號處理塊的高速時鍾。音量電平,可以控製由一個引腳控製或由寄存器控製。使用I2C串行總線控製的音頻功能。

圖題:TLV320DAC3120是可在一個32引腳QFN封裝
特點
單聲道音頻DAC具有95 dB的SNR
指令的可編程嵌入式miniDSP
支持8 kHz到192 kHz的采樣率
單聲道D類BTL揚聲器驅動器(1.6 W 2.5 W)
單聲道耳機/線路輸出驅動器
兩個單端輸入,輸出混音和電平控製
麥克風偏置
內置數字音頻處理模塊,具有用戶可編程的雙二階FIR過濾器,剛果(金)
數字正弦波發生器發出蜂鳴聲和點擊次數(PRB _P25)
可編程低音的升壓/高音/ EQ高達六二階濾波器用於播放數字音頻處理器
引腳控製寄存器控製數字播放音量控製設置
集成PLL用於可編程數字音頻處理器
I2S,左對齊,右對齊,DSP,和TDM音頻接口的
I2C控製寄存器自動遞增
完全關斷控製
電源:
模擬:2.7 V?3.6 V
數字內核:1.65 V,1.95 V
數字I / O:1.1 V - 3.6 V
D類:2.7 V - 5.5 V(SPKVDD ≥ AVDD)
5毫米×5毫米32 - QFN封裝
應用
便攜式音頻設備
電子書
便攜式導航設備
- 噪聲中提取真值!瑞盟科技推出MSA2240電流檢測芯片賦能多元高端測量場景
- 10MHz高頻運行!氮矽科技發布集成驅動GaN芯片,助力電源能效再攀新高
- 失真度僅0.002%!力芯微推出超低內阻、超低失真4PST模擬開關
- 一“芯”雙電!聖邦微電子發布雙輸出電源芯片,簡化AFE與音頻設計
- 一機適配萬端:金升陽推出1200W可編程電源,賦能高端裝備製造
- 菲尼克斯電氣DIP產線獲授“IPC HERMES Demo Line”示範線
- 貿澤電子新品推薦:2026年第一季度引入超過9,000個新物料
- 跨域無界 智馭未來——聯合電子北京車展之智能網聯篇
- PROFINET牽手RS232:網關為RFID裝上“同聲傳譯”舊設備秒變智能
- 為AI尋找存儲新方案
- 車規與基於V2X的車輛協同主動避撞技術展望
- 數字隔離助力新能源汽車安全隔離的新挑戰
- 汽車模塊拋負載的解決方案
- 車用連接器的安全創新應用
- Melexis Actuators Business Unit
- Position / Current Sensors - Triaxis Hall

