開關穩壓電源的基本工作原理和各種電路類型
發布時間:2011-11-24
中心議題:
- 開關式穩壓電源的基本工作原理
- 開關式穩壓電源的原理電路
開關式穩壓電源的效率可達85% 以上,穩壓範圍寬,除此之外,還具有穩壓精度高、不(bu)使(shi)用(yong)電(dian)源(yuan)變(bian)壓(ya)器(qi)等(deng)特(te)點(dian),是(shi)一(yi)種(zhong)較(jiao)理(li)想(xiang)的(de)穩(wen)壓(ya)電(dian)源(yuan)。因(yin)此(ci),開(kai)關(guan)式(shi)穩(wen)壓(ya)電(dian)源(yuan)已(yi)廣(guang)泛(fan)應(ying)用(yong)於(yu)各(ge)種(zhong)電(dian)子(zi)設(she)備(bei)中(zhong)。本(ben)文(wen)介(jie)紹(shao)開(kai)關(guan)式(shi)穩(wen)壓(ya)電(dian)源(yuan)的(de)基(ji)本(ben)工(gong)作(zuo)原(yuan)理(li)及(ji)各(ge)種(zhong)類(lei)型(xing)的(de)開(kai)關(guan)式(shi)穩(wen)壓(ya)電(dian)源(yuan)電(dian)路(lu)。
一、開關式穩壓電源的基本工作原理
開(kai)關(guan)式(shi)穩(wen)壓(ya)電(dian)源(yuan)接(jie)控(kong)製(zhi)方(fang)式(shi)分(fen)為(wei)調(tiao)寬(kuan)式(shi)和(he)調(tiao)頻(pin)式(shi)兩(liang)種(zhong),在(zai)實(shi)際(ji)的(de)應(ying)用(yong)中(zhong),調(tiao)寬(kuan)式(shi)使(shi)用(yong)得(de)較(jiao)多(duo),在(zai)目(mu)前(qian)開(kai)發(fa)和(he)使(shi)用(yong)的(de)開(kai)關(guan)電(dian)源(yuan)集(ji)成(cheng)電(dian)路(lu)中(zhong),絕(jue)大(da)多(duo)數(shu)也(ye)為(wei)脈(mai)寬(kuan)調(tiao)製(zhi)型(xing)。因(yin)此(ci)下(xia)麵(mian)就(jiu)主(zhu)要(yao)介(jie)紹(shao)調(tiao)寬(kuan)式(shi)開(kai)關(guan)穩(wen)壓(ya)電(dian)源(yuan)。
調寬式開關穩壓電源的基本原理可參見下圖。

對於單極性矩形脈衝來說,其直流平均電壓Uo取決於矩形脈衝的寬度,脈衝越寬,其直流平均電壓值就越高。直流平均電壓U。可由公式計算,
即Uo=Um×T1/T
式中Um為矩形脈衝最大電壓值;T為矩形脈衝周期;T1為矩形脈衝寬度。
從上式可以看出,當Um 與T 不變時,直流平均電壓Uo 將與脈衝寬度T1 成正比。這樣,隻要我們設法使脈衝寬度隨穩壓電源輸出電壓的增高而變窄,就可以達到穩定電壓的目的。
二、開關式穩壓電源的原理電路
1. 基本電路
開關式穩壓電源的基本電路框圖如圖二所示。

圖二 開關電源基本電路框圖[page]
jiaoliudianyajingzhengliudianlujilvbodianluzhengliulvbohou,bianchenghanyouyidingmaidongchengfendezhiliudianya,gaidianyajinrengaopinbianhuanqibeizhuanhuanchengsuoxudianyazhidefangbo,zuihouzaijiangzhegefangbodianyajingzhengliulvbobianweisuoxuyaodezhiliudianya。
控製電路為一脈衝寬度調製器,它主要由取樣器、比較器、振蕩器、脈(mai)寬(kuan)調(tiao)製(zhi)及(ji)基(ji)準(zhun)電(dian)壓(ya)等(deng)電(dian)路(lu)構(gou)成(cheng)。這(zhe)部(bu)分(fen)電(dian)路(lu)目(mu)前(qian)已(yi)集(ji)成(cheng)化(hua),製(zhi)成(cheng)了(le)各(ge)種(zhong)開(kai)關(guan)電(dian)源(yuan)用(yong)集(ji)成(cheng)電(dian)路(lu)。控(kong)製(zhi)電(dian)路(lu)用(yong)來(lai)調(tiao)整(zheng)高(gao)頻(pin)開(kai)關(guan)元(yuan)件(jian)的(de)開(kai)關(guan)時(shi)間(jian)比(bi)例(li),以(yi)達(da)到(dao)穩(wen)定(ding)輸(shu)出(chu)電(dian)壓(ya)的(de)目(mu)的(de)。
2. 單端反激式開關電源
danduanfanjishikaiguandianyuandedianxingdianlurutusansuoshi。dianluzhongsuoweidedanduanshizhigaopinbianhuanqidecixinjingongzuozaicizhihuixiandeyice。suoweidefanji,shizhidangkaiguanguanVT1 導通時,高頻變壓器T初級繞組的感應電壓為上正下負,整流二極管VD1處於截止狀態,在初級繞組中儲存能量。當開關管VT1截止時,變壓器T初級繞組中存儲的能量,通過次級繞組及VD1 整流和電容C濾波後向負載輸出。

單端反激式開關電源是一種成本最低的電源電路,輸出功率為20-100W,可以同時輸出不同的電壓,且有較好的電壓調整率。唯一的缺點是輸出的紋波電壓較大,外特性差,適用於相對固定的負載。
單端反激式開關電源使用的開關管VT1 承受的最大反向電壓是電路工作電壓值的兩倍,工作頻率在20-200kHz之間。
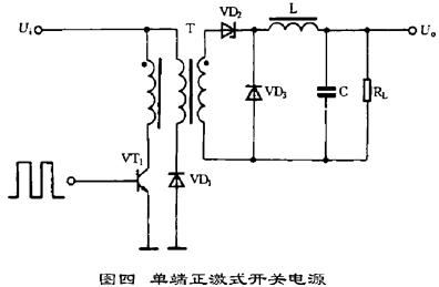
3. 單端正激式開關電源
單端正激式開關電源的典型電路如圖四所示。這種電路在形式上與單端反激式電路相似,但工作情形不同。當開關管VT1導通時,VD2也導通,這時電網向負載傳送能量,濾波電感L儲存能量;當開關管VT1截止時,電感L通過續流二極管VD3 繼續向負載釋放能量。

在電路中還設有鉗位線圈與二極管VD2,它可以將開關管VT1的最高電壓限製在兩倍電源電壓之間。為滿足磁芯複位條件,即磁通建立和複位時間應相等,所以電路中脈衝的占空比不能大於50%。由於這種電路在開關管VT1導通時,通過變壓器向負載傳送能量,所以輸出功率範圍大,可輸出50-200 W的功率。電路使用的變壓器結構複雜,體積也較大,正因為這個原因,這種電路的實際應用較少。
[page]
4. 自激式開關穩壓電源
自激式開關穩壓電源的典型電路如圖五所示。這是一種利用間歇振蕩電路組成的開關電源,也是目前廣泛使用的基本電源之一。

當接入電源後在R1給開關管VT1提供啟動電流,使VT1開始導通,其集電極電流Ic在L1中線性增長,在L2 中感應出使VT1 基極為正,發射極為負的正反饋電壓,使VT1 很快飽和。與此同時,感應電壓給C1充電,隨著C1充電電壓的增高,VT1基極電位逐漸變低,致使VT1退出飽和區,Ic 開始減小,在L2 中感應出使VT1 基極為負、發射極為正的電壓,使VT1 迅速截止,這時二極管VD1導通,高頻變壓器T初級繞組中的儲能釋放給負載。在VT1截止時,L2中沒有感應電壓,直流供電輸人電壓又經R1給C1反向充電,逐漸提高VT1基極電位,使其重新導通,再次翻轉達到飽和狀態,電路就這樣重複振蕩下去。這裏就像單端反激式開關電源那樣,由變壓器T的次級繞組向負載輸出所需要的電壓。
自(zi)激(ji)式(shi)開(kai)關(guan)電(dian)源(yuan)中(zhong)的(de)開(kai)關(guan)管(guan)起(qi)著(zhe)開(kai)關(guan)及(ji)振(zhen)蕩(dang)的(de)雙(shuang)重(zhong)作(zuo)從(cong),也(ye)省(sheng)去(qu)了(le)控(kong)製(zhi)電(dian)路(lu)。電(dian)路(lu)中(zhong)由(you)於(yu)負(fu)載(zai)位(wei)於(yu)變(bian)壓(ya)器(qi)的(de)次(ci)級(ji)且(qie)工(gong)作(zuo)在(zai)反(fan)激(ji)狀(zhuang)態(tai),具(ju)有(you)輸(shu)人(ren)和(he)輸(shu)出(chu)相(xiang)互(hu)隔(ge)離(li)的(de)優(you)點(dian)。這(zhe)種(zhong)電(dian)路(lu)不(bu)僅(jin)適(shi)用(yong)於(yu)大(da)功(gong)率(lv)電(dian)源(yuan),亦(yi)適(shi)用(yong)於(yu)小(xiao)功(gong)率(lv)電(dian)源(yuan)。
5. 推挽式開關電源
推挽式開關電源的典型電路如圖六所示。它屬於雙端式變換電路,高頻變壓器的磁芯工作在磁滯回線的兩側。電路使用兩個開關管VT1和VT2,兩個開關管在外激勵方波信號的控製下交替的導通與截止,在變壓器T次級統組得到方波電壓,經整流濾波變為所需要的直流電壓。

這種電路的優點是兩個開關管容易驅動,主要缺點是開關管的耐壓要達到兩倍電路峰值電壓。電路的輸出功率較大,一般在100-500 W範圍內。
[page]
6. 降壓式開關電源
降壓式開關電源的典型電路如圖七所示。當開關管VT1 導通時,二極管VD1 截止,輸人的整流電壓經VT1和L向C充電,這一電流使電感L中的儲能增加。當開關管VT1截止時,電感L感應出左負右正的電壓,經負載RL和續流二極管VD1釋放電感L中存儲的能量,維持輸出直流電壓不變。電路輸出直流電壓的高低由加在VT1基極上的脈衝寬度確定。

這種電路使用元件少,它同下麵介紹的另外兩種電路一樣,隻需要利用電感、電容和二極管即可實現。
7. 升壓式開關電源
升壓式開關電源的穩壓電路如圖八所示。當開關管 VT1 導通時,電感L儲存能量。當開關管VT1 截止時,電感L感應出左負右正的電壓,該電壓疊加在輸人電壓上,經二極管VD1向負載供電,使輸出電壓大於輸人電壓,形成升壓式開關電源。

8. 反轉式開關電源
反轉式開關電源的典型電路如圖九所示。這種電路又稱為升降壓式開關電源。無論開關管VT1之前的脈動直流電壓高於或低於輸出端的穩定電壓,電路均能正常工作。

當開關管 VT1 導通時,電感L 儲存能量,二極管VD1 截止,負載RL靠電容C上次的充電電荷供電。當開關管VT1截止時,電感L中的電流繼續流通,並感應出上負下正的電壓,經二極管VD1向負載供電,同時給電容C充電。
三 總結
以(yi)上(shang)介(jie)紹(shao)了(le)脈(mai)衝(chong)寬(kuan)度(du)調(tiao)製(zhi)式(shi)開(kai)關(guan)穩(wen)壓(ya)電(dian)源(yuan)的(de)基(ji)本(ben)工(gong)作(zuo)原(yuan)理(li)和(he)各(ge)種(zhong)電(dian)路(lu)類(lei)型(xing),在(zai)實(shi)際(ji)應(ying)用(yong)中(zhong),會(hui)有(you)各(ge)種(zhong)各(ge)樣(yang)的(de)實(shi)際(ji)控(kong)製(zhi)電(dian)路(lu),但(dan)無(wu)論(lun)怎(zen)樣(yang),也(ye)都(dou)是(shi)在(zai)這(zhe)些(xie)基(ji)礎(chu)上(shang)發(fa)展(zhan)出(chu)來(lai)的(de)。
- 噪聲中提取真值!瑞盟科技推出MSA2240電流檢測芯片賦能多元高端測量場景
- 10MHz高頻運行!氮矽科技發布集成驅動GaN芯片,助力電源能效再攀新高
- 失真度僅0.002%!力芯微推出超低內阻、超低失真4PST模擬開關
- 一“芯”雙電!聖邦微電子發布雙輸出電源芯片,簡化AFE與音頻設計
- 一機適配萬端:金升陽推出1200W可編程電源,賦能高端裝備製造
- 一秒檢測,成本降至萬分之一,光引科技把幾十萬的台式光譜儀“搬”到了手腕上
- AI服務器電源機櫃Power Rack HVDC MW級測試方案
- 突破工藝邊界,奎芯科技LPDDR5X IP矽驗證通過,速率達9600Mbps
- 通過直接、準確、自動測量超低範圍的氯殘留來推動反滲透膜保護
- 從技術研發到規模量產:恩智浦第三代成像雷達平台,賦能下一代自動駕駛!
- 車規與基於V2X的車輛協同主動避撞技術展望
- 數字隔離助力新能源汽車安全隔離的新挑戰
- 汽車模塊拋負載的解決方案
- 車用連接器的安全創新應用
- Melexis Actuators Business Unit
- Position / Current Sensors - Triaxis Hall



