高頻開關電源係統中整流模塊的功能設計
發布時間:2011-10-12
中心議題:
- 高頻開關電源係統總體結構
- 高頻開關電源的整流模塊的設計
- 高頻開關電源的整流模塊功能
本文主要闡述的是智能高頻開關電源的整流模塊的設計方案。以智能高頻開關電源係統中的整流模塊為研究對象,采用無源PFC 和DC/ DC 變換器的原理,對模塊的整流原理進行設計和改善,經過對整流模塊的硬件、電路的設計與調試表明:該整流模塊可以有效地解決智能高頻開關電源係統中整流問題,同時,還具有可靠性強、穩定性好且體積小、噪聲低、節能高效、維護方便等優點,能夠很好地滿足現代智能高頻開關電源係統的發展趨勢要求。
1 係統總體結構介紹
智能高頻開關電源係統的總體結構主要由主監控單元、配電模塊、交流配電單元、整流模塊等組成, 係統總體的結構圖如圖1 所示。係統中的各個監控單元受主監控單元的管理和控製, 通過通信線將各個監控單元采集的信息送給主監控統一管理。主監控顯示直流係統各種信息, 用戶也可以觸摸顯示屏查詢信息及操作,係統信息還可以接入到遠程監控係統中。係統除了交流監控、直流監控、開關量監控等基礎單位外, 還配置了絕緣監測、降壓裝置、電池巡檢等功能單元, 以達到對直流係統進行全麵監控的目的。

圖1 係統控製原理圖
工作時兩路市電( 交流) 經過交流切換裝置輸入一路交流, 給各個整流模塊供電。整流模塊將輸入三相交流電轉換為直流電, 給備用電源( 蓄電池) 充電, 同時也給合閘母線負載供電, 另外合閘母線通過降壓裝置給控製母線供電。所以說本文設計的整流模塊是將整流和充電兩項功能結合於一體的一種新型的整流模塊。
[page]
2 整流模塊的設計
整流模塊是智能高頻開關電源係統中的一個重要部分, 關係到係統的直流電壓輸出和工作時電壓輸出的穩定狀況。本文的設計主要是對模塊整流原理的改進和完善, 利用無源PFC 和DC/ DC 變換器的原理, 使得改進後的模塊能夠有效完成整流作用。
本文設計的整流模塊的工作原理框圖如圖2 所示,工作時, 模塊首先通過過防雷處理和濾波對輸入的三相交流進行處理, 這樣才能保證模塊後級電路的安全; 經過處理後的三相交流經過整流和無源PFC 後轉換成高壓直流時, 這時轉換的高壓直流要經過DC/ DC 變換器再次轉換成可變的直流電壓輸出; 另外模塊控製部分還有負責過壓、過流以及短路保護等作用, 這樣才能保證輸出電壓的穩定, 也同時能對模塊各部件進行保護。模塊還在遠程監控中提供了 四遙 ( 遙控、遙調、遙測、遙信) 接口。

圖2 整流模塊的的工作原理圖
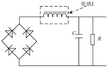
即功率因數校正( Pow er Factor Correct ion, PFC)是指有效功率與總耗電量( 視在功率) 之間的關係, 也就是有效功率除以總耗電量( 視在功率) 的比值。無源PFC 是指不使用晶體管等一些有源器件組成的校正電路, 一般情況下由二極管、電阻、電容和電感等無源器材組成。本文的PFC 主要是在整流橋堆和濾波電容之間加1 個電感, 具體原理如圖3 所示, 利用電感上的電流不能突變的特性來平滑電容充電強脈衝的波動, 改善電路中電流的畸變,並且利用電感上的電壓超前於電流這一特性來補償濾波電容電流超前電壓的特性, 使功率因數和電磁幹擾都得以改善。
這種方式隻是一種簡單的補償措施, 隻能做到抑製電流瞬時突變的目的, 但電流畸變的校正及功率因數的補償能力都很差 。
DC/ DC 變換器將一個固定的直流電壓變換為可變的直流電壓, 這種控製具有加速平穩、快速響應的性能,同時可以收到節約電能的效果。用直流斬波器代替變阻器可節約20% ~ 30%的電能。直流斬波器不僅能起到調壓作用, 還能起到有效抑製電網側諧波電流噪聲的作用。

圖3 無源PFC 原理圖
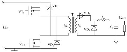
本文的DC/ DC 變換器采用雙管正激式DC/ DC 變換器, 它的原理如圖4 所示, 變壓器T 1 起隔離和變壓的作用, 在輸出端要加一個電感器L o ( 續流電感) 起能量的儲存及傳遞作用, 變壓器初級無再有複位繞組, 因為VD1 , VD2 的導通限製了兩個調整管關斷時所承受的電壓。輸出回路需有一個整流二極管VD3 和一個續流二極管VD4 (VD3,VD4 最好均選用恢複時間快的整流管) 。輸出濾波電容CO 應選擇低、大容量的電容, 這樣有利於降低紋波電壓。雙管正激式DC/ DC 變換器的工作特點如下:
(1) 在任何工作條件下, 為使兩個開關管所承受的電壓不會超過UIN , Ud ( UIN 為輸入電壓; Ud 為VD1 ,VD2 的正向壓降) , VD1 , VD2 必須是快恢複管, 其在實際設計和調試中恢複時間越短越好。
(2) 與單端正激式DC/ DC 變換器相比, 它無須複位電路, 這有利於簡化電路和變壓器的設計; 它的功率器件可選擇較低的耐壓值; 它功率等級也會很大。
(3) 兩個開關管的工作狀態一致, 會同時處於通態或斷態。所以使用在智能高頻開關電源這樣大功率等級電源中比較適合。

圖4 雙管正激式DC/ DC 變換器的電路圖[page]
平滑濾波原理: 整流電路將交流電變為脈動直流電, 但其中含有大量的交流成分( 稱為紋波電壓) 。為了獲得平滑的直流電壓, 應在整流電路的後麵加接濾波電路, 以濾去交流部分。此時在橋式整流電路輸出端與負載之間並聯一個大電容, 采用電容濾波後使二極管得到的時間縮短, 由於電容CO 充電的瞬時電流較大, 形成了浪湧電流, 容易損壞二極管, 故在選擇二極管時, 必須留有足夠的電流裕量, 以免燒壞。
3 整流模塊的功能介紹
整流模塊除了能將輸入的交流( 380 V、50 Hz) 變換成額定的直流輸出( 5 A/ 230 V) 之外, 還具有保護功能和設置功能, 現將模塊的保護功能和設置功能介紹如下:
3. 1 保護功能介紹
(1) 輸出過壓保護。輸出電壓過高會對用電設備造成重大事故, 為杜絕此類事故的發生, 在模塊內部設有過壓保護電路, 當出現過壓後模塊自動鎖定, 同時模塊的故障指示燈亮, 模塊自動退出工作狀態, 從而不會影響到整個係統的正常運行。
(2) 輸出限流保護。因為每個整流模塊的輸出功率受到限製, 輸出的電流不能過大。因此, 對每個模塊的輸出電流最大限製為額定輸出電流的1. 2 倍, 如果超出負載, 模塊自動調低輸出電壓以達到保護模塊的功能。
(3) 短路保護。整流模塊的輸出特性如圖5 所示,輸出短路時模塊在瞬間把輸出電壓拉低到零, 限製短路電流在限流點之下, 此時模塊輸出功率很小, 以達到保護模塊的目的, 這樣模塊長期可以長期工作在短路狀態而不至於損壞, 同時當故障排除後模塊可以自動恢複工作。

圖5 整流模塊輸出特性
(4) 模塊並聯保護。每個模塊內部均有並聯保護電路, 可以保證模塊發生故障時自動退出係統, 從而不影響其他正常模塊的工作。模塊並聯輸出示意圖如圖6所示。

圖6 模塊並聯輸出示意圖
(5) 過溫保護。模塊的過溫保護主要是保護大功率變流器件, 這些器件的結溫和電流過載能力均有安全極限值, 正常工作的情況下, 係統設計留有足夠餘量, 但在一些特殊條件下, 如環境溫度過高、風機停轉燈情況下, 模塊檢測散熱器溫度超過一定值時, 就會自動關機保護, 當溫度降低到能夠正常工作的溫度值時模塊才自動啟動。
(6) 過流保護。過流保護主要是保護大功率變流器件, 在變流的每一個周期, 如果通過的電流超過器件承受的電流, 模塊就會關閉功率器件, 以達到保護功率器件的目的。
3. 2 調節功能介紹
(1) 電壓調節功能。模塊的電壓調節主要是指輸出電壓的調節, 在模塊的輸出端設有電壓調節電位器,當模塊和監控單元相連接時, 輸出電壓也可以由監控係統設定, 這時電位器調節無效。
(2) 測量功能。模塊的測量功能主要是測量模塊的輸出電壓和電流以及模塊的工作狀態, 並通過LCD 顯示, 可以使用戶直觀方便的了解模塊和係統的工作狀態。
(3) 遙控功能。遙控: 控製模塊的開/ 關機狀態, 以及備用電源( 蓄電池) 的均/ 浮充狀態; 遙調: 對輸出電壓和輸出電流的調節控製; 遙測: 可以在模塊工作時測量輸出電流和輸出電壓的值; 遙信: 通過遠程監控監測模塊的工作狀態。
4 結 語
本文主要對智能高頻開關電源係統中的整流模塊進行的設計與研究, 利用無源PFC 電路的原理, 改善電路中電流的畸變, 外加DC/ DC 變換器抑製電網側諧波電流噪聲, 體現了智能高頻開關電源係統中整流模塊的優點, 適用於鐵路、礦山等變電場所。該係統雖然能夠準確的進行交流變換, 但是在對備用電源充電時的均勻性方麵都比較弱, 同時成本也比較高, 同時在防雷濾波方麵的改進也不是很完善, 所以還要在這些方麵進一步的改善和提高。
- 噪聲中提取真值!瑞盟科技推出MSA2240電流檢測芯片賦能多元高端測量場景
- 10MHz高頻運行!氮矽科技發布集成驅動GaN芯片,助力電源能效再攀新高
- 失真度僅0.002%!力芯微推出超低內阻、超低失真4PST模擬開關
- 一“芯”雙電!聖邦微電子發布雙輸出電源芯片,簡化AFE與音頻設計
- 一機適配萬端:金升陽推出1200W可編程電源,賦能高端裝備製造
- 大聯大世平集團首度亮相北京國際汽車展 攜手全球芯片夥伴打造智能車整合應用新典範
- 2026北京車展即將啟幕,高通攜手汽車生態“朋友圈”推動智能化體驗再升級
- 邊緣重構智慧城市:FPGA SoM 如何破解視頻係統 “重而慢”
- 如何使用工業級串行數字輸入來設計具有並行接口的數字輸入模塊
- 意法半導體將舉辦投資者會議探討低地球軌道(LEO)發展機遇
- 車規與基於V2X的車輛協同主動避撞技術展望
- 數字隔離助力新能源汽車安全隔離的新挑戰
- 汽車模塊拋負載的解決方案
- 車用連接器的安全創新應用
- Melexis Actuators Business Unit
- Position / Current Sensors - Triaxis Hall



