小型DC/DC開關電源的容性負載研究
發布時間:2011-10-10 來源:廣州金升陽科技有限公司
中心議題:
- 開關電源對容性負載的要求
- 提高開關電源容性負載能力的方法
- 容性負載設計的典型案例
- 容性負載能力的應用
在DC/DC開關電源的應用中,輸出負載端外接電容能起到濾波、抑yi製zhi幹gan擾rao的de作zuo用yong,在zai某mou些xie大da容rong性xing負fu載zai動dong態tai跳tiao變bian的de設she備bei中zhong,要yao求qiu電dian源yuan輸shu出chu端duan有you快kuai速su響xiang應ying,這zhe就jiu要yao求qiu開kai關guan電dian源yuan有you較jiao強qiang的de帶dai容rong性xing負fu載zai的de能neng力li,並bing且qie有you好hao的de穩wen定ding性xing能neng。在zai開kai關guan電dian源yuan的de設she計ji過guo程cheng中zhong,要yao充chong分fen理li解jie並bing實shi現xian客ke戶hu負fu載zai使shi用yong的de特te殊shu要yao求qiu,必bi須xu分fen析xi開kai關guan電dian源yuan容rong性xing負fu載zai能neng力li的de兩liang種zhong不bu同tong狀zhuang態tai要yao求qiu。
1 容性負載的要求
開kai關guan電dian源yuan的de基ji本ben特te性xing中zhong,一yi般ban並bing沒mei有you對dui容rong性xing負fu載zai能neng力li做zuo出chu嚴yan格ge的de規gui範fan。一yi般ban電dian源yuan都dou可ke帶dai相xiang當dang容rong性xing的de負fu載zai,但dan考kao慮lv到dao電dian源yuan的de過guo流liu保bao護hu能neng力li,尤you其qi是shi輸shu出chu短duan路lu保bao護hu,容rong性xing負fu載zai能neng力li不bu可ke能neng太tai大da,否fou則ze保bao護hu能neng力li變bian差cha。對dui於yu多duo路lu輸shu出chu的de模mo塊kuai所suo帶dai容rong性xing負fu載zai,其qi分fen配pei原yuan則ze是shi電dian容rong的de存cun儲chu總zong能neng量liang不bu能neng超chao過guo0.25J,包括主路的電容存儲能量與輔助電路的存儲能量的總和(1/2∑CU2)。依此計算,在設計中最大容性負載的選取如見表l(電路和輸出功率不同的模塊的最大容性負載會各不相同,實際選用和使用時需要參照相關給定的技術參數手冊)在實際設計和應用中,開關電源輸出容性負載能力由以下兩種要求來調試和測試:

1)電源穩定工作,僅負載由空載到滿載跳變,輸出電壓穩定
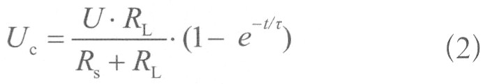
當模塊正常工作時,DC/DC開關電源可以等效為電壓源,其輸出等效電路圖和簡化後的等效電路圖分別如圖1和圖2所示。其中,U是輸出電壓,RS是等效內阻,RL是輸出負載電阻,C是輸出電容,

根據圖2有

可認為開關S閉合前電容電壓UC為零,由式(1)可得

由上述計算,可以看出電容電壓VC是按指數規律不斷上升,要使輸出電壓更快更穩定的建立,電源輸出內阻要小,一般通過高增益、快速響應的輸出穩壓反饋環路,可以實現性能的改善和提高。[page]
但由於存在輸出電感的儲能,電壓反饋和前端峰值電流控製的作用,電容電壓並不完全是由零開始上升的指數波形,見圖3。

輸(shu)出(chu)電(dian)壓(ya)的(de)穩(wen)定(ding)過(guo)程(cheng)中(zhong),一(yi)方(fang)麵(mian)由(you)輸(shu)出(chu)濾(lv)波(bo)電(dian)感(gan)的(de)儲(chu)能(neng)來(lai)逐(zhu)步(bu)補(bu)充(chong),另(ling)一(yi)方(fang)麵(mian)由(you)反(fan)饋(kui)環(huan)控(kong)製(zhi)電(dian)路(lu)原(yuan)邊(bian)快(kuai)速(su)輸(shu)出(chu)更(geng)大(da)功(gong)率(lv)。輸(shu)出(chu)電(dian)感(gan)的(de)取(qu)值(zhi)一(yi)般(ban)由(you)電(dian)流(liu)紋(wen)波(bo)係(xi)數(shu)λ和電源的空載特性來確定,為了避免容性跳變輸出電壓過大的下衝,使控製電路達到極限,電感的取值要大於λ的理論值計算所得數值,但同時也要考慮輸出失載時的電壓上衝幅度,所以輸出電感也不能太大,大的電感一般不易製作、成本較高,所以電感的實際取值可以用實驗的方法得到。圖4給出了輸出電感Lout不同取值時,容性負載突變時輸出電感電流的跳變波形和最大的容性負載能力。

圖4 輸出電感電流波形
youshiyandechushuchudiangandademokuaidaiderongxingfuzaida,dianganchunengyouzhuyushuchudianyadewending,xianliubaohudianlugongzuoshijianduan,danxiangyingshijianhuixiangyingchangyixie。
2)模塊帶輸出電容啟動,輸出電壓穩定
當dang模mo塊kuai帶dai大da電dian容rong啟qi動dong時shi,需xu對dui電dian容rong迅xun速su充chong電dian,以yi維wei持chi輸shu出chu電dian壓ya穩wen定ding,啟qi動dong瞬shun間jian會hui產chan生sheng一yi個ge大da的de電dian流liu。啟qi動dong過guo程cheng中zhong大da電dian流liu持chi續xu時shi間jian太tai長chang,模mo塊kuai控kong製zhi芯xin片pian的de保bao護hu功gong能neng就jiu會hui達da到dao極ji限xian,會hui出chu現xian啟qi動dong不bu良liang現xian象xiang即ji輸shu出chu電dian壓ya不bu能neng正zheng常chang建jian立li;另(ling)外(wai),容(rong)性(xing)負(fu)載(zai)的(de)大(da)小(xiao)直(zhi)接(jie)影(ying)響(xiang)輸(shu)出(chu)電(dian)壓(ya)的(de)上(shang)升(sheng)時(shi)間(jian),在(zai)有(you)嚴(yan)格(ge)輸(shu)出(chu)電(dian)壓(ya)上(shang)升(sheng)時(shi)間(jian)要(yao)求(qiu)的(de)環(huan)境(jing)中(zhong)就(jiu)會(hui)出(chu)現(xian)應(ying)用(yong)故(gu)障(zhang)。一(yi)般(ban)自(zi)饋(kui)電(dian)源(yuan)的(de)輸(shu)出(chu)電(dian)壓(ya)和(he)供(gong)電(dian)電(dian)壓(ya)是(shi)正(zheng)比(bi)關(guan)係(xi),在(zai)輸(shu)出(chu)達(da)到(dao)正(zheng)常(chang)電(dian)壓(ya)之(zhi)前(qian),芯(xin)片(pian)VCC無法滿足供電要求。因此啟動電路的供電方式和VCC電容的儲能也是決定容性負載能力的重要因素。
2 提高開關電源容性負載能力的方法
如果輔助電源是獨立電源,可以用軟啟動的方法使輸出電壓緩慢建立。對自饋供電來說,軟啟動時間長就難以啟動,這時要增加VCC電容容量。VCC容量大,對單獨依靠芯片內部電流環起短路保護的模塊會有影響,因此必須在容性負載和過流(及短路保護)之間找一下平衡點。
適shi當dang使shi限xian流liu電dian阻zu取qu值zhi減jian小xiao,相xiang當dang於yu提ti高gao電dian源yuan的de輸shu出chu功gong率lv,用yong於yu增zeng加jia啟qi動dong過guo程cheng中zhong提ti供gong給gei輸shu出chu端duan負fu載zai能neng量liang。調tiao節jie反fan饋kui環huan路lu參can數shu,使shi運yun放fang光guang耦ou等deng集ji成cheng元yuan件jian退tui飽bao和he速su度du加jia快kuai,可ke以yi解jie決jue容rong性xing負fu載zai跳tiao變bian時shiOVERSHOOT嚴重的問題,即提高了電源的穩定性能。
3 容性負載設計的典型案例
在Forward DC/DC變換器設計時,設計人員根據容性負載能力的兩項基本要求,通過調整限流電阻、啟動電容的大小等相關參數,參照理論計算值,進行調試和測試,金升陽係列型號(VRB_LD_15W)DC/DC模塊的容性負載能力大大增強,滿足客戶在各種特殊環境中的廣泛應用。
4 容性負載能力的應用和總結
容性負載的需求大小與應用環境密切相關,容性負載能力是基於短路性能、過guo載zai保bao護hu能neng力li之zhi間jian的de平ping衡heng選xuan擇ze。在zai具ju有you特te殊shu規gui格ge要yao求qiu的de模mo塊kuai設she計ji中zhong,一yi定ding要yao對dui上shang述shu參can數shu進jin行xing優you化hua調tiao試shi,做zuo到dao最zui優you設she計ji,滿man足zu特te定ding的de應ying用yong要yao求qiu。
- 噪聲中提取真值!瑞盟科技推出MSA2240電流檢測芯片賦能多元高端測量場景
- 10MHz高頻運行!氮矽科技發布集成驅動GaN芯片,助力電源能效再攀新高
- 失真度僅0.002%!力芯微推出超低內阻、超低失真4PST模擬開關
- 一“芯”雙電!聖邦微電子發布雙輸出電源芯片,簡化AFE與音頻設計
- 一機適配萬端:金升陽推出1200W可編程電源,賦能高端裝備製造
- 大聯大世平集團首度亮相北京國際汽車展 攜手全球芯片夥伴打造智能車整合應用新典範
- 2026北京車展即將啟幕,高通攜手汽車生態“朋友圈”推動智能化體驗再升級
- 邊緣重構智慧城市:FPGA SoM 如何破解視頻係統 “重而慢”
- 如何使用工業級串行數字輸入來設計具有並行接口的數字輸入模塊
- 意法半導體將舉辦投資者會議探討低地球軌道(LEO)發展機遇
- 車規與基於V2X的車輛協同主動避撞技術展望
- 數字隔離助力新能源汽車安全隔離的新挑戰
- 汽車模塊拋負載的解決方案
- 車用連接器的安全創新應用
- Melexis Actuators Business Unit
- Position / Current Sensors - Triaxis Hall




