用於智能電表的非隔離式AC/DC降壓轉換器
發布時間:2011-08-25
中心議題:
- 基本降壓轉換器
- 驅動電路工作原理
- 電流限製與軟開關
諸如智能電表或者功率監控器的離線設備都有一些要求10W以下非隔離DC電源的電子元件。到目前為止,通過一個AC電源提供低功耗DC電源的唯一實用方法仍然是在整流器後麵使用一個效率極低、未經調節的電阻/電容分壓器,或者一個難以設計的反向DC/DC轉換器。MOSFET 技術的一些進展以及創新的磁滯降壓控製器柵極驅動電路帶來了一種超低成本DC電源。
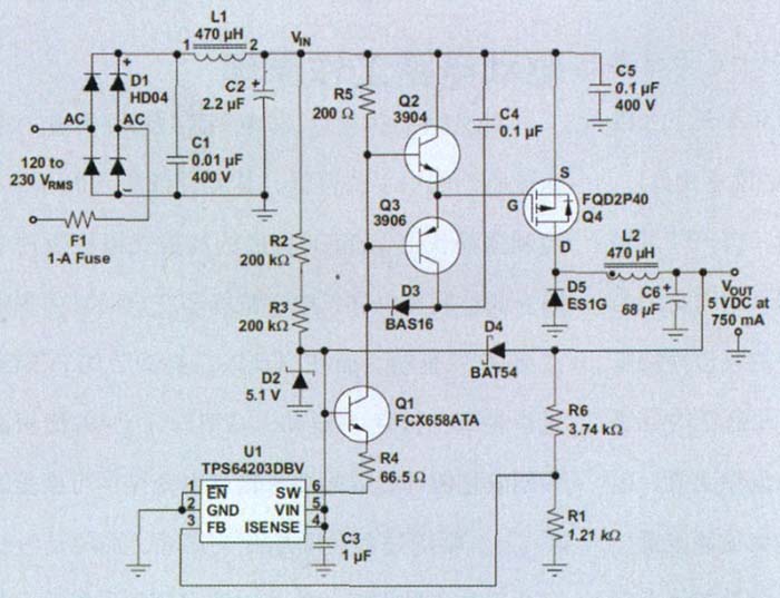
圖 1 顯示了完整的轉換器。整流器電路使用一個標準、快速開關整流器二極管橋接 (D1) 和一個LC濾波器(L1和C2),我們將對其餘組件進行更加詳細的介紹。

圖 1 AC/DC 降壓轉換器電路
基本降壓轉換器
TPS64203是一款磁滯降壓轉換器,專為驅動高端pFET ersheji,yongyouzuixiaodaotongheduankaikaiguanshijianyaoqiu。chuantongdecizhizhuanhuanqiyousuifuzaidianliubianhuadekaiguanpinlv,yuqibutongdeshi,zuixiaodaotongheduankaishijianzaizhuanhuanqiyigaoshuchugonghaodianpingzailianxudaotongmoshixiayunxingshi,conggenbenshangkongzhikaiguanpinlv。TPS6420x 係列中的其他一些轉換器可主動避免在聲頻範圍內進行開關操作,從而有效地獲得最大導通和斷開時間。TPS6420x係列起初是為電池供電型應用而設計,擁有1.8V~6.5V的輸入電壓範圍,以及非常低的靜態電流(最大為 35 μA)。在啟動期間,TPS64203被齊納二極管D2以及高壓電阻R2和R3偏置。5V電壓上升以後,肖特基二極管D4允許5V輸出驅動控製器。
功率FET Q4必須具有足夠高的VDS電壓額定值,以使其不會被輸入電壓損壞,同時還要有足夠高的電流額定值以處理IPMOS(RMS) = IOUT(max) ×√Dmax。它的封裝還必須能夠驅散PCond = (I OUT(max) × √Dmax)2 × RDS(on)。一般來說,高壓P通道FET有一個過大的柵極電容或者導通/斷開時間,過高的漏-源電阻 (RDS(on)),過大的閾值電壓 (VTH),以和/或製造圖1所示實際電路時的過高成本(即足夠的成本效益)。由於230VRMS + 10%容差的高壓線來自350VPK AC線,因此FET、濾波器和輸入電容需要根據400V設定額定值。
FQD2P40相對較新,即400V P通道MOSFET。利用10V柵極驅動的5.0Ω RDS(on) 以及小於13nC的總選通電極充電,借助於由Q2、Q3、C4和D3組成的創新驅動電路,該FET可輕鬆地通過控製器開關擁有比老式FET相對更少的導電和開關損耗。我們選擇轉換器的整流肖特基二極管D5,因為它擁有可阻止輸入電壓的電壓額定值、稍高於輸出電壓的峰值電流額定值,以及IDiode(Avg) =(1 – D) × IOUT(max)的平均電流額定值。利用Dmax 5 V/120 V = 0.04 以及如此低的輸出功率,峰值電流額定值和功耗在兩種開關中都不成問題。
降壓功率級的LC濾波器如TPS6420x係列產品說明書中介紹那樣設計。利用高於輸出電壓的輸入電壓,所有TPS6420x控製器將運行在最小導通時間模式下。方程式(1)計算高線壓下的建議降壓轉換器電感,其假設電感紋波電流係數的 K=0.4。
[page]
相對較高的K值最小化了電感值,並且經證明是可以接受的,因為這種特殊應用的穩態輸出紋波要求小於0.02 × VOUT,即高負載時的100mVPP。磁滯後,TPS6420x控製器一般在輸出電壓有一些紋波時工作效果最佳,建議使用至少 50mΩ ESR的輸出電容可產生ΔVPP(ESR) = ΔIL × RESR的紋波電壓,其一般遠超出電壓紋波的電容分量。圖2顯示了該應用測得紋波。

圖 2 VIN=250 VDC 和 IOUT=500mA 的輸出紋波
由於 TPS64203為磁滯型,因此在其運行在脈衝頻率模式下時,其輸出電壓在更低輸出功率下將會有更高的紋波。測得轉換器的工作頻率約為 32 kHz,其與下列預計值一致:

驅動電路工作原理
雙極型晶體管Q1和電阻R4及R5構成一個恒流驅動的電平位移器,其允許低壓 TPS64203控製器操作由Q2和Q3構成的離散式柵極驅動電路。同控製器一樣,電平位移器在啟動時由齊納二極管D2驅動,而在啟動以後經調節的5V則通過肖特基二極管D4驅動。功率FET Q4的柵極必須剛好過驅動,以為要求輸出電流提供可接受的RDS(on)。驅動過多會增加開關損耗,而驅動過少又會增加傳導損耗。檢查一些實驗和誤差後,我們選擇了 VGS ≈12 V。
電容C4和二極管D3對驅動電路的功能至關重要。通過選擇電阻R5來將12V柵極驅動電平設置在整流器輸出電壓以下。二極管D3將電容C4限定在這一電平。特別是,當U1的開關引腳輸出一個低信號來開啟功率FET時,信號被電平位移到Q3的基極。晶體管Q3開啟,並快速地將Q4的柵—源電容CGS充電至 12V。如果沒有C4和D3的話,關閉Q4會讓Q3成為一種漏極接地的昂貴的高壓雙極型晶體管。當U1的開關引腳輸出一個高信號來關閉功率FET時,該信號被電平位移至Q2的基極。Q2開啟,有效地將Q4的柵極與輸入電壓連接。在沒有起到本地電源作用的電容C4的情況下,晶體管Q2和Q3無法提供快速(且因此而高效地)上拉或下拉Q4柵極電容所必需的快速電流峰值,注意到這一點很重要。另外,由R4設定的電平位移器電流ILS必須足夠高,以在ton(min) 期間移動Q4的柵極電荷QGate。也就是說:
[page]
電容C4值設定大於Q4的柵極電容,但其必須足夠小,以便在更短控製器最小導通與斷開時間期間能夠得到再充電。圖3顯示了300V和500mA負載輸入電壓下,一個開關周期的柵極和漏極導通/斷開時間。表1顯示了測得的轉換效率。

圖 3 一個開關周期的Q4柵極和漏極電壓

表 1 測得的轉換效率
電流限製與軟啟動
在許多低壓應用中,TPS6420x使用一個高端限流電路,旨在將安裝在VIN和 ISENSE引yin腳jiao之zhi間jian的de電dian流liu檢jian測ce電dian阻zu的de壓ya降jiang同tong基ji準zhun參can考kao電dian壓ya進jin行xing對dui比bi。如ru果guo檢jian測ce電dian阻zu的de電dian壓ya超chao出chu該gai電dian壓ya,則ze電dian路lu關guan閉bi開kai關guan,從cong而er實shi現xian逐zhu脈mai衝chong電dian流liu限xian製zhi。高gao壓ya應ying用yong中zhong, ISENSE引腳上沒有過電壓時無法使用限流電路,因此ISENSE引腳高位連接至VIN。圖1所示電路沒有電流限製,推薦使用高端保險絲來提供短路保護。
在一些典型的啟動應用中,TPS64203限流值慢慢上升,以提供限流的受控軟啟動。在這種應用中,限流電路和軟啟動均無效;因此,啟動浪湧電流會很大,而輸出電壓會稍稍過衝,如圖 4 所示。

圖4 VIN=300V時10Ω負載啟動
結論
使用一個電平轉換器和柵極驅動器以及一個局部電源可以實現使用一個低壓降壓轉換器通過AC電源來提供DC電壓,使用一個簡單的電路在沒有變壓器的情況下就可以獲得近60%的轉換效率。這種電路也可以用於DC/DC轉換,其輸入 DC電壓高於TPS6420x 的最大額定值。
- 噪聲中提取真值!瑞盟科技推出MSA2240電流檢測芯片賦能多元高端測量場景
- 10MHz高頻運行!氮矽科技發布集成驅動GaN芯片,助力電源能效再攀新高
- 失真度僅0.002%!力芯微推出超低內阻、超低失真4PST模擬開關
- 一“芯”雙電!聖邦微電子發布雙輸出電源芯片,簡化AFE與音頻設計
- 一機適配萬端:金升陽推出1200W可編程電源,賦能高端裝備製造
- 大聯大世平集團首度亮相北京國際汽車展 攜手全球芯片夥伴打造智能車整合應用新典範
- 2026北京車展即將啟幕,高通攜手汽車生態“朋友圈”推動智能化體驗再升級
- 邊緣重構智慧城市:FPGA SoM 如何破解視頻係統 “重而慢”
- 如何使用工業級串行數字輸入來設計具有並行接口的數字輸入模塊
- 意法半導體將舉辦投資者會議探討低地球軌道(LEO)發展機遇
- 車規與基於V2X的車輛協同主動避撞技術展望
- 數字隔離助力新能源汽車安全隔離的新挑戰
- 汽車模塊拋負載的解決方案
- 車用連接器的安全創新應用
- Melexis Actuators Business Unit
- Position / Current Sensors - Triaxis Hall





