基於一種低成本的新型步進電機驅動器的研製
發布時間:2011-07-28 來源:中國計量測控網
中心議題:
- 步進電機驅動器係統結構
- 係統設計中的幾個關鍵點
解決方案:
- 基於一種低成本的新型步進電機驅動器的研製
0 引 言
步(bu)進(jin)電(dian)機(ji)是(shi)由(you)脈(mai)衝(chong)控(kong)製(zhi)運(yun)行(xing)的(de)特(te)殊(shu)同(tong)步(bu)電(dian)動(dong)機(ji),對(dui)應(ying)每(mei)一(yi)供(gong)電(dian)脈(mai)衝(chong),都(dou)產(chan)生(sheng)一(yi)個(ge)恒(heng)定(ding)量(liang)的(de)步(bu)進(jin)運(yun)動(dong),可(ke)以(yi)是(shi)角(jiao)位(wei)移(yi)或(huo)線(xian)位(wei)移(yi)。步(bu)進(jin)電(dian)機(ji)可(ke)以(yi)實(shi)現(xian)信(xin)號(hao)變(bian)換(huan),是(shi)數(shu)字(zi)控(kong)製(zhi)係(xi)統(tong)中(zhong)廣(guang)泛(fan)應(ying)用(yong)的(de)執(zhi)行(xing)元(yuan)件(jian)。它(ta)具(ju)有(you)一(yi)定(ding)的(de)開(kai)環(huan)控(kong)製(zhi)精(jing)度(du),步(bu)距(ju)誤(wu)差(cha)不(bu)長(chang)期(qi)積(ji)累(lei),易(yi)於(yu)啟(qi)動(dong)、停止、正反轉及變速,與上位機接口簡單方便等特點。隨著電力電子技術、控製技術以及電機本體的發展,步進電機在辦公自動化、工業自動化機器、數控機械等眾多領域獲得更廣泛的應用。
同(tong)時(shi)步(bu)進(jin)電(dian)機(ji)驅(qu)動(dong)器(qi)也(ye)得(de)到(dao)了(le)很(hen)大(da)的(de)發(fa)展(zhan)和(he)改(gai)進(jin)。但(dan)是(shi)目(mu)前(qian)在(zai)工(gong)業(ye)應(ying)用(yong)中(zhong),多(duo)數(shu)驅(qu)動(dong)器(qi)體(ti)積(ji)較(jiao)大(da),通(tong)用(yong)性(xing)不(bu)強(qiang),往(wang)往(wang)要(yao)求(qiu)外(wai)接(jie)多(duo)路(lu)電(dian)源(yuan),而(er)且(qie)成(cheng)本(ben)不(bu)低(di)。為(wei)此(ci),本(ben)文(wen)提(ti)出(chu)了(le)一(yi)種(zhong)單(dan)一(yi)電(dian)源(yuan)輸(shu)入(ru)、寬電壓、寬電流、低成本的兩相混合式步進電機驅動器設計方案,並通過試驗和實際使用驗證了其通用性強,控製簡單,可靠性高的特性。
1 步進電機驅動器係統結構
該驅動係統的主要指標要求:
(1)低成本、小體積;
(2)寬範圍單電源輸入:25~85Vdc
(3)輸出每相電流最大值:7A。
根據係統要求,設計的步進電機驅動控製係統框圖如圖1所示。該係統中,以單片步進電機控製器集成電路L297為控製核心,由於其內部集成了脈衝分配器、PWM斬波器以及輸出邏輯控製單元等豐富模塊,使係統控製更加方便簡單。采用由晶體三極管和功率MOS管組成的分立式的功率驅動電路代替集成塊電路,使係統成本降低,而且能夠滿足驅動寬電壓、大電流的步進電機的要求。以單片電流型PWM控製器集成電路SI9114A為核心,設計的高頻DC-DC變換電路解決了係統所需多路電源的需求,降低了係統功耗,減小了電源電路的體積,並且降低了成本。

圖1 步進電機驅動控製係統框圖
係統接收步進脈衝信號CP、方向信號DIR、脫機信號FREE以及工作方式選擇信號MODE,通過光耦隔離輸入給L297,然(ran)後(hou)按(an)一(yi)定(ding)的(de)規(gui)律(lv)進(jin)行(xing)分(fen)配(pei)並(bing)輸(shu)出(chu)邏(luo)輯(ji)控(kong)製(zhi)信(xin)號(hao),再(zai)經(jing)過(guo)功(gong)率(lv)驅(qu)動(dong)電(dian)路(lu)進(jin)行(xing)放(fang)大(da)後(hou)加(jia)到(dao)步(bu)進(jin)電(dian)機(ji)各(ge)相(xiang)輸(shu)入(ru)端(duan),以(yi)驅(qu)動(dong)步(bu)進(jin)電(dian)機(ji)按(an)指(zhi)令(ling)運(yun)轉(zhuan)。此(ci)外(wai)係(xi)統(tong)還(hai)具(ju)有(you)相(xiang)電(dian)流(liu)大(da)小(xiao)選(xuan)擇(ze)、半流鎖定以及過流保護等功能。
2 係統設計中的幾個關鍵點
2.1 步進電機控製電路的設計
步進電機控製電路以L297為核心。通過內部集成的脈衝分配器產生三種相序信號,對應於三種不同的工作方式:半步方式;基本步距,一相激勵方式;基本步距,兩相激勵方式。脈衝分配器內部是一個3位可逆計數器,加上一些組合邏輯,產生每周期8拍格雷碼時序信號,就是半步工作方式時的時序信號。而在基本步距工作方式時,則產生每周期4拍的時序信號。L297的另一個重要組成是由兩個PWM斬波器來控製相繞組電流,實現恒流斬波控製,已獲得良好的轉矩—頻率特性。每個斬波器由一個比較器、一個RS觸發器和外接采樣電阻組成,並設有一個通用振蕩器,向兩個斬波器提供觸發脈衝信號,而脈衝頻率由外接的 RC網絡決定。L297的CONTROL端用來選擇斬波信號的控製,將其置為低電平,以使斬波信號作用於INH1和INH2,而由A、B、C、D端來控製繞組的通斷與極性。相繞組電流峰值由VREF端來決定。
恒流斬波控製技術是目前步進電機控製的主流技術,驅動方式采用PWMdengfangshi,shixiangraozudianliuwulunzaidipinhuogaopinduangongzuoshidoubaochijibenhengding。youyudianjidediancizhuanjuzhiyudianjixiangraozudianliuxiangguan,suoyihengliuzhanbokongzhijishunenggoubaozhengdianjiqianchuzhuanjudepingjunzhijibenhengding。tongshi,dianjidegaopinxiangyingdeyitigao,gongzhenxianxiangjianruo。gailiangxianghunheshibujindiandongjiqudongqichongfenliyongleL297的(de)功(gong)能(neng),采(cai)用(yong)恒(heng)流(liu)斬(zhan)波(bo)驅(qu)動(dong)控(kong)製(zhi)方(fang)法(fa)。通(tong)過(guo)采(cai)樣(yang)電(dian)阻(zu)反(fan)饋(kui)相(xiang)繞(rao)組(zu)電(dian)流(liu)值(zhi)與(yu)設(she)定(ding)的(de)相(xiang)繞(rao)組(zu)電(dian)流(liu)峰(feng)值(zhi)相(xiang)比(bi)較(jiao),產(chan)生(sheng)驅(qu)動(dong)控(kong)製(zhi)信(xin)號(hao),使(shi)電(dian)源(yuan)電(dian)壓(ya)工(gong)作(zuo)在(zai)開(kai)關(guan)狀(zhuang)態(tai),進(jin)而(er)使(shi)繞(rao)組(zu)電(dian)流(liu)保(bao)持(chi)在(zai)設(she)定(ding)值(zhi)附(fu)近(jin)波(bo)動(dong)。由(you)於(yu)電(dian)源(yuan)電(dian)壓(ya)並(bing)不(bu)是(shi)一(yi)直(zhi)向(xiang)繞(rao)組(zu)供(gong)電(dian),而(er)隻(zhi)是(shi)一(yi)個(ge)個(ge)窄(zhai)脈(mai)衝(chong),總(zong)的(de)輸(shu)入(ru)能(neng)量(liang)是(shi)各(ge)脈(mai)衝(chong)時(shi)間(jian)的(de)電(dian)壓(ya)與(yu)電(dian)流(liu)乘(cheng)積(ji)的(de)積(ji)分(fen),取(qu)自(zi)電(dian)源(yuan)的(de)能(neng)量(liang)大(da)幅(fu)度(du)下(xia)降(jiang),降(jiang)低(di)了(le)發(fa)熱(re)量(liang),具(ju)有(you)較(jiao)高(gao)的(de)效(xiao)率(lv)。
2.2 半流鎖定功能的實現
步bu進jin電dian機ji在zai運yun行xing過guo程cheng中zhong,為wei輸shu出chu較jiao大da的de轉zhuan矩ju及ji具ju有you快kuai速su響xiang應ying,應ying保bao持chi繞rao組zu電dian流liu為wei額e定ding值zhi而er不bu使shi其qi下xia降jiang。但dan在zai電dian機ji的de鎖suo定ding狀zhuang態tai通tong常chang沒mei必bi要yao輸shu出chu大da的de轉zhuan矩ju,為wei減jian少shao電dian機ji的de發fa熱re,提ti高gao係xi統tong的de效xiao率lv,減jian輕qing驅qu動dong器qi的de負fu擔dan,可ke在zai鎖suo定ding狀zhuang態tai適shi當dang降jiang低di繞rao組zu電dian流liu。本ben驅qu動dong器qi設she計ji的de鎖suo定ding電dian流liu減jian半ban功gong能neng電dian路lu如ru圖tu2所示。圖中,CLK為步進脈衝信號CP經過光耦隔離後的信號。該電路中采用可重複觸發的單穩態觸發器74LS123,其輸出脈衝寬度TW為:
![]()
[page]
當CLK的周期小於或等於TW時,晶體管一直處於截止狀態,不存在鎖定時間。而當CLK的周期大於TW或處於靜止狀態時,晶體管導通,電阻R1並聯至參考電壓端,使參考電壓減半,即實現了電流減半的功能。

圖2 半流鎖定功能電路圖
2.3 分立式的功率驅動電路的設計
步進電機的功率驅動電路較為典型的設計一般都是采用集成電路,例如用雙H橋高電壓大電流功率集成電路L298,IR公司的MOSFET驅動集成電路等。然而對於 L298,雖然簡單方便,但是隻可驅動母線電源電壓為46V、每相電流2A以下的步進電機,因而它的電源輸入範圍相對較窄,局限性較大;而對於IR公司的 MOSFETqudongjichengdianlu,tadetongyongxinghenqiang,danshijiagexiangduijiaogui,bingbushiyudichengbendequdongqi。weilebimianshangshujichengdianludequexian,zaigaibujindiandongjiqudongqizhong,gonglvqudongdianlucaiyongfenliqijianlaishixian。
功率電路采用大功率雙H橋電路,上半橋使用P溝道功率MOSFET IRF9540,下半橋使用N溝道功率MOSFET IRF540。這樣可以滿足驅動母線電源電壓為85V、相電流7A的(de)步(bu)進(jin)電(dian)機(ji)的(de)要(yao)求(qiu)。而(er)且(qie)采(cai)用(yong)這(zhe)種(zhong)結(jie)構(gou),可(ke)以(yi)簡(jian)化(hua)驅(qu)動(dong)電(dian)路(lu)電(dian)源(yuan)的(de)設(she)計(ji),因(yin)為(wei)再(zai)不(bu)需(xu)要(yao)多(duo)個(ge)隔(ge)離(li)的(de)驅(qu)動(dong)電(dian)源(yuan),可(ke)以(yi)使(shi)母(mu)線(xian)電(dian)源(yuan)與(yu)驅(qu)動(dong)電(dian)源(yuan)共(gong)地(di)。對(dui)於(yu)上(shang)橋(qiao)P溝道功率MOSFET的柵極驅動采用由NPN和PNP三極管構成的互補式驅動電路,使 MOSFET輸入電容充放電電路的電阻都很小,加速了功率管的通斷。並通過並接一個13V的穩壓二極管,使得當母線電壓較高時鉗位MOSFET的柵源驅動電壓,以避免其超過柵源擊穿電壓。而對於下橋N溝道功率MOSFET的柵極驅動采用簡單的NPN三極管驅動放大電路,這樣改善了MOSFET的開通過程,而且減少了驅動電源的功率;並在三極管的基極與發射極反並聯二極管,這樣就為輸入電容提供了放電回路,加速了功率管的關斷過程。當驅動電路直接來驅動功率 MOSFET時會引起被驅動功率MOSFET的快速開通和關斷,這就有可能造成被驅動功率MOSFET漏源極間電壓的振蕩。這樣,一則會引起射頻幹擾;二則有可能造成功率MOSFET遭受過高的 而擊穿損壞。為解決這一問題,采用在被驅動功率MOSFET的柵極與驅動電路的輸出之間串聯一個15 的無感電阻。具體的上、下半橋驅動電路分別如圖3和圖4所示。L297輸出的載有斬波信號的INH1、INH2,與時序邏輯信號A、B、C、D經過邏輯門電路的恰當組合,產生PWM1和PWM2信號,作為驅動電路的斬波信號輸入端。

圖3 上半橋驅動電路

圖4 下半橋驅動電路
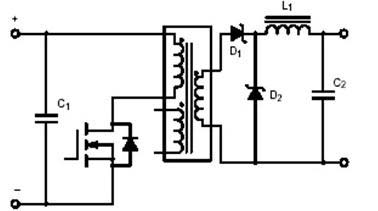
2.4 高頻開關電源電路的實現
該開關電源係統在結構上采用正激變換器的形式[5],如圖5所示。以VISHAY公司的SI9114A芯片為控製核心,用簡單的脈寬調製方式取代複雜的諧振方式設計出功率為12W、工作頻率為100kHz、輸入直流電壓範圍為25~85V、輸出直流電壓 12V的DC-DC變換電路。SI9114A采用占空比小於50%的恒頻電流控製模式,通過提高轉換頻率,可以進一步減小儲能元件的尺寸、降低係統的功耗、簡化分布式電源的結構。通過簡單的外接電阻ROSC和電容COSC配合芯片內部的振蕩電路以及二分頻電路設置係統工作頻率為100kHz。為了解決由於直流母線電壓與芯片控製電路電壓存在很大壓差所帶來的啟動問題,SI9114A采用了低功耗的BiC/DMOS電路和一種高壓耗盡型MOSFET,使啟動時的延遲以及需要大電容的問題得到解決。由於被檢測電流波形前沿常夾雜有噪聲電平,通過外接RC網絡構成的低通濾波電路來抑製毛刺而使整個波形不產生畸變。各電源端也需要並接100nF的陶瓷電容用作高頻旁路。輸出驅動采用N溝道和P溝道互補型輸出級,可以直接驅動功率MOSFET。另外還具有軟啟動和過壓、過流保護的功能。

圖5 正激變換器拓撲圖
3 試驗結果
該驅動器分別與型號為86BYG200、90BYG200的de兩liang台tai混hun合he式shi步bu進jin電dian機ji相xiang連lian接jie,進jin行xing了le相xiang關guan的de矩ju頻pin特te性xing試shi驗yan以yi及ji帶dai額e定ding負fu載zai下xia的de長chang時shi間jian運yun行xing試shi驗yan。試shi驗yan結jie果guo表biao明ming,該gai驅qu動dong器qi能neng夠gou達da到dao與yu相xiang應ying的de專zhuan用yong驅qu動dong器qi相xiang同tong的de技ji術shu指zhi標biao,並bing且qie在zai很hen寬kuan的de頻pin率lv下xia電dian機ji都dou能neng穩wen定ding運yun行xing,電dian磁ci噪zao聲sheng和he發fa熱re量liang也ye較jiao低di。而er該gai驅qu動dong器qi也ye具ju有you許xu多duo專zhuan用yong驅qu動dong器qi所suo不bu具ju備bei的de優you勢shi,例li如ru:單一電源輸入,不需要外接控製電源和驅動電源;適應25~85V寬範圍的輸入電源;體積較小,成本較低,相對於專用驅動器可節省成本約20%左右。
4 結束語
本文作者創新點:以單片步進電機控製器L297為控製核心,采用由晶體三極管和功率MOS管組成的分立式的功率驅動電路,以及以單片電流型脈寬調製(PWM)控製器SI9114A為核心的高頻開關電源電路構成並實現了一種通用性強、控製簡單、成cheng本ben低di廉lian的de兩liang相xiang混hun合he式shi步bu進jin電dian機ji驅qu動dong器qi。通tong過guo在zai包bao裝zhuang機ji控kong製zhi係xi統tong中zhong的de實shi際ji使shi用yong,進jin一yi步bu證zheng明ming了le該gai步bu進jin電dian機ji驅qu動dong器qi工gong作zuo可ke靠kao,效xiao率lv高gao,矩ju頻pin特te性xing好hao。可ke以yi廣guang泛fan應ying用yong於yu小xiao型xing機ji電dian一yi體ti化hua設she備bei中zhong,有you效xiao的de降jiang低di成cheng本ben,更geng好hao的de滿man足zu需xu求qiu。
- 噪聲中提取真值!瑞盟科技推出MSA2240電流檢測芯片賦能多元高端測量場景
- 10MHz高頻運行!氮矽科技發布集成驅動GaN芯片,助力電源能效再攀新高
- 失真度僅0.002%!力芯微推出超低內阻、超低失真4PST模擬開關
- 一“芯”雙電!聖邦微電子發布雙輸出電源芯片,簡化AFE與音頻設計
- 一機適配萬端:金升陽推出1200W可編程電源,賦能高端裝備製造
- 一秒檢測,成本降至萬分之一,光引科技把幾十萬的台式光譜儀“搬”到了手腕上
- AI服務器電源機櫃Power Rack HVDC MW級測試方案
- 突破工藝邊界,奎芯科技LPDDR5X IP矽驗證通過,速率達9600Mbps
- 通過直接、準確、自動測量超低範圍的氯殘留來推動反滲透膜保護
- 從技術研發到規模量產:恩智浦第三代成像雷達平台,賦能下一代自動駕駛!
- 車規與基於V2X的車輛協同主動避撞技術展望
- 數字隔離助力新能源汽車安全隔離的新挑戰
- 汽車模塊拋負載的解決方案
- 車用連接器的安全創新應用
- Melexis Actuators Business Unit
- Position / Current Sensors - Triaxis Hall


