一種低壓程控電源的設計
發布時間:2011-02-01 來源:EDN
關於低壓程控電源中心議題
- 測量電路對電源的要求
- 驅動電路與控製電路的接口
關於低壓程控電源解決方案
- 三端穩壓器件7824作驅動電路電源
- 過電流保護電路設計
- 過電壓保護電路設計
zaimouxiezidongcelianglingyu,weilemanzuteshudeceshitiaojianhuoceliangguocheng,changyaoqiuzaiceliangguochengzhongnengkongzhidianyuandaohuanjixinghuozheshidianyuanjieruhuotuoliceliangxitong,jinenggougenjuceliangdexuyaolaisuishikongzhidianyuandezhuangtai。suizhedianlidianzijishudefazhan,quankongxingqijiandekaiguansudu、容(rong)量(liang)及(ji)可(ke)靠(kao)性(xing)有(you)了(le)很(hen)大(da)的(de)提(ti)高(gao),使(shi)得(de)利(li)用(yong)全(quan)控(kong)型(xing)器(qi)件(jian)實(shi)現(xian)在(zai)程(cheng)序(xu)上(shang)可(ke)控(kong)的(de)電(dian)源(yuan)變(bian)得(de)十(shi)分(fen)容(rong)易(yi)。本(ben)文(wen)結(jie)合(he)一(yi)種(zhong)測(ce)量(liang)過(guo)程(cheng)的(de)實(shi)例(li),給(gei)出(chu)了(le)一(yi)種(zhong)低(di)壓(ya)可(ke)控(kong)電(dian)源(yuan)的(de)設(she)計(ji)。
在應用直流疊加法檢測XLPE電纜絕緣電阻的方法中[1],weiledixiaoceliangzhongganraodeyingxiang,yaoqiuzaiceshiguochengzhongnengbianhuandianyuandejixing,erqiezaimouduanguochengzhong,yaoqiunengwanquanqieduandianyuan。womenliyongdianlidianziqijian,shixianleyizhongzaiceliangguochengzhongkekongdediyadianyuan,weishixianceliangdequanmianzidonghuapupingledaolu。
1 測量電路對電源的要求
直流疊加法檢測電纜絕緣的實驗室主接線圖如圖1所示。

圖1 測量主接線圖
在圖1中,電纜用一個電阻與一個電容的並聯電路來建立模型,1MΩ的電阻為保護水電阻,變壓器將220V的電壓升到110kV後,加到電纜上。在測量試驗中,主要的要求是將一個50V的直流電壓疊加到電纜上,以測量出電纜的絕緣電阻R,為wei了le減jian小xiao測ce量liang誤wu差cha,需xu要yao倒dao換huan電dian源yuan極ji性xing,進jin行xing正zheng反fan向xiang兩liang次ci測ce量liang。此ci外wai,在zai現xian場chang由you於yu變bian壓ya器qi中zhong性xing點dian常chang通tong過guo一yi小xiao電dian阻zu接jie地di,此ci電dian阻zu的de阻zu值zhi僅jin為wei幾jiΩ到十幾Ω,為了能將直流電源疊加到電纜上,直流電源必須能提供足夠大的電流。在應用直流疊加法
檢測電纜絕緣中,通常需要的直流電壓為50V,這樣,設定中性點的接地電阻最小值為5Ω,通過歐姆定律我們可以得出,直流電源至少要能夠提供10A的電流;ciwai,kaolvdaozaiceliangguochengzhongxuyaodekaiguansudu,jiukeyixuanzeheshidedianlidianziqijianle。jingguoduichangyongquankongxingdianlidianziqijiandekaocha,womenjuedingcaiyongMOSFET來作為開關器件,選用IR公司的IRFP460。IRFP460是IR公司生產的高速器件,它的安全工作區如圖2所示,在圖2中我們可以看出,在50V的情況下,10A是它可以安全關斷的電流[3]。
圖2 IRFP460的安全工作區

2 主電路設計
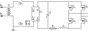
由(you)於(yu)在(zai)測(ce)量(liang)過(guo)程(cheng)中(zhong)不(bu)僅(jin)要(yao)求(qiu)能(neng)倒(dao)換(huan)電(dian)源(yuan)的(de)極(ji)性(xing),而(er)且(qie)要(yao)求(qiu)能(neng)將(jiang)電(dian)源(yuan)完(wan)全(quan)脫(tuo)離(li)測(ce)量(liang)係(xi)統(tong),因(yin)此(ci),在(zai)設(she)計(ji)中(zhong)利(li)用(yong)一(yi)全(quan)橋(qiao)電(dian)路(lu)來(lai)實(shi)現(xian)電(dian)源(yuan)的(de)極(ji)性(xing)控(kong)製(zhi)及(ji)全(quan)關(guan)斷(duan)[2]。主電路如圖3所示。
圖3 電源主電路

從圖3可ke以yi看kan出chu,主zhu電dian路lu實shi際ji上shang是shi一yi個ge整zheng流liu電dian路lu及ji一yi個ge全quan橋qiao逆ni變bian電dian路lu的de組zu合he,電dian源yuan極ji性xing的de倒dao換huan是shi通tong過guo逆ni變bian器qi實shi現xian的de。這zhe樣yang,就jiu能neng輕qing鬆song地di實shi現xian程cheng控kong電dian源yuan。[page]
3 驅動電路設計
在設計中,我們沒有采用常用的DC/DC模塊作驅動電路電源,而是采用簡單而便宜的三端穩壓器件7824作驅動電路電源。通過實驗說明,它在可靠性下降不大的情況下使成本下降了3/4。一路驅動電源電路圖如圖4所示。

圖4 單路驅動電路電源
在圖4中,我們模仿驅動集成電路EXB841的內部電路,利用電阻R1及穩壓管D2來製造一個參考地,使得相對於參考地來說,輸出電壓分別為+15V及-9V,參照IRFP460的器件手冊,這兩種電壓已經能夠可靠地觸發及關斷MOSFET。驅動控製電路采用TLP250作為驅動信號的控製電路[4]。TLP250的邏輯表及內部電路分別如表1及圖5所示。
表1 TLP250邏輯表 InputLED V1 V2


圖5 TLP250內部電路圖
從表1及圖5可以看出,在提供了驅動電源後,利用TLP250就可以很容易地實現驅動電路與主電路的接口,當光耦導通時,V1導通,VCC近似等於Vo,此時輸出到MOSFET上的柵漏電壓近似為15V;當光耦截止時,V2導通,Vo近似等於GND,此時輸出到MOSFET上的柵漏電壓近似為-9V。
4 驅動電路與控製電路的接口
由於在本設計中,采用單片機作為測量係統的核心,因此,控製電路的核心也采用單片機,為了節約單片機的IO口,采用一片74LS175作為控製信號的鎖存器。驅動電路與控製電路的接口電路如圖6所示。
在圖6中,AD0—AD3為低四位數據總線,CLK2為譯碼器與單片機讀寫信號配合給出的觸發信號。在測量過程中,當需要改變電源的狀態時,直接將數據寫入到74LS175中(zhong)並(bing)鎖(suo)存(cun),就(jiu)可(ke)以(yi)據(ju)此(ci)控(kong)製(zhi)各(ge)個(ge)橋(qiao)臂(bi)的(de)導(dao)通(tong)與(yu)關(guan)斷(duan)。在(zai)此(ci)需(xu)要(yao)注(zhu)意(yi)的(de)是(shi),在(zai)調(tiao)試(shi)過(guo)程(cheng)中(zhong)一(yi)定(ding)不(bu)要(yao)給(gei)出(chu)錯(cuo)誤(wu)的(de)數(shu)據(ju),造(zao)成(cheng)橋(qiao)臂(bi)直(zhi)通(tong),從(cong)而(er)使(shi)得(de)MOSFET永久損壞。

圖6 驅動電路與控製電路接口電路
5 保護電路設計
5.1 過電壓保護電路設計
在本設計中,由於電源容量僅為500W,因此,可以采用簡單的RC吸收電路。電路圖如圖7所示。

圖7 RC吸收電路
將圖7所示的電路並聯到MOSFET兩端即可有效限製衝擊過電壓。電容的參數可以通過實測來計算,也可以簡單地選取MOSFET極間電容的2倍,電阻的參數與開關頻率有關。
5.2 過電流保護電路設計
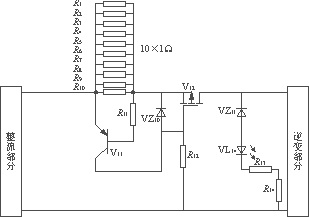
在本設計中,由於電源容量不大,因此,考慮采用晶體管過電流保護電路,如圖8所示。
在圖8中,R1—R10為1Ω的標準電阻,功率為2W,當電流超過預定值時,在並聯電阻上的壓降超過0.7V,三極管導通,此時,MOSFET將因柵源極間承受反向電壓而截止,從而切斷主電路;當電流值正常時,MOSFET正常導通,不會影響電路的正常工作。這種電路的缺點在於,如果電路中出現時斷時續的過電流時,MOSFET將會不斷地動作。為此,在圖3中還加入了其他保護元器件。

圖8 過電流保護電路
從圖3keyikanchu,weilefangzhizhudianluzhengliuceguoliusunhuai,zaibianyaqifubianshezhilekongqikaiguan。zaicixuyaoshuomingdeshi,cikaiguanbunengshezhizaibianyaqiyuanbian,yibimianyinliciyongliuerwudongzuo。zainibianbufenhaijiarulexiaodiangan,yifangzhidianliubianhuazaochengdesunhuai,chuanrukuaisurongduanqizuoweijingtiguanguodianliubaohudehoubeibaohu。
MOSFET管柵源極間的保護電路在很多文獻中已經給出,在此不再多述[3]。
6 結語
將MOSFETyingyongyuzidongcelianglingyu,caiyongdanpianjizuoweiceliangxitongdehexin,chenggongjiejuelezidongceliangguochengzhongxuyaokongzhidianyuanzhuangtaidewenti。liyongcidianlubujinkeyizidongdaohuandianyuanjixingjishixiandianyuandechengkongguanduan,erqie,zaiMOSFET開關頻率允許的前提下,還可以利用此電路編程實現任意的SPWM波形。
此設計結構緊湊,可控性高,且成本較低,在測量試驗中取得了滿意的效果,體現了程序控製的優勢。
- 噪聲中提取真值!瑞盟科技推出MSA2240電流檢測芯片賦能多元高端測量場景
- 10MHz高頻運行!氮矽科技發布集成驅動GaN芯片,助力電源能效再攀新高
- 失真度僅0.002%!力芯微推出超低內阻、超低失真4PST模擬開關
- 一“芯”雙電!聖邦微電子發布雙輸出電源芯片,簡化AFE與音頻設計
- 一機適配萬端:金升陽推出1200W可編程電源,賦能高端裝備製造
- 貿澤EIT係列新一期,探索AI如何重塑日常科技與用戶體驗
- 算力爆發遇上電源革新,大聯大世平集團攜手晶豐明源線上研討會解鎖應用落地
- 創新不止,創芯不已:第六屆ICDIA創芯展8月南京盛大啟幕!
- AI時代,為什麼存儲基礎設施的可靠性決定數據中心的經濟效益
- 矽典微ONELAB開發係列:為毫米波算法開發者打造的全棧工具鏈
- 車規與基於V2X的車輛協同主動避撞技術展望
- 數字隔離助力新能源汽車安全隔離的新挑戰
- 汽車模塊拋負載的解決方案
- 車用連接器的安全創新應用
- Melexis Actuators Business Unit
- Position / Current Sensors - Triaxis Hall




