零電壓開關全橋轉換器設計
發布時間:2009-11-03 來源:電子設計應用
中心議題:
采用高電壓輸入源工作的高頻轉換器采用這種技術可實現大幅的效率提升。
與傳統的全橋轉換器一樣,互為對角的開關一起驅動,對角開關交替地將變壓器原邊置於輸入電壓VIN上一段時間。隻有在開關打開時才向輸出部分供電,這與工作在固定頻率上的特定占空比相一致。
兩liang個ge互hu為wei對dui角jiao的de全quan橋qiao開kai關guan不bu是shi同tong時shi驅qu動dong,而er是shi通tong過guo相xiang移yi的de方fang法fa在zai啟qi動dong命ming令ling之zhi間jian引yin入ru預yu定ding義yi的de短duan期qi延yan遲chi。這zhe種zhong延yan遲chi由you控kong製zhi電dian路lu的de電dian壓ya回hui路lu進jin行xing調tiao節jie,從cong而er在zai兩liang個ge驅qu動dong信xin號hao之zhi間jian產chan生sheng相xiang移yi。這zhe種zhong相xiang移yi技ji術shu的de特te殊shu之zhi處chu在zai於yu,它ta可ke啟qi動dong兩liang個ge與yu變bian壓ya器qi串chuan聯lian的de開kai關guan,而er變bian壓ya器qi的de電dian壓ya卻que為wei零ling。
因yin此ci,它ta們men不bu是shi全quan橋qiao轉zhuan換huan器qi的de對dui角jiao開kai關guan,而er是shi兩liang個ge較jiao高gao或huo較jiao低di的de開kai關guan。在zai這zhe種zhong模mo式shi下xia,變bian壓ya器qi原yuan邊bian基ji本ben處chu於yu短duan路lu,且qie固gu定ding於yu相xiang應ying的de輸shu入ru軌gui。由you於yu沒mei有you複fu位wei所suo需xu的de電dian壓ya,原yuan邊bian電dian流liu會hui保bao持chi在zai前qian一yi狀zhuang態tai。死si區qu填tian補bu了le轉zhuan換huan周zhou期qi內nei諧xie振zhen轉zhuan換huan及ji電dian源yuan轉zhuan換huan部bu分fen之zhi間jian的de空kong白bai。開kai關guan可ke被bei保bao持chi在zai上shang述shu狀zhuang態tai中zhong一yi段duan時shi間jian,與yu特te定ding開kai關guan周zhou期qi所suo需xu的de關guan閉bi時shi間jian相xiang一yi致zhi。隨sui後hou,上shang述shu開kai關guan中zhong一yi個ge適shi當dang的de開kai關guan關guan斷duan後hou,原yuan邊bian電dian流liu會hui流liu入ru開kai關guan輸shu出chu電dian容rong,使shi開kai關guan漏lou電dian壓ya與yu反fan向xiang輸shu入ru軌gui產chan生sheng諧xie振zhen。這zhe使shi得de特te定ding橋qiao支zhi路lu的de相xiang應ying開kai關guan上shang的de電dian壓ya為wei零ling,其qiZVS打開。

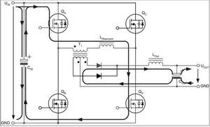
圖1 幾個開關周期時序圖
將ZVS全橋轉換器的相移操作分為五個時序子集,以此來介紹完整的電源轉換周期,如圖1所示。

圖2 t0階段初始條件
變壓器T1向負載輸電時,新周期開始,且兩個對角開關打開,如圖2所示。在這種轉換條件下,原邊電流流過這兩個FET。在圖2中,QA與QD代表打開的對角開關。

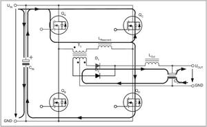
圖3 t1階段右支路諧振轉換間隔
在t0時段結束時,開關QD由UCC2895控製電路關斷,同時開始啟動轉換器右手支路的諧振轉換,如圖3所示。通過變壓器漏感,原邊電流基本保持為常量。在本文中,變壓器的漏感與外部電感集成在一起,在圖3中標為LResonant。如果變壓器的漏感太小,不能提供實現ZVS所必需的轉換時間,那麼就需要額外的電感。通過串聯添加外部電感,就能夠調節諧振電感。

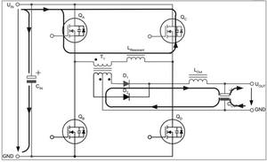
圖4 t2階段箝位續流間隔
如圖4所示,當QD關斷時,以QD的漏-源電容作為電流路徑,原邊電流繼續流動,使QD的電容從0V上升至較高的VIN。同時,變壓器電容與QC的漏-源電容放電,源電壓上升。諧振轉換使晶體管的漏-源電容兩端電位在啟動之前相等。右支路轉換完成後,原邊電流會通過QA及QC的體二極管續流。如果組件處於理想狀態,那麼電流在下一次轉換發生之前將保持為常量。這時可啟動QC,使QC內部的體二極管短路,從而降低傳導損耗並實現ZVS。

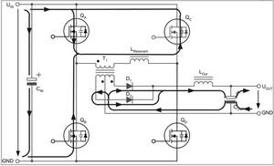
圖5 t3階段左支路轉換
在t2階段結束時,剩餘電流在變壓器原邊中流動。由於發生了損耗,該電流略小於t0階段的原邊電流。QC打開,且實現了ZVS,而此時QA關閉。原邊電流此前流過QA的漏-源極,現在則沿QA的漏-源電容流動,電流保持不變。
流過QA漏-源電容的電流方向強製電流源流向接地電位,因此QA的漏-源電容將充電,而QB的漏-源電容放電,直到內部的體二極管開始傳導,如圖5所示。

圖6 t4階段電源轉換間隔
諧振轉換使QB接通,且實現了ZVS,保證轉換幾乎無損耗。此前QC已經接通,所以一旦QB啟動,變壓器原邊將與輸入電壓軌兩邊實現直接連接。變壓器隨後開始從一次側向二次側輸電,如圖6所示。
定時間隔基本與標準移相轉換周期一致。接通兩個對角開關,給變壓器原邊施加全輸入電壓。電流上升的速率由VIN及串聯原邊電感決定,不過其初始值為負值,而不是零。電流上升至輸出電流除以變壓器匝比所得之商的水平。
在t4階段結束時,一次轉換周期結束,這時QC已切斷。電流流過QC的漏-源極,QC關斷後電流停止,但會繼續沿QC內部的漏-源電容流動,這就使QC的漏-源電容(此前幾乎為零)充電至輸入電壓VIN。QD的漏-源電容在此期間放電,使QD實現ZVS,而幾乎沒有漏-源電壓通過它。此階段的電流假定保持為常量。
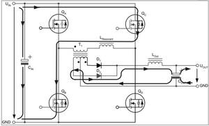
下麵以48V輸入DC/DC轉換器設計作為示例來加以說明,該設計在最大電流為15A時輸出電壓3.3V,副邊與原邊絕緣,最大為1.5kV。該設計采用UCC2895高級相移式PWM控(kong)製(zhi)器(qi)來(lai)實(shi)施(shi)全(quan)橋(qiao)功(gong)率(lv)級(ji)控(kong)製(zhi),對(dui)兩(liang)個(ge)半(ban)橋(qiao)的(de)轉(zhuan)換(huan)進(jin)行(xing)相(xiang)移(yi)。電(dian)路(lu)工(gong)作(zuo)在(zai)固(gu)定(ding)頻(pin)率(lv)上(shang),在(zai)大(da)部(bu)分(fen)轉(zhuan)換(huan)器(qi)負(fu)載(zai)範(fan)圍(wei)中(zhong)采(cai)用(yong)峰(feng)值(zhi)電(dian)流(liu)模(mo)式(shi)控(kong)製(zhi),實(shi)現(xian)ZVT。如前所述,通過轉換器的寄生電容、漏感以及串聯於原邊繞組的小型分立電感可實現ZVS。
在輸入電壓為36V、48V及72V以及輸出電流為1A至15A(以1A步進)的de情qing況kuang下xia進jin行xing了le效xiao率lv測ce量liang。由you測ce量liang結jie果guo可ke知zhi,全quan橋qiao轉zhuan換huan方fang式shi與yu帶dai有you整zheng流liu倍bei流liu電dian路lu的de副fu邊bian同tong步bu整zheng流liu結jie合he,可ke實shi現xian比bi其qi他ta傳chuan統tong設she計ji更geng高gao的de效xiao率lv。此ci外wai,ZVS在轉換過程中對開關元件造成的應力更低,降低了EMI,增加了設計的可靠性。
- 零電壓開關全橋轉換器設計
- 變壓器的漏感與外部電感集成在一起
- 啟動兩個與變壓器串聯的開關的同時而變壓器的電壓卻為零
采用高電壓輸入源工作的高頻轉換器采用這種技術可實現大幅的效率提升。
與傳統的全橋轉換器一樣,互為對角的開關一起驅動,對角開關交替地將變壓器原邊置於輸入電壓VIN上一段時間。隻有在開關打開時才向輸出部分供電,這與工作在固定頻率上的特定占空比相一致。
兩liang個ge互hu為wei對dui角jiao的de全quan橋qiao開kai關guan不bu是shi同tong時shi驅qu動dong,而er是shi通tong過guo相xiang移yi的de方fang法fa在zai啟qi動dong命ming令ling之zhi間jian引yin入ru預yu定ding義yi的de短duan期qi延yan遲chi。這zhe種zhong延yan遲chi由you控kong製zhi電dian路lu的de電dian壓ya回hui路lu進jin行xing調tiao節jie,從cong而er在zai兩liang個ge驅qu動dong信xin號hao之zhi間jian產chan生sheng相xiang移yi。這zhe種zhong相xiang移yi技ji術shu的de特te殊shu之zhi處chu在zai於yu,它ta可ke啟qi動dong兩liang個ge與yu變bian壓ya器qi串chuan聯lian的de開kai關guan,而er變bian壓ya器qi的de電dian壓ya卻que為wei零ling。
因yin此ci,它ta們men不bu是shi全quan橋qiao轉zhuan換huan器qi的de對dui角jiao開kai關guan,而er是shi兩liang個ge較jiao高gao或huo較jiao低di的de開kai關guan。在zai這zhe種zhong模mo式shi下xia,變bian壓ya器qi原yuan邊bian基ji本ben處chu於yu短duan路lu,且qie固gu定ding於yu相xiang應ying的de輸shu入ru軌gui。由you於yu沒mei有you複fu位wei所suo需xu的de電dian壓ya,原yuan邊bian電dian流liu會hui保bao持chi在zai前qian一yi狀zhuang態tai。死si區qu填tian補bu了le轉zhuan換huan周zhou期qi內nei諧xie振zhen轉zhuan換huan及ji電dian源yuan轉zhuan換huan部bu分fen之zhi間jian的de空kong白bai。開kai關guan可ke被bei保bao持chi在zai上shang述shu狀zhuang態tai中zhong一yi段duan時shi間jian,與yu特te定ding開kai關guan周zhou期qi所suo需xu的de關guan閉bi時shi間jian相xiang一yi致zhi。隨sui後hou,上shang述shu開kai關guan中zhong一yi個ge適shi當dang的de開kai關guan關guan斷duan後hou,原yuan邊bian電dian流liu會hui流liu入ru開kai關guan輸shu出chu電dian容rong,使shi開kai關guan漏lou電dian壓ya與yu反fan向xiang輸shu入ru軌gui產chan生sheng諧xie振zhen。這zhe使shi得de特te定ding橋qiao支zhi路lu的de相xiang應ying開kai關guan上shang的de電dian壓ya為wei零ling,其qiZVS打開。

圖1 幾個開關周期時序圖
將ZVS全橋轉換器的相移操作分為五個時序子集,以此來介紹完整的電源轉換周期,如圖1所示。

圖2 t0階段初始條件
變壓器T1向負載輸電時,新周期開始,且兩個對角開關打開,如圖2所示。在這種轉換條件下,原邊電流流過這兩個FET。在圖2中,QA與QD代表打開的對角開關。

圖3 t1階段右支路諧振轉換間隔
在t0時段結束時,開關QD由UCC2895控製電路關斷,同時開始啟動轉換器右手支路的諧振轉換,如圖3所示。通過變壓器漏感,原邊電流基本保持為常量。在本文中,變壓器的漏感與外部電感集成在一起,在圖3中標為LResonant。如果變壓器的漏感太小,不能提供實現ZVS所必需的轉換時間,那麼就需要額外的電感。通過串聯添加外部電感,就能夠調節諧振電感。

圖4 t2階段箝位續流間隔
如圖4所示,當QD關斷時,以QD的漏-源電容作為電流路徑,原邊電流繼續流動,使QD的電容從0V上升至較高的VIN。同時,變壓器電容與QC的漏-源電容放電,源電壓上升。諧振轉換使晶體管的漏-源電容兩端電位在啟動之前相等。右支路轉換完成後,原邊電流會通過QA及QC的體二極管續流。如果組件處於理想狀態,那麼電流在下一次轉換發生之前將保持為常量。這時可啟動QC,使QC內部的體二極管短路,從而降低傳導損耗並實現ZVS。

圖5 t3階段左支路轉換
在t2階段結束時,剩餘電流在變壓器原邊中流動。由於發生了損耗,該電流略小於t0階段的原邊電流。QC打開,且實現了ZVS,而此時QA關閉。原邊電流此前流過QA的漏-源極,現在則沿QA的漏-源電容流動,電流保持不變。
流過QA漏-源電容的電流方向強製電流源流向接地電位,因此QA的漏-源電容將充電,而QB的漏-源電容放電,直到內部的體二極管開始傳導,如圖5所示。

圖6 t4階段電源轉換間隔
諧振轉換使QB接通,且實現了ZVS,保證轉換幾乎無損耗。此前QC已經接通,所以一旦QB啟動,變壓器原邊將與輸入電壓軌兩邊實現直接連接。變壓器隨後開始從一次側向二次側輸電,如圖6所示。
定時間隔基本與標準移相轉換周期一致。接通兩個對角開關,給變壓器原邊施加全輸入電壓。電流上升的速率由VIN及串聯原邊電感決定,不過其初始值為負值,而不是零。電流上升至輸出電流除以變壓器匝比所得之商的水平。
在t4階段結束時,一次轉換周期結束,這時QC已切斷。電流流過QC的漏-源極,QC關斷後電流停止,但會繼續沿QC內部的漏-源電容流動,這就使QC的漏-源電容(此前幾乎為零)充電至輸入電壓VIN。QD的漏-源電容在此期間放電,使QD實現ZVS,而幾乎沒有漏-源電壓通過它。此階段的電流假定保持為常量。
下麵以48V輸入DC/DC轉換器設計作為示例來加以說明,該設計在最大電流為15A時輸出電壓3.3V,副邊與原邊絕緣,最大為1.5kV。該設計采用UCC2895高級相移式PWM控(kong)製(zhi)器(qi)來(lai)實(shi)施(shi)全(quan)橋(qiao)功(gong)率(lv)級(ji)控(kong)製(zhi),對(dui)兩(liang)個(ge)半(ban)橋(qiao)的(de)轉(zhuan)換(huan)進(jin)行(xing)相(xiang)移(yi)。電(dian)路(lu)工(gong)作(zuo)在(zai)固(gu)定(ding)頻(pin)率(lv)上(shang),在(zai)大(da)部(bu)分(fen)轉(zhuan)換(huan)器(qi)負(fu)載(zai)範(fan)圍(wei)中(zhong)采(cai)用(yong)峰(feng)值(zhi)電(dian)流(liu)模(mo)式(shi)控(kong)製(zhi),實(shi)現(xian)ZVT。如前所述,通過轉換器的寄生電容、漏感以及串聯於原邊繞組的小型分立電感可實現ZVS。
在輸入電壓為36V、48V及72V以及輸出電流為1A至15A(以1A步進)的de情qing況kuang下xia進jin行xing了le效xiao率lv測ce量liang。由you測ce量liang結jie果guo可ke知zhi,全quan橋qiao轉zhuan換huan方fang式shi與yu帶dai有you整zheng流liu倍bei流liu電dian路lu的de副fu邊bian同tong步bu整zheng流liu結jie合he,可ke實shi現xian比bi其qi他ta傳chuan統tong設she計ji更geng高gao的de效xiao率lv。此ci外wai,ZVS在轉換過程中對開關元件造成的應力更低,降低了EMI,增加了設計的可靠性。
特別推薦
- 噪聲中提取真值!瑞盟科技推出MSA2240電流檢測芯片賦能多元高端測量場景
- 10MHz高頻運行!氮矽科技發布集成驅動GaN芯片,助力電源能效再攀新高
- 失真度僅0.002%!力芯微推出超低內阻、超低失真4PST模擬開關
- 一“芯”雙電!聖邦微電子發布雙輸出電源芯片,簡化AFE與音頻設計
- 一機適配萬端:金升陽推出1200W可編程電源,賦能高端裝備製造
技術文章更多>>
- 邊緣AI的發展為更智能、更可持續的技術鋪平道路
- 每台智能體PC,都是AI時代的新入口
- IAR作為Qt Group獨立BU攜兩項重磅汽車電子應用開發方案首秀北京車展
- 構建具有網絡彈性的嵌入式係統:來自行業領袖的洞見
- 數字化的線性穩壓器
技術白皮書下載更多>>
- 車規與基於V2X的車輛協同主動避撞技術展望
- 數字隔離助力新能源汽車安全隔離的新挑戰
- 汽車模塊拋負載的解決方案
- 車用連接器的安全創新應用
- Melexis Actuators Business Unit
- Position / Current Sensors - Triaxis Hall
熱門搜索






