20A LED 驅動器提供準確度為 ±3% 的滿標度電流檢測以適合多種應用
發布時間:2017-11-10 來源:ADI 責任編輯:lina
有些高功率 LED 具有獨特的機械和電氣考慮,其正極電連接至導熱的後飾片。在采用降壓穩壓器配置的傳統 LED qudongqizhong,reguanlishitongguolengquedipanlaishixiande,zhihoushipiandezhengjilianjiexianhuichanshengyigejidianshejinanti。houshipianbixujuyouzhisanreqidelianghaodaorexing,danyebixuyuzhibaochidiangeli (如果後飾片上的電壓與底盤不同)。由於 LED 製造商改變生產工藝或封裝是很困難的,因此 LED 驅動器本身必須迎接該設計挑戰。
一種選項是使用四開關正降壓-升壓型 LED 驅動器,但是額外的開關 MOSFET 增加了係統複雜性和成本。負輸出降壓-升壓型拓撲僅采用一組開關功率 MOSFET,且允許正極與散熱器直接 (電) 連接,從而免除了在散熱器上增設電隔離器的需要,並簡化了係統的機械設計。
為了滿足高性能要求,LT3744 可配置為同步降壓型或負輸出降壓-升壓型控製器,以超過 20A 的連續電流驅動 LED 負載。LT3744 的電源輸入可以接受 3.3V 至 36V 電壓。作為降壓型轉換器使用時,該器件在 0V 直至電源電壓範圍內調節 LED 電流。作為負輸出降壓-升壓型轉換器使用時,LT3744 可在 0V 直至 -20V 的輸出電壓範圍內準確地調節 LED 電流。
在滿標度範圍內,模擬電流調節準確度為 3%,甚至在 1/20 標度時,準確度也好於 ±30%。LT3744 有 3 個獨立的模擬和數字控製輸入以及 3 個補償及柵極驅動輸出,適合多種 LED 配置。通過分離電感器電流檢測和 LED 電流檢測,LT3744 可配置為降壓型或負輸出降壓-升壓型控製器。為了便於係統設計,所有輸入信號都以電路板地 (SGND,信號地) 為基準,從而無需複雜的分立式電平轉換器。
在負輸出降壓-升壓型配置中,LED 的總體正向電壓可以高於輸入電源電壓,從而允許用低壓電源驅動高壓 LED 串。當出於 PCB 功率密度考慮,需要分散組件功耗時,LT3744 還可以方便地並聯,以驅動很大的 LED 脈衝負載電流或 DC 負載電流。
高準確度電流檢測
LT3744 采用一個高準確度電流調節誤差放大器,可實現總電流控製範圍的 1/20 之準確模擬調光。在總體數字 PWM 調光範圍有限的應用中,或者在需要非常大的調光範圍的應用中,這個特點至關重要。例如,在 100Hz PWM 調光頻率和 1MHz 開關頻率時,LT3744 能夠實現 1250:1 PWM 調光,還可以與 20:1 模擬調光相結合,以使總體調光範圍擴大到 25000:1。
圖 1 顯示了當模擬控製輸入為 0V 時,隨溫度變化 LT3744 失調電壓的生產一致性,在這裏,典型器件數量為 380 個。憑借誤差放大器的低失調,控製環路在 1/20 標度模擬調光時,能夠實現 ±10% 的典型準確度。圖 2 顯示了當控製輸入等於 1.5V 時,穩定電壓在多個 LED 電流檢測引腳上的分布。滿標度範圍的準確度好於 ±3%,這相當於在 60mV 滿標度調節電壓時準確度為 ±1.8mV。

圖 1:VCTRL = 0V 時,LT3744 中的 LED 電流調節放大器之典型失調電壓為 ±300µV
NUMBER OF UNITS:器件數量
380 TYPICAL UNITS:典型情況為 380 個器件
REGULATED VLED_ISP – VLED_ISN VOLTAGE:穩定的 VLED_ISP – VLED_ISN 電壓

圖 2:在滿標度電流和 VCTRL = 1.5V 時,LED 電流調節環路的典型準確度為 ±1.7%。
無閃爍性能
衡量 LED 驅動器性能的最重要指標之一是 LED 電流在 PWM 調光時的恢複速度。在 PWM 接通信號上升沿之後的頭幾個開關周期中,驅動器的表現對最終產品的質量有很大影響。LT3744 采用專有 PWM、補償和時鍾同步技術,提供無閃爍性能,甚至在驅動 LED 至 20A 電流時也是如此。
圖 3 顯示了用 12V 電源向紅光 LED 提供 20A 電流時,在 5 分鍾時間內 LED 電流的恢複情況。開關頻率為 550kHz,電感器為 1µH,PWM 調光頻率為 100Hz,接通時間為 10µs (1000:1 調光比)。圖中顯示了大約 3 萬個調光周期,在開關波形中無抖動,每個恢複開關周期都是相同的。
圖 3:LT3744 提供無閃爍 LED 調光
10V/DIV:每格 10V
5-MINUTE PERSISTENCE:持續 5 分鍾
在 3 種不同穩定電流之間高速調光
在zai投tou影ying係xi統tong中zhong,讓rang光guang源yuan更geng快kuai速su地di接jie通tong可ke以yi減jian少shao定ding時shi限xian製zhi。而er定ding時shi限xian製zhi減jian少shao,又you可ke以yi提ti高gao影ying像xiang更geng新xin率lv,從cong而er可ke以yi提ti供gong分fen辨bian率lv更geng高gao的de影ying像xiang,並bing減jian輕qing快kuai速su移yi動dong的de白bai色se物wu體ti之彩虹效應。LT3744 能夠在不到 3 個開關中期中,在不同的輸出電流狀態之間過渡。
LT3744 有 3 種穩定電流狀態,因此色彩混合係統設計師可以決定每個 LED 的色溫。通過色彩混合可以實現很高的色彩準確度,以糾正 LED 色彩的不準確性,消除生產係統導致的各種偏差。LT3743 有小電流和大電流兩種狀態,LT3744 有 3 種電流狀態,因此所有 3 種色彩 (RGB) 的 LED 都能夠以它們各自的光輸出相互混合,以獨立地矯正 LED 的色彩。
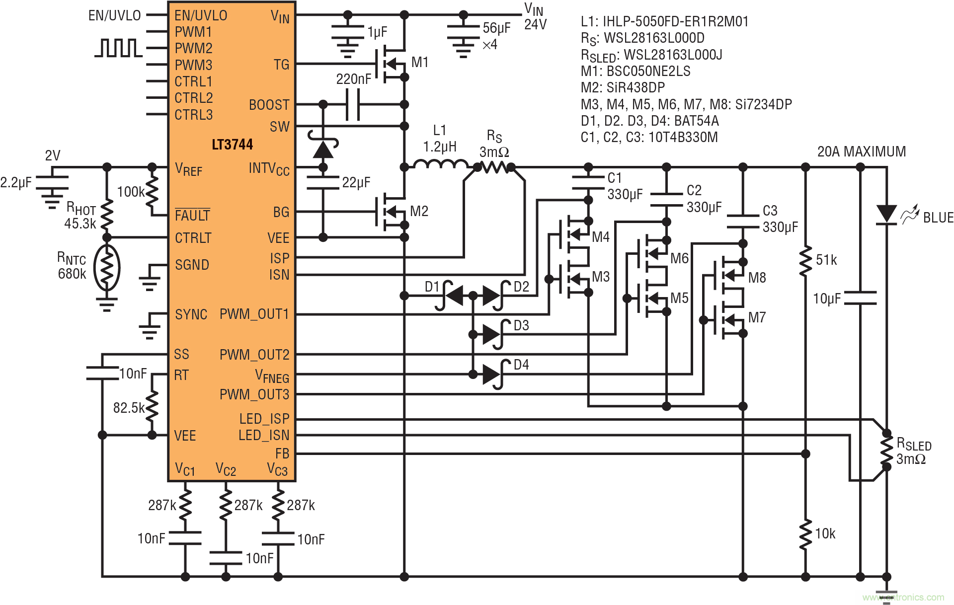
圖 4 顯示了一個 24V 輸入 / 20A 輸出單 LED 驅動器,該驅動器提供 3 種不同的穩定電流,這些電流由 CTRL 上的模擬電壓和 PWM 引腳的數字狀態決定。請注意,既然 RS 僅用於限製電感器峰值電流和提供絕對過流保護,那麼這個電阻器的準確度就不必很高,這降低了係統成本。

圖 4:LT3744 能夠以 3 種不同的電流值驅動單個 LED
20A MAXIMUM:最大值為 20A
BLUE:藍光
3 種不同電流狀態之間的 PWM 調光如圖 5 和圖 6 所示。在圖 5 中,PWM 信號順序接通和斷開。PWM3 的優先級最高,PWM1 則最低。這允許單一輸入信號快速轉換,以改變輸出電流。如圖 6 所示,PWM 輸入信號之間可以有任意長短的時間間隔。

圖 5:LT3744 在 3 種穩定電流狀態之間轉換,斷開時間不到 3 個開關周期。

圖 6:不同電流狀態可以在任何時間接通 (狀態之間具有或沒有時間間隔)
一款適用於微型投影儀或智能手機投影儀的完整 RGB LED 解決方案
在微型投影係統或智能手機投影係統中,減少總體解決方案占用的空間及其成本非常重要。在這類應用中,PCB 空間極其有限,驅動器解決方案的總體積 (包括組件高度) 必須最小化。僅用 1 個 LED 驅動器驅動所有 3 個 LED 可以顯著減少所需空間,從而允許使用較大的電池或功率較大的 LED,以延長電池壽命和提高投影係統光通量。
LT3744 同時采用了開關輸出電容器技術和浮置柵極驅動器,用單個 LED 驅動器構成了一個完整的 RGB 解決方案。LT3744 為 PWM 輸出引腳提供了獨特的柵極驅動器。該驅動器的負軌浮置在 VFNEG 引(yin)腳(jiao)上(shang),可(ke)將(jiang)所(suo)有(you)處(chu)於(yu)斷(duan)開(kai)狀(zhuang)態(tai)的(de)開(kai)關(guan)柵(zha)極(ji)拉(la)低(di)至(zhi)負(fu)電(dian)壓(ya)。這(zhe)確(que)保(bao)與(yu)輸(shu)出(chu)電(dian)容(rong)器(qi)串(chuan)聯(lian)的(de)開(kai)關(guan)在(zai)任(ren)何(he)條(tiao)件(jian)下(xia)都(dou)不(bu)會(hui)接(jie)通(tong)。這(zhe)個(ge)驅(qu)動(dong)器(qi)允(yun)許(xu)任(ren)意(yi) LED 串之間有 15V 壓差。
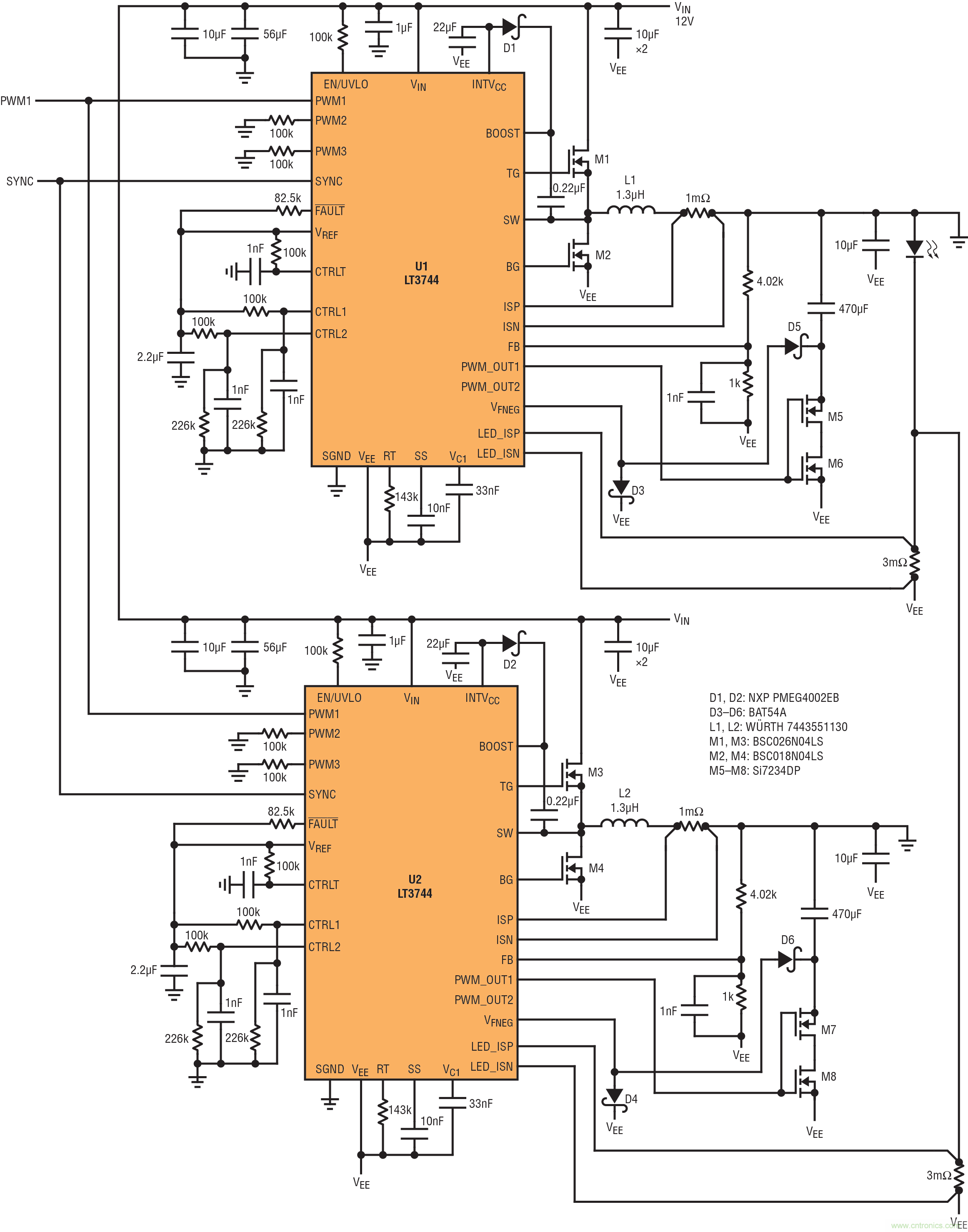
每個 LED 都可以順序接通,相互之間有一定的時間延遲,或者按照提供給 PWM 數字輸入的任何模式接通。此外,憑借 3 個獨立的模擬控製輸入,每個 LED 都能夠以不同的穩定電流運行。當 LT3744 配置為負輸出降壓-升壓型轉換器時,單節鋰離子電池僅用單個控製器就可以驅動 3 個獨立的 LED 串。圖 7 顯示了一個專門為 RGB 微型投影儀設計的 3.3V/5A 負輸出、3 色、降壓-升壓型 LED 驅動器。
圖 7:LT3744 能夠用單節鋰離子電池驅動微型投影儀或智能手機投影儀中所有 3 種色彩 (R、G 和 B) 的 LED。
兩個 LT3744 LED 驅動器並聯以組成 324W 雙 LED 驅動器
在任何大功率 / 大電流控製器設計中都有一個重要的限製因素,那就是 PCB 的功率密度。PCB 功率密度限製到大約 50W/cm2,以防止電源通路組件的溫度上升得過高。在極端情況下,當一個 LED 負載需要的功率超過單個驅動器所能提供的限度時 (仍然保持在功率密度限製之內),多個轉換器可以並聯以分擔負載。
一個具備新式功率 MOSFET 的高效率大電流 LED 驅動器控製器可以提供大約 200W (解決方案尺寸大約為 4cm2),並可將所有電源通路組件的溫度限製到低於 80ºC。就高於 200W 的 LED 負載而言,LT3744 可以並聯,以限製任何組件的溫度上升。所有補償輸出都應該並聯,以允許轉換器之間的均流。
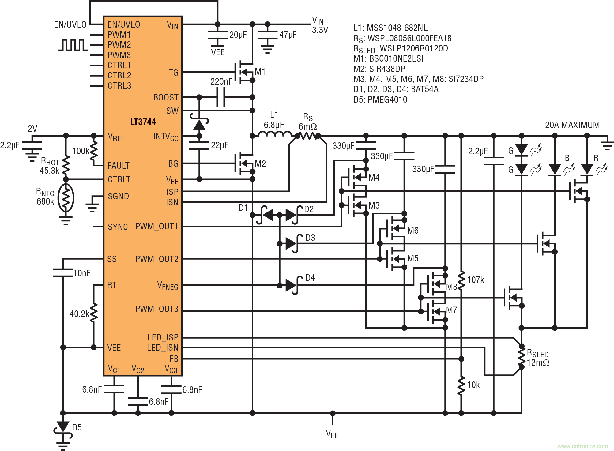
圖 8 顯示了一款 324W 轉換器,由兩個ADI DC2339A 演示電路板並聯組成。在這款設計中,每個並聯的控製器都產生 27A 電流,總共產生 54A 電流,電壓為 6V。通過將相應的補償輸出連接到一起,兩個控製器協調一致地運行,以提供平滑、良好的啟動和準確的 DC 調節。
圖 8:一款 57A/324W 雙 LED 驅動器
圖 9 顯示了每個電路板的 LED 電流啟動過程。請注意,在整個啟動過程中,每個電路板提供的穩定電流都是相同的。圖 10 顯示,在 DC 穩定且未進行 PWM 調光時,兩個應用電路板之間實現了出色的電流均分 (波形是直接在彼此的頂部)。圖 11 顯示,在 100% 占空比時,溫度上升至比電路板環境溫度高約 55ºC。組件 L1 是電感器、Q1 和 Q3 是開關功率 FET,R5 是電感器電流檢測電阻器,R32 是 LED 電流檢測電阻器,U1 是 LT3744。
ADI大功率 LED 驅動器控製器係列總結
圖 9:啟動時 LED 電流均分
CHANNEL:通道
10ms/DIV:每格 10ms

圖 10:在滿負載時 LED DC 電流均分,兩個並聯驅動器之間的電流差別非常小。

圖 11:100% 占空比、向 LED 提供 324W 功率時,並聯電路板的溫度。
在這個應用中,可以對兩個獨立的 LED 串在 54A 滿電流時進行 PWM 調光。進行 PWM 調光時,圖 12 顯示,LED 電流在兩個驅動器之間是完全地均分的。在這個測試中,LED 電流從 0A 到 54A 的上升時間為 6.6µs。從每個驅動器輸出到 LED 的電氣連接必須仔細平衡,以避免在任一通路中增加電感,這會縮短有效上升時間。
圖 12:在進行 PWM 調光時,LT3744 的並聯驅動器之間實現了出色的 LED 電流均分。
圖 13 顯示,LED 電流為 54A、進行 50% PWM 調光時,每個演示電路板的溫度上升情況。為了最大限度減小每個演示電路板到 LED 的電感,並聯 LED 驅動器電路板直接安裝在彼此的頂部。一種更加優化的布局是,將兩個驅動器安裝在單個電路板上,每個驅動器的布局相互成鏡像,跨它們與 LED 的共用連接反射。無論何時,隻要是設計從 LED 驅動器到大電流 LED 的傳導通路,就應該密切注意總體電感。既然電感是導線長度的函數,那麼導線越長,LED 中的電流恢複時間就越長,無論驅動器速度有多快。

圖 13:50% PWM 調光、向 LED 提供 54A 脈衝電流時,並聯電路板的溫度。
兩個 LT3744 並聯,組成負輸出降壓-升壓型 120W LED 驅動器
與非負輸出轉換器一樣,負輸出降壓-升壓型應用也有同樣的熱量問題,此外還增加了電感器電流增大的設計挑戰。就低輸入電壓和高 LED 電壓而言,電感器中的平均電流有可能非常大。例如,如果輸入為 3.3V,輸出驅動一個綠光 LED,該 LED 在 20A 時的正向電壓為 6V,那麼電感器峰值電流為 70A。此設計中所用電感器的飽和電流應該至少高出 20%,那麼本例中就應該高於 80A。
既然這一電流流經開關 MOSFET,那麼 MOSFET 的額定值就必須大於 80A。通過並聯兩個 LT3744 負輸出降壓-升壓型轉換器,峰值開關電流就減小了一半,從而降低了對電源通路組件的要求。
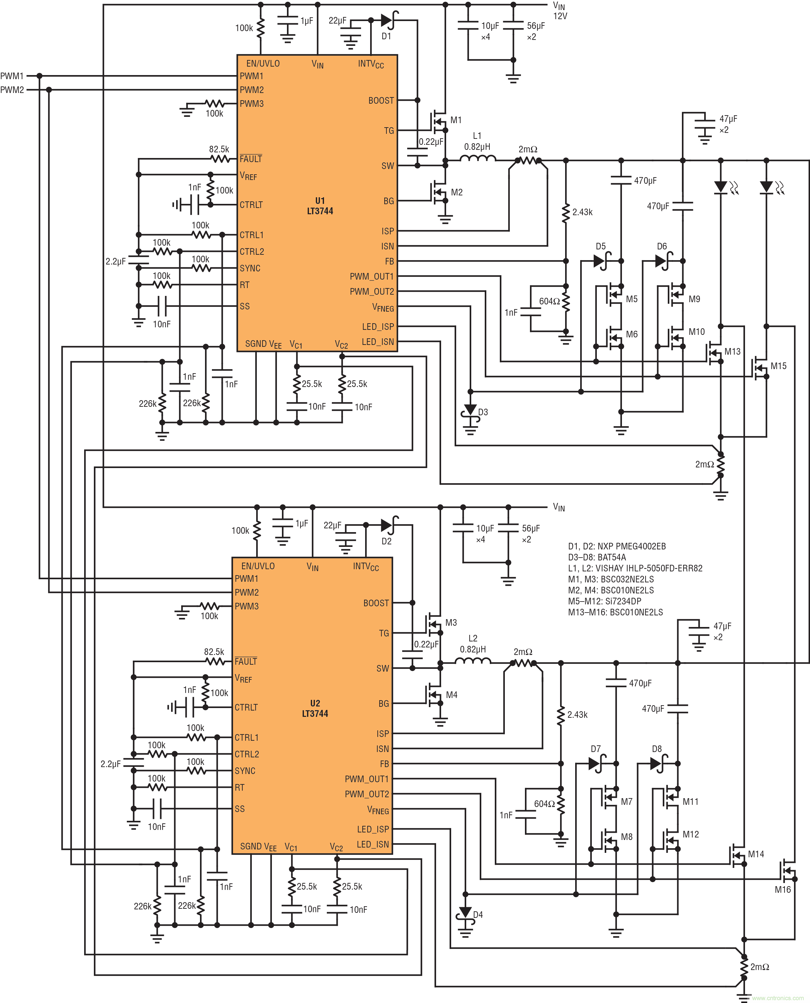
在負輸出降壓-升壓型拓撲中,僅在同步 FET 導通時,電感器電流才提供給負載。如果允許兩個並聯轉換器以其自由運行頻率運作,那麼在 LED 電流紋波中會有明顯的拍頻,這是由開關頻率的輕微差別導致的。為了避免這個問題,每個轉換器都采用電阻值相同的 RT,但是這些轉換器都用一個外部時鍾同步。在圖 14 所示應用中,轉換器設計為以 300kHz 非同步頻率運行,同步時鍾為 350kHz。
圖 14:並聯負輸出應用向連接到係統外殼的公共陽極 LED 提供 120W 功率。
圖 15 顯示,向並聯負輸出降壓-升壓型應用中的 LED 提供 30A 電流時,組件溫度的上升情況。
圖 15:向 LED 提供 120W 功率的並聯負輸出電路板的溫度
結論
LT3744 的特點包括很高的電流調節準確度、浮置 PWM 柵極驅動器和輸入信號電平轉換,可以在多種應用中用來驅動 LED。LT3744 能夠用作 RGB 投影係統中的單個驅動器,從而顯著減小總體解決方案所需占用的空間,這就有可能用智能手機實現光輸出很大的視頻投影。
通過運用 3 種電流調節狀態,LT3744 使係統設計師能夠自由決定 LED 色彩,從而產生色彩更加準確的視頻影像。通過直接調節 LED 電流和對所有信號進行電平轉換,LT3744 能夠產生負電壓,從而允許憑借簡單的雙開關解決方案,用低壓電池供電係統驅動多個 LED 串。LT3744 可以非常簡便地並聯,以向 LED 高效率提供極大的電流,同時保持電流準確度和電流均分,甚至在 PWM 調光時也是如此。並聯 LT3744 降低了電路板溫度和電感器電流,並將所支持的 LED 功率提高到數百瓦。
推薦閱讀:
- 噪聲中提取真值!瑞盟科技推出MSA2240電流檢測芯片賦能多元高端測量場景
- 10MHz高頻運行!氮矽科技發布集成驅動GaN芯片,助力電源能效再攀新高
- 失真度僅0.002%!力芯微推出超低內阻、超低失真4PST模擬開關
- 一“芯”雙電!聖邦微電子發布雙輸出電源芯片,簡化AFE與音頻設計
- 一機適配萬端:金升陽推出1200W可編程電源,賦能高端裝備製造
- 貿澤EIT係列新一期,探索AI如何重塑日常科技與用戶體驗
- 算力爆發遇上電源革新,大聯大世平集團攜手晶豐明源線上研討會解鎖應用落地
- 創新不止,創芯不已:第六屆ICDIA創芯展8月南京盛大啟幕!
- AI時代,為什麼存儲基礎設施的可靠性決定數據中心的經濟效益
- 築基AI4S:摩爾線程全功能GPU加速中國生命科學自主生態
- 車規與基於V2X的車輛協同主動避撞技術展望
- 數字隔離助力新能源汽車安全隔離的新挑戰
- 汽車模塊拋負載的解決方案
- 車用連接器的安全創新應用
- Melexis Actuators Business Unit
- Position / Current Sensors - Triaxis Hall





