基於虛擬儀器的電機監控係統的電路設計
發布時間:2014-12-19 責任編輯:echolady
【導讀】liyongxuniyiqigoujianjiankongxitong,youxiaoditigaolekaiguancizudianjikongzhixitongdeshiyongxinghekekaoxing,nenggoukuaisushixianjiancehetiaozhengdianjiyunxingshidecanshu。xiamianshidianlushejixiangjie。
該方案以裝有數據采集卡的 PC機和 DSP作為硬件基礎,利用 LabVIEW軟件將各類傳感器傳送的信號進行實時處 理,同時記錄和顯示各項數據,然後再利用相應的算法完成對數據的分析。數據是采用PCI-6143數據采集卡,並以LabVIEW8.6為開發環境編寫程序而獲取的。考慮到該係統可能在比較惡劣的工作環境下使用,為了更安全有效地實現實時控製,同時利用DSP 作為PC 機的備用處理器。實驗用樣機是一台8/6極,功率為150 W 的SRM。
位置信號檢測

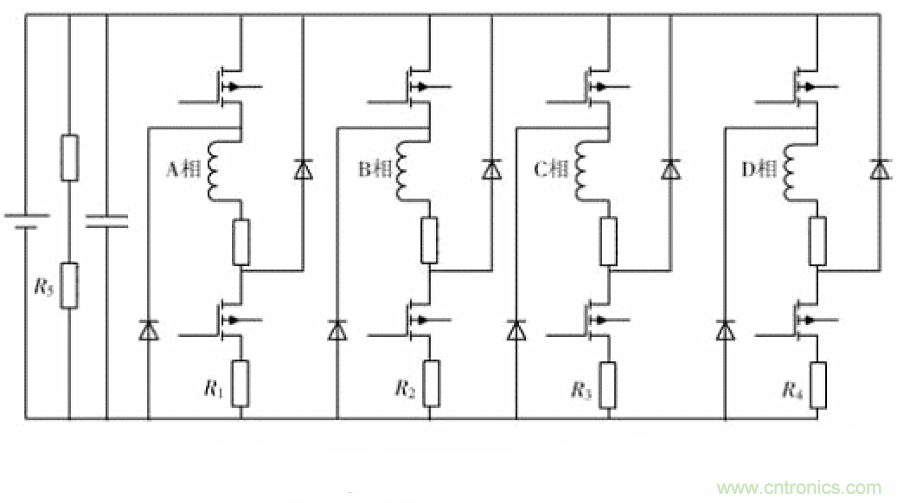
當(dang)然(ran),在(zai)穩(wen)態(tai)運(yun)行(xing)時(shi),絕(jue)對(dui)位(wei)置(zhi)編(bian)碼(ma)器(qi)也(ye)完(wan)全(quan)可(ke)以(yi)取(qu)代(dai)光(guang)電(dian)位(wei)置(zhi)傳(chuan)感(gan)器(qi)以(yi)提(ti)供(gong)更(geng)為(wei)準(zhun)確(que)的(de)轉(zhuan)速(su)信(xin)息(xi)。隻(zhi)是(shi)相(xiang)對(dui)於(yu)光(guang)電(dian)位(wei)置(zhi)傳(chuan)感(gan)器(qi)來(lai)說(shuo),絕(jue)對(dui)位(wei)置(zhi)編(bian)碼(ma)器(qi)價(jia)格(ge)昂(ang)貴(gui),且(qie)較(jiao)易(yi)損(sun)壞(huai),並(bing)不(bu)適(shi)合(he)於(yu)振(zhen)動(dong)較(jiao)劇(ju)烈(lie)的(de)場(chang)合(he)。實(shi)驗(yan)電(dian)機(ji)的(de)電(dian)路(lu)結(jie)構(gou)如(ru)圖(tu)2所示。其中,R1~R4分別為與電機四相串聯的小電阻,R5則為用於測量繞組電壓的分壓電阻。
相關閱讀:
案例解析:直流電機調速與測速電路模塊的設計
名廠專家:新型傳感器如何提升電機性能降低功耗
惡補電機知識:世上最全單相電機電容接線圖
特別推薦
- 噪聲中提取真值!瑞盟科技推出MSA2240電流檢測芯片賦能多元高端測量場景
- 10MHz高頻運行!氮矽科技發布集成驅動GaN芯片,助力電源能效再攀新高
- 失真度僅0.002%!力芯微推出超低內阻、超低失真4PST模擬開關
- 一“芯”雙電!聖邦微電子發布雙輸出電源芯片,簡化AFE與音頻設計
- 一機適配萬端:金升陽推出1200W可編程電源,賦能高端裝備製造
技術文章更多>>
- 博世半導體亮相北京車展:以技術創新驅動智能出行
- 超低功耗微控製器模塊為工程師帶來新的機遇——第1部分:Eclipse項目設置
- 英偉達吳新宙北京車展解讀:以五層架構與開放生態,加速汽車駛向L4
- 三星上演罕見對峙:工會集會討薪,股東隔街抗議
- 摩爾線程實現DeepSeek-V4“Day-0”支持,國產GPU適配再提速
技術白皮書下載更多>>
- 車規與基於V2X的車輛協同主動避撞技術展望
- 數字隔離助力新能源汽車安全隔離的新挑戰
- 汽車模塊拋負載的解決方案
- 車用連接器的安全創新應用
- Melexis Actuators Business Unit
- Position / Current Sensors - Triaxis Hall
熱門搜索
鑒頻器
江蘇商絡
交流電機
腳踏開關
接觸器接線
接近開關
接口IC
介質電容
介質諧振器
金屬膜電阻
晶體濾波器
晶體諧振器
晶體振蕩器
晶閘管
精密電阻
精密工具
景佑能源
聚合物電容
君耀電子
開發工具
開關
開關電源
開關電源電路
開關二極管
開關三極管
科通
可變電容
可調電感
可控矽
空心線圈

