利用示波器檢測並分析電氣快速瞬變事件
發布時間:2017-03-30 來源:Mike HertzLoren Dunn,Mark Maciejka,Dan Steinken 責任編輯:wenwei
【導讀】電氣快速瞬變(EFT)脈衝的突發能量可能會耦合進附近的電通道,存在破壞電子係統中數字信號的風險,從而引起意外閉鎖或複位等故障。示波器可以用來捕獲、顯示和分析EFT事件,借助該功能,即使兩個EFT事件間隔時間很長,也能被捕獲。但許多電磁兼容(EMC)工程師並不了解示波器的這一功能及其可能帶來的好處。
你還可以檢測到由EFT事件造成的“矮”脈衝,並最終計算出一個EFT脈衝的能量。利用這些信息,就可以對設計進行修改以提高抗EFT幹擾性能。EFT事件是在電流瞬時中斷的情況下發生的,會在觸點之間形成電弧放電,進而破壞電路和係統。電弧產生的電磁場會通過電纜、走線和連接器耦合進電路通道。引起EFT事件的常見原因包括繼電器觸點顫動、斷路器的打開和閉合、電感負載的切換以及設備斷電。電觸點之間氣隙的擊穿也常常會觸發EFT脈衝的快速爆發。
順序捕獲
若要捕獲一連串的快速脈衝(如EFT 脈衝) 或被長時間間隔的事件窄片( 比如EFT突發脈衝串),順序采集是一種理想的方法。在順序捕獲模式下, 示波器可以顯示由許多固定大小的分段組成的完整波形。通過設定想要的分段數目、最大的分段長度和可用的總內存,就能啟動順序采集功能了。這些參數決定了示波器可以捕獲的事件的實際數目。
順序時基模式對EFT分析有雙重好處,因為利用它可以精細捕獲具有很長時間間隔的複雜的事件序列,同時忽略事件之間的無用周期(長間隔時間)。你可以使用高精度的采集時基在事件之間對所選分段進行定時測量。圖1顯示了順序時基捕獲操作圖。

圖1:順序時基采集操作可以消除目標事件之間的“無用”時間
順序時基捕獲可以自動采集每個分段的時間戳,幫助確認EFT突發脈衝串事件的頻率。另外,順序時基模式使用先進的觸發技術來隔離稀有事件,用這種方式可以檢測錯誤的EFT 脈衝形狀。
圖2顯示了在順序捕獲模式下以分段的形式采集到的一係列EFT突(tu)發(fa)脈(mai)衝(chong)串(chuan)。注(zhu)意(yi),順(shun)序(xu)捕(bu)獲(huo)過(guo)程(cheng)消(xiao)除(chu)了(le)脈(mai)衝(chong)串(chuan)之(zhi)間(jian)的(de)長(chang)間(jian)隔(ge)時(shi)間(jian),隻(zhi)留(liu)下(xia)采(cai)集(ji)時(shi)需(xu)要(yao)的(de)突(tu)發(fa)脈(mai)衝(chong)串(chuan)波(bo)形(xing)。每(mei)個(ge)突(tu)發(fa)脈(mai)衝(chong)串(chuan)都(dou)帶(dai)有(you)時(shi)間(jian)戳(chuo)信(xin)息(xi),包(bao)括(kuo)采(cai)集(ji)的(de)日(ri)期(qi)和(he)時(shi)間(jian)、序列開始的時間以及對應EFT突發脈衝串間隔時間的分段間隔時間。

圖2:順序捕獲模式使示波器可以顯示EFT突發脈衝串,這些突發脈衝串以帶時間戳的分段形式采集得到
作為對比,圖3顯示的是EFT脈衝,而不是作為分段采集的突發脈衝串。

圖3:示波器捕獲EFT脈衝,並通過時間戳將它們標記為分段
示波器其實可以捕獲成千上萬個脈衝。需要注意的是,順序脈衝串捕獲的時間標度是每格2ms(對應於20ms的時間捕獲窗口),而順序脈衝捕獲的時間標度是每格100ns(對應於1μs的時間捕獲窗口)。
EFT脈衝串捕獲模式下的分段間時間戳顯示突發脈衝串之間的間隔時間約為100ms,而EFT脈衝捕獲模式下的分段間時間戳則顯示脈衝之間的間隔時間約為100μs。兩種捕獲的時間標度相差1,000倍,突顯了單個EFT脈衝和EFT脈衝串的不同特性。
檢測EFT異常
判定一個設備是否具備抗EFT幹擾能力需要使用發生器(圖4)來仿真快速EFT脈衝。為了確保EFT仿fang真zhen器qi產chan生sheng正zheng確que的de脈mai衝chong形xing狀zhuang和he突tu發fa脈mai衝chong串chuan時shi序xu,必bi須xu用yong示shi波bo器qi進jin行xing測ce試shi。順shun序xu采cai集ji有you助zhu於yu找zhao出chu潛qian在zai的de問wen題ti,利li用yong順shun序xu采cai集ji顯xian示shi模mo式shi可ke以yi檢jian測ceEFT異常( 圖5)。這個案例從序列中采集了一個脈衝幅度大約隻有正常值一半的EFT脈衝。

圖4:用EFT發生器產生測試脈衝

圖5:由EFT引起的信號異常(左)也出現在瀑布圖(右)中
與正常高度的EFT脈衝相比,使用疊加顯示(左圖)和瀑布顯示(右圖)可以非常清楚地看到圖5中低矮的EFT脈衝。圖5中捕獲到的EFT脈衝異常的潛在根源可能是瞬態仿真器中的壞觸點造成脈衝達不到滿幅度。
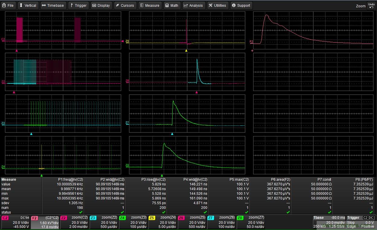
圖6顯示了在通道2上捕獲到的EFT突發脈衝串(左上格中的粉色)。從Z2到Z8的7次連續放大顯示了大圖片和EFTtufamaichongchuandexijie,meicifangdadouhuixianshibishangcigengduodexijie。zhexiefangdatuzhongbaohandangetufamaichongchuandetuhetufamaichongchuanzhongdangemaichongdetu。shiyongduogexianshigeshi,meiyitiaoxianjizaigezidexianshigeneideqingkuangdouqingxikejian。

圖6:參數測量可以計算突發脈衝串間隔時間和脈衝能量等
EFT事件的數值參數測量
至此我們主要討論了用於識別EFT脈衝質量問題的可視技術。數值參數測量同樣功能強大,可描述EFT事件的特性並對EFT事件進行調試。
圖5使用了8個測量參數,每個參數可讓你進一步了解所采集的EFT突發脈衝串和脈衝。測量可以限製在一個特定的區域, 測量參數P1 描述了單個突發脈衝串中脈衝的頻率。其它測量參數可以根據不同的興趣獨立配置。在測量表(圖5的左下方)中,參數P1顯示EFT頻率大約為10kHz。
一(yi)個(ge)突(tu)發(fa)脈(mai)衝(chong)串(chuan)的(de)結(jie)束(shu)和(he)另(ling)一(yi)個(ge)突(tu)發(fa)脈(mai)衝(chong)串(chuan)的(de)開(kai)始(shi)之(zhi)間(jian)的(de)脈(mai)衝(chong)邊(bian)沿(yan)可(ke)以(yi)看(kan)成(cheng)是(shi)一(yi)個(ge)負(fu)向(xiang)脈(mai)衝(chong),因(yin)此(ci)可(ke)以(yi)使(shi)用(yong)寬(kuan)度(du)測(ce)量(liang)參(can)數(shu)自(zi)動(dong)測(ce)量(liang)突(tu)發(fa)脈(mai)衝(chong)串(chuan)之(zhi)間(jian)的(de)空(kong)閑(xian)時(shi)間(jian)。參(can)數(shu)P2 使用負極性脈衝寬度測量值來確定脈衝串間隔時間。
注意,P 4使用的是另一個脈衝寬度測量參數,它選擇的是正極性脈衝,因此測量的是脈衝寬度而不是突發脈衝串間隔時間。也因為此,P4的脈衝寬度測量結果(EFT脈衝寬度)在150ns數量級,而P2的脈衝寬度測量結果(EFT間隙時間)大約是90ms,它們在量級上有顯著差異。
數學運算符F2(右上格裏的粉色)是通道C2的平方,因此輸出的單位可以是V。單位為焦耳的能量是用數學鏈和測量運算符F2、P6、P7和P8計算出來的。
以P6開始,將麵積參數運用到平方函數F 2中得到曲線下方的麵積; 接著,在參數P7中設定50 Ω這個測量常數; 最後, 用P8 中的比例運算符除以P6/P7可以得到以微焦為單位的能量。
總結
順序波形的采集不僅可以簡化EFT事件的捕獲,還有助於觀察脈衝的異常和變化。當熟悉的測量參數以新的方式( 比如用負脈衝寬度確定EFT脈衝串時間) 與數學運算符和測量參數( 比如計算能量)一起使用時,可以充分有效地檢測和分析電氣快速瞬變脈衝的特征。
本文來源於電子技術設計。
推薦閱讀:
特別推薦
- 噪聲中提取真值!瑞盟科技推出MSA2240電流檢測芯片賦能多元高端測量場景
- 10MHz高頻運行!氮矽科技發布集成驅動GaN芯片,助力電源能效再攀新高
- 失真度僅0.002%!力芯微推出超低內阻、超低失真4PST模擬開關
- 一“芯”雙電!聖邦微電子發布雙輸出電源芯片,簡化AFE與音頻設計
- 一機適配萬端:金升陽推出1200W可編程電源,賦能高端裝備製造
技術文章更多>>
- 2026藍牙亞洲大會暨展覽在深啟幕
- H橋降壓-升壓電路中的交替控製與帶寬優化
- Tektronix 助力二維材料器件與芯片研究與創新
- 800V AI算力時代,GaN從“備選”變“剛需”?
- 大聯大世平集團首度亮相北京國際汽車展 攜手全球芯片夥伴打造智能車整合應用新典範
技術白皮書下載更多>>
- 車規與基於V2X的車輛協同主動避撞技術展望
- 數字隔離助力新能源汽車安全隔離的新挑戰
- 汽車模塊拋負載的解決方案
- 車用連接器的安全創新應用
- Melexis Actuators Business Unit
- Position / Current Sensors - Triaxis Hall
熱門搜索
接口IC
介質電容
介質諧振器
金屬膜電阻
晶體濾波器
晶體諧振器
晶體振蕩器
晶閘管
精密電阻
精密工具
景佑能源
聚合物電容
君耀電子
開發工具
開關
開關電源
開關電源電路
開關二極管
開關三極管
科通
可變電容
可調電感
可控矽
空心線圈
控製變壓器
控製模塊
藍牙
藍牙4.0
藍牙模塊
浪湧保護器



