電路分享:用微處理器如何設計洗碗機電路
發布時間:2016-12-22 責任編輯:sherry
自從人類1947年發明晶體管以來,50多年間半導體技術經曆了矽晶體管、集成電路、超大規模集成電路、甚大規模集成電路等幾代,發展速度之快是其他產業所沒有的。半導體技術對整個社會產生了廣泛的影響,因此被稱為“產業的種子”。中zhong央yang處chu理li器qi是shi指zhi計ji算suan機ji內nei部bu對dui數shu據ju進jin行xing處chu理li並bing對dui處chu理li過guo程cheng進jin行xing控kong製zhi的de部bu件jian,伴ban隨sui著zhe大da規gui模mo集ji成cheng電dian路lu技ji術shu的de迅xun速su發fa展zhan,芯xin片pian集ji成cheng密mi度du越yue來lai越yue高gao,CPU可以集成在一個半導體芯片上,這種具有中央處理器功能的大規模集成電路器件,被統稱為“微處理器”。需要注意的是:微處理器本身並不等於微型計算機,僅僅是微型計算機的中央處理器。
微處理器已經無處不在,無論是錄像機、智能洗衣機、移動電話等家電產品,還是汽車引擎控製,以及數控機床、導彈精確製導等都要嵌入各類不同的微處理器,而本文介紹的是一款采用微處理器控製方式的洗碗機。其使用電壓220V。清洗泵電機功率120W,排水泵電機功率60W,發熱器功率800W。采用噴臂噴射洗滌,設預洗、清洗、中洗、強洗四種洗法;洗滌時間為清洗檔20—25min,中洗、強洗檔35~70min;利用餘熱幹燥餐具。
電路原理:
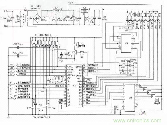
(1)220V市電電源加至電源變壓器T的初級,降壓後由次級輸出16V交流電壓。該電壓經整流器VD1—VD4橋式整流、電容C1和C2濾波後,產生直流電壓,再經三端穩壓集成電路IC4穩壓,產生12V直流電壓,供功率驅動集成電路IC2及控製繼電器K1~ K5用電。同時,該直流電壓再經三端穩壓集成電路IC5穩壓,產生5V直流電壓,作為微處理器IC1、IC3及蜂鳴器HA的工作電源。
在輸入電源兩端並聯高頻濾波電容C和壓敏電阻RV。高頻濾波電容C能濾除交流電網雜波信號,防止幹擾微處理器工作;壓敏電阻RV能防止過電壓和雷電竄入電路,起過壓保護作用。

(2)微處理器IC1⑥腳為5v電源輸入端,23腳為接地端。由IC1①腳及其外接65℃溫度開關ST2,②腳及其外接55℃溫度開關ST1以及電阻Rl和R2、電容C10和C11等元件組成水溫控製開關電路,用來控製水的溫度。由IC1③、④腳與7~12腳及其外接水位開關SL、門控開關SQ、水位檢測開關S4、“啟動/暫停”鍵S1、“程序選擇”鍵“S2、加熱選擇”鍵S3、冷檔選擇開關S5、熱檔選擇開關S6以及電阻R3—Rl0、電容C12~C19等元件共同組成程序功能開關電路,用於程序功能選擇。
(3)由ICl@腳及其外接電阻Rll、三極管VT、蜂鳴器HA等元件共同組成蜂鳴器控製電路。當洗碗機排水後,ICl@腳輸出脈衝信號,經三極管VT放大,驅動蜂鳴器HA發出嗚叫聲,提示洗碗機洗滌結束。由IC124腳及其外接電阻R13、電容C22~C24及二極管VD5等元件共同組成複位電路,每次通電開機時,對ICl@腳的內電路進行清零。
(4)由IC1(18)~22腳、26~28腳及其外接55℃指示燈、電源指示燈、強洗指示燈、65℃指示燈、中洗指示燈、清洗指示燈、加熱指示燈、預洗指示燈等元件共同組成功能顯示控製電路,用於程序功能顯示。其中,指示燈LED6~LED9 分別受IC3⑧、11、③、⑥腳輸出信號控製。IC1(13)~(17)腳分別是加熱、停止、進水、排水、清洗功能輸出端,對應與功率驅動集成電路 IC2④、⑤、①~③腳輸入端連接。IC2的12~16腳分別外接控製繼電器K1~K5,其吸合與斷開受IC1輸出信號控製,使相應繼電器的常開觸點動作,實現進水、清洗、加熱、排水、停止等功能。
編者結語:
洗碗機是自動清洗碗、筷、盤、碟、刀、叉等餐具的設備。目前在市麵上的全自動洗碗機可以分為家用和商用兩類,家用全自動洗碗機隻適用於家庭,主要有櫃式、台式及水槽一體式。 商用洗碗機按結構可分為箱式和傳送式兩大類,為餐廳、賓館、jiguandanweishitangdechuishirenyuanjianqinglelaodongqiangdu,tigaolegongzuoxiaolv,zengjinqingjieweisheng。erbianzherenweibenwenjieshaodecikuanxiwanjijiaoshihejiayong,juyouxiaoqiaoqingbian,jieshengkongjian,caozuojiandan、方便的特點。
- 噪聲中提取真值!瑞盟科技推出MSA2240電流檢測芯片賦能多元高端測量場景
- 10MHz高頻運行!氮矽科技發布集成驅動GaN芯片,助力電源能效再攀新高
- 失真度僅0.002%!力芯微推出超低內阻、超低失真4PST模擬開關
- 一“芯”雙電!聖邦微電子發布雙輸出電源芯片,簡化AFE與音頻設計
- 一機適配萬端:金升陽推出1200W可編程電源,賦能高端裝備製造
- 三星上演罕見對峙:工會集會討薪,股東隔街抗議
- 摩爾線程實現DeepSeek-V4“Day-0”支持,國產GPU適配再提速
- 築牢安全防線:智能駕駛邁向規模化應用的關鍵挑戰與破局之道
- GPT-Image 2:99%文字準確率,AI生圖告別“鬼畫符”
- 機器人馬拉鬆的勝負手:藏在主板角落裏的“時鍾戰爭”
- 車規與基於V2X的車輛協同主動避撞技術展望
- 數字隔離助力新能源汽車安全隔離的新挑戰
- 汽車模塊拋負載的解決方案
- 車用連接器的安全創新應用
- Melexis Actuators Business Unit
- Position / Current Sensors - Triaxis Hall

