以555定時器為核心,設計高精度電容測試儀
發布時間:2016-10-10 責任編輯:susan
【導讀】隨sui著zhe電dian子zi工gong業ye的de發fa展zhan,電dian子zi元yuan器qi件jian急ji劇ju增zeng加jia,電dian子zi元yuan器qi件jian的de適shi用yong範fan圍wei也ye逐zhu漸jian廣guang泛fan起qi來lai,在zai應ying用yong中zhong我wo們men常chang常chang要yao測ce定ding電dian容rong的de大da小xiao。因yin此ci,一yi種zhong簡jian單dan、實用的電容測試工具在實際中具有一定的實用價值。
一般元件參數的數字化測量是把被測參數轉換成頻率後再進行測量,本設計采用555為核心的振蕩電路,將被測電容值轉化為頻率,並利用AT89S51處理器測量出頻率,再通過該頻率值計算出電容參數值。
1.係統的原理框圖
係統主要采用了555定時器構成的RC振蕩電路和單片機技術。設計思路:被測電容C通過RC振蕩轉換成頻率信號f,送入單片機測頻,對該頻率進行運算處理求出被測電容的值,並送顯示器顯示。係統框圖如圖1所示,其主要由測量電路和控製電路兩部分組成。當接入被測電容後,由555定時器構成RC振蕩器產生方波信號,把此信號通過接口傳到AT89C51單片機I/O口上,對此方波信號進行測頻,通過軟件編程,計算出得到被測電容值,由LCD1602液晶顯示。

圖1.係統框圖
2.硬件設計
2.1 555振蕩電路的設計
由555芯片構成的多諧振蕩電路如圖2,CX為被測電容,接通電源後,CX被充電,A點電壓UA上升。當UA上升到時,觸發器被複位,同時555芯片內部放電三極管導通,此時U0為低電平。CX通過R2和放電三極管放電,使UA下降。當UA下降到時,觸發器又被置位,U0翻轉為高電平。CX放電所需的時間為:

由上式可知,當電路設計完成後,振蕩器輸出f隨CX的變化而改變。改變R1、R2的值即可改變係統量程。係統量程分為四檔:(1)R1+2R2=470KΩ時,測1.0nF-10.0nF的電容值。(2)R1+2R2=47KΩ時,測10.0nF~100.0nF的電容(3)R1+2R2=4.7KΩ時,測100.0nF~1000.0nF的電容。(4)R1+2R2=470Ω時,測1.0μF~10.0μF的電容。圖3為R1+2R2=470KΩ時,測量電容為2μF振蕩輸出輸出波形。

圖3.振蕩電路輸出的頻率信號
2.2 信號處理及顯示電路
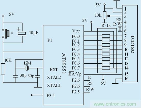
信號處理電路部分采用單片機AT89S51作為係統的主控製器。AT89S51單片機的最小係統由時鍾電路、複位電路、外加電源及單片機構成,其硬件電路如圖4所示。555振蕩電路輸出的是脈衝波,接到AT89S51處理器的輸入引腳P3.5,通過AT89S51內部定時/計時器T0、T1及相應的程序設計,構成一個數字式頻率測量係統,測出頻率後按(5)式運算處理後得到被測電容值。

圖4.單片機控製顯示模塊
顯示模塊LCD1602液晶第1、2腳接驅動電源;第三腳VL為液晶的對比度調節,通過在VCC和GND之間接一個10K多圈可調電阻,中間抽頭接VL,可實現液晶對比度的調節;液晶的控製線RS、R/W、E分別接單片機的P2.5、P2.6、P2.7;D0~D7為LCD1602液晶模塊的8位雙向數據口,分別與STC89C52RC單片機的P1.0~P1.7相連,用於傳輸數據。接在單片機的P0口;BL+、BL-為液晶背光電源。
3.係統軟件設計

圖5.主程序流程圖
係統軟件環境以Keil4.0為仿真平台,使用C語言編程編寫了運行程序;包括主程序模塊、顯示模塊和電容測試模塊。軟件設計主要包括三個方麵:一是初始化係統;二是按鍵檢測;三是數據采集、數據處理並進行顯示。程序采用模塊化的結構,這樣便於調試和修改,易編程和易讀性好,也程序結構清楚。係統程序流程如圖6所示,首先對P3.5口脈衝信號頻率的測量,再通過(5)式算出所測的電容值,由LCD1602顯示出來。
4.係統的測試

表1.電容測試數據
5.結束語
設計的電容測試儀硬件采用555定時器作為信號采集模塊、AT89S51單片機作為信號處理器模塊,軟件采用Keil4.0為仿真平台,使用C語言編程編寫了運行程序。其具有性能穩定、精度高、操作簡單、功耗低等優點。經測試表明:其可以測試1.0nF-10.0uF範圍的電容,誤差小於0.5%。誤差產生主要原因與電路元件參數、測試環境、測試方法等因素有關。
特別推薦
- 噪聲中提取真值!瑞盟科技推出MSA2240電流檢測芯片賦能多元高端測量場景
- 10MHz高頻運行!氮矽科技發布集成驅動GaN芯片,助力電源能效再攀新高
- 失真度僅0.002%!力芯微推出超低內阻、超低失真4PST模擬開關
- 一“芯”雙電!聖邦微電子發布雙輸出電源芯片,簡化AFE與音頻設計
- 一機適配萬端:金升陽推出1200W可編程電源,賦能高端裝備製造
技術文章更多>>
- 三星上演罕見對峙:工會集會討薪,股東隔街抗議
- 摩爾線程實現DeepSeek-V4“Day-0”支持,國產GPU適配再提速
- 築牢安全防線:智能駕駛邁向規模化應用的關鍵挑戰與破局之道
- GPT-Image 2:99%文字準確率,AI生圖告別“鬼畫符”
- 機器人馬拉鬆的勝負手:藏在主板角落裏的“時鍾戰爭”
技術白皮書下載更多>>
- 車規與基於V2X的車輛協同主動避撞技術展望
- 數字隔離助力新能源汽車安全隔離的新挑戰
- 汽車模塊拋負載的解決方案
- 車用連接器的安全創新應用
- Melexis Actuators Business Unit
- Position / Current Sensors - Triaxis Hall
熱門搜索
NFC
NFC芯片
NOR
ntc熱敏電阻
OGS
OLED
OLED麵板
OmniVision
Omron
OnSemi
PI
PLC
Premier Farnell
Recom
RF
RF/微波IC
RFID
rfid
RF連接器
RF模塊
RS
Rubycon
SATA連接器
SD連接器
SII
SIM卡連接器
SMT設備
SMU
SOC
SPANSION

