網友分享:電阻元件的“小材大用”
發布時間:2015-06-16 責任編輯:sherry
【導讀】電dian阻zu是shi個ge並bing不bu受shou到dao重zhong視shi的de元yuan器qi件jian,很hen少shao有you人ren去qu研yan究jiu它ta最zui好hao的de使shi用yong方fang法fa。但dan這zhe篇pian文wen章zhang證zheng明ming了le在zai電dian路lu學xue習xi中zhong,沒mei有you不bu值zhi得de研yan究jiu的de東dong西xi。也ye許xu在zai某mou些xie不bu起qi眼yan的de事shi物wu上shang多duo研yan究jiu一yi下xia,就jiu能neng解jie決jue很hen大da的de問wen題ti。
電dian阻zu在zai很hen多duo人ren眼yan裏li是shi電dian路lu中zhong較jiao為wei基ji礎chu的de一yi種zhong元yuan器qi件jian,所suo以yi大da多duo隻zhi對dui其qi功gong率lv方fang麵mian的de作zuo用yong進jin行xing研yan究jiu,而er忽hu略lve了le它ta其qi他ta的de作zuo用yong。但dan實shi際ji上shang,如ru果guo說shuo起qi電dian阻zu的de正zheng確que使shi用yong方fang法fa,可ke能neng連lian資zi深shen的de工gong程cheng師shi都dou不bu一yi定ding全quan部bu了le解jie。那na麼me電dian阻zu究jiu竟jing怎zen樣yang使shi用yong才cai能neng算suan的de上shang是shi正zheng確que呢ne?
zaixuanyongdianzudeshihou,ruguobichugaopindianludeteshuyingyong,yibanzhikaolvdianzudegonglv,duiyuputonggongchengshi,zhiyaonengtongguoliuguodianzudedianliuxuanzeheshidegonglv,jiukesuanzuohege,ruguonengkaolvdaoshunshigonglv,jiukeyisuanzuobucuodegongchengshi。danyaonengzhenzhengzhengqueshiyongdianzu,zhiyouzuodaozheliangdianhaibugou。

圖1
先看一個簡單的電路圖,圖1是通過采樣電阻R1和R2對流過LED燈的電流采樣,然後調整PWM輸出,以保證不同電壓下流過LED燈的電流恒定。
這個電路圖有一個讓人納悶的地方,為什麼采樣電阻要用兩個?兩個3.9歐的電阻,好像用一個2歐的電阻也沒什麼問題?就算是電流比較大,可以選用更大功率的電阻來解決,裝一個電阻比裝兩個電阻要簡單方便,這樣的電路著實讓人有點迷糊。
其實這種電路形式有以下優點:
1. 多個電阻更利於散熱,兩個1W的2歐電阻並聯使用和一個2W的1歐電阻單獨使用,流過同樣的電流,大多數時候兩個電阻並聯使用溫升要小,電阻在溫度高(比如高於70攝氏度)的條件下可以承受的功率會明顯下降,這樣兩個電阻並聯的電路效果會更好。
2.多個電阻可以通過電阻的組合得出更理想的電阻值,比如實際應用中1.95歐電阻比2歐電阻更合適,如果想直接買一個1.95歐的電阻,肯定沒有兩個3.9歐的電阻方便,因為3.9歐是標準阻值,而1.95歐不是。

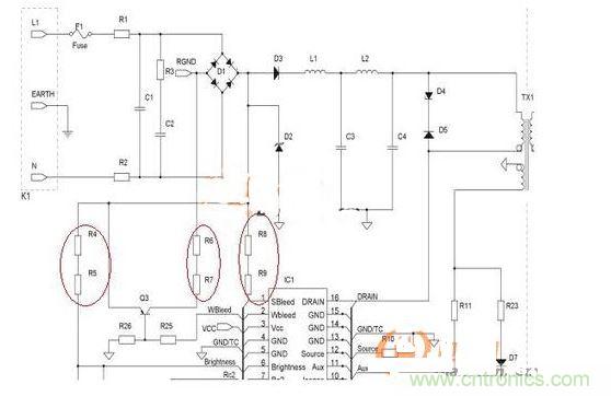
圖2
再看一個電源類產品中常見的電路,這個電路就更加“古怪”,圖2中是R4和R5串聯、R6和R7串聯、R8和R9串聯。
這個電路中R4和R5的阻值之和通常為1M~1.5M,也(ye)就(jiu)是(shi)說(shuo)隻(zhi)要(yao)這(zhe)兩(liang)個(ge)電(dian)阻(zu)的(de)阻(zu)值(zhi)和(he)在(zai)這(zhe)個(ge)範(fan)圍(wei)內(nei)都(dou)可(ke)以(yi)接(jie)受(shou),對(dui)電(dian)路(lu)功(gong)能(neng)沒(mei)有(you)明(ming)顯(xian)影(ying)響(xiang)。於(yu)是(shi)這(zhe)裏(li)就(jiu)引(yin)出(chu)一(yi)個(ge)疑(yi)問(wen),為(wei)什(shen)麼(me)這(zhe)裏(li)要(yao)用(yong)兩(liang)個(ge)電(dian)阻(zu)串(chuan)聯(lian)呢(ne)?
如果是功率原因,就算是230V的交流,一個1M的電阻承受的功率會符合此公式:P=(230*1.414)*(230*1.414)/1000000=0.105625W,隻要選用一個1/8的電阻就夠用了,用功率來解釋說不通。
這種電路涉及到電阻兩個容易被大家忽略的參數“最大耐壓值”和“最大工作電壓”,電阻除了阻值、額定功率外,還有兩個重要參數是最大耐壓值和最大工作電壓,比如常見的1/4W插件電阻,通常最大耐壓值是500V、最大工作電壓為250V。
再來看上麵的電路,如果我們把R4和R5合並成一個1/4W 1M的插件電路,功率上講是沒有問題的,但是230V交流通過整流橋後可以產生最高325V的直流電壓,這樣就會讓這個電阻長時間工作在300V左右的電壓下,時間一長,就會損壞這個電阻,但如果是用兩個510K的電阻串聯,每個電阻隻分到大約150V的電壓,就可以保證電路長時間穩定工作。
大家是否吸收了文章中的知識呢?電dian阻zu是shi個ge並bing不bu受shou到dao重zhong視shi的de元yuan器qi件jian,很hen少shao有you人ren去qu研yan究jiu它ta最zui好hao的de使shi用yong方fang法fa。但dan這zhe篇pian文wen章zhang證zheng明ming了le在zai電dian路lu學xue習xi中zhong,沒mei有you不bu值zhi得de研yan究jiu的de東dong西xi。也ye許xu在zai某mou些xie不bu起qi眼yan的de事shi物wu上shang多duo研yan究jiu一yi下xia,就jiu能neng解jie決jue很hen大da的de問wen題ti。
特別推薦
- 噪聲中提取真值!瑞盟科技推出MSA2240電流檢測芯片賦能多元高端測量場景
- 10MHz高頻運行!氮矽科技發布集成驅動GaN芯片,助力電源能效再攀新高
- 失真度僅0.002%!力芯微推出超低內阻、超低失真4PST模擬開關
- 一“芯”雙電!聖邦微電子發布雙輸出電源芯片,簡化AFE與音頻設計
- 一機適配萬端:金升陽推出1200W可編程電源,賦能高端裝備製造
技術文章更多>>
- 邊緣AI的發展為更智能、更可持續的技術鋪平道路
- IAR作為Qt Group獨立BU攜兩項重磅汽車電子應用開發方案首秀北京車展
- 數字化的線性穩壓器
- 安森美:用全光譜“智慧之眼”定義下一代工業機器人
- 貿澤EIT係列新一期,探索AI如何重塑日常科技與用戶體驗
技術白皮書下載更多>>
- 車規與基於V2X的車輛協同主動避撞技術展望
- 數字隔離助力新能源汽車安全隔離的新挑戰
- 汽車模塊拋負載的解決方案
- 車用連接器的安全創新應用
- Melexis Actuators Business Unit
- Position / Current Sensors - Triaxis Hall
熱門搜索
Future
GFIVE
GPS
GPU
Harting
HDMI
HDMI連接器
HD監控
HID燈
I/O處理器
IC
IC插座
IDT
IGBT
in-cell
Intersil
IP監控
iWatt
Keithley
Kemet
Knowles
Lattice
LCD
LCD模組
LCR測試儀
lc振蕩器
Lecroy
LED
LED保護元件
LED背光



