網友分享:通透FM解調器不費事
發布時間:2015-02-01 責任編輯:sherryyu
【導讀】本文給大家帶來的是關於FM解調器的相關知識點,主要以電路的形式讓大家了解FM解調器的工作原理,相信經過本文的講解,你通透了解FM解調器真的不費事!
電路原理:
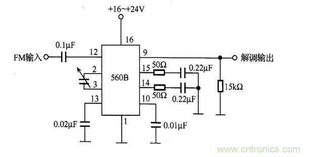
如圖所示,是FM解調器實例,它采用560B把FM中心頻率(10.7MHz)變換為低音頻信號。560B片內有相位比較器、放大器以及壓控振蕩器。壓控振蕩器與輸入信號同步時,利用其控製電壓與輸入信號頻率成比例變化的特性進行FM解調。偏離10.7MHz中心頻率的最大頻率偏離75kHz 時,對應的FM波的低頻輸出電壓的峰-峰值為0.21V。
如圖所示,是FM解調器實例,它采用560B把FM中心頻率(10.7MHz)變換為低音頻信號。560B片內有相位比較器、放大器以及壓控振蕩器。壓控振蕩器與輸入信號同步時,利用其控製電壓與輸入信號頻率成比例變化的特性進行FM解調。偏離10.7MHz中心頻率的最大頻率偏離75kHz 時,對應的FM波的低頻輸出電壓的峰-峰值為0.21V。

特別推薦
- 噪聲中提取真值!瑞盟科技推出MSA2240電流檢測芯片賦能多元高端測量場景
- 10MHz高頻運行!氮矽科技發布集成驅動GaN芯片,助力電源能效再攀新高
- 失真度僅0.002%!力芯微推出超低內阻、超低失真4PST模擬開關
- 一“芯”雙電!聖邦微電子發布雙輸出電源芯片,簡化AFE與音頻設計
- 一機適配萬端:金升陽推出1200W可編程電源,賦能高端裝備製造
技術文章更多>>
- 三星上演罕見對峙:工會集會討薪,股東隔街抗議
- 摩爾線程實現DeepSeek-V4“Day-0”支持,國產GPU適配再提速
- 築牢安全防線:智能駕駛邁向規模化應用的關鍵挑戰與破局之道
- GPT-Image 2:99%文字準確率,AI生圖告別“鬼畫符”
- 機器人馬拉鬆的勝負手:藏在主板角落裏的“時鍾戰爭”
技術白皮書下載更多>>
- 車規與基於V2X的車輛協同主動避撞技術展望
- 數字隔離助力新能源汽車安全隔離的新挑戰
- 汽車模塊拋負載的解決方案
- 車用連接器的安全創新應用
- Melexis Actuators Business Unit
- Position / Current Sensors - Triaxis Hall
熱門搜索
鑒頻器
江蘇商絡
交流電機
腳踏開關
接觸器接線
接近開關
接口IC
介質電容
介質諧振器
金屬膜電阻
晶體濾波器
晶體諧振器
晶體振蕩器
晶閘管
精密電阻
精密工具
景佑能源
聚合物電容
君耀電子
開發工具
開關
開關電源
開關電源電路
開關二極管
開關三極管
科通
可變電容
可調電感
可控矽
空心線圈

