專家解析:中規模集成電路功能測試儀的設計
發布時間:2014-10-14 責任編輯:echolady
【導讀】隨著集成電路的逐漸開發,集成電路測試儀從最開始的小規模集成電路逐漸發展到中規模、大規模甚至超大規模集成電路。集成電路測試儀分為三大類別:模擬與混合信號電路測試儀、數字集成電路測試儀、驗證係統、在線測試係統、存儲器測試儀等。目前,智能、簡單快捷、低成本的集成電路測試儀是市場上的熱門。
在高等學校的電子實驗教學中,經常要用到如模數轉換器(ADC)、數模轉換器(DAC)、555集成定時電路、3524kaiguandianyuankongzhiqidengzhongguimojichengdianlu。youyuxueshengtongchangshichucijiechushiyongxinpian,jingchanghuiyouyucaozuobudangzaochengdianluxinpiandesunshanghuosunhuai,erbiaomianshangquewufazuochuzhengquedepanduan。zaizhezhongqingkuangxia,feichangxuyaoyoushidangdejichengdianludeceshiyi,yongyuceshi、判(pan)斷(duan)芯(xin)片(pian)的(de)好(hao)壞(huai)。而(er)市(shi)麵(mian)上(shang)又(you)沒(mei)有(you)合(he)適(shi)的(de)測(ce)試(shi)儀(yi)可(ke)供(gong)選(xuan)購(gou)。因(yin)此(ci),本(ben)文(wen)設(she)計(ji)製(zhi)作(zuo)了(le)可(ke)用(yong)於(yu)一(yi)些(xie)特(te)定(ding)的(de)中(zhong)規(gui)模(mo)電(dian)路(lu)的(de)測(ce)試(shi)儀(yi)。根(gen)據(ju)具(ju)體(ti)的(de)需(xu)要(yao)選(xuan)取(qu)了(le)ADC0809、DAC0832、LM555、WC3524等幾種芯片作為測試對象,並設計了相應的專門測試儀。
測試儀結構
測試儀的結構示意框圖如圖1所示。該測試儀器的控製器采用了Atmel公司的八位單片機89C55,用於完成界麵管理和自動檢測控製功能。其中采用了Maxim公司的MAX197高精度的A/D轉換器來完成模擬信號的測試。下麵分別介紹各類器件的測試原理和方法。

圖1:測試儀結構框圖
一、測試原理和測試電路
測試一個器件的功能或特性參數,通常采取該器件的典型應用電路,把功能體現出來,把參數值直接或間接地反映出來。
1、LM555定時電路的測試
集成定時電路LM555的應用非常廣,其測試電路如圖2所示。這是一個典型的定時電路接法,用於測試內部的2個比較器和RS觸發器是否正常,同時可以測試控製電壓是否正常。

圖2:LM555的測試電路
2、模數轉換器ADC0809的測試
模數轉換器ADC0809的測試電路圖如圖3所示。根據測試電路,ADC0809的8個通道輸入同樣的模擬量,該模擬量同樣也輸送給MAX197。控製器選擇ADC0809的1個模擬通道,並發出啟動轉換信號,使ADC0809開始轉換,然後控製MAX197也(ye)開(kai)始(shi)轉(zhuan)換(huan)。等(deng)待(dai)轉(zhuan)換(huan)結(jie)束(shu),分(fen)別(bie)讀(du)取(qu)兩(liang)者(zhe)的(de)轉(zhuan)換(huan)結(jie)果(guo),並(bing)進(jin)行(xing)數(shu)值(zhi)比(bi)較(jiao),根(gen)據(ju)誤(wu)差(cha)限(xian)確(que)定(ding)器(qi)件(jian)功(gong)能(neng)是(shi)否(fou)正(zheng)常(chang)。改(gai)變(bian)通(tong)道(dao)繼(ji)續(xu)測(ce)試(shi),直(zhi)到(dao)8個通道測試完畢,顯示其結果。

圖3:ADC0809測試電路
[page]
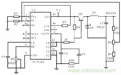
3、SG3524的測試
SG3524內部方框圖如圖4所示。輸入直流電源UIN從15腳進入後分2路:一路作為放大器、比較器、振蕩器以及邏輯電路和控製電路的電源;另一路作為基準電壓源,產生+5 V基準電壓輸出到16引腳,作為外部電壓基準。在振蕩器部分的引腳7和引腳6上外接定時電容CT和定時電阻RT,得到所需的振蕩頻率。SG3524測試原理圖如圖5suoshi,lianjiechengyigedianxingdejiangyaxingkaiguandianyuandianlu,liyongwuchafangdaqigouchengdianyafufankui。tongguogaibianquyangbilixishujiukeyigaibianshuchudianya,danpianjitongguocequyinjiao3上的脈衝頻率,通過MAX197測取輸出端的電壓,即可判斷SG3524芯片的好壞。測試中暫時沒有考慮過流保護功能的測試。

圖4:SG3524內部方框圖

圖5:SG3524測試原理圖
4、DAC0832的測試
D/A轉換器DAC0832是8位二進製數模轉換器,8個數字量輸入端分別為DI7~DI0,其中DI7為MSB,DI0為LSB。它的模擬量輸出端為電流輸出IOUT1和IOUT2,當輸入的數字量最大時,IOUT1端輸出的電流最大;當輸入的數字量為零時,輸出電流最小。IOUT2端的電流輸出情況正好相反。這兩個端子可以和外部的運算放大器相接實現電流/電壓的變換。此芯片內部還有1個反饋電阻,可以作為外部運算放大器的反饋電阻,DAC0832 測試原理圖如圖6所示。芯片內有兩級輸入寄存器,使之具備雙緩衝、單緩衝和直通3種輸入方式,以適於各種電路的需要,例如要求多路D/A異步輸入、同步轉換等。
t
圖6:DAC0832測試原理圖
二、操作和軟件結構
測試儀的基本工作流程是:接通電源後,電源指示燈亮,表明電源工作正常,顯示器顯示等待測試信息,表明可以開始測試操作。由按鍵1選擇所要測試的芯片,顯示光標停留的芯片型號表示是當前待測芯片。每按1次選擇鍵,光標指向下一個型號,不斷地按鍵可以循環選擇。當光標移到所要測試的芯片時,按下確定鍵2,接下來由單片機控製,開始自動測試該芯片,此時對應該芯片的指示燈亮;然後由外部電路或單片機給待測芯片一定的模擬或數字輸入量,經過每個芯片的測試電路後,通過MAX197進行處理(或直接送到單片機),與單片機中預存的標準值進行比較。如果測試值在標準值附近的一定範圍內,則芯片正常,測試指示燈常亮,液晶顯示器顯示OK;否則,芯片出錯,測試指示燈閃爍,液晶顯示器顯示BAD。此芯片測試完畢,按下複位鍵3,即回到初始狀態,可以進行下一輪測試。軟件流程圖如圖7所示。

圖7:軟件流程圖
結語:經過測試證明,該方案設計準確率達到90%以上,測試結果非常理想。
相關閱讀:
解析:基於運算放大器的性能測試儀的設計過程
技術控:教你接地電阻測試儀的測量方法
如何用一隻無緩衝CMOS六反相器做出測試儀器?
- 噪聲中提取真值!瑞盟科技推出MSA2240電流檢測芯片賦能多元高端測量場景
- 10MHz高頻運行!氮矽科技發布集成驅動GaN芯片,助力電源能效再攀新高
- 失真度僅0.002%!力芯微推出超低內阻、超低失真4PST模擬開關
- 一“芯”雙電!聖邦微電子發布雙輸出電源芯片,簡化AFE與音頻設計
- 一機適配萬端:金升陽推出1200W可編程電源,賦能高端裝備製造
- 築基AI4S:摩爾線程全功能GPU加速中國生命科學自主生態
- 一秒檢測,成本降至萬分之一,光引科技把幾十萬的台式光譜儀“搬”到了手腕上
- AI服務器電源機櫃Power Rack HVDC MW級測試方案
- 突破工藝邊界,奎芯科技LPDDR5X IP矽驗證通過,速率達9600Mbps
- 通過直接、準確、自動測量超低範圍的氯殘留來推動反滲透膜保護
- 車規與基於V2X的車輛協同主動避撞技術展望
- 數字隔離助力新能源汽車安全隔離的新挑戰
- 汽車模塊拋負載的解決方案
- 車用連接器的安全創新應用
- Melexis Actuators Business Unit
- Position / Current Sensors - Triaxis Hall





