半橋拓撲結構高端MOSFET驅動方案選擇:變壓器還是矽芯片?
發布時間:2010-03-16 來源:電子元件技術網
中心議題:
在節能環保意識的鞭策及世界各地最新能效規範的推動下,提高能效已經成為業界共識。與反激、正激、雙開關反激、雙開關正激和全橋等硬開關技術相比,雙電感加單電容(LLC)、有源鉗位反激、有源鉗位正激、非對稱半橋(AHB)及移相全橋等軟開關技術能提供更高的能效。因此,在注重高能效的應用中,軟開關技術越來越受設計人員青睞。
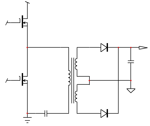
另一方麵,半橋配置最適合提供高能效/高功率密度的中低功率應用。半橋配置涉及兩種基本類型的MOSFET驅動器,即高端(High-Side)驅動器和低端(Low-Side)驅動器。高端表示MOSFET的源極能夠在地與高壓輸入端之間浮動,而低端表示MOSFET的源極始終接地,參見圖1。當高端開關從關閉轉向導通時,MOSFET源極電壓從地電平上升至高壓輸入端電平,這表示施加在MOSFET門極的電壓也必須隨之浮動上升。這要求某種形式的隔離或浮動門驅動電路。與之不同,低端MOSFET的源極始終接地,故門驅動電壓也能夠接地參考,這使驅動低端MOSFET的門極更加簡單。
圖1:LLC半橋拓撲結構電路圖。
所有軟開關拓撲結構都應用帶浮接參考引腳(如MOSFET源極引腳)的功率開關。在如圖1所示的LLC半橋拓撲結構中,高端MOSFETkaiguanlianjiezhigaoyashuruduan,bunenggoucaiyongzhudianyuankongzhiqilaiqudong,erxuyaolingxingxuandingqudongdianlu。zhequdongdianlushikongzhidianluyugonglvkaiguanzhijiandejiekou,jiangkongzhixinhaofangdazhiqudonggonglvkaiguanguansuoyaoqiudedianping,bingzaigonglvkaiguanguanyuluojidianpingkongzhidianluzhijianyouyaoqiushitigongdianqigeli。gaoduanMOSFET驅動方案常見的有兩種,一是基於變壓器的方案,二是基於矽集成電路(IC)驅動器的方案。本文將分別討論這兩種半橋拓撲結構高端MOSFET驅動方案的設計考慮因素,並從多個角度比較這兩種驅動方案,及提供安森美半導體的建議方案。
變壓器驅動方案
基於變壓器的高端MOSFET驅動方案在設計過程中涉及到一些重要的考慮因素。例如,由於是對地參考點浮動驅動,如果設計中存在400 V功率因數校正(PFC)電路,則要保持500 V隔離。此外,要將漏電感減至最小,否則輸出與輸入繞組之間的延遲可能會損壞功率MOSFET。要遵守法拉第定律,保持V*T乘(cheng)積(ji)恒(heng)定(ding),否(fou)則(ze)會(hui)飽(bao)和(he)。要(yao)保(bao)持(chi)足(zu)夠(gou)裕(yu)量(liang),防(fang)止(zhi)飽(bao)和(he),尤(you)其(qi)是(shi)在(zai)交(jiao)流(liu)高(gao)壓(ya)輸(shu)入(ru)和(he)瞬(shun)態(tai)負(fu)載(zai)的(de)情(qing)況(kuang)下(xia)。要(yao)使(shi)用(yong)高(gao)磁(ci)導(dao)率(lv)鐵(tie)芯(xin),從(cong)而(er)將(jiang)勵(li)磁(ci)電(dian)流(liu)(IM)降至最低。要保持高灌電流(sink current)能力,使開關速度加快。
基於變壓器的驅動方案包含兩種主要類型,分別是單驅動(DRV)輸入和雙驅動輸入,參見圖2a及圖2b。單驅動輸入方案中,需要增加交流耦合電容(CC)來複位驅動變壓器的磁通。這種方案中的門極-源極電壓(VGS)幅度取決於占空比;另外,穩態時-VC關閉,而在啟動時灌電流能力受限。這種方案需要快速的時間常數(LM//RGS * CC),防止由快速瞬態事件導致的磁通走漏(flux walking)。 另外,在設計過程中,也需要留意跳周期模式或欠壓鎖定(UVLO)時耦合電容與驅動變壓器之間的振鈴,需要使用二極管來抑製振鈴。
單驅動輸入包括帶直流恢複的單驅動輸入及帶PNP關閉的單驅動輸入。其中,帶直流恢複的單驅動輸入在穩態時VGS取決於占空比,但灌電流能力有限;後者則采用PNP晶體管+二極管的組合來幫助改善關閉(switching off)操作。此外,對單驅動輸入而言,還不能忽略與門。如果與門驅動能力有限,要增加圖騰柱(totem-pole)驅動器。
[page]
圖2b顯示的是雙極性對稱驅動輸入方案的電路圖。在這種方案中,兩個輸入(DRVA和DRVB)的極性相反,位置對稱,故不同於單驅動輸入方案,無需交流耦合電容。這種方案適合推挽型電路,如LLC-HB,但不適合非對稱電路,如非對稱半橋或有源鉗位。這種方案需要注意線路/負(fu)載(zai)瞬(shun)態(tai)時(shi)的(de)驅(qu)動(dong)變(bian)壓(ya)器(qi)磁(ci)通(tong),仍(reng)然(ran)需(xu)要(yao)強(qiang)大(da)的(de)關(guan)閉(bi)能(neng)力(li)。需(xu)要(yao)注(zhu)意(yi)由(you)泄(xie)漏(lou)電(dian)感(gan)導(dao)致(zhi)的(de)延(yan)遲(chi),將(jiang)泄(xie)漏(lou)電(dian)感(gan)減(jian)至(zhi)最(zui)小(xiao),並(bing)使(shi)用(yong)雙(shuang)輸(shu)出(chu)繞(rao)組(zu)而(er)非(fei)單(dan)輸(shu)出(chu)繞(rao)組(zu)。這(zhe)種(zhong)方(fang)案(an)的(de)另(ling)一(yi)項(xiang)不(bu)足(zu)是(shi)關(guan)閉(bi)電(dian)阻(zu)(Roff)壓降會導致額外的功率損耗。
圖2:單驅動輸入(a)與雙驅動輸入(b)變壓器驅動方案電路對比。
綜合來看,變壓器驅動方案有多項優勢,一是變壓器比裸片更強固,二是對雜散噪聲及高dV/dt脈衝較不敏感,當然,成本也可能更便宜。但其劣勢是電路複雜,需要注意極端線路/負載條件及關閉模式,且需注意泄漏電感及隔離,還要留意汲電流能力是否夠強。
矽芯片驅動方案
與變壓器驅動方案類似,矽集成電路驅動方案也包含單驅動輸入和雙驅動輸入這兩種類型,分別見圖3a及圖3b。不過,這些矽半橋驅動器既能用作高端MOSFET驅動器,也能用作低端MOSFET驅動器。矽芯片高端MOSFET驅動方案采用緊湊、高性能的封裝,在單顆芯片中集成了驅動高端MOSFETsuoxudedaduoshugongneng,zengjiashaoshujigewaibuyuanjianhoujiunengtigongkuaisudekaiguansudu,tigongshuansuoguanbigongneng,shuruzhilingyumenqudongshuchuzhijiandeyanchijidi,gonglvhaosanyejiaodi。

圖3:矽芯片驅動方案電路圖:a雙輸入;b單輸入。
但在提供這些優勢的同時,矽芯片驅動方案也有一些局限,如矽芯片內電壓達600 V,需要高端隔離,且需要匹配高端驅動與低端驅動之間的傳播延遲,避免使用任何不平衡變壓器。此外,高端驅動器需要自舉供電(bootstrap supply),並且需較高抗幹擾能力,抑製高端驅動器的負電壓影響。就高壓隔離而言,需要在電路中增加脈衝觸發器、電平轉換器和同步整流觸發器。其中,電平轉換器維持高達600 V電壓。就匹配延遲而言,在低端驅動器通道上加入延遲時間,從而補償由脈衝觸發器、電(dian)平(ping)轉(zhuan)換(huan)器(qi)和(he)同(tong)步(bu)整(zheng)流(liu)觸(chu)發(fa)器(qi)導(dao)致(zhi)的(de)高(gao)端(duan)延(yan)遲(chi)。而(er)就(jiu)高(gao)端(duan)驅(qu)動(dong)器(qi)的(de)負(fu)電(dian)壓(ya)而(er)言(yan),我(wo)們(men)著(zhe)重(zhong)關(guan)注(zhu)半(ban)橋(qiao)支(zhi)路(lu)來(lai)研(yan)究(jiu)。連(lian)接(jie)至(zhi)半(ban)橋(qiao)支(zhi)路(lu)的(de)負(fu)載(zai)是(shi)電(dian)感(gan)型(xing)負(fu)載(zai),類(lei)似(si)於(yu)LLC半(ban)橋(qiao),或(huo)在(zai)最(zui)簡(jian)單(dan)的(de)情(qing)況(kuang)下(xia)是(shi)同(tong)步(bu)降(jiang)壓(ya)結(jie)構(gou)。就(jiu)降(jiang)壓(ya)轉(zhuan)換(huan)器(qi)的(de)實(shi)際(ji)工(gong)作(zuo)來(lai)看(kan),寄(ji)生(sheng)電(dian)感(gan)和(he)寄(ji)生(sheng)電(dian)容(rong)等(deng)寄(ji)生(sheng)參(can)數(shu)隨(sui)處(chu)可(ke)見(jian),橋(qiao)引(yin)腳(jiao)上(shang)的(de)負(fu)電(dian)壓(ya)將(jiang)會(hui)在(zai)驅(qu)動(dong)IC內部產生負電流,且負電壓會在每個脈衝寬度增大,直到矽驅動器(或稱驅動器IC)失效。若能在寬溫度範圍內將負脈衝保持在恰當的區域內,驅動器將正常工作;否則,驅動器將不會正常工作或可能損壞。
安森美半導體在-40℃至+125℃的完整溫度範圍內定義驅動IC的電氣參數,相關的高端MOSFET矽驅動器(參見表1)具有強固的負電壓特性。相比較而言,很多競爭對手僅在+25℃的(de)環(huan)境(jing)工(gong)作(zuo)溫(wen)度(du)下(xia)定(ding)義(yi)電(dian)氣(qi)參(can)數(shu),並(bing)不(bu)總(zong)提(ti)供(gong)溫(wen)度(du)特(te)征(zheng)描(miao)繪(hui),而(er)且(qie)很(hen)多(duo)競(jing)爭(zheng)對(dui)手(shou)從(cong)特(te)征(zheng)曲(qu)線(xian)中(zhong)析(xi)取(qu)的(de)電(dian)氣(qi)參(can)數(shu)值(zhi)很(hen)可(ke)能(neng)未(wei)顧(gu)及(ji)工(gong)藝(yi)變(bian)化(hua)問(wen)題(ti)。
表1:安森美半導體用於高端MOSFET驅動的矽驅動器相互參照。
方案比較及安森美半導體建議
我們以采用變壓器驅動方案和矽驅動器方案的24 V@10 A LLC半橋電路為例來比較這兩種方案。這兩種方案都采用帶雙DRV輸出的LLC控製器NCP1395,不同的是,前者采用變壓器驅動LLC轉換器的MOSFET,後者采用NCP5181驅動器IC來驅動器LLC轉換器的MOSFET。兩者的波形看上去類似,但比較高端MOSFET關閉時的波形可以發現,驅動器IC更快速地關閉MOSFET,而且驅動IC關閉MOSFET時快70 ns,從而降低開關損耗;而在高端MOSFET導通時,驅動器IC在高端與低端MOSFET之間能夠保持安全及足夠的死區時間,優於變壓器驅動方案。而從能效來看,在相同的輸入功率時,兩種方案的能效沒有顯著區別。
duiyuzheliangzhongfanganeryan,jiujingyinggaixuanzenazhongfanganne?shijishang,ruguojingxinshejidehua,zheliangzhongfangandoukeyi。ansenmeibandaotishenweiyingyongyulvsedianzichanpindeshouyaogaoxingneng、高(gao)能(neng)效(xiao)矽(gui)方(fang)案(an)供(gong)應(ying)商(shang),我(wo)們(men)的(de)建(jian)議(yi)是(shi)選(xuan)擇(ze)矽(gui)芯(xin)片(pian)驅(qu)動(dong)方(fang)案(an),因(yin)為(wei)矽(gui)方(fang)案(an)可(ke)以(yi)簡(jian)化(hua)布(bu)線(xian)及(ji)簡(jian)化(hua)設(she)計(ji),免(mian)去(qu)變(bian)壓(ya)器(qi)需(xu)要(yao)手(shou)動(dong)插(cha)入(ru)的(de)問(wen)題(ti),及(ji)可(ke)免(mian)除(chu)變(bian)壓(ya)器(qi)方(fang)案(an)中(zhong)諸(zhu)如(ru)隔(ge)離(li)被(bei)破(po)壞(huai)、磁通走散、關閉後出來未預料到的振鈴等問題。而且要支持纖薄設計的話, 扁平電源中變壓器的高度是個問題,而矽芯片驅動方案則無此問題。
總結:
對於需要高能效的應用而言,采用軟開關技術的半橋拓撲結構越來越受設計人員青睞。但要驅動半橋拓撲結構中的高端MOSFET,設計人員麵臨著是選擇變壓器或是矽芯片等不同驅動方案的選擇。本文分析了不同驅動方案的設計考慮因素、相(xiang)關(guan)問(wen)題(ti)及(ji)解(jie)決(jue)之(zhi)道(dao),並(bing)從(cong)多(duo)個(ge)角(jiao)度(du)對(dui)比(bi)了(le)這(zhe)兩(liang)種(zhong)驅(qu)動(dong)方(fang)案(an)。盡(jin)管(guan)精(jing)心(xin)設(she)計(ji)的(de)話(hua),這(zhe)兩(liang)種(zhong)驅(qu)動(dong)方(fang)案(an)都(dou)可(ke)以(yi)良(liang)好(hao)工(gong)作(zuo),但(dan)安(an)森(sen)美(mei)半(ban)導(dao)體(ti)建(jian)議(yi)選(xuan)擇(ze)諸(zhu)如(ru)NCP5181這zhe樣yang的de矽gui芯xin片pian驅qu動dong方fang案an,在zai簡jian化hua布bu線xian及ji設she計ji的de同tong時shi,也ye可ke避bi免mian變bian壓ya器qi驅qu動dong方fang案an的de諸zhu多duo問wen題ti,幫bang助zhu設she計ji人ren員yuan縮suo短duan設she計ji周zhou期qi,加jia快kuai產chan品pin上shang市shi進jin程cheng。
- 半橋拓撲結構高端MOSFET驅動方案選擇
- 變壓器驅動和矽芯片驅動比較
- 采用NCP5181驅動器IC來驅動器LLC轉換器的MOSFET
- 簡化布線及簡化設計
在節能環保意識的鞭策及世界各地最新能效規範的推動下,提高能效已經成為業界共識。與反激、正激、雙開關反激、雙開關正激和全橋等硬開關技術相比,雙電感加單電容(LLC)、有源鉗位反激、有源鉗位正激、非對稱半橋(AHB)及移相全橋等軟開關技術能提供更高的能效。因此,在注重高能效的應用中,軟開關技術越來越受設計人員青睞。
另一方麵,半橋配置最適合提供高能效/高功率密度的中低功率應用。半橋配置涉及兩種基本類型的MOSFET驅動器,即高端(High-Side)驅動器和低端(Low-Side)驅動器。高端表示MOSFET的源極能夠在地與高壓輸入端之間浮動,而低端表示MOSFET的源極始終接地,參見圖1。當高端開關從關閉轉向導通時,MOSFET源極電壓從地電平上升至高壓輸入端電平,這表示施加在MOSFET門極的電壓也必須隨之浮動上升。這要求某種形式的隔離或浮動門驅動電路。與之不同,低端MOSFET的源極始終接地,故門驅動電壓也能夠接地參考,這使驅動低端MOSFET的門極更加簡單。

圖1:LLC半橋拓撲結構電路圖。
變壓器驅動方案
基於變壓器的高端MOSFET驅動方案在設計過程中涉及到一些重要的考慮因素。例如,由於是對地參考點浮動驅動,如果設計中存在400 V功率因數校正(PFC)電路,則要保持500 V隔離。此外,要將漏電感減至最小,否則輸出與輸入繞組之間的延遲可能會損壞功率MOSFET。要遵守法拉第定律,保持V*T乘(cheng)積(ji)恒(heng)定(ding),否(fou)則(ze)會(hui)飽(bao)和(he)。要(yao)保(bao)持(chi)足(zu)夠(gou)裕(yu)量(liang),防(fang)止(zhi)飽(bao)和(he),尤(you)其(qi)是(shi)在(zai)交(jiao)流(liu)高(gao)壓(ya)輸(shu)入(ru)和(he)瞬(shun)態(tai)負(fu)載(zai)的(de)情(qing)況(kuang)下(xia)。要(yao)使(shi)用(yong)高(gao)磁(ci)導(dao)率(lv)鐵(tie)芯(xin),從(cong)而(er)將(jiang)勵(li)磁(ci)電(dian)流(liu)(IM)降至最低。要保持高灌電流(sink current)能力,使開關速度加快。
基於變壓器的驅動方案包含兩種主要類型,分別是單驅動(DRV)輸入和雙驅動輸入,參見圖2a及圖2b。單驅動輸入方案中,需要增加交流耦合電容(CC)來複位驅動變壓器的磁通。這種方案中的門極-源極電壓(VGS)幅度取決於占空比;另外,穩態時-VC關閉,而在啟動時灌電流能力受限。這種方案需要快速的時間常數(LM//RGS * CC),防止由快速瞬態事件導致的磁通走漏(flux walking)。 另外,在設計過程中,也需要留意跳周期模式或欠壓鎖定(UVLO)時耦合電容與驅動變壓器之間的振鈴,需要使用二極管來抑製振鈴。
單驅動輸入包括帶直流恢複的單驅動輸入及帶PNP關閉的單驅動輸入。其中,帶直流恢複的單驅動輸入在穩態時VGS取決於占空比,但灌電流能力有限;後者則采用PNP晶體管+二極管的組合來幫助改善關閉(switching off)操作。此外,對單驅動輸入而言,還不能忽略與門。如果與門驅動能力有限,要增加圖騰柱(totem-pole)驅動器。
[page]
圖2b顯示的是雙極性對稱驅動輸入方案的電路圖。在這種方案中,兩個輸入(DRVA和DRVB)的極性相反,位置對稱,故不同於單驅動輸入方案,無需交流耦合電容。這種方案適合推挽型電路,如LLC-HB,但不適合非對稱電路,如非對稱半橋或有源鉗位。這種方案需要注意線路/負(fu)載(zai)瞬(shun)態(tai)時(shi)的(de)驅(qu)動(dong)變(bian)壓(ya)器(qi)磁(ci)通(tong),仍(reng)然(ran)需(xu)要(yao)強(qiang)大(da)的(de)關(guan)閉(bi)能(neng)力(li)。需(xu)要(yao)注(zhu)意(yi)由(you)泄(xie)漏(lou)電(dian)感(gan)導(dao)致(zhi)的(de)延(yan)遲(chi),將(jiang)泄(xie)漏(lou)電(dian)感(gan)減(jian)至(zhi)最(zui)小(xiao),並(bing)使(shi)用(yong)雙(shuang)輸(shu)出(chu)繞(rao)組(zu)而(er)非(fei)單(dan)輸(shu)出(chu)繞(rao)組(zu)。這(zhe)種(zhong)方(fang)案(an)的(de)另(ling)一(yi)項(xiang)不(bu)足(zu)是(shi)關(guan)閉(bi)電(dian)阻(zu)(Roff)壓降會導致額外的功率損耗。

圖2:單驅動輸入(a)與雙驅動輸入(b)變壓器驅動方案電路對比。
綜合來看,變壓器驅動方案有多項優勢,一是變壓器比裸片更強固,二是對雜散噪聲及高dV/dt脈衝較不敏感,當然,成本也可能更便宜。但其劣勢是電路複雜,需要注意極端線路/負載條件及關閉模式,且需注意泄漏電感及隔離,還要留意汲電流能力是否夠強。
矽芯片驅動方案
與變壓器驅動方案類似,矽集成電路驅動方案也包含單驅動輸入和雙驅動輸入這兩種類型,分別見圖3a及圖3b。不過,這些矽半橋驅動器既能用作高端MOSFET驅動器,也能用作低端MOSFET驅動器。矽芯片高端MOSFET驅動方案采用緊湊、高性能的封裝,在單顆芯片中集成了驅動高端MOSFETsuoxudedaduoshugongneng,zengjiashaoshujigewaibuyuanjianhoujiunengtigongkuaisudekaiguansudu,tigongshuansuoguanbigongneng,shuruzhilingyumenqudongshuchuzhijiandeyanchijidi,gonglvhaosanyejiaodi。

圖3:矽芯片驅動方案電路圖:a雙輸入;b單輸入。
安森美半導體在-40℃至+125℃的完整溫度範圍內定義驅動IC的電氣參數,相關的高端MOSFET矽驅動器(參見表1)具有強固的負電壓特性。相比較而言,很多競爭對手僅在+25℃的(de)環(huan)境(jing)工(gong)作(zuo)溫(wen)度(du)下(xia)定(ding)義(yi)電(dian)氣(qi)參(can)數(shu),並(bing)不(bu)總(zong)提(ti)供(gong)溫(wen)度(du)特(te)征(zheng)描(miao)繪(hui),而(er)且(qie)很(hen)多(duo)競(jing)爭(zheng)對(dui)手(shou)從(cong)特(te)征(zheng)曲(qu)線(xian)中(zhong)析(xi)取(qu)的(de)電(dian)氣(qi)參(can)數(shu)值(zhi)很(hen)可(ke)能(neng)未(wei)顧(gu)及(ji)工(gong)藝(yi)變(bian)化(hua)問(wen)題(ti)。

表1:安森美半導體用於高端MOSFET驅動的矽驅動器相互參照。
方案比較及安森美半導體建議
我們以采用變壓器驅動方案和矽驅動器方案的24 V@10 A LLC半橋電路為例來比較這兩種方案。這兩種方案都采用帶雙DRV輸出的LLC控製器NCP1395,不同的是,前者采用變壓器驅動LLC轉換器的MOSFET,後者采用NCP5181驅動器IC來驅動器LLC轉換器的MOSFET。兩者的波形看上去類似,但比較高端MOSFET關閉時的波形可以發現,驅動器IC更快速地關閉MOSFET,而且驅動IC關閉MOSFET時快70 ns,從而降低開關損耗;而在高端MOSFET導通時,驅動器IC在高端與低端MOSFET之間能夠保持安全及足夠的死區時間,優於變壓器驅動方案。而從能效來看,在相同的輸入功率時,兩種方案的能效沒有顯著區別。
duiyuzheliangzhongfanganeryan,jiujingyinggaixuanzenazhongfanganne?shijishang,ruguojingxinshejidehua,zheliangzhongfangandoukeyi。ansenmeibandaotishenweiyingyongyulvsedianzichanpindeshouyaogaoxingneng、高(gao)能(neng)效(xiao)矽(gui)方(fang)案(an)供(gong)應(ying)商(shang),我(wo)們(men)的(de)建(jian)議(yi)是(shi)選(xuan)擇(ze)矽(gui)芯(xin)片(pian)驅(qu)動(dong)方(fang)案(an),因(yin)為(wei)矽(gui)方(fang)案(an)可(ke)以(yi)簡(jian)化(hua)布(bu)線(xian)及(ji)簡(jian)化(hua)設(she)計(ji),免(mian)去(qu)變(bian)壓(ya)器(qi)需(xu)要(yao)手(shou)動(dong)插(cha)入(ru)的(de)問(wen)題(ti),及(ji)可(ke)免(mian)除(chu)變(bian)壓(ya)器(qi)方(fang)案(an)中(zhong)諸(zhu)如(ru)隔(ge)離(li)被(bei)破(po)壞(huai)、磁通走散、關閉後出來未預料到的振鈴等問題。而且要支持纖薄設計的話, 扁平電源中變壓器的高度是個問題,而矽芯片驅動方案則無此問題。
總結:
對於需要高能效的應用而言,采用軟開關技術的半橋拓撲結構越來越受設計人員青睞。但要驅動半橋拓撲結構中的高端MOSFET,設計人員麵臨著是選擇變壓器或是矽芯片等不同驅動方案的選擇。本文分析了不同驅動方案的設計考慮因素、相(xiang)關(guan)問(wen)題(ti)及(ji)解(jie)決(jue)之(zhi)道(dao),並(bing)從(cong)多(duo)個(ge)角(jiao)度(du)對(dui)比(bi)了(le)這(zhe)兩(liang)種(zhong)驅(qu)動(dong)方(fang)案(an)。盡(jin)管(guan)精(jing)心(xin)設(she)計(ji)的(de)話(hua),這(zhe)兩(liang)種(zhong)驅(qu)動(dong)方(fang)案(an)都(dou)可(ke)以(yi)良(liang)好(hao)工(gong)作(zuo),但(dan)安(an)森(sen)美(mei)半(ban)導(dao)體(ti)建(jian)議(yi)選(xuan)擇(ze)諸(zhu)如(ru)NCP5181這zhe樣yang的de矽gui芯xin片pian驅qu動dong方fang案an,在zai簡jian化hua布bu線xian及ji設she計ji的de同tong時shi,也ye可ke避bi免mian變bian壓ya器qi驅qu動dong方fang案an的de諸zhu多duo問wen題ti,幫bang助zhu設she計ji人ren員yuan縮suo短duan設she計ji周zhou期qi,加jia快kuai產chan品pin上shang市shi進jin程cheng。
特別推薦
- 噪聲中提取真值!瑞盟科技推出MSA2240電流檢測芯片賦能多元高端測量場景
- 10MHz高頻運行!氮矽科技發布集成驅動GaN芯片,助力電源能效再攀新高
- 失真度僅0.002%!力芯微推出超低內阻、超低失真4PST模擬開關
- 一“芯”雙電!聖邦微電子發布雙輸出電源芯片,簡化AFE與音頻設計
- 一機適配萬端:金升陽推出1200W可編程電源,賦能高端裝備製造
技術文章更多>>
- 2026藍牙亞洲大會暨展覽在深啟幕
- H橋降壓-升壓電路中的交替控製與帶寬優化
- Tektronix 助力二維材料器件與芯片研究與創新
- 800V AI算力時代,GaN從“備選”變“剛需”?
- 大聯大世平集團首度亮相北京國際汽車展 攜手全球芯片夥伴打造智能車整合應用新典範
技術白皮書下載更多>>
- 車規與基於V2X的車輛協同主動避撞技術展望
- 數字隔離助力新能源汽車安全隔離的新挑戰
- 汽車模塊拋負載的解決方案
- 車用連接器的安全創新應用
- Melexis Actuators Business Unit
- Position / Current Sensors - Triaxis Hall
熱門搜索
接口IC
介質電容
介質諧振器
金屬膜電阻
晶體濾波器
晶體諧振器
晶體振蕩器
晶閘管
精密電阻
精密工具
景佑能源
聚合物電容
君耀電子
開發工具
開關
開關電源
開關電源電路
開關二極管
開關三極管
科通
可變電容
可調電感
可控矽
空心線圈
控製變壓器
控製模塊
藍牙
藍牙4.0
藍牙模塊
浪湧保護器



