負載開關的發展概況
發布時間:2009-09-24 來源:今日電子
中心議題:
- MOSFET負載開關基本電路
- 負載開關的應用狀況
解決方案:
- 在負載開關中增加過熱關閉電路
- 在負載開關中增加限流電路
負載開關基本電路
功率MOSFET是一種具有良好開關特性的器件:導通時其導通電阻RDS(ON)很小;在關斷時其漏電流IDSS很小。另外,它的耐壓範圍很寬,從幾十V到幾百V,漏極電源範圍寬,從幾A到幾十A,所以非常適合作負載開關。
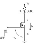
N溝道MOSFET可以組成最簡單的負載開關,如圖1所示。負載接在電源與漏極之間(負載可以是直流電動機、散熱風扇、大功率LED、白熾燈泡或螺管線圈等)。在其柵極上加一個邏輯高電平,則N-MOSFET導通,負載得電;在其柵極加一個邏輯低電平,則N-MOSFET關斷,負載失電。

圖1用MOSFET組成的負載開關
從圖1可以看出,負載開關接是在電源與負載之間,用邏輯電平來控製通、斷,使負載得電或失電的功率器件。由於開關在負載的下邊,一般稱為低端負載開關。
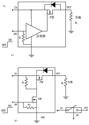
如果負載是一個要求接地的電路(如功率放大電路、發射電路或接收電路等),則低端負載開關不能用,要采用高端負載開關。高端負載開關主要由P溝道MOSFET組成,如圖2所示。圖2(a)是由一個P-MOSFET與一個反相器組成的,圖2(b)是由一個P-MOSFET與一個N-MOSFET組成的。開關在負載的上麵,稱高端負載開關。

圖2高端負載開關
以圖2(a)來說明其工作原理。在反相器輸入端輸入邏輯高電平時,其輸出端為低電平,反相器的輸出端與P-MOSFET的柵極連接,則使-VGS≈VIN,P-MOSFET導通,負載得電;若反相器輸入端輸入邏輯低電平,反相器輸出高電平,則使其-VGS≈0V,P-MOSFET關斷,負載失電。一般在輸入端往往接一下拉電阻,其目的是使負載開關在無控製信號輸入時處於可靠的關斷狀態。
圖2(b)的工作原理與圖2(a)相同,讀者可自行分析。

圖3負載開關接負載電路
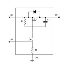
如果在負載開關與負載之間接了一個大容量電容,如圖3所示。當這電容的等效串聯電阻非常小時,在負載開關導通的瞬間,有較大的瞬態電流(衝擊電流,如圖3右圖所示)流過開關管。為減小衝擊電流,在負載開關中增加了C1及R2,如圖4所示。當負載開關在導通後的瞬間,輸入電壓經P管後加在C1及R2上(Q1的導通電阻略而不計),其電壓主要降在R2上,減小了-VGS,減小ID電流,即減小衝擊電流。C1≤1000pF,R1=10~47kΩ,R2=1~4.7kΩ。[page]

圖4負載開關基本電路
圖2、圖4是負載開關的基本電路。由於電路十分簡單,可以由分立元件組成,但目前有現成的集成電路,使應用更方便,占PCB麵積也更小。
負載開關的發展從負載開關基本電路來看,其特點是結構簡單,缺點是缺少過熱保護(負載有局部短路或輸出有短路)。在有短路時不僅負載、負載開關損壞,並且由於電源過載關斷會使整個裝置、係統不能正常工作。因此近年來,人們根據負載開關的應用狀況作了不少的改進,改善了性能、提高了工作可靠性、增加了功能。
1在安全保護方麵
①在負載開關中增加過熱關閉電路。如果有發生負載局部短路或短路情況時,使負載開關的管芯溫度超過過熱閾值溫度(如125℃),則ze過guo熱re關guan閉bi電dian路lu起qi作zuo用yong將jiang負fu載zai開kai關guan切qie斷duan。不bu僅jin阻zu止zhi了le負fu載zai更geng大da的de損sun壞huai,也ye使shi電dian源yuan不bu因yin負fu載zai短duan路lu而er影ying響xiang向xiang其qi他ta電dian路lu供gong電dian。在zai過guo熱re故gu障zhang發fa生sheng時shi,負fu載zai開kai關guan還hai輸shu出chu故gu障zhang信xin號hao(給微處理器μP)以告知故障的存在。另外還有輸入欠壓鎖存保護功能。
②在負載開關中增加限流電路。負載開關中沒電流檢測及限流輸出電路。它有兩種結構:限製電流值是工廠設定的;限製電流可由用戶外設一個電阻設定。發生過流狀態時,負載開關輸出故障信號。
具有限流輸出的負載開關,不僅提高了工作的可靠性及安全性,並且這種負載開關還可以用作功率分配開關、熱插拔插座、USB端口。有的負載開關在過流時便輸出鎖存(無輸出),則這種負載開關可看作“電子保險絲”在排除過流故障後,重新啟動後可正常工作。有的負載開關在過流時,以限製的電流(恒流)繼續給負載供電。
2在開關性能方麵
隨著半導體工藝技術的進步,單個分立器件MOSFET的導通電阻逐年下降,導通電阻小的可做到幾mΩ。集成負載開關中的MOSFET導通電阻稍大,目前可做到幾十mΩ左右。為了改善開關的性能,使開關慢啟動(慢啟動是指開關接通時,其電壓上升率是一個斜坡,防止有過大的衝擊電流)、快關斷。
電壓上升的斜率有幾種:由工廠設定幾種斜率(啟動時間不同),供用戶選擇;由用戶在器件外設一電容,設定其啟動時間。為了快速關斷開關,在負載開關中設有關斷時輸出有放電電路,如圖5所示。在負載開關關斷時,N-MOSFET導通,電容往N管放電,加速關斷時間。

圖5負載開關中的輸出有效放電電路
3其他方麵
為了適應便攜式電子產品對負載開關的應用需要,在以下幾方麵作了改進:工作電壓適合電池供電電壓,一般為1.8~5.5V或1.2~5.5V;為滿足更低的電壓,最低輸入電壓為0.8V;減少靜態電流,一般為幾μA(靜態電流大小與負載開關內部的電路負載程度有關),典型值為1μA。
個別較簡單的負載開關,其靜態電流IQ=25μA;輸出電流一般0.2~6A,可滿足各種便攜式的要求;為滿足便攜式體積小的要求,負載開關采用小尺寸封裝,一般采用SOT-23封裝、2mm×2mm的MLP或MLF封裝、SC-70封裝,最小的采用6焊球BGA封裝,其封裝尺寸僅為1.5mm×1.0mm;在電源關斷時,無反向電流。
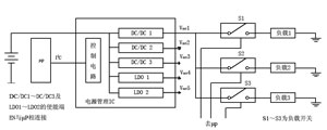
應用流域的擴展負載開關是一種通用功率開關器件,過去主要應用於工業控製及汽車工業等。近年來,隨著便攜式電子產品的發展,如PDA、手機、數碼相機等纖巧產品大量上市,為了節省電能,除了應用高效率的電源管理IC外,還需要多個負載開關,並由微處理器進行控製組成負載管理(在不同的工作狀態時,給有用的負載供電,將不用的負載統統關斷)。
圖6就是一種負載管理的結構示意圖。在圖中,電源管理IC有5路輸出(3路DC/DC轉換器、2路LDO)。DC/DC1的輸出供3個並聯的負載1~負載3。為了控製負載1~3的通電或斷電,在DC/DC1與3個負載之間加接了3個負載開關(負載開關1~3),其控製端接微處理器I/O口,由微處理器控製其通、斷來實現負載管理。[page]

圖6負載管理結構拓撲
負載開關增加電流限製功能後,可用作計算機外設供電端口(USB),並且可做成熱插拔電源插座,也可做成功率分配開關。

圖7輸出限製電流可調節的USB端口電路
圖7是一種輸出限製電流可調節的USB端口電路。該電路由MIC2008作功率分配開關,由USB控製器對功率分配開關實現控製。限定的電流由外設電阻R來設定(限製電流範圍為0.2~2.0A)。該功率分配開關的輸出電壓上升率(啟動時間)可由外設電容C來設定,內部有過熱保護及輸入電壓過低時輸出鎖存保護。
典型負載開關簡介近年來,FAIRCHILD公司、ANALOGICTECH公司、MICREL公司等相繼開發出多種新型負載開關。由於這些負載開關功能較全,所以被稱為“全接觸”或“智能開關”。這裏簡單地介紹FAIRCHILD公司的FPF2163/4/5及ANALOGICTECH公司的AAT4297負載開關。
1FPF2163/4/5係列FPF2163/4/5係列負載開關是一種輸出電流可設定的多功能負載開關。該係列主要特點:輸入電壓1.8~5.5V;限定電流可設定範圍為0.15~1.5A;輸入電壓低於閾值電壓時,輸出鎖存(UVLO);有過熱關閉;靜態電流最大值為77μA(典型值),開關關斷時耗電小於2μA;發生欠壓鎖存、過熱、過流故障時,有故障信號輸出;開關關斷時無反向電流;小尺寸FET-6封裝(2mm×2mm);工作溫度上有一些差別,如表1所示。用戶可根據產品的要求選擇。

該係列負載開關主要用於PDA、手機、GPS、MP3播放器、數碼相機、外設端口及熱插拔電源等。FPF2164可用作“電子保險絲”。

圖8FPF2163/4/5引腳排列
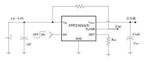
該係列引腳排列如圖8所示,其典型應用電路如圖9所示。

圖9FPF2163/4/5典型應用電路
在圖9中,輸入電容CIN為1μF,輸出電容COUT為0.1μF,10kΩ為故障信號輸出的上拉電阻(內部為開漏輸出結構),RSET為限流設定電阻,設定的限流電流ILIM與RSET的關係為:RSET=275.6/ILIM
式中,RSET的單位為Ω,ILIM的單位為A。設定的限製電流有一定的允差,允差範圍為±25%。在ON端加邏輯高電平(VIN=1.8V時>0.8V,VIN=5.5V時>1.4V)時開關導通;在ON端加邏輯低電平(VIN=1.8V時<0.5V,VIN=5.5V時<1V)時,開關關斷。
2AAT4297AAT4297是一種用於手機控製LED的負載開關。在手機中有不少LED,它們用作單色或彩色LCD顯示屏的背光照明、鍵盤的照明及相機的LED閃光燈。有一些雙顯示屏的副屏及鍵盤的背光可以改變其顏色以滿足客戶的不同喜愛。這一些LED的不同工作狀態可采用一種新型控製LED的負載開關進行管理,這就是AAT4297。它除用於手機外,還可以用於多路小功率負載開關、個人通信裝置及其他便攜式電子產品的負載管理。
該器件主要特點:輸入電壓範圍為1.8~5.5V;內部有6個低端N溝通MOSFET開關,每個開關都是獨立的;可采用單個串行控製線(S2C線)對各個開關實現通、斷控製;靜態電流少,典型值為3μA;每個開關可驅動208mA;無須其他外圍元件;12引腳TSOP封裝;工作溫度範圍-40~+85℃。

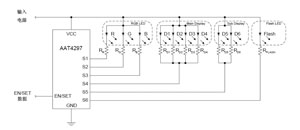
圖10AAT4297的引腳框圖
該器件的結構框圖如圖10所示。EN/SET為使能/開關選擇端,與μP的串行口連接,輸入6位數字信號(000000~111111)後置高電平,可實現6個開關64種不同的通、斷狀態。VCC輸入1.8~5.5V電壓,S1~S6為各開關的漏極(開漏輸出結構),外接LED負載。如果輸入6位數字信號都是1後置高,外接6個LED(LED1~LED6)都亮;若輸入的數字信號是010011,則LED1、LED3、LED4滅,LED5、LED6亮,當EN/SET端入信號由高電平變成低電平時,則所有亮的LED都滅。

圖11AAT4297典型應用電路
其典型應用電路如圖11所示。S1~S3接三基色(RGB)LED,RR、RG、RB、為各色LED的限流電阻。利用紅、綠、藍三種不同發光顏色的組合,可以產生7種不同的顏色。例如,紅、綠、藍三種LED以一定的發光強度亮時,可產生白光;紅、綠兩LED亮時可產生橙色光。
如果有需要也可並接多個RGBLED。S4接D1~D4白光LED,它用作彩色主顯示屏背光照明,S6接閃光燈LED,作相機閃光燈用。根據手機的不同工作狀態,由μP向EW/SET輸入不同的數字信號,可實現LED的負載管理。數字信號的頻率可高達1MHz。利用輸入EN/SET信號使LED亮的時間與滅的時間交替進行,改變亮、滅的時間,可以實現LED亮度調節。
從圖11看出,僅用μP一條串行控製線就可以對所有LED負載實現管理,並可改變背光顏色及調節亮度,這個LED負載開關器件的功能及性能是很不錯的,它是時尚手機中常用的負載管理IC。
- 噪聲中提取真值!瑞盟科技推出MSA2240電流檢測芯片賦能多元高端測量場景
- 10MHz高頻運行!氮矽科技發布集成驅動GaN芯片,助力電源能效再攀新高
- 失真度僅0.002%!力芯微推出超低內阻、超低失真4PST模擬開關
- 一“芯”雙電!聖邦微電子發布雙輸出電源芯片,簡化AFE與音頻設計
- 一機適配萬端:金升陽推出1200W可編程電源,賦能高端裝備製造
- 邊緣AI的發展為更智能、更可持續的技術鋪平道路
- 每台智能體PC,都是AI時代的新入口
- IAR作為Qt Group獨立BU攜兩項重磅汽車電子應用開發方案首秀北京車展
- 構建具有網絡彈性的嵌入式係統:來自行業領袖的洞見
- 數字化的線性穩壓器
- 車規與基於V2X的車輛協同主動避撞技術展望
- 數字隔離助力新能源汽車安全隔離的新挑戰
- 汽車模塊拋負載的解決方案
- 車用連接器的安全創新應用
- Melexis Actuators Business Unit
- Position / Current Sensors - Triaxis Hall



