從浪湧抗擾度的角度出發,設計EMC前級電路
發布時間:2015-12-14 責任編輯:susan
【導讀】大家都知道,EMC描述的是產品的兩方麵性能:電磁發射/幹擾EME以及電磁抗擾EMS。EME中又包含傳導幹擾和輻射幹擾;而EMS中又包含靜電抗擾、脈衝群抗擾、浪湧抗擾等。下麵將從EMS中的浪湧抗擾度的角度出發,分析設計電源的前級電路。
一.抗浪湧的電路分析
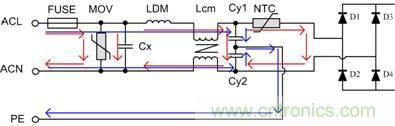
如圖1所示為小功率電源模塊中常用的EMC前級原理圖,FUSE為保險絲,MOV為壓敏電阻,Cx為X電容,LDM為差模電感,Lcm為共模電感,Cy1和Cy2為Y電容,NTC為熱敏電阻。其中Y電容、共模電感等的主要作用雖然不是為了改善電路的浪湧抗擾度,但它們卻間接地影響了抗浪湧電路的設計。

圖1 常用EMC前級電路
對ACL與ACN之間施加的浪湧電壓稱為差模浪湧電壓,差模路徑如圖中紅線所示;對ACL(或ACN)與PE之間施加的電壓稱為共模浪湧電壓,共模路徑如圖中藍線所示。
在設計抗浪湧電路前必須先確定相應的“電磁兼容標準”,如IEC/EN 61000-4-5(對應GB/T 17626.5)中規定了浪湧抗擾度要求、試驗方法、試驗等級等。下麵我們將以該標準的規定為基礎來討論抗浪湧電路的設計。
浪湧發生電路在輸出開路時,產生1.2/50μs的浪湧電壓,而在短路時將產生8/20μs的浪湧電流。
發生器的有效輸出阻抗為2Ω,故當開路電壓峰值為XKV時,短路峰值電流為(X/2)KA。
當對ACL(或ACN)和PE之間進行抗浪湧測試時,在耦合電路上又串入了10Ω的電阻,忽略掉串聯耦合電容的影響,則短路峰值電流變為約(X/12)KA。
二.相關器件介紹
1.壓敏電阻
壓敏電阻的選型最重要的幾個參數為:最大允許電壓、最大鉗位電壓、能承受的浪湧電流。
首先應保證壓敏電阻最大允許電壓大於電源輸出電壓的最大值;其次應保證最大鉗位電壓不會超過後級電路所允許的最大浪湧電壓;最後應保證流過壓敏電阻的浪湧電流不會超過其能承受的浪湧電流。
其他參數如額定功率、能承受的最大能量脈衝等,通過簡單驗算或實驗即可確定。
2.Y電容
在進行共模浪湧測試時,若考慮成本等因素,在共模路徑中未加入壓敏電阻或其他用於鉗位電壓的器件時,應保證Y電容耐壓高於測試電壓。
3.輸入整流二極管
jiashelangyongdianyajingyamindianzuqianweihou,zuidaqianweidianyadayushuruzhengliuerjiguannengchengshoudezuidafanxiangdianya,zeerjiguankenenghuibeisunhuai。yinciyingxuanzefanxiangnaiyadayuyamindianzuzuidaqianweidianyadeerjiguanzuoweishuruzhengliuerjiguan。
4.共模電感
理論上共模電感僅在共模路徑中起作用,但是因為共模電感兩個繞組並非完全耦合,未耦合部分將在差模路徑中作為差模電感,影響EMC特性。
三.實例分析
背景:以某型號的電源模塊為例,該模塊是周立功致遠電子為某客戶定製的電源模塊,輸入85VAC~350VAC,且EMC前級電路電路嵌入到模塊中。抗浪湧要求差模電壓3KV,共模電壓6KV。更換更大的保險絲後可承受6KV差模電壓。其前級原理圖及對應實物圖如圖2所示

圖2 實例原理圖與實物圖
1.差模浪湧測試
壓敏電阻選型時,首先應使最大允許電壓略大於350V,此電壓等級壓敏電阻最大鉗位電壓為1000V左右(50A測試電流下)。其次在差模路徑上,等效於一個內阻為2Ω、脈衝電壓為6KV的電壓源與壓敏電阻串聯,則峰值電流約為(6KV-1KV)/2Ω=2500A。最終選擇了681KD14作為壓敏電阻。其峰值電流為4500A,最大允許工作電壓385VAC,最大鉗位電壓1120V。
不bu必bi擔dan心xin,因yin為wei共gong模mo電dian感gan中zhong未wei耦ou合he的de部bu分fen,在zai差cha模mo路lu徑jing中zhong作zuo為wei差cha模mo電dian感gan,將jiang分fen得de部bu分fen電dian壓ya,事shi實shi上shang,在zai共gong模mo電dian感gan後hou級ji,電dian路lu已yi得de到dao保bao護hu,經jing試shi驗yan驗yan證zheng,整zheng流liu二er極ji管guan選xuan擇ze常chang用yong的de1N4007即可。
2.共模浪湧測試
當對ACL-PE或ACN-PE測試6KV浪湧時,即共模浪湧試驗,共模路徑等效為一個內阻約為12Ω,脈衝電壓為6KV的電壓源與共模電感、Y電容串聯。因為Y電容選擇Y1等級電容,其耐壓較高,6KV共模浪湧的能量不足以使其損壞,因此僅需保證PE布線與其他布線保持一定間接,即可很容易地通過共模浪湧測試。
但dan是shi,因yin為wei浪lang湧yong測ce試shi時shi共gong模mo電dian感gan兩liang端duan將jiang產chan生sheng高gao壓ya,出chu現xian飛fei弧hu。若ruo與yu周zhou圍wei器qi件jian間jian距ju較jiao近jin,可ke能neng使shi周zhou圍wei器qi件jian損sun壞huai。因yin此ci可ke在zai其qi上shang並bing聯lian一yi個ge放fang電dian管guan或huo壓ya敏min電dian阻zu限xian製zhi其qi電dian壓ya,從cong而er起qi到dao滅mie弧hu的de作zuo用yong。如ru圖tu中zhongMOV2所示。
另一種辦法是在PCBshejishi,zaigongmodianganliangduanjiarufangdianchi,shidediangantongguoliangfangdianjianduanfangdian,bimiantongguoqitalujingfangdian,congershideduizhouweihehoujiqijiandeyingxiangjiandaozuixiao。rutu3是廣州致遠電子股份有限公司型號為PA1HBxOD-10W的電力電源模塊PCB在共模電感處加入的放電齒的實物圖。

圖3 放電齒實物圖
四.總結
EMC試驗通常實踐性很強,但如果我們掌握一些基本原理,在設計EMC前qian級ji電dian路lu時shi,將jiang更geng有you方fang向xiang進jin行xing試shi驗yan,從cong而er縮suo短duan項xiang目mu開kai發fa的de時shi間jian。本ben文wen章zhang結jie合he了le一yi個ge簡jian單dan的de實shi例li,從cong浪lang湧yong試shi驗yan的de角jiao度du介jie紹shao了le前qian級ji電dian路lu器qi件jian選xuan型xing和he典dian型xing電dian路lu,在zai以yi後hou的de文wen章zhang中zhong我wo們men將jiang繼ji續xu更geng深shen入ru的de探tan討tao抗kang浪lang湧yong電dian路lu相xiang關guan內nei容rong,並bing從cong其qi他taEMC性能指標的角度來設計EMC前級電路。
特別推薦
- 噪聲中提取真值!瑞盟科技推出MSA2240電流檢測芯片賦能多元高端測量場景
- 10MHz高頻運行!氮矽科技發布集成驅動GaN芯片,助力電源能效再攀新高
- 失真度僅0.002%!力芯微推出超低內阻、超低失真4PST模擬開關
- 一“芯”雙電!聖邦微電子發布雙輸出電源芯片,簡化AFE與音頻設計
- 一機適配萬端:金升陽推出1200W可編程電源,賦能高端裝備製造
技術文章更多>>
- 三星上演罕見對峙:工會集會討薪,股東隔街抗議
- 摩爾線程實現DeepSeek-V4“Day-0”支持,國產GPU適配再提速
- 築牢安全防線:智能駕駛邁向規模化應用的關鍵挑戰與破局之道
- GPT-Image 2:99%文字準確率,AI生圖告別“鬼畫符”
- 機器人馬拉鬆的勝負手:藏在主板角落裏的“時鍾戰爭”
技術白皮書下載更多>>
- 車規與基於V2X的車輛協同主動避撞技術展望
- 數字隔離助力新能源汽車安全隔離的新挑戰
- 汽車模塊拋負載的解決方案
- 車用連接器的安全創新應用
- Melexis Actuators Business Unit
- Position / Current Sensors - Triaxis Hall
熱門搜索
NFC
NFC芯片
NOR
ntc熱敏電阻
OGS
OLED
OLED麵板
OmniVision
Omron
OnSemi
PI
PLC
Premier Farnell
Recom
RF
RF/微波IC
RFID
rfid
RF連接器
RF模塊
RS
Rubycon
SATA連接器
SD連接器
SII
SIM卡連接器
SMT設備
SMU
SOC
SPANSION

