大功率開關電源的EMC測試分析及正確選擇EMI濾波器
發布時間:2011-09-09
中心議題:
- 開關電源產生電磁幹擾的機理
- EMI濾波器的正確選擇
- 開關電源電磁幹擾解決辦法
解決方案:
- 正確選擇EMI濾波器
- 進線電抗器+EMI濾波器
開關電源具有體積小、重量輕、效(xiao)率(lv)高(gao)等(deng)優(you)點(dian),廣(guang)泛(fan)應(ying)用(yong)於(yu)各(ge)個(ge)領(ling)域(yu)。由(you)於(yu)開(kai)關(guan)電(dian)源(yuan)固(gu)有(you)的(de)特(te)點(dian),自(zi)身(shen)產(chan)生(sheng)的(de)各(ge)種(zhong)噪(zao)聲(sheng)卻(que)形(xing)成(cheng)一(yi)個(ge)很(hen)強(qiang)的(de)電(dian)磁(ci)幹(gan)擾(rao)源(yuan)。所(suo)產(chan)生(sheng)的(de)幹(gan)擾(rao)隨(sui)著(zhe)輸(shu)出(chu)功(gong)率(lv)的(de)增(zeng)大(da)而(er)明(ming)顯(xian)地(di)增(zeng)強(qiang),使(shi)整(zheng)個(ge)電(dian)網(wang)的(de)諧(xie)波(bo)汙(wu)染(ran)狀(zhuang)況(kuang)愈(yu)加(jia)嚴(yan)重(zhong)。對(dui)電(dian)子(zi)設(she)備(bei)的(de)正(zheng)常(chang)運(yun)行(xing)構(gou)成(cheng)了(le)潛(qian)在(zai)的(de)威(wei)脅(xie),因(yin)此(ci)解(jie)決(jue)開(kai)關(guan)電(dian)源(yuan)的(de)電(dian)磁(ci)幹(gan)擾(rao)是(shi)減(jian)小(xiao)電(dian)網(wang)汙(wu)染(ran)的(de)必(bi)要(yao)手(shou)段(duan),本(ben)文(wen)對(dui)一(yi)台(tai)15kW開關電源的EMC測試,分析其測試結果,並介紹如何合理地正確選擇EMI濾波器,以達到理想的抑製效果。
1 開關電源產生電磁幹擾的機理
圖1為所測的15kW開關電源的傳導騷擾值,由圖中可以看出在0、15~15MHz大範圍超差。這是因為開關電源所產生的幹擾噪聲所為。開關電源所產生的幹擾噪聲分為差模噪聲和共模噪聲。

圖1未加任何抑製措施所測得的傳導騷擾
1.1共模噪聲
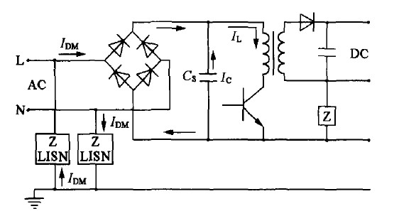
共模噪聲是由共模電流,IcM所產生,其特征是以相同幅度、相同相位往返於任一電源線(L、N)與地線之間的噪聲電流所產生。圖2為典型的開關電源共模噪聲發射路徑的電原理圖。

圖2 共模噪聲電原理圖
由於開關電源的頻率較高,在開關變壓器原、副邊及開關管外殼及其散熱器(如接地)之間存在分布電容。當開關管由導通切換到關斷狀態時,開關變壓器分布電容(漏感等)cunchudenenglianghuiyukaiguanguanjidianjiyudizhiwendefenbudianrongjinxingnengliangjiaohuan,chanshengshuaijianzhendang,daozhikaiguanguanjidianjiyufashejizhijiandedianyaxunsushangsheng。zhegeankaiguanpinlvgongzuodemaichongshudianliujingjidianjiyudizhiwendefenbudianrongfanhuirenyidianyuanxian,erchanniugongmozaosheng。
[page]
1.2差模噪聲
差模噪聲是由差模電流IDM昕產生,其特征是往返於相線和零線之間且相位相反的噪聲電流所產生。
1.2.1差模輸入傳導噪聲
圖3為典型的開關電源差模輸入傳導噪聲的電原理圖。
其一是當開關電源的開關管由關斷切換到導通時,回路電容C 通過開關管放電形成浪湧電流,它在回路阻抗上產生的電壓就是差模噪聲。

圖3差模輸入傳導噪聲電原理圖
其二是工頻差模脈動噪聲,它是由整流濾波電容c 在整流電壓上升與下降期問的充放電過程中而產生的脈動電流與放電電流,也含有大量諧波成分構成差模噪聲。
以上兩種差模噪聲都返回到輸入端的交流電網,所以稱為輸入傳導噪聲,它不僅汙染電網,還給其它接人電網的電子、電氣設備造成危害,還直接導致輸入功率因數的下降。
1.2.2 差模輸出傳導噪聲
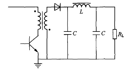
第三種差模噪聲是輸出傳導噪聲,它是整流輸出部分二極管由正偏轉為反偏時,反向電流與二極管結電容、分布電感產生尖峰電壓而造成的差模噪聲,圖4為典型的半波整流濾波電路:

圖4 差模輸出傳導噪聲電原理圖
2 EMI濾波器的正確選擇
EMI濾波器是以工頻為導通對象的反射式低通濾波器,插入損耗和阻抗特性是重要技術指標。EMI濾波器在正常工作時處於失配狀態,因為在實際應用中,它無法實現匹配。如濾波器輸入端阻抗 (電網阻抗)是隨著用電量的大小而改變的。濾波器輸出端的阻抗 。(電源阻抗)是隨著負載的大小而改變的。要想獲得最佳的EMI抑製效果,必須根據濾波器的兩端所要連接的源端阻抗特性和負載阻抗特性來選擇EMI濾波器的電路結構和參數,即遵循輸入、輸出端阻抗失配原則。一般選用方法是:
(1)低的源阻抗和低的負載阻抗:選取(T)n 濾波器結構;(2)高的源阻抗和高的負載阻抗:選取(π )n“濾波器結構;(3)低的源阻抗和高的負載阻抗:選取(LC)n“濾波器結構;(4)高的源阻抗和低的負載阻抗:選取(CL) 濾波器結構。
ruobunengmanzuzukangshipeideyuanze,jiuhuiyingxianglvboqidechasunxingneng,yanzhongshishenzhiyinqixiezhen,zaimouxiepindianchuchuxianganraofangdaxianxiang,suoyi,zukangshipeilianjieyuanzeshiyingyongEMI濾波器必須遵循的原則。
[page]
針對圖l所測得的傳導騷擾值,可以看出在0.15~15MHz範圍內嚴重超差,最大值超過限值近40dB,而且尖峰較為密集。說明電源所產生的浪湧電壓和浪湧電流較大,即電源的du/dt、di/dt很大,也就是產生的_F擾能量很大。開關電源共模噪聲等效電路呈高阻抗容性,而差模等效電路高、低阻抗同時存在。針對這種情況,EMI濾波器的電路結構選為二級共模電感和一個單獨的差模電感型式,這樣既可以濾除共模噪聲,又可以濾除差模噪聲。插入損耗為40dB,所測得的傳導騷擾值如圖5所示。

圖5加EMI濾波器後所測的傳導騷擾
由圖5可ke以yi看kan出chu,傳chuan導dao騷sao擾rao值zhi在zai某mou些xie頻pin段duan處chu還hai有you超chao差cha,效xiao果guo不bu十shi分fen理li想xiang,這zhe是shi因yin為wei,傳chuan導dao接jie受shou機ji所suo測ce得de的de傳chuan導dao騷sao擾rao值zhi是shi個ge綜zong合he參can數shu,它ta無wu法fa判pan斷duan出chu在zai0.15—15MHz頻率範圍內,共模幹擾和差模幹擾孰重孰輕,一般講:在0.15~0.5MHz低端差模幹擾分量很大,在0.5~5MHz共模幹擾和差模幹擾同時存在,在5~30MHz之間共模分量較大。原因之二是由於濾波器的電感和電容元件都受其分布參數的影響,頻率愈高所受的影響愈大。濾波器內部電感、電容的裝配工藝、接(jie)地(di)質(zhi)量(liang)也(ye)會(hui)對(dui)插(cha)入(ru)損(sun)耗(hao)產(chan)生(sheng)很(hen)大(da)的(de)影(ying)響(xiang)。原(yuan)因(yin)之(zhi)三(san)是(shi),由(you)於(yu)濾(lv)波(bo)器(qi)電(dian)感(gan)會(hui)受(shou)到(dao)電(dian)流(liu)浪(lang)湧(yong)的(de)影(ying)響(xiang),它(ta)工(gong)作(zuo)的(de)峰(feng)值(zhi)電(dian)流(liu)比(bi)額(e)定(ding)電(dian)流(liu)要(yao)大(da)一(yi)倍(bei)左(zuo)右(you),在(zai)重(zhong)載(zai)和(he)滿(man)載(zai)時(shi),差(cha)模(mo)電(dian)感(gan)容(rong)易(yi)產(chan)生(sheng)磁(ci)飽(bao)和(he)現(xian)象(xiang),致(zhi)使(shi)電(dian)感(gan)量(liang)迅(xun)速(su)下(xia)降(jiang),導(dao)致(zhi)插(cha)入(ru)損(sun)耗(hao)性(xing)能(neng)變(bian)壞(huai)。
3 較為理想的解決辦法
針對以上情況,在EMI濾波器前端再串接一個一定值的電感,在交流電路中電感的數值 X= wL=2πrfL,電感就是一個電抗器,所以此電感也稱為進線電抗器。由X =2πrfL可知,它的感抗與頻率成正比,對於低頻電流可以暢通無阻地通過進線電抗器,對於高頻電流進線電抗器呈高阻抗、高壓降。因此,進線電抗器可作為電流的低通(高阻)濾波器。
並(bing)且(qie),開(kai)關(guan)電(dian)源(yuan)所(suo)產(chan)生(sheng)的(de)諧(xie)波(bo)電(dian)壓(ya)大(da)部(bu)分(fen)都(dou)降(jiang)在(zai)了(le)進(jin)線(xian)電(dian)抗(kang)器(qi)上(shang)。所(suo)以(yi),串(chuan)接(jie)進(jin)線(xian)電(dian)抗(kang)器(qi)不(bu)但(dan)使(shi)傳(chuan)導(dao)騷(sao)擾(rao)值(zhi)整(zheng)體(ti)下(xia)降(jiang)了(le),還(hai)使(shi)電(dian)壓(ya)諧(xie)波(bo)得(de)到(dao)了(le)改(gai)善(shan)。當(dang)電(dian)感(gan)值(zhi)選(xuan)為(wei)6mH時,其抑製效果如圖6所示。所以對已定型的大功率開關電源,選擇進線電抗器+EMI濾波器,不失為解決其電磁騷擾的比較理想的方法。

圖6進線電抗器+EMI濾波器後所測的傳導騷擾
4 結語
大功率開關電源產生電磁幹擾是一個複雜的問題,電源產生電磁幹擾以傳導幹擾的危害尤為嚴重。根據電磁幹擾產生的機理,正確選擇EMI濾(lv)波(bo)器(qi)是(shi)有(you)效(xiao)抑(yi)製(zhi)傳(chuan)導(dao)幹(gan)擾(rao)的(de)關(guan)鍵(jian)所(suo)在(zai),其(qi)目(mu)的(de)就(jiu)是(shi)有(you)效(xiao)地(di)抑(yi)製(zhi)開(kai)關(guan)電(dian)源(yuan)對(dui)電(dian)網(wang)的(de)傳(chuan)導(dao)幹(gan)擾(rao),又(you)可(ke)以(yi)降(jiang)低(di)從(cong)電(dian)網(wang)引(yin)入(ru)的(de)傳(chuan)導(dao)幹(gan)擾(rao),使(shi)開(kai)關(guan)電(dian)源(yuan)的(de)電(dian)磁(ci)兼(jian)容(rong)性(xing)達(da)到(dao)國(guo)家(jia)標(biao)準(zhun)規(gui)定(ding)的(de)限(xian)值(zhi)要(yao)求(qiu)。
- 噪聲中提取真值!瑞盟科技推出MSA2240電流檢測芯片賦能多元高端測量場景
- 10MHz高頻運行!氮矽科技發布集成驅動GaN芯片,助力電源能效再攀新高
- 失真度僅0.002%!力芯微推出超低內阻、超低失真4PST模擬開關
- 一“芯”雙電!聖邦微電子發布雙輸出電源芯片,簡化AFE與音頻設計
- 一機適配萬端:金升陽推出1200W可編程電源,賦能高端裝備製造
- 大聯大世平集團首度亮相北京國際汽車展 攜手全球芯片夥伴打造智能車整合應用新典範
- 2026北京車展即將啟幕,高通攜手汽車生態“朋友圈”推動智能化體驗再升級
- 邊緣重構智慧城市:FPGA SoM 如何破解視頻係統 “重而慢”
- 如何使用工業級串行數字輸入來設計具有並行接口的數字輸入模塊
- 意法半導體將舉辦投資者會議探討低地球軌道(LEO)發展機遇
- 車規與基於V2X的車輛協同主動避撞技術展望
- 數字隔離助力新能源汽車安全隔離的新挑戰
- 汽車模塊拋負載的解決方案
- 車用連接器的安全創新應用
- Melexis Actuators Business Unit
- Position / Current Sensors - Triaxis Hall





