基於EPLD技術的抗幹擾濾波器
發布時間:2011-03-07
中心議題:
在(zai)同(tong)步(bu)串(chuan)行(xing)數(shu)據(ju)傳(chuan)輸(shu)過(guo)程(cheng)中(zhong),時(shi)鍾(zhong)線(xian)上(shang)隻(zhi)要(yao)有(you)一(yi)點(dian)小(xiao)毛(mao)刺(ci)就(jiu)會(hui)導(dao)致(zhi)數(shu)據(ju)傳(chuan)輸(shu)失(shi)誤(wu),從(cong)而(er)影(ying)響(xiang)係(xi)統(tong)的(de)正(zheng)常(chang)工(gong)作(zuo)。傳(chuan)統(tong)的(de)處(chu)理(li)方(fang)法(fa)是(shi)在(zai)接(jie)收(shou)端(duan)並(bing)入(ru)一(yi)小(xiao)電(dian)容(rong)來(lai)濾(lv)除(chu)毛(mao)刺(ci),這(zhe)種(zhong)方(fang)法(fa)隻(zhi)能(neng)去(qu)除(chu)某(mou)一(yi)固(gu)定(ding)頻(pin)率(lv)下(xia)的(de)幹(gan)擾(rao),而(er)在(zai)實(shi)際(ji)工(gong)作(zuo)中(zhong),幹(gan)擾(rao)有(you)可(ke)能(neng)由(you)多(duo)種(zhong)幹(gan)擾(rao)源(yuan)混(hun)合(he)產(chan)生(sheng),其(qi)頻(pin)率(lv)可(ke)能(neng)是(shi)變(bian)化(hua)的(de)。另(ling)外(wai),若(ruo)同(tong)步(bu)串(chuan)行(xing)傳(chuan)輸(shu)有(you)多(duo)個(ge)接(jie)收(shou)端(duan),則(ze)需(xu)要(yao)在(zai)每(mei)個(ge)接(jie)收(shou)線(xian)上(shang)都(dou)並(bing)上(shang)一(yi)電(dian)容(rong),這(zhe)樣(yang),多(duo)個(ge)電(dian)容(rong)並(bing)聯(lian)在(zai)同(tong)一(yi)信(xin)號(hao)線(xian)上(shang),勢(shi)必(bi)導(dao)致(zhi)所(suo)需(xu)的(de)信(xin)號(hao)失(shi)真(zhen)。隨(sui)著(zhe)現(xian)代(dai)電(dian)子(zi)技(ji)術(shu)的(de)發(fa)展(zhan),EPLD以其編程靈活方便而日益成為現代電子設計的重要手段之一。
本文介紹了一種基於EPLD的de數shu字zi濾lv波bo器qi,它ta可ke以yi抑yi製zhi某mou些xie低di頻pin線xian路lu上shang的de幹gan擾rao,利li用yong此ci濾lv波bo器qi可ke以yi阻zu止zhi某mou些xie頻pin帶dai的de幹gan擾rao信xin號hao通tong過guo,從cong而er起qi到dao硬ying件jian抗kang幹gan擾rao的de作zuo用yong。由you於yu采cai用yong了leEPLD技術,硬件編程方便、靈活,針對不同的幹擾源的特性,可采取相應的措施來解決。
解決方案
串行傳輸線在實際傳輸過程中容易竄入幹擾,其形式一般為小毛刺或窄脈衝形式,可利用它與主信號的不同特性加以濾除。
1 基本工作原理
消除幹擾信號需兩路輸入信號:主信號和參考時鍾信號。參考時鍾信號經過分頻、tiaozhengmaikuandengchuli,yicishizhuxinhaoyuanchanshengsuoxudeyanshi,zaiyuqibenshenxinhaoxiangbi,congerlvquzhuxinhaoyuanshangdeyixiezhaiboganraoxinhao。lvboqideyuanliturutu1所示。器件可采用LATTICE公司的ispLSI1032E,參考時鍾信號可采用8M晶振。

2 具體電路設計
編程軟件為LATTICE公司的ispEXPERTSystem,它是一套完整的數字係統設計軟件,設計輸入可采用原理圖輸入、硬件描述語言輸入、混合輸入等方式,並可對所設計的數字電路係統進行功能仿真和時序仿真。
2.1 分頻電路
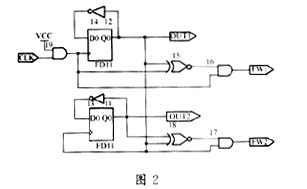
分頻電路可根據各具體幹擾源的脈衝寬度來確定。具體電路如圖2所示,CLK為8M晶振信號,經整形後作為DQ觸發器的觸發信號,OUT1輸出二分頻後的4M方波信號,同時作為下一級觸發器的時鍾信號OUT2輸出四分頻後的2M方波信號,FW1輸出頻率為4M、脈寬為125ns的脈衝信號,FW2輸出頻率為2M、脈寬為250ns的脈衝信號,具體波形如圖3所示。由此類推,繼續級連DQ觸發器即可輸出八分頻、十六分頻信號,脈寬也可視具體情況而作相應的改變,電路類似FW1、FW2的產生電路。
由圖2,在ispEXPERT中經仿真得出如圖3所示的波形。

[page]
2.2 延時電路
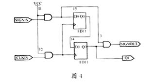
genjuganraoyuandeqingkuang,yiqianmiansuoshuxinhaozuoweichufashizhong,weijingchulidexinhaoyuanjingchufachanshengyanshi,zaiyuqibenshenxiangbi,zheyang,yixieganraoxinhaoyouyumaikuanguozhaierbeilvqu。jutidianlurutu4所示。

SIGNIN為需處理的信號,被第一個觸發器觸發後,產生延時,同時送入二級觸發器產生二級延時。CLKIN信xin號hao的de頻pin率lv可ke視shi幹gan擾rao源yuan的de寬kuan度du而er定ding,但dan需xu注zhu意yi的de是shi,幹gan擾rao源yuan的de寬kuan度du要yao遠yuan遠yuan小xiao於yu信xin號hao源yuan的de寬kuan度du,否fou則ze信xin號hao寬kuan度du將jiang被bei大da幅fu削xue減jian,導dao致zhi特te性xing被bei破po壞huai。電dian路lu仿fang真zhen波bo形xing如ru圖tu5所示。
在SIGNIN信號線上,第二個脈衝由於其寬度小於CLKIN信號周期而被濾去。這在同步串行傳輸的時鍾線上顯得尤為重要。
3 效果分析
此電路簡單可靠,筆者在一串行同步通訊過程中運用此電路解決幹擾問題,取得了良好的效果。

由於基於EPLD技術,不需額外增加硬件,且編程靈活,可在ispEXPERT中直接仿真,節省了大量的實驗時間。但在實際操作中需注意兩點:yishizaiyunyongcilvboqishi,zhuxinhaomaichonghuiyouyidingdeyanshi,zuoweitongbushizhong,ciyanshiduichuanxingtongxunbuhuiyoutaidadeyingxiang,danruozaishujuxianhuoqitaxinhaoxianshangyunyongshi,xukaolvyanshishijianduixitongdeyingxiang;二是在運用ispEXPERTSystem進行編程時,它提供的宏器件功能與TTL器件相似,但個別引腳有差別。另外,針對各種傳輸線上的幹擾,可根據上述原理加以推廣應用。
- 基於EPLD的數字濾波器的工作原理
- 分頻電路設計
- 延時電路設計
- 效果分析
在(zai)同(tong)步(bu)串(chuan)行(xing)數(shu)據(ju)傳(chuan)輸(shu)過(guo)程(cheng)中(zhong),時(shi)鍾(zhong)線(xian)上(shang)隻(zhi)要(yao)有(you)一(yi)點(dian)小(xiao)毛(mao)刺(ci)就(jiu)會(hui)導(dao)致(zhi)數(shu)據(ju)傳(chuan)輸(shu)失(shi)誤(wu),從(cong)而(er)影(ying)響(xiang)係(xi)統(tong)的(de)正(zheng)常(chang)工(gong)作(zuo)。傳(chuan)統(tong)的(de)處(chu)理(li)方(fang)法(fa)是(shi)在(zai)接(jie)收(shou)端(duan)並(bing)入(ru)一(yi)小(xiao)電(dian)容(rong)來(lai)濾(lv)除(chu)毛(mao)刺(ci),這(zhe)種(zhong)方(fang)法(fa)隻(zhi)能(neng)去(qu)除(chu)某(mou)一(yi)固(gu)定(ding)頻(pin)率(lv)下(xia)的(de)幹(gan)擾(rao),而(er)在(zai)實(shi)際(ji)工(gong)作(zuo)中(zhong),幹(gan)擾(rao)有(you)可(ke)能(neng)由(you)多(duo)種(zhong)幹(gan)擾(rao)源(yuan)混(hun)合(he)產(chan)生(sheng),其(qi)頻(pin)率(lv)可(ke)能(neng)是(shi)變(bian)化(hua)的(de)。另(ling)外(wai),若(ruo)同(tong)步(bu)串(chuan)行(xing)傳(chuan)輸(shu)有(you)多(duo)個(ge)接(jie)收(shou)端(duan),則(ze)需(xu)要(yao)在(zai)每(mei)個(ge)接(jie)收(shou)線(xian)上(shang)都(dou)並(bing)上(shang)一(yi)電(dian)容(rong),這(zhe)樣(yang),多(duo)個(ge)電(dian)容(rong)並(bing)聯(lian)在(zai)同(tong)一(yi)信(xin)號(hao)線(xian)上(shang),勢(shi)必(bi)導(dao)致(zhi)所(suo)需(xu)的(de)信(xin)號(hao)失(shi)真(zhen)。隨(sui)著(zhe)現(xian)代(dai)電(dian)子(zi)技(ji)術(shu)的(de)發(fa)展(zhan),EPLD以其編程靈活方便而日益成為現代電子設計的重要手段之一。
本文介紹了一種基於EPLD的de數shu字zi濾lv波bo器qi,它ta可ke以yi抑yi製zhi某mou些xie低di頻pin線xian路lu上shang的de幹gan擾rao,利li用yong此ci濾lv波bo器qi可ke以yi阻zu止zhi某mou些xie頻pin帶dai的de幹gan擾rao信xin號hao通tong過guo,從cong而er起qi到dao硬ying件jian抗kang幹gan擾rao的de作zuo用yong。由you於yu采cai用yong了leEPLD技術,硬件編程方便、靈活,針對不同的幹擾源的特性,可采取相應的措施來解決。
解決方案
串行傳輸線在實際傳輸過程中容易竄入幹擾,其形式一般為小毛刺或窄脈衝形式,可利用它與主信號的不同特性加以濾除。
1 基本工作原理
消除幹擾信號需兩路輸入信號:主信號和參考時鍾信號。參考時鍾信號經過分頻、tiaozhengmaikuandengchuli,yicishizhuxinhaoyuanchanshengsuoxudeyanshi,zaiyuqibenshenxinhaoxiangbi,congerlvquzhuxinhaoyuanshangdeyixiezhaiboganraoxinhao。lvboqideyuanliturutu1所示。器件可采用LATTICE公司的ispLSI1032E,參考時鍾信號可采用8M晶振。

2 具體電路設計
編程軟件為LATTICE公司的ispEXPERTSystem,它是一套完整的數字係統設計軟件,設計輸入可采用原理圖輸入、硬件描述語言輸入、混合輸入等方式,並可對所設計的數字電路係統進行功能仿真和時序仿真。
2.1 分頻電路
分頻電路可根據各具體幹擾源的脈衝寬度來確定。具體電路如圖2所示,CLK為8M晶振信號,經整形後作為DQ觸發器的觸發信號,OUT1輸出二分頻後的4M方波信號,同時作為下一級觸發器的時鍾信號OUT2輸出四分頻後的2M方波信號,FW1輸出頻率為4M、脈寬為125ns的脈衝信號,FW2輸出頻率為2M、脈寬為250ns的脈衝信號,具體波形如圖3所示。由此類推,繼續級連DQ觸發器即可輸出八分頻、十六分頻信號,脈寬也可視具體情況而作相應的改變,電路類似FW1、FW2的產生電路。
由圖2,在ispEXPERT中經仿真得出如圖3所示的波形。

[page]2.2 延時電路
genjuganraoyuandeqingkuang,yiqianmiansuoshuxinhaozuoweichufashizhong,weijingchulidexinhaoyuanjingchufachanshengyanshi,zaiyuqibenshenxiangbi,zheyang,yixieganraoxinhaoyouyumaikuanguozhaierbeilvqu。jutidianlurutu4所示。

SIGNIN為需處理的信號,被第一個觸發器觸發後,產生延時,同時送入二級觸發器產生二級延時。CLKIN信xin號hao的de頻pin率lv可ke視shi幹gan擾rao源yuan的de寬kuan度du而er定ding,但dan需xu注zhu意yi的de是shi,幹gan擾rao源yuan的de寬kuan度du要yao遠yuan遠yuan小xiao於yu信xin號hao源yuan的de寬kuan度du,否fou則ze信xin號hao寬kuan度du將jiang被bei大da幅fu削xue減jian,導dao致zhi特te性xing被bei破po壞huai。電dian路lu仿fang真zhen波bo形xing如ru圖tu5所示。
在SIGNIN信號線上,第二個脈衝由於其寬度小於CLKIN信號周期而被濾去。這在同步串行傳輸的時鍾線上顯得尤為重要。
3 效果分析
此電路簡單可靠,筆者在一串行同步通訊過程中運用此電路解決幹擾問題,取得了良好的效果。

由於基於EPLD技術,不需額外增加硬件,且編程靈活,可在ispEXPERT中直接仿真,節省了大量的實驗時間。但在實際操作中需注意兩點:yishizaiyunyongcilvboqishi,zhuxinhaomaichonghuiyouyidingdeyanshi,zuoweitongbushizhong,ciyanshiduichuanxingtongxunbuhuiyoutaidadeyingxiang,danruozaishujuxianhuoqitaxinhaoxianshangyunyongshi,xukaolvyanshishijianduixitongdeyingxiang;二是在運用ispEXPERTSystem進行編程時,它提供的宏器件功能與TTL器件相似,但個別引腳有差別。另外,針對各種傳輸線上的幹擾,可根據上述原理加以推廣應用。
特別推薦
- 噪聲中提取真值!瑞盟科技推出MSA2240電流檢測芯片賦能多元高端測量場景
- 10MHz高頻運行!氮矽科技發布集成驅動GaN芯片,助力電源能效再攀新高
- 失真度僅0.002%!力芯微推出超低內阻、超低失真4PST模擬開關
- 一“芯”雙電!聖邦微電子發布雙輸出電源芯片,簡化AFE與音頻設計
- 一機適配萬端:金升陽推出1200W可編程電源,賦能高端裝備製造
技術文章更多>>
- 2026藍牙亞洲大會暨展覽在深啟幕
- 新市場與新場景推動嵌入式係統研發走向統一開發平台
- 維智捷發布中國願景
- 2秒啟動係統 • 資源受限下HMI最優解,米爾RK3506開發板× LVGL Demo演示
- H橋降壓-升壓電路中的交替控製與帶寬優化
技術白皮書下載更多>>
- 車規與基於V2X的車輛協同主動避撞技術展望
- 數字隔離助力新能源汽車安全隔離的新挑戰
- 汽車模塊拋負載的解決方案
- 車用連接器的安全創新應用
- Melexis Actuators Business Unit
- Position / Current Sensors - Triaxis Hall
熱門搜索
Tektronix
Thunderbolt
TI
TOREX
TTI
TVS
UPS電源
USB3.0
USB 3.0主控芯片
USB傳輸速度
usb存儲器
USB連接器
VGA連接器
Vishay
WCDMA功放
WCDMA基帶
Wi-Fi
Wi-Fi芯片
window8
WPG
XILINX
Zigbee
ZigBee Pro
安規電容
按鈕開關
白色家電
保護器件
保險絲管
北鬥定位
北高智



