模擬前端元件
發布時間:2011-03-09
中心議題:
- 電容傳感器模擬前端測量方法
解決方案:
- 激勵電容傳感器
- 測量電容傳感器
- 檢測傳感器接觸麵積
因為采用了傳統機械開關,用戶使用電容傳感器接口的方式直接與各種工作條件下(可靠性)接觸傳感器的響應度(靈敏度)相關。本文將介紹一些通用電容傳感器模擬前端測量方法.
靈敏度
電容傳感器的靈敏度是由其物理結構、測量電容的方法和精確比較電容相對於接觸門限電平變化的能力而決定的。采用傳統印製電路板(PCB)方法製造的電容傳感器的測量範圍通常為1~20pF,因而很難準確地檢測微小變化。雖然有幾種測量這些電容微小值的方法,但采用16位電容/數字轉換器(CDC)的高精密測量方法仍然具有明顯的優勢。
基於PCB設計的電容傳感器
製zhi作zuo在zai標biao準zhun印yin製zhi電dian路lu板ban或huo撓nao性xing印yin製zhi電dian路lu上shang的de電dian容rong傳chuan感gan器qi都dou使shi用yong了le相xiang同tong的de銅tong材cai料liao來lai做zuo信xin號hao線xian。在zai這zhe兩liang種zhong情qing況kuang下xia,傳chuan感gan器qi的de最zui大da靈ling敏min度du都dou由you傳chuan感gan器qi的de物wu理li尺chi寸cun、電介質常數以及覆膜厚度所決定。例如,帶有5mm塑料覆膜的3mm厚傳感器不如帶有2mm塑料覆膜的6mm厚傳感器靈敏。
我wo們men的de目mu標biao是shi開kai發fa具ju有you正zheng確que響xiang應ying並bing且qie滿man足zu人ren體ti工gong學xue要yao求qiu的de電dian容rong傳chuan感gan器qi。在zai某mou些xie應ying用yong中zhong,傳chuan感gan器qi可ke能neng會hui很hen小xiao,從cong而er使shi用yong戶hu接jie觸chu麵mian上shang產chan生sheng微wei小xiao的de電dian容rong變bian化hua。

圖1AD7142電容傳感器的設計

圖2另一種電容傳感器設計
激勵電容傳感器
如圖1所示,連續的250kHz方波激勵信號施加在傳感器的SRC端,以在電容傳感器內建立電場。激勵信號在傳感器中建立電場後,該電場會部分地延伸出塑料覆膜,CIN端連接到CDC上。
圖2所示為另外一種電容傳感器設計案例,其將一個恒流源加到傳感器的A端,而將B端接地。當用戶觸摸傳感器時會增加額外的手指電容,從而增加了充電周期內RC的上升時間。
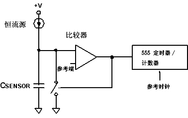
測量電容傳感器並且檢測傳感器接觸麵積

圖3使用比較器和555定時器或計數器測量電容的傳統方法

圖4傳統比較器和555定時器或計數器的靈敏度門限電平

圖5AD7142模擬前端
率來檢測。其無須外部控製元件並且自動校準,所以可確保不會發生由於溫度或濕度變化引起虛假接觸。
一旦將電容傳感器的輸出數字化後,就可以通過設置相應的16位寄存器來設置每個傳感器的具體檢測門限電平。門限電平可以設置在傳感器滿偏(F.S.)輸出值的25%~95.32%之間。AD7142靈敏度門限電平的設置如圖6所示。

圖6設置AD7142的靈敏度門限電平
可靠的電容傳感器接口以模擬前端開始,該前端必須能夠測量用戶接觸電容傳感器時引起的微小輸出變化。現在,新的高集成度CDC使設計工程師從集成有低功耗、高分辨率Σ-ΔADC混合信號技術中受益。
- 噪聲中提取真值!瑞盟科技推出MSA2240電流檢測芯片賦能多元高端測量場景
- 10MHz高頻運行!氮矽科技發布集成驅動GaN芯片,助力電源能效再攀新高
- 失真度僅0.002%!力芯微推出超低內阻、超低失真4PST模擬開關
- 一“芯”雙電!聖邦微電子發布雙輸出電源芯片,簡化AFE與音頻設計
- 一機適配萬端:金升陽推出1200W可編程電源,賦能高端裝備製造
- 2026藍牙亞洲大會暨展覽在深啟幕
- 新市場與新場景推動嵌入式係統研發走向統一開發平台
- 維智捷發布中國願景
- 2秒啟動係統 • 資源受限下HMI最優解,米爾RK3506開發板× LVGL Demo演示
- H橋降壓-升壓電路中的交替控製與帶寬優化
- 車規與基於V2X的車輛協同主動避撞技術展望
- 數字隔離助力新能源汽車安全隔離的新挑戰
- 汽車模塊拋負載的解決方案
- 車用連接器的安全創新應用
- Melexis Actuators Business Unit
- Position / Current Sensors - Triaxis Hall





