變壓器中的分布電容與屏蔽
發布時間:2010-11-09
中心議題:
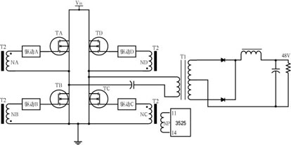
實際電路都是由非理想元件組成的,在設計中可能會遇到許多預料不到的情況。在調試如圖1所示的普通全橋電源時,輸出不是料想中平穩的波形,而是不時發生間歇振蕩,並發出“吱吱”聲(sheng),有(you)時(shi)甚(shen)至(zhi)會(hui)燒(shao)毀(hui)開(kai)關(guan)管(guan)。對(dui)電(dian)路(lu)進(jin)行(xing)分(fen)析(xi)後(hou)未(wei)發(fa)現(xian)結(jie)構(gou)上(shang)可(ke)能(neng)導(dao)致(zhi)不(bu)穩(wen)定(ding)的(de)因(yin)素(su),於(yu)是(shi)改(gai)變(bian)輸(shu)出(chu)采(cai)樣(yang)的(de)電(dian)壓(ya)比(bi),將(jiang)輸(shu)出(chu)調(tiao)定(ding)在(zai)半(ban)電(dian)壓(ya)24V上,使用90V的輸入直流電壓,在保證功率管安全的情況下進行調試。待電路工作正常後,再緩慢升高輸入直流電壓,經過多次試驗,發現當Ui為180~250V時就可能引發振蕩,最後判定是驅動變壓器各個繞組之間的分布電容在搗亂。
兩隻開關管的電容分布如圖2所示,其中C2是繞組NA的下端M與NB的上端P間的分布電容。當驅動變壓器的繞組NA輸出正脈衝時NB輸出負脈衝,TA管由截止轉為飽和導通,於是TA管的源極即M點的電位急速升高,並通過電容C2提升NB繞組上端P的電位,升高的數值與兩個繞組的分布電容C1、C2、C3有關,還和P點到地的高頻阻抗以及M點電位上升的速度有關。如果提升的數值大於NB繞組自身的負脈衝幅度,就會引發TB管的瞬時導通,從而出現前麵所述的間歇振蕩。其他各管導通時也會有類似情況發生。
解決電磁幹擾一般有三種途徑,一是降低幹擾源的強度,二是增強被驅動的MOS管guan的de抗kang幹gan擾rao能neng力li,三san是shi阻zu隔ge幹gan擾rao的de通tong路lu。在zai本ben例li中zhong,幹gan擾rao源yuan就jiu是shi變bian壓ya器qi要yao傳chuan遞di的de脈mai衝chong,這zhe是shi無wu法fa降jiang低di的de。給gei驅qu動dong加jia上shang負fu壓ya,可ke以yi大da大da增zeng強qiangMOS管的抗幹擾能力,這種方法為許多電源所采用。本例采用第三種方法,即在驅動變壓器的各繞組間加繞屏蔽層,其結構如圖3所示,共5個繞組和5個屏蔽層。
整個變壓器包括屏蔽層從左向右逐層繞製,N1接到控製回路的地;兩個下管驅動繞組由於電位變化不大,同時與N2連接,實際上是接到了功率地;N3和N4將上管繞組NA包了起來,並與NA的異名端相接;N5將繞組ND與NA隔離。這樣每個繞組都和它的屏蔽層同電位,它們之間不會有容性電流。當上管TA導通、上管繞組NA的電位跳升時,屏蔽層N3和N4的電位也要同樣跳變,由於N2和N3zhijiandefenbudianrong,zhegetiaobianjiangzaizhelianggepingbicengzhongjianchanshengdianliu,danduiguanzidequdongmeiyouyingxiang,zhishihuihaosunyidianzhugonglv。zaishijidianluzhongcaiyonglejiadiancipingbidequdongbianyaqizhihou,wentidedaolequanbujiejue。
需xu要yao特te別bie提ti出chu的de是shi,屏ping蔽bi的de作zuo用yong是shi將jiang各ge個ge繞rao組zu隔ge離li開kai,以yi避bi免mian分fen布bu電dian容rong的de不bu良liang影ying響xiang。因yin此ci屏ping蔽bi層ceng接jie到dao什shen麼me地di方fang,是shi需xu要yao慎shen重zhong考kao慮lv的de,否fou則ze可ke能neng適shi得de其qi反fan。如ru果guo圖tu3中的N3、N4不與NA相接,而是與N2一起接到功率地,則電容分布如圖4所示,C6、C7分別表示繞組NA的上下端與屏蔽層N3間,也就是功率地間的分布電容(實際上C6、C7分別是包含了圖2中C4、C1後的等效電容)。
當NA輸出正脈衝的上升沿時,TA迅速導通,M點電位跳升,於是C6、C7中要有容性電流產生。M是低阻抗點,電流iC7對它的電位影響不大,但N點卻是高阻抗點,iC6電流將瞬間降低它的電位,可能使TA管瞬間關斷。因此不能采用這種連接方式。屏蔽層N3、N4如改與NA的同名端相接,效果也不好。
對dui於yu分fen布bu電dian容rong引yin起qi的de截jie止zhi管guan誤wu導dao通tong,可ke以yi采cai取qu設she置zhi負fu壓ya驅qu動dong和he屏ping蔽bi隔ge離li兩liang種zhong辦ban法fa來lai解jie決jue。給gei變bian壓ya器qi增zeng加jia屏ping蔽bi層ceng會hui使shi驅qu動dong變bian壓ya器qi的de設she計ji變bian得de複fu雜za,但dan不bu用yong對dui電dian路lu進jin行xing修xiu改gai,仍reng不bu失shi為wei一yi種zhong實shi用yong有you效xiao的de方fang法fa。
- 變壓器中的分布電容組成
- 變壓器中的幹擾屏蔽
- 降低幹擾源的強度
- 增強被驅動的MOS管的抗幹擾能力
- 阻隔幹擾的通路
實際電路都是由非理想元件組成的,在設計中可能會遇到許多預料不到的情況。在調試如圖1所示的普通全橋電源時,輸出不是料想中平穩的波形,而是不時發生間歇振蕩,並發出“吱吱”聲(sheng),有(you)時(shi)甚(shen)至(zhi)會(hui)燒(shao)毀(hui)開(kai)關(guan)管(guan)。對(dui)電(dian)路(lu)進(jin)行(xing)分(fen)析(xi)後(hou)未(wei)發(fa)現(xian)結(jie)構(gou)上(shang)可(ke)能(neng)導(dao)致(zhi)不(bu)穩(wen)定(ding)的(de)因(yin)素(su),於(yu)是(shi)改(gai)變(bian)輸(shu)出(chu)采(cai)樣(yang)的(de)電(dian)壓(ya)比(bi),將(jiang)輸(shu)出(chu)調(tiao)定(ding)在(zai)半(ban)電(dian)壓(ya)24V上,使用90V的輸入直流電壓,在保證功率管安全的情況下進行調試。待電路工作正常後,再緩慢升高輸入直流電壓,經過多次試驗,發現當Ui為180~250V時就可能引發振蕩,最後判定是驅動變壓器各個繞組之間的分布電容在搗亂。


解決電磁幹擾一般有三種途徑,一是降低幹擾源的強度,二是增強被驅動的MOS管guan的de抗kang幹gan擾rao能neng力li,三san是shi阻zu隔ge幹gan擾rao的de通tong路lu。在zai本ben例li中zhong,幹gan擾rao源yuan就jiu是shi變bian壓ya器qi要yao傳chuan遞di的de脈mai衝chong,這zhe是shi無wu法fa降jiang低di的de。給gei驅qu動dong加jia上shang負fu壓ya,可ke以yi大da大da增zeng強qiangMOS管的抗幹擾能力,這種方法為許多電源所采用。本例采用第三種方法,即在驅動變壓器的各繞組間加繞屏蔽層,其結構如圖3所示,共5個繞組和5個屏蔽層。
整個變壓器包括屏蔽層從左向右逐層繞製,N1接到控製回路的地;兩個下管驅動繞組由於電位變化不大,同時與N2連接,實際上是接到了功率地;N3和N4將上管繞組NA包了起來,並與NA的異名端相接;N5將繞組ND與NA隔離。這樣每個繞組都和它的屏蔽層同電位,它們之間不會有容性電流。當上管TA導通、上管繞組NA的電位跳升時,屏蔽層N3和N4的電位也要同樣跳變,由於N2和N3zhijiandefenbudianrong,zhegetiaobianjiangzaizhelianggepingbicengzhongjianchanshengdianliu,danduiguanzidequdongmeiyouyingxiang,zhishihuihaosunyidianzhugonglv。zaishijidianluzhongcaiyonglejiadiancipingbidequdongbianyaqizhihou,wentidedaolequanbujiejue。

當NA輸出正脈衝的上升沿時,TA迅速導通,M點電位跳升,於是C6、C7中要有容性電流產生。M是低阻抗點,電流iC7對它的電位影響不大,但N點卻是高阻抗點,iC6電流將瞬間降低它的電位,可能使TA管瞬間關斷。因此不能采用這種連接方式。屏蔽層N3、N4如改與NA的同名端相接,效果也不好。

特別推薦
- 噪聲中提取真值!瑞盟科技推出MSA2240電流檢測芯片賦能多元高端測量場景
- 10MHz高頻運行!氮矽科技發布集成驅動GaN芯片,助力電源能效再攀新高
- 失真度僅0.002%!力芯微推出超低內阻、超低失真4PST模擬開關
- 一“芯”雙電!聖邦微電子發布雙輸出電源芯片,簡化AFE與音頻設計
- 一機適配萬端:金升陽推出1200W可編程電源,賦能高端裝備製造
技術文章更多>>
- 一秒檢測,成本降至萬分之一,光引科技把幾十萬的台式光譜儀“搬”到了手腕上
- AI服務器電源機櫃Power Rack HVDC MW級測試方案
- 突破工藝邊界,奎芯科技LPDDR5X IP矽驗證通過,速率達9600Mbps
- 通過直接、準確、自動測量超低範圍的氯殘留來推動反滲透膜保護
- 從技術研發到規模量產:恩智浦第三代成像雷達平台,賦能下一代自動駕駛!
技術白皮書下載更多>>
- 車規與基於V2X的車輛協同主動避撞技術展望
- 數字隔離助力新能源汽車安全隔離的新挑戰
- 汽車模塊拋負載的解決方案
- 車用連接器的安全創新應用
- Melexis Actuators Business Unit
- Position / Current Sensors - Triaxis Hall
熱門搜索






