破解多收發器同步難題:基於MAX2470的高隔離時鍾耦合方案
發布時間:2025-11-05 責任編輯:lina
【導讀】在多輸入多輸出(MIMO)無線通信係統中,確保多個收發器共享一個高精度、低噪聲的參考時鍾,是保障係統整體性能(如低誤差矢量幅度EVM)的關鍵。時鍾信號在分配過程中,任何負載不匹配或信號串擾都可能導致同步失效。MAX2470與MAX2471緩衝放大器,憑借其高反向隔離度、靈活的負載驅動能力及低成本特性,為此提供了高效的解決方案。
在多輸入多輸出(MIMO)無線通信係統中,確保多個收發器共享一個高精度、低噪聲的參考時鍾,是保障係統整體性能(如低誤差矢量幅度EVM)的關鍵。時鍾信號在分配過程中,任何負載不匹配或信號串擾都可能導致同步失效。MAX2470與MAX2471緩衝放大器,憑借其高反向隔離度、靈活的負載驅動能力及低成本特性,為此提供了高效的解決方案。

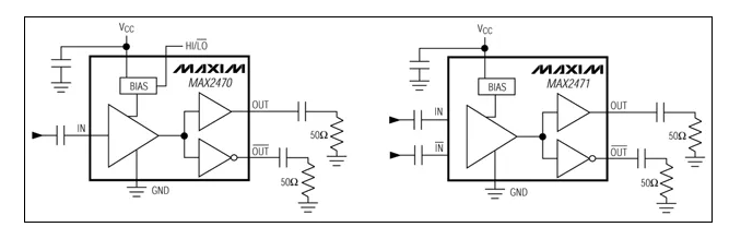
圖1. MAX2470、MAX2471結構框圖
1.1 核心特性:不止於緩衝
MAX2470/MAX2471的核心價值在於它們作為 “信號橋梁” 的穩定性。

1.2 實戰MIMO時鍾分配:架構與要點
在MIMO係統中,一個參考時鍾源需要驅動多個物理上分離的收發器。
典型應用架構:參考時鍾源首先接入MAX2470的輸入端。由於其兩個輸出信號存在180°相位差,不能同時用於驅動MIMO係統中的不同收發器。標準的做法是:將其中一個輸出端用50Ω電阻進行端接,另一個輸出則分配給係統中的各個收發器。
功率考量:設計時必須注意,當使用50Ω負載時,MAX2470的輸出功率通常應設置為-5dBm或更低。工程師需要計算並驗證分配到每個收發器的信號功率,確保滿足其最小參考電平要求。
1.3 實現最佳性能:PCB布局與電源濾波
再優秀的芯片也離不開精心的電路板設計,尤其是在高頻應用場景。
總結
MAX2470與MAX2471通過提供高反向隔離、靈活的負載驅動能力及穩定的差分輸出,有效解決了MIMO係統中參考時鍾分配的關鍵難題,確保了多收發器的同步性能。結合正確的電路匹配與嚴謹的PCB布局,它們是實現高效、可靠MIMO射頻係統設計的優選器件。
推薦閱讀:
創新強基,智造賦能:超600家企業齊聚!第106屆中國電子展打造行業盛宴
- 噪聲中提取真值!瑞盟科技推出MSA2240電流檢測芯片賦能多元高端測量場景
- 10MHz高頻運行!氮矽科技發布集成驅動GaN芯片,助力電源能效再攀新高
- 失真度僅0.002%!力芯微推出超低內阻、超低失真4PST模擬開關
- 一“芯”雙電!聖邦微電子發布雙輸出電源芯片,簡化AFE與音頻設計
- 一機適配萬端:金升陽推出1200W可編程電源,賦能高端裝備製造
- 1200餘家企業齊聚深圳,CITE2026打造電子信息產業創新盛宴
- 掌握 Gemini 3.1 Pro 參數調優的藝術
- 築牢安全防線:電池擠壓試驗機如何為新能源產業護航?
- Grok 4.1 API 實戰:構建 X 平台實時輿情監控 Agent
- 電源芯片國產化新選擇:MUN3CAD03-SF助力物聯網終端“芯”升級
- 車規與基於V2X的車輛協同主動避撞技術展望
- 數字隔離助力新能源汽車安全隔離的新挑戰
- 汽車模塊拋負載的解決方案
- 車用連接器的安全創新應用
- Melexis Actuators Business Unit
- Position / Current Sensors - Triaxis Hall







