電壓互感器不能短路也不能開路
發布時間:2020-01-15 責任編輯:xueqi
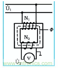
【導讀】無(wu)論(lun)是(shi)電(dian)流(liu)互(hu)感(gan)器(qi)還(hai)是(shi)電(dian)壓(ya)互(hu)感(gan)器(qi)其(qi)原(yuan)理(li)和(he)變(bian)壓(ya)器(qi)都(dou)是(shi)一(yi)樣(yang)的(de),區(qu)別(bie)在(zai)於(yu)電(dian)流(liu)互(hu)感(gan)器(qi)二(er)次(ci)側(ce)出(chu)來(lai)的(de)是(shi)一(yi)次(ci)電(dian)流(liu)成(cheng)正(zheng)比(bi)的(de)二(er)次(ci)電(dian)流(liu),其(qi)電(dian)壓(ya)很(hen)低(di);而電壓互感器二次側出來的是與一次電壓成正比的二次電壓,其電流很小,所以電流互感器用於保護和測量一次側的電流、電壓互感器用於保護和測量一次側的電壓。
電壓互感器不能短路:

因為電壓互感器二次側線圈匝數本身很少,而且接入阻抗也比較小。如果短路會產生比較大的短路電流燒壞互感器的繞組。
電流互感器不能開路:

dianliuhuganqiercicexianquanxianquanzashubijiaoduo,jianceyuanjiantigongbufendianliuchanshengheyicicexiangfandecitonglianglaidixiaotiexinzhongdecidongshihelicidianliu。ruguoercicexianquankailu,zeyicicedianliuquanbuchengweilicidianliu,shitiexinzhongcitongliangzengda,tiexinbaoheyinqifaresunhuai。erqieercicexianquanzashubijiaoduohuichanshengganyingdiandongshi,xingchenggaoya,weijicaozuorenyuanhejianceshebeideanquan。
特別推薦
- 噪聲中提取真值!瑞盟科技推出MSA2240電流檢測芯片賦能多元高端測量場景
- 10MHz高頻運行!氮矽科技發布集成驅動GaN芯片,助力電源能效再攀新高
- 失真度僅0.002%!力芯微推出超低內阻、超低失真4PST模擬開關
- 一“芯”雙電!聖邦微電子發布雙輸出電源芯片,簡化AFE與音頻設計
- 一機適配萬端:金升陽推出1200W可編程電源,賦能高端裝備製造
技術文章更多>>
- 1200餘家企業齊聚深圳,CITE2026打造電子信息產業創新盛宴
- 掌握 Gemini 3.1 Pro 參數調優的藝術
- 築牢安全防線:電池擠壓試驗機如何為新能源產業護航?
- Grok 4.1 API 實戰:構建 X 平台實時輿情監控 Agent
- 電源芯片國產化新選擇:MUN3CAD03-SF助力物聯網終端“芯”升級
技術白皮書下載更多>>
- 車規與基於V2X的車輛協同主動避撞技術展望
- 數字隔離助力新能源汽車安全隔離的新挑戰
- 汽車模塊拋負載的解決方案
- 車用連接器的安全創新應用
- Melexis Actuators Business Unit
- Position / Current Sensors - Triaxis Hall
熱門搜索






