貼片電容、電阻、電感基礎知識詳解
發布時間:2018-09-29 責任編輯:xueqi
【導讀】初學者往往麵臨這樣令人困惑又能非常撓頭的問題:如何由IC元件上的標注代碼(也稱印字),判斷是什麼器件?如何查找相關IC的電路資料?無標識(印字)元件怎樣判斷是什麼器件,如何測量其好壞?可否用其它型號的元件(甚至非貼片元件)對貼片元件進行代換?貼片元件的封裝形式有哪些啊?等等。
非貼片元件的電子元件本體,可以承載較多的產信息,如規格型號、製造廠商、產品序號等。貼片元件的體積或尺寸是以毫米為計的,元件本體上不允許標注太多的信息,標識方法通常有:1)簡化標識法。將常規標識型號進行簡化,如將74LS14(六反相器數字IC)標識為LS14;2)代碼標注法,將標識進一步簡化,稱為代碼標注法。如貼片晶體管的-24、1L等,更像是密碼,需要用資料“破譯”後,才能知道標識背後元件規格型號的含義;3)無標識。小功率(如16/1W)貼片電阻,和(PF級別)小容量電容,因元件本體太小,無法印出標識,幹脆就成為無標識元件。
貼片電阻
貼片電阻是電路板上應用數量最多的一種元件,形狀為矩形,黑色,電阻體上一般標注為白色數字(小型電阻無標識,稱無印字貼片電阻),變頻器生產廠家在電路板上標注的元件序列號為R(如R1、R147等)。貼片電阻的基本參數有標稱阻值、額定功率、誤差級別,另外還有最高使用電壓、溫度係數等,我們隻需關注標稱功阻值和額定功率值兩項參數就可以了。

圖1 貼片電阻外型圖
1、貼片電阻的工作參數和類別
1)額定阻值。最常見的有數字標識法。
a、用3位數字電阻值。前2位為十位、個位值,為有效數值,第3位是0的個數或稱為10的X次方。如標注為152,即為1500Ω;101,即為100Ω;103,即為10000Ω(10 kΩ)。
1Ω以下的值加R表示,如1R5,即1.5Ω;R10,即0.01Ω。
b、用4位數字表示電阻值。前3位為有效值,即千位、百位和個位值,第4位為0的個數。如標注為1501,即為1500Ω;標注為1000,即為100Ω;標注為681,即為680 Ω;標注為1003,即為100kΩ。1Ω以下的值加R表示,同上。
3色環和4色環阻值標注法,不常見,標注規則同普通電阻,不予贅述;精密型貼片電阻,用代碼標注法,由兩位數字加一位代碼組成,前兩位數字為有效值,第3位字母為乘數值。如01A——100Ω,02 C——100kΩ,不常見,但須注意!
2)額定功率。采用數字標識的貼片電阻多為黑色,其功率級別分為1/20W、1/16W、1/8W、1/10W、1/4W、1/2W、1W等,以1/16W、1/8W、1/10W、1/4Wyingyongzuiduo,yibangonglvyueda,dianzutijiyeyueda,gonglvjibieshisuizhechicunzhubudizengde。lingwaixiangtongdewaixing,yanseyueshen,gonglvzhiyeyueda。haosangonglvwei1W或1W以上的電阻,考慮到散熱要求,不得與印刷線路板直接接觸,因而所有電路板上用到的貼片電阻,一般都是小於1W的。貼片電阻的功率值受限,故在電路中需要較大功率電阻的地方,經常采用多隻貼片電阻並聯(加串聯)的方法,來增大功率值。貼片電阻的功率值不在電阻體上直接標注,可以根據電阻的“個頭”來判斷電阻功率值的大小。
換用電阻元件時,一看數字標注的電阻值,二看電阻的體積大小,符合二者條件時,即可代換。
3)貼片熔斷電阻。這是貼片電阻中的一個特殊類型,出於電路安全考慮,不宜用普通貼片電阻予以代換,或輕易用導線短接。
tiepianrongduandianzu,shizaidianluzhongqidaorongsibaohuzuoyongdeyizhongteshutiepiandianzu,yibanshichuanlianyumoudanyuandianludegongdianzhiluzhong,dangliuguogaidianzudedianliuchaoguoyidingshuzhi,zeqidianzucengkuaisurongduan,qieduandianlugaidanyuandianludegongdiandianyuan,bimianguzhangkuodahua。qidianzutideshuzibiaozhuwei000或0,是貼片熔斷電阻的特征,測量其正常電阻值為0Ω。
4)貼片排阻。這是另一類型的貼片電阻,最常見為4引腳2元件貼片排阻、8引腳4元件貼片電阻和10引腳8元件貼片排阻,8此腳4元件貼片排阻其內部含有4隻同電阻值的相互獨立的電阻元件,標注為472的貼片排阻,指內部含有4隻阻值為4.7k的電阻元件,用於集中使用相同阻值電阻元件的電路,如MCU引腳的上位電阻,在MCU的接口電路中應用較多。

圖2 貼片排阻與內部等效電路
2、如何判斷貼片電阻的阻值和功率大小?
ruguonengqingxikanchutiepiandianzutishangdeshuzibiaoshi,panduandianzuzhihegonglvzhidangranbucunzaiwenti。ruguosunhuaidianzubenshenwubiaozhu,huoyishaohuidemianmuquanfei,kanbuqingbiaozhu,namedaihuanqiandedianzuzhipanduanjiuyaofeiyidianzhouzhele,erqieyebixuzuodaoxinzhongyoushu,cainengzuochuxiayibudexiufu。younaxiefangfakeyizuochujiaoweizhunquedepanduanne?
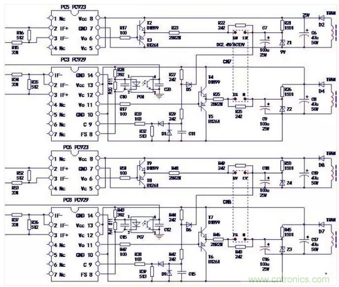
1)參考本機型的相同電路中相對應元件的電阻值。變頻器電路中的相同電路很多,如6路IGBT驅動脈衝傳輸通道,其中6個支路是完全一樣的,從MCU脈衝信號輸出引腳,至緩衝電路、至驅動IC,至IGBT的柵、射極電路。任何其中1luhuoshugezhiluzhongdedianzuhuoqitayuanjiansunhuai,kenengcankaoweisunhuaizhiluzhongtiepianyuanjiandecanshuzhi,ruwubiaoshi,kezaidianlubanshangceliangquedinghuojiangyuanjianhantuodianlubanjinxingceding。3相輸出電流(模擬信號)的傳輸通道,3個信號檢測電路也是一般也是完全相同的,一路有損壞時,可能未損壞兩路中的元件參數,確定損壞元件的參數值。
如圖2-9所示,PC5與PC6兩路驅動IC的外圍電路的元件參數完全相同;PC3與PC8兩路驅動IC的外圍元件參數完全相同,R17=R51、R23=R48、R22=R49……,當PC3外圍有元件損壞壞,可以“照搬”PC5相對應外圍元件的參數值進行修複。
同理,對晶體管、二極管、IC芯片等其它元件的損壞,當無法確定損壞元件參數時,可以參照同類型電路元件的參數值進行代換修複。
2)據電路類型確定元件參數。如MCU(微控製器)引腳上連接的上拉、下拉電阻損壞,MCU需外接上拉、下拉電阻的數字端口,一般內部為開漏結構,應用上拉或下拉電阻,可以避免I/O口存在電平漂移狀態,維持一個靜態的穩定電平。其電阻選值一般為10kΩ、6.8kΩ、5.1kΩ、4.7kΩ、3.3kΩ等,取值過小耗電增大,取值過大,則引發電平漂移或易引入幹擾。隻要確定損壞貼片電阻為MCU引腳的上位、下接電阻,則可以直接確定該損壞元件的阻值也在3.3~10kΩ的範圍之內。當然也可以參考其它上位、下拉電阻的電阻值。

圖3 參考相同電路中元件參數示意圖

圖4 MCU引腳的上拉電阻的電路示意圖
如圖4所示,U2的脈衝引腳的上拉電阻為5.1k,在3.3~10kΩ的範圍之內。
3)參考同類機型確定元件參數值。沒有相同電路可能參考,也不能像上拉、下拉電阻一樣可以大致“估算”出元件的參數,找到同類機型進行比對測量,也能確定損壞元件的參數值。
4)tiaozhengshiyandechuyuanjiandecanshuzhi。ruowutongleijixingjinxingcankao,xuyaofeidianliqicehuichugaibufendianlu,gaomingbaisunhuaidianzuzaidianluzhongdeweizhihejutizuoyong,yuqitayuanjiandelianjiefangfa,“估算”出大致的電阻值,若仍無把握,將損壞電阻,暫時接入電位器,變頻器上電,調整電位器進行試驗,配合人工信號給定、後續電路對信號作出的反應、麵板顯示等,測出電位器的電阻值,進而確定損壞電阻的參數。
3、貼片電阻的測量及外觀檢查
1)用萬用表在線測量,電阻值大於標稱值時,說明元件有斷路性故障或電阻值變大,已經損壞;suocezuzhixiaoyubiaochengzhishi,yaokaolvdaoshiwaiweibinglianyuanjianduiqizaochengdeyingxiang,yingjiangyuanjianyiduanhuoliangduantuokaidianlujinxingceliang,yibiandechuqueqiedeceliangjieguo。
2)貼片電阻的外觀特征如下:
a、貼片電阻表麵二次玻璃體保護膜應覆蓋完好,出現脫落,可能已經損壞;
b、元件表麵應該是平整的,若再現一些“凸凹”,可能損壞;
c、元件引出端電極一般應平整、無裂痕針孔、無變色現象,如果出現裂紋,可能損壞;
d、貼片電阻體表麵顏色燒黑,可能已經損壞;
e、電阻體已經變形,可能損壞。
4、貼片電阻的代換
貼片電阻的代換,除了要求電阻值一樣外,還需注意尺寸和功率值。小信號電路(如MCU主板電路)首先要求尺寸一致,便於焊接安裝。代換注意事項如下:
1)嚴格按原參數代換。模擬信號處理電路,如比例放大器電路,對輸入電阻、反饋電阻的取值嚴格,代換元件的電阻值,應與原損壞元件一樣,不允許差異過大,否則會引發電路工作失誤。
2)用於數字電路的元件,如上接、上拉電阻、隔離電阻等,選值有一定範圍,隻要令信號電壓變化明顯,符合高、didianpingdeyaoqiufanweijike。shouxianyingxuanyongxiangtongcanshudeyuanjiandaihuan。ruoshoutoushizaibunengzhaodaotongzuzhiyuanjian,zekeyongshuzhijiejindeyuanjiandaihuan,yibanbuhuiyingxiangdaodianluxingneng。ru4.7kΩ電阻損壞,用5.1kΩ或6.8kΩ電阻均可以進行代換修複。
3)可用非貼片元件代換。貼片電阻的損壞率極低,除了驅動電路因可能遭受強電衝擊經常損壞(可購用部分備件),其它電路的元件很少損壞,可能有1隻或兩隻損壞,類型不一,也無法選購備件。遇到此類損壞元件,用非貼片的1/4W或1/8W普通電阻,來代換也是沒有問題的,並非找不到原配件就導致維修進度的“卡殼”。當然焊接時要注意,做好引線整形,盡可能使引線短些,焊接後若有必要塗覆704膠加固,也能達到高質量的修複要求。
貼片電容
貼片電容是電路板上應用數量較多的一種元件,形狀為矩形,有黃色、青色、青灰色,以半透明淺黃色者為常見(係高溫燒結而成的陶瓷電容,無法印出標識)。小容量(皮發級)電容體上一般無標識,微發級電容才有標識(應用不多,容量稍大的電容,使用帶引線的插孔電容)。變頻器生產廠家在電路板上標注的元件序列號為C(如C1、C47等),由於變頻器實際電路板的元件安裝緊湊,一般隻標注序號,而不標出容量值。貼片電容的基本參數有電容量、工作電壓、漏電流值、誤差等,用於小信號電路的供電電壓一般為15V以下,如MCU主板的供電為5V,所以實際應用中,僅需注意第一個參數電容量和尺寸(便於安裝)就可以了。
圖5 無極性貼片電容、和鉭電容貼片元件外形圖
應用於變頻器電路的貼片電容,主要有無極性小容量貼片電容(用於IC小信號濾波,抑製振鈴)、有極性貼片鉭電容(為電解電容的一種,用於電源輸出端的濾波)兩種,耐壓在63V以下。容量在10微法級和高耐壓電容,往往采用普通電容器。
1、無標識貼片電容的容量估算、檢測和代換
1)用於開關電源電路的供電輸出端及IC電路的供電輸入端的貼片電容,見上圖電路左側元件圖示。
在供電輸出端,與(濾波)電解電容並聯在一起。因電解電容係導電極板和絕緣介質卷繞在一起,具有“電感效應”,高頻濾波效果差。並聯小容量電容,濾除整流後的高頻紋波成分。電路中IC的供電端,也都加有高頻濾波電容,以吸收(可能存在由引線形成的寄生電感或由某種幹擾帶來的)電源擾動。此類電容的電容量一般為0.01~0.1μF左右。該類電容對容量要求並不嚴格,故障率也比較低。如檢查發現有損壞,換用0.01~0.1μF範圍內的電容都是可以的。
2)信(xin)號(hao)通(tong)路(lu)中(zhong)的(de)低(di)通(tong)濾(lv)波(bo)器(qi)用(yong)到(dao)的(de)貼(tie)片(pian)電(dian)容(rong)。低(di)通(tong)濾(lv)波(bo)器(qi)電(dian)路(lu),用(yong)於(yu)對(dui)信(xin)號(hao)中(zhong)的(de)某(mou)一(yi)頻(pin)段(duan)內(nei)的(de)高(gao)頻(pin)成(cheng)分(fen)進(jin)行(xing)衰(shuai)減(jian)和(he)吸(xi)收(shou),隻(zhi)要(yao)求(qiu)其(qi)中(zhong)的(de)信(xin)號(hao)中(zhong)的(de)低(di)頻(pin)成(cheng)分(fen)(甚至直流成分)通過。變頻器的信號傳輸通路中,多用於將脈動直流信號經RC電路轉化成直流信號,因而該電路中的電容量大致在0.01~0.47μF左右,因為電阻R的作用,雖然電容量較小,但RC總的時間常數並不小,也能達到較好的濾波效果。如不好確認容量大小,可以用0.01~0.47μF以內容量的電容試驗,以經RC濾波後無明顯脈衝動成分為宜。
3)具有特定容量的貼片電容。如MCU晶振引腳的補償電容,其容量與MCU類型和晶振頻率相關,可由MCU的相關資料,和晶振元件的標注頻率值,確定該電容的容量,一般為33PF或22PF、15PF。
貼片電容的損壞現象和檢測方法:
a、同(tong)一(yi)類(lei)型(xing)的(de)電(dian)容(rong),個(ge)頭(tou)越(yue)大(da)或(huo)顏(yan)色(se)越(yue)深(shen),容(rong)量(liang)也(ye)越(yue)大(da)。電(dian)容(rong)的(de)容(rong)量(liang)可(ke)以(yi)用(yong)專(zhuan)用(yong)的(de)電(dian)容(rong)測(ce)試(shi)儀(yi)來(lai)測(ce)定(ding),目(mu)前(qian)一(yi)些(xie)數(shu)字(zi)萬(wan)用(yong)表(biao),也(ye)附(fu)加(jia)此(ci)項(xiang)功(gong)能(neng)。測(ce)電(dian)容(rong)量(liang)時(shi),須(xu)將(jiang)貼(tie)片(pian)電(dian)容(rong)至(zhi)少(shao)脫(tuo)開(kai)一(yi)端(duan),排(pai)除(chu)外(wai)電(dian)路(lu)的(de)影(ying)響(xiang)後(hou),再(zai)行(xing)檢(jian)測(ce)。
b、用萬用表檢測。如果在線檢測,萬用表測量得出電容兩引腳之間的的電阻值,其實是與電容相連接的外電路“綜合電阻值”,若電容處於短路或近於短路情況(電阻值極低)下,才能有所反映。將電容器脫開原電路,測量其電阻值應為無窮大。用指針表的×10k擋測量時,0.1μF左右的電容指針有跳動(充電)現象,靜止後歸於無窮大。若測得固定電阻值,說明電容損壞。
c、上電檢測,由電路判斷該點電壓低落,可能是電容漏電引起,見下圖電路示例。這也是一個比較好的方法。
如下圖6所示電路中,測量a點電壓正常值應為R221、R22對3V供電的分壓值1.5V,若測量電壓值高於1.5V,可能係電容C112漏電損壞所致;測b點電壓正常值應為3V,若低於3V,可能係電容C56漏電損壞所致。
圖6 電壓漏電引起A點電壓降低
進一步,可將C112或C56焊脫電路,對其引腳電阻值進行測量驗證。
當(dang)貼(tie)片(pian)電(dian)容(rong)損(sun)壞(huai)時(shi),也(ye)同(tong)確(que)定(ding)貼(tie)片(pian)電(dian)阻(zu)的(de)阻(zu)值(zhi)一(yi)樣(yang),可(ke)參(can)考(kao)同(tong)類(lei)電(dian)路(lu),測(ce)出(chu)好(hao)的(de)電(dian)容(rong)元(yuan)件(jian)的(de)電(dian)容(rong)量(liang),來(lai)確(que)定(ding)故(gu)障(zhang)電(dian)容(rong)的(de)參(can)數(shu)。如(ru)晶(jing)振(zhen)引(yin)腳(jiao)電(dian)容(rong)壞(huai)掉(diao)一(yi)隻(zhi),測(ce)另(ling)一(yi)腳(jiao)電(dian)容(rong)元(yuan)件(jian)的(de)電(dian)容(rong)量(liang)即(ji)可(ke),兩(liang)隻(zhi)電(dian)容(rong)的(de)容(rong)量(liang)是(shi)一(yi)樣(yang)的(de)。
故障電容的代換:貼tie片pian電dian容rong的de故gu障zhang率lv較jiao低di,各ge種zhong規gui格ge的de貼tie片pian電dian容rong都dou要yao備bei件jian,顯xian然ran不bu是shi現xian實shi的de。偶ou爾er發fa現xian損sun壞huai元yuan件jian時shi,用yong普pu通tong的de同tong容rong量liang瓷ci片pian或huo絛tao綸lun電dian容rong來lai代dai換huan,是shi完wan全quan可ke以yi的de,注zhu意yi引yin線xian盡jin量liang要yao短duan,焊han接jie質zhi量liang要yao好hao。
2、有極性(有標識)貼片電容的容量識別、檢測和代換
有極性貼片電容的外形如圖2-11zhongyouceyuanjiantusuoshi,yibanyoujuxingtiepian,yuanzhuxingtiepianliangzhongxingshi,houzhedebiaoshiyuxingzhuangyuputongdianrongqixiangsi,yiyubianshi,buzuotaolun。juxingtiepiandianrongdeyanseduoweiyinbaisehuoheise,biaoyouhenggangdeyiduanweizhengji(也可通過其在電路中的連接方式進一步判斷——帶橫杠的一端與供電電源的正極連接)。根據封裝形式不同,耐壓分為A(10V)、B(16V)、C(25V)、D(35V)四個等級,電容量多為數微法至數十微法。
貼片電容的規格型號所包含的參數一般有電容量、額定電壓、容量誤差、尺寸、封裝類型等,不同廠家皆有差異,想記住或弄明白,真是相當困難(也無必要)。
貼片有極性電容的標注法舉例:
1)采用數字標注法,采用一位字母+3位數字組成,如A475,數字中前兩位為有效值,末位為零的個數,即4700000PF=4.7μF。A為耐壓級別,10V。
2)直接標注法。如16V 10,即為10μF,耐壓16V的有極性電容。
3)四色環標注法。色環的顏色與數字對應關係,棕(或茶色)1、紅2、橙(或橘紅色)3、黃4、綠5、藍6、紫7、灰8、白9、黑0,同普通電阻的色環標注法相同。(從左至右)前兩道色環為有效值,第三道色環為零的個數,第四道色環為額定電壓標識。如黃紫綠綠,前3環為4700000PF(4.7μF),第四道色環表示額定電壓為10V。
4)代碼標示法,在沒有相關資料的情況下,就比較難於辨識了。須依據代碼,按資料“翻譯”出電容的容量和耐壓等參數值來。
duiguzhangdianrongqicanshudequeding,jiashecongbiaoshishanghennanpanding,zecaiyongshangwenruduitiepiandianzujiancepanduandeqitafangfa,yenengdadaopandinghequedingyuanjiancanshudemude,ruzaidianluzhongyibandounengzhaodaoxiangtongbiaoshidetiepiandianrong,yongdianrongbiaoceliangxiangtongbiaoshidedianrong,keyipanduanchudianrongliang,naiyazexuanyongbigongdiandianyuangaoyijibiedejike,ru5V供電電源下,可選用6.3~16V的都可以。
有極性貼片電容的好壞判斷:
貼片電容有擊穿短路、內部電極斷路、漏電、容量減小等故障,檢測方法普通電解電容的檢測與判斷方法一樣。用數字萬用表測量電容量,或指針式萬用表的電阻擋測量充、放電現象和靜態電阻值,都可以判斷電容的好壞。
貼片有極性電容的代換:
1)如果易於購到原型號、原封裝形式的“原配件”,代換最為方便。原配件的來源一般有兩處:采購,從(電子元件商場)供應商,或從(當當網,淘寶網上可購得難以找到原配件的二手器件)網絡;廢舊電路板上拆用。無論從何處得到的配件,一定要先測量,判定是好的,再往電路板上焊接,焊接前一定要有“測量驗證”這一個環節,避免查出一個壞元件,再換上一個壞元件,使檢修進入誤區導致修複失敗的現象發生。
2)tiepianyoujixingdianrongdesunhuailvyeshixiangdangdide。ruguoanzhuangkongjianxuke,yongputongdetongronglianghenaiyafuheyaoqiudedianjiedianronglaidaihuan,yemeiyoushenmewenti,zhuyixuanyongzhiliangyouliang(溫度係數小,性能穩定)的電解電容,焊接引腳要短,焊接後可用704膠加固。
貼片電感
貼片電感元件在電路中的應用數量較少,僅僅在低壓直流控製電源的輸出端,見到其應用,與濾波電容構成CLC的π形濾波電路,有(抑製電流突變)穩定輸出電流的作用。電感元件,由單線圈組成,有的帶磁心(電感量較大),單位一般用μH和mH表示,流通電流值為幾毫安至幾百毫安。
貼片電感有圓形、方形和矩形等封裝形式,顏色多為黑色。帶鐵心電感(或圓形電感),從外形上看易於辨識。但有些矩型電感,從外型上看,更像是貼片電阻元件。變頻器生產廠家對電路板上貼片電感的標號,標有“L”字樣。電感的工作參數有電感量、Q值(品質因數)、直流電阻、額定電流、自諧頻率等,但貼片電感受體積局限,大多隻標注出電感量,其它參數未予標注,而且往往是間接標注法——貼片電感本體上標注,隻是整個規格型號的部分信息,即大多隻是電感量信息。
圖7 貼片電感外形圖
貼片電感的標注舉例:實際(印字)標注——101,完整型號——MPI 0610 M T 101(含有類型、尺寸、誤差、封裝形式、電感量等信息),是電感量為100μH的貼片電感。1R1,是電感量為1.1μH的貼片電感。有的用一個字母表示電感(代碼標注法),實際標注——E,完整型號——MPE0312NT2R7,是電感量為2.7μH的貼片電感。
貼片電感的辨識方法:
1)從外型,如帶磁心方形或圓形電感,體積稍大,能看出磁心和線圈;
2)有的貼片電感從外形上與貼片電阻一樣,但沒有數字與字母標注,隻有一個小圓圈的標注,意為電感元件;
3)在電路中的元件序號,往往標為L字樣,如“L1”、“DL1”等。
4)有電感量標注,如100。
5)理想電感的交流電阻較大,而直流電阻為零。電感元件的測量電阻值極小,電阻值近於為零歐姆。從3)、4)、5)項,配合觀察和測量(在電路中的位置和作用),能區別出元件是貼片電阻還是貼片電感,並判定出電感元件。
6)用專用電感量測試儀,將元件脫開電路,測量其電感量。
貼片電感的好壞判別:
1)首先確定是電感元件;
2)觀察外型有無變形、變色、碎裂等,若有以上現象,可能已經損壞;
3)用萬用表的小電阻擋位(如200擋或×1擋),測直流電阻應近於0。若測量電阻值較大或無窮大,說明電感元件損壞。
貼片電感的故障代換:
1)可從廢舊電路板上拆同型號元件代換;
2)先確定電感量和流通電流值,用普通帶引腳電感元件代替,並做好固定;
3)自行繞製,製作電感代用,有一定操作難度;
4)如果對電路性能無明顯影響,應急修複可暫時短接(僅供參考,並不提倡這個修複方法,有可能降低產品的某些性能)。
特別推薦
- 噪聲中提取真值!瑞盟科技推出MSA2240電流檢測芯片賦能多元高端測量場景
- 10MHz高頻運行!氮矽科技發布集成驅動GaN芯片,助力電源能效再攀新高
- 失真度僅0.002%!力芯微推出超低內阻、超低失真4PST模擬開關
- 一“芯”雙電!聖邦微電子發布雙輸出電源芯片,簡化AFE與音頻設計
- 一機適配萬端:金升陽推出1200W可編程電源,賦能高端裝備製造
技術文章更多>>
- 築基AI4S:摩爾線程全功能GPU加速中國生命科學自主生態
- 一秒檢測,成本降至萬分之一,光引科技把幾十萬的台式光譜儀“搬”到了手腕上
- AI服務器電源機櫃Power Rack HVDC MW級測試方案
- 突破工藝邊界,奎芯科技LPDDR5X IP矽驗證通過,速率達9600Mbps
- 通過直接、準確、自動測量超低範圍的氯殘留來推動反滲透膜保護
技術白皮書下載更多>>
- 車規與基於V2X的車輛協同主動避撞技術展望
- 數字隔離助力新能源汽車安全隔離的新挑戰
- 汽車模塊拋負載的解決方案
- 車用連接器的安全創新應用
- Melexis Actuators Business Unit
- Position / Current Sensors - Triaxis Hall
熱門搜索
微波功率管
微波開關
微波連接器
微波器件
微波三極管
微波振蕩器
微電機
微調電容
微動開關
微蜂窩
位置傳感器
溫度保險絲
溫度傳感器
溫控開關
溫控可控矽
聞泰
穩壓電源
穩壓二極管
穩壓管
無焊端子
無線充電
無線監控
無源濾波器
五金工具
物聯網
顯示模塊
顯微鏡結構
線圈
線繞電位器
線繞電阻





