安全設計攻略:LED如何直接驅動電路防護
發布時間:2015-03-26 責任編輯:sherry
【導讀】在設計LED驅動電路時必須要充分考慮並做好保護措施,從而提高電路的可靠性,降低故障發生率, 本文下麵就LED驅動電路的防護進行簡單的探討。希望能幫助到工程師朋友們。
LED燈具有高效、可靠、低耗能等特點,有著非常廣泛的用途,常用來做照明、顯示、信號燈等等。 但由於LED使用環境的複雜性,尤其是當LED是shi用yong在zai戶hu外wai時shi,其qi驅qu動dong電dian路lu非fei常chang容rong易yi遭zao受shou到dao過guo電dian壓ya和he過guo電dian流liu的de衝chong擊ji而er造zao成cheng故gu障zhang或huo損sun壞huai,引yin發fa不bu必bi要yao的de財cai產chan損sun失shi甚shen至zhi是shi人ren員yuan傷shang亡wang,因yin此ci在zai設she計jiLED驅動電路時必須要充分考慮並做好保護措施,從而提高電路的可靠性,降低故障發生率, 下麵就LED驅動電路的防護進行簡單的探討。
LED驅動電路一般由幾個部分構成, 包括AC輸入、整流,、DC/DC轉換、等模塊, 根據各個模塊電壓和電流及可能遭受到的浪湧情況的不同需要分開來做有針對的防護。
1、LED驅動電路浪湧保護應用

在交流電源AC輸入端浪湧保護方案,可以采用壓敏電阻(MOV) 或加氣體放電管(GDT/SPG)組合來進行設計。在有接地的情況下,可以采用如圖1差共模同時防護的理念,在L-N之間並聯壓敏電阻(MOV),可以有效地抑製差模所產生的浪湧過電壓,起到對後級電路保護,在L/N-PE之間分別采用MOV 或MOV+GDT/SPG對地的電路連接方式可以有效的將共模浪湧能量泄放到大地, 防止浪湧引入到後級電路而造成損壞;如果在電源沒有接地線情況下,如圖2則在L-N線間可直接並聯壓敏電阻進行差模防護即可。為了避勉MOV保護元件在防護失效之後,出現短路失效著火燃燒的可能性,可以使用TMOV或PMOV進行保護。針對上麵 MOV交流耐受電壓選擇至少要高於線路最大交流工作電壓1.2~1.4倍,以避勉誤動作,在有同時使用放電管GDT/SPGshi,fangdianguanjichuandianyadexiaxianzhibixuzhishaogaoyudianludezuidafengzhidianya,naishoudianliubixugenjuzishenlangyongdengjidexuqiuxuanzebutongdianliudengji,yifuheyulangyongceshibiaozhundeyaoqiu。
2、AC/DC後防護電路示意圖

在有交流經過整流後,後端直流電路中的芯片對過壓和過流非常敏感,芯片易受損壞,如圖3所示,經整流之後並聯瞬態抑製二極管TVS, 在有過壓產生時,TVShuiyipimiaojidefanyingsududongzuoerbaguogaodianyaqianzhizaiyigeanquandefanweinei,congerbaohuhouduanxinpianmianshouguoyadechongji。yichangdianliukeyitongguozaidianluzhongshejizihuifubaoxiansiPPTC進行防護,PPTC在過流產生時阻抗能迅速的變大,從而有效地阻斷異常電流,直至故障排除PPTC就可繼續恢複低阻狀態,使電路能繼續恢複到正常工作狀態。TVS選用時截止電壓一般為正常工作電壓峰值的1.2~1.4倍即可,TVS功率大小要根據過壓的能量選擇合適的等級。PPTC選擇要結合電路工作電流及電壓進行參考以及環境溫度也是影響PPTC選擇一個重要關鍵指標,PPTC的保持電流會隨著應用環境溫度的升高而降低。PPTC在電路中的位置一般串聯在TVS前端,這樣PPTC不僅可以對電路芯片有效的起到保護作用同時又可以對TVS管起到一定保護作用,可以大大的提高TVS管的使用壽命。
3、LED直接驅動電路防護示意圖

LED發光的亮度是由通過LED的電流大小來控製, 不穩定的電流又極易燒壞LED,如圖4在DC/DC模塊後可以在電路中串聯恒流二極管來獲得穩定的電流,,這樣不僅可以使LED獲得穩定的亮度,,又不至於因電流的不穩定而燒壞LED。低功率的LED燈工作電流一般為10mA到30mA,大功率的LED燈工作電流從200mA到1400mA不等,可以根據所需要的工作電流選擇型號合適的恒流二極管。由於LED燈也易遭受到靜電放電過壓的幹擾受損, 因此DC/DC電路後端的LED燈也需要做一定的有效過壓防護,一般采用TVS管就可以。
[page]
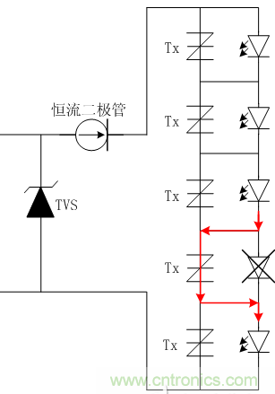
4、LED燈串起防護示意圖
當多個的LED燈通過串聯的方式進行連接時, 如圖5所示,一旦出現LED燈出現失效開路故障,整個LED燈都會因為此故障而影響到其它LED燈正常工作,為了解決這個問題, 可以針對每個LED燈上並聯一個防開路的LED保護器件Tx,這樣就可充分的提高每個LED的使用效率,當單個LED出現失效開路故障時, 與之並聯的LED開路保護器件Tx會立即導通, 使之可持續的維持處於通態,從而保證了電路中其它串聯的LED不因單顆LED的開路故障而熄滅,但此防護措施成本相對比較高。

綜上所述, LED驅動電路一般由AC輸入、整流,、DC/DC轉換、等模塊組成,從而一個LED驅動電路大致整體的防護方案可以參考如圖6所示:
圖6 LED驅動電源整體防護示意圖

在實際應用中,浪湧保護元件型號的選擇與電路的工作電壓電流,電路要做的雷擊浪湧測試等級標準,工作環境, 芯片的參數等諸多因素有著密切的關係, 因此在考慮和設計LED驅動電路防護時,必須要進行綜合的考量分析,才能有針對性的設計出比較合理的防護方案。
特別推薦
- 噪聲中提取真值!瑞盟科技推出MSA2240電流檢測芯片賦能多元高端測量場景
- 10MHz高頻運行!氮矽科技發布集成驅動GaN芯片,助力電源能效再攀新高
- 失真度僅0.002%!力芯微推出超低內阻、超低失真4PST模擬開關
- 一“芯”雙電!聖邦微電子發布雙輸出電源芯片,簡化AFE與音頻設計
- 一機適配萬端:金升陽推出1200W可編程電源,賦能高端裝備製造
技術文章更多>>
- 邊緣AI的發展為更智能、更可持續的技術鋪平道路
- 每台智能體PC,都是AI時代的新入口
- IAR作為Qt Group獨立BU攜兩項重磅汽車電子應用開發方案首秀北京車展
- 構建具有網絡彈性的嵌入式係統:來自行業領袖的洞見
- 數字化的線性穩壓器
技術白皮書下載更多>>
- 車規與基於V2X的車輛協同主動避撞技術展望
- 數字隔離助力新能源汽車安全隔離的新挑戰
- 汽車模塊拋負載的解決方案
- 車用連接器的安全創新應用
- Melexis Actuators Business Unit
- Position / Current Sensors - Triaxis Hall
熱門搜索
SATA連接器
SD連接器
SII
SIM卡連接器
SMT設備
SMU
SOC
SPANSION
SRAM
SSD
ST
ST-ERICSSON
Sunlord
SynQor
s端子線
Taiyo Yuden
TDK-EPC
TD-SCDMA功放
TD-SCDMA基帶
TE
Tektronix
Thunderbolt
TI
TOREX
TTI
TVS
UPS電源
USB3.0
USB 3.0主控芯片
USB傳輸速度


